ГОСТ 10606-72
МЕЖГОСУДАРСТВЕННЫЙ
СТАНДАРТ
ГАЙКИ ШЕСТИГРАННЫЕ КОРОНЧАТЫЕ
С
ДИАМЕТРОМ РЕЗЬБЫ СВЫШЕ 48 мм
(класс точности В)
Конструкция и размеры
Москва
Стандартинформ
2006
МЕЖГОСУДАРСТВЕННЫЙ СТАНДАРТ
|
ГАЙКИ ШЕСТИГРАННЫЕ КОРОНЧАТЫЕ
С ДИАМЕТРОМ РЕЗЬБЫ СВЫШЕ 48 мм
(класс точности В)
Конструкция и
размеры
Hexagon castle nuts with
thread diameter
over 48 mm (Product grade В).
Design and dimensions
|
ГОСТ
10606-72
Взамен
ГОСТ 10606-63
|
Издание с Изменениями № 1, 2, утвержденными в июне 1980 г.,
декабре 1986 г. (ИУС 9-80. 4-87).
Постановлением Государственного комитета стандартов Совета Министров СССР от 12 сентября 1972 г. № 1709
дата введения установлена
01.01.74
1. Настоящий стандарт распространяется на
шестигранные корончатые гайки общего назначения класса точности В с диаметром резьбы свыше 48 мм.
(Измененная редакция, Изм. № 2).
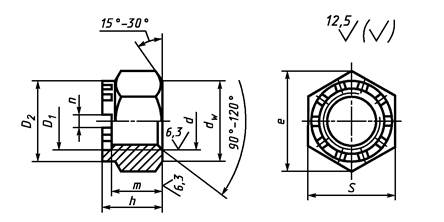
2. Конструкция и размеры гаек должны соответствовать указанным
на чертеже и в таблице.

мм
|
Номинальный диаметр резьбы d
|
(52)
|
56
|
64
|
72
|
(76)
|
80
|
90
|
100
|
110
|
125
|
140
|
160
|
|
dw, не менее
|
74,9
|
79,4
|
88,9
|
98,4
|
103,2
|
107,9
|
122,0
|
136,2
|
145,7
|
169,5
|
188,2
|
212,0
|
|
Шаг резьбы
|
крупный
|
5,0
|
5,5
|
6,0
|
-
|
-
|
-
|
-
|
-
|
-
|
-
|
-
|
-
|
|
мелкий
|
3,0
|
4,0
|
6,0 и 4,0
|
|
Размер «под ключ» S (пред. откл. по h15)
|
80
|
85
|
95
|
105
|
110
|
115
|
130
|
145
|
155
|
180
|
200
|
225
|
|
Высота h (пред. откл. по h15)
|
54
|
57
|
66
|
73
|
76
|
79
|
92
|
100
|
108
|
124
|
136
|
152
|
|
Диаметр описанной окружности e, не менее
|
89.0
|
94,5
|
105,8
|
117,1
|
122,7
|
128,4
|
145,1
|
162,0
|
173,3
|
201,6
|
223,8
|
252,1
|
|
Наружный диаметр коронки D2 (пред. откл. по h15)
|
70
|
75
|
85
|
95
|
100
|
105
|
120
|
1,35
|
140
|
160
|
180
|
200
|
|
Внутренний диаметр коронки D1 (пред. откл. по H16)
|
55
|
60
|
70
|
75
|
80
|
85
|
95
|
105
|
115
|
130
|
145
|
165
|
|
Число прорезей
|
10
|
|
Ширина прорези n (пред. откл. по h14)
|
10
|
12
|
14
|
13
|
|
Расстояние от опорной поверхности до основания прорези m (пред.
откл. по h15)
|
42
|
45
|
51
|
58
|
61
|
64
|
72
|
80
|
88
|
100
|
112
|
128
|
|
Размер шплинта для гаек (рекомендуемый)
|
8´90
|
10´90
|
10´100
|
10´100
|
10´125
|
13´140
|
13´160
|
16´180
|
16´200
|
16´220
|
Примечание. Размеры гаек, заключенные в скобки, применять не
рекомендуется.
Пример условного
обозначения гайки диаметром
резьбы d = 56 мм, с крупным шагом
резьбы с полем допуска 6Н, из материала группы 02, без покрытия:
Гайка М56-6Н.02 ГОСТ 10606-72
То же, с мелким шагом резьбы с полем
допуска 6Н, из материала группы 07, с покрытием 01 толщиной 9 мкм:
Гайка М56´4-6Н.07.019 ГОСТ 10606-72
(Измененная редакция, Изм. № 1, 2).
3. (Исключен, Изм. № 2).
4. Технические требования - по ГОСТ 18126-94.
5. Теоретическая масса гаек дана в
справочном приложении 1.
6. (Исключен, Изм. № 2).
Справочное
|
Шаг резьбы, мм
|
Теоретическая масса гайки,
кг ≈, при номинальном диаметре резьбы
d, мм
|
|
(52)
|
56
|
64
|
72
|
(76)
|
80
|
90
|
100
|
110
|
125
|
140
|
160
|
|
Крупный - 5,0; 5,5 и 6,0
|
1,28
|
1,51
|
2,10
|
-
|
-
|
-
|
-
|
-
|
-
|
-
|
-
|
-
|
|
Мелкий - 3,0 и 4,0
|
1,25
|
1,48
|
2,05
|
2,80
|
3,18
|
3,60
|
5,27
|
7,32
|
8,63
|
13,57
|
18,51
|
25,80
|
|
Мелкий - 6,0
|
-
|
-
|
-
|
2,86
|
3,26
|
3,68
|
5,37
|
7,44
|
8,78
|
13,77
|
18,76
|
26,13
|
ПРИЛОЖЕНИЕ
2 (Исключено, Изм. № 2).
|