Информационная система
«Ёшкин Кот»

XXXecatmenu

МИНИСТЕРСТВО ЭНЕРГЕТИКИ И ЭЛЕКТРИФИКАЦИИ СССР

ГЛАВЭНЕРГОРЕМОНТ

 

РУКОВОДСТВО
ПО КАПИТАЛЬНОМУ РЕМОНТУ
МАСЛЯНОГО ВЫКЛЮЧАТЕЛЯ
ВМП-10П/630

РД 34.47.613
(СО 153-34.47.613)

МОСКВА 1975

Составлено Кишиневским отделом ЦКБ Главэнергоремонта

Авторы инженеры С.А. ФРИДМАН, В.И. СМОЛЯК, И.М. ЧЕРНЯХОВСКИЙ, Ю.И. ПОПЕЛЬНИЦКИЙ, техник П.X. БИРМАН

Редактор инж. Л.Ф. ТАФИПОЛЬСКИЙ

 

СОГЛАСОВАНО:                                                                        УТВЕРЖДАЮ:

Главный инженер                                                                        Главный инженер

Ровенского завода                                                                       Главэнергоремонта

высоковольтной аппаратуры

С. ДРОБОТ                                                                          В. КУРКОВИЧ

14 ноября 1974 г.                                                                         16 декабря 1974 г.

 

ВВЕДЕНИЕ

Руководство по ремонту масляного выключателя ВМП-10П предусматривает применение ремонтным персоналом энергопредприятий и других специализированных предприятий рациональных форм организации ремонтных работ и передовых технологических приемов их выполнения.

Руководство разработано на основе чертежей и инструкций заводов-изготовителей и передового опыта работы ряда ремонтных предприятий.

Руководство определяет строгую последовательность и объем ремонтных операций, содержит нормативные материалы по технологии и трудозатратам на ремонт, квалификационному составу ремонтного персонала, а также рекомендации по дефектации деталей. Дается перечень средств (инструмента, приспособлений, крепежа и др.), необходимых для выполнения ремонтных работ.

При определении трудозатрат на отдельные операции ремонта выключателя использованы «Нормы времени на капитальный, текущий ремонты и эксплуатационное обслуживание оборудования подстанций 35 - 500 кВ» (ХОЗУ Минэнерго СССР, 1971).

Суммарные затраты на капитальный ремонт одного выключателя составляют 26,25 чел.-ч, в том числе непосредственно на ремонт 19,25 чел.-ч, на наладку выключателя 7 чел.-ч.

Трудозатраты, указанные в Руководстве, не могут быть использованы для определения сроков и стоимости ремонтных работ, так как в них не учтено время на подготовительные и заключительные работы, простои, перерывы, отдых и т.д., составляющее примерно 8,5 % общего времени на ремонт выключателя.

I. ОБЩИЕ ПОЛОЖЕНИЯ

Настоящее Руководство по капитальному ремонту выключателя ВМП-10П/630 охватывает полный объем ремонта и ревизии всех узлов выключателя и элементов управления. Работы по проверке и наладке релейной защиты и высоковольтным испытаниям производителя персоналом специализированных служб согласно действующим инструкциям и в объем данного Руководства не включены.

Технология ремонта предусматривает замену изношенных или поврежденных деталей запасными. Ремонт деталей, удлиняющий срок простоя выключателя, не рекомендуется.

Руководство предусматривает применение приспособлений и специального инструмента, способствующих повышению производительности труда.

При отсутствии оснастки, рекомендуемой настоящим Руководством, допускается использование имеющейся в наличии при условии, что замена не влечет за собой снижение производительности труда и ухудшение качества ремонта.

Технологическая схема капитального ремонта выключателя (приложение 1, см. вклейку) разработана на основе данного Руководства, принятых трудозатрат, численности и квалификации ремонтного персонала.

Принятая численность, квалификация и суммарные трудозатраты соответствуют «Нормам времени на капитальный, текущий ремонты и эксплуатационное обслуживание оборудования подстанций 35 - 500 кВ» (ХОЗУ Минэнерго СССР, 1971).

Руководство разработано при условии проведения всех работ на месте установки выключателя.

Применение индустриально-заводского метода ремонта (приложение 2, см. вклейку) дает возможность сократить время простоя выключателя в ремонте. По этой схеме ремонт резервных узлов (вала привода с барабаном, подвижной контактной системы полюса с механизмом, дугогасительной камеры и неподвижного розеточного контакта) ведется в условиях мастерских, что дает (с последующей заменой на подстанции) возможность исключить ряд работ на месте (операции 5 - 7, 11 - 13) с суммарными трудозатратами 4,95 чел.-ч и уменьшить время простоя выключателя в ремонте на 1,6 ч.

В процессе производства работ ремонтный персонал обязан строго выполнять правила техники безопасности в соответствии с существующими указаниями и правилами.

II. ОРГАНИЗАЦИЯ РЕМОНТА ВЫКЛЮЧАТЕЛЯ

Подготовка к капитальному ремонту

1. Не позже чем за сутки до начала ремонта выключателя ремонтное подразделение (руководитель ремонта) обязано:

а) наметить состав ремонтной бригады по квалификации и количеству в соответствии с объемом ремонта;

б) тщательно проработать с персоналом организацию и технологию ремонтных работ;

в) ознакомиться с документацией предыдущего ремонта или монтажа;

г) ознакомиться с режимом работы выключателя за прошедший межремонтный срок и замечаниями эксплуатационного персонала;

д) подать заявку на выведение в ремонт выключателя;

е) согласовать сроки и объемы работ с лабораториями высоковольтных испытаний, релейной защиты и автоматики.

2. В соответствии с запланированным объемом работ согласно перечню (приложения 3 - 6) произвести заготовку запасных частей, инструмента, приспособлений и материалов.

3. Перед началом работ руководитель ремонта (мастер) обязан:

а) проверить готовность бригады к ремонту;

б) провести инструктаж по объему, характеру, особенностям предстоящего ремонта и технике безопасности.

4. Допуск к работе производится в соответствии с правилами техники безопасности и действующими местными инструкциями.

Проведение капитального ремонта

1. Руководство ремонтом осуществляется представителем ремонтного подразделения (руководитель ремонта). Приемка из ремонта осуществляется эксплуатационными службами в соответствии с существующими положениями.

2. При выполнении ряда сложных операций (6, 7, 21) электромонтером 2-го разряда необходим постоянный надзор со стороны электромонтеров 3-го и 4-го разрядов.

3. Сроки ремонта выключателя должны определяться с учетом следующего:

а) состав бригады определяется технологической схемой ремонта, смена состава до окончания работ на отдельных узлах не допускается;

б) обеспечивается непрерывность загрузки бригады, предусмотренной технологической схемой ремонта.

Для обеспечения сроков ремонта рекомендуется выдача нормированных планов-заданий.

4. Окончание ремонта оформляется соответствующим техническим актом (см. приложение 7) и подписывается представителями ремонтного и эксплуатационного подразделений.

III. ТЕХНИЧЕСКАЯ ХАРАКТЕРИСТИКА ВЫКЛЮЧАТЕЛЯ

Трехполюсный малообъемный масляный выключатель ВМП-10П со встроенным пружинным приводом предназначен для работы в закрытых установках напряжением до 10 кВ.

Выключатели изготовляются для малогабаритных комплектных распределительных устройств (КРУ) с ячейками выкатного типа.

Для работы в нормальных климатических условиях выпускаются выключатели на номинальные значения тока 630, 1000 и 1500 А.

Технические данные выключателя

Номинальное напряжение........................................................................... 10 кВ

Максимальное рабочее напряжение........................................................... 11,5 кВ

Номинальный ток......................................................................................... 630 А

Мощность отключения при напряжении:

3 кВ................................................................................................................. 100 МВ · А

6 кВ................................................................................................................. 200 МВ · А

10 кВ............................................................................................................... 350 МВ · А

Ток отключения, кА, при напряжении:

3 кВ................................................................................................................. 20 кВ

6 кВ................................................................................................................. 20 кВ

10 кВ............................................................................................................... 20 кВ

Ток включения:

симметричный.............................................................................................. 20 кА

амплитудное значение................................................................................. 52 кА

Предельный сквозной ток КЗ:

амплитудное значение................................................................................. 52 кА

эффективное значение................................................................................. 30 кА

Ток термической устойчивости

односекундный.............................................................................................. 30 кА

пятисекундный.............................................................................................. 20 кА

десятисекундный.......................................................................................... 14 кА

Номинальное напряжение электромагнита заводки рабочих пружин привода:

переменного тока (через выпрямитель)..................................................... 127 В

постоянного тока.......................................................................................... 110 В

Потребляемая мощность электромагнита заводки рабочих пружин

привода, не более.......................................................................................... 1000 В · А

Время включения выключателя, не более.................................................. 0,2 с

Время отключения выключателя, не более................................................ 0,1 с

Минимальная пауза тока при АПВ............................................................. 0,5 с

Максимальный включающий момент на валу выключателя................... 40 кгс · м

Максимальный момент на валу привода.................................................... 17,5+3-1 кгс · м

Минимальный удерживающий момент на валу выключателя при ходе подвижных стержней в неподвижных розеточных контактах при отключении............. 4 кгс · м

Время заводки рабочих пружин при напряжении на зажимах выпрямителя и на зажимах электромагнита заводки, не более:

1,0Uн............................................................................................................... 30 с

0,8Uн............................................................................................................... 60 с

Скорость отключения выключателя:

в момент размыкания контактов................................................................. 3,5 ± 0,3 м/с

максимальная................................................................................................ 5,0 м/с

Скорость включения выключателя:

в момент замыкания контактов, не менее................................................. 4,5 м/с

максимальная................................................................................................ 6,0 м

Масса выключателя без масла..................................................................... 243 ± 25 кг

Масса масла................................................................................................... 4,5 ± 0,5 кг

Примечания: 1. Выключатель не должен подвергаться действию тока, превышающего предельный сквозной ток КЗ.

2. Под временем включения выключателя понимается время от подачи команды на включение (при номинальном напряжении в цепи управления) до замыкания контактов выключателя.

3. Под собственным временем отключения выключателя понимается время от подачи команды на отключение (при номинальном напряжении в цепи управления) до размыкания контактов выключателя.

4. Механические характеристики выключателя соответствуют предварительному натягу рабочих пружин привода при повороте барабана на 105°.

IV. ТЕХНОЛОГИЯ КАПИТАЛЬНОГО РЕМОНТА ВЫКЛЮЧАТЕЛЯ

ОПЕРАЦИЯ 01

НАРУЖНЫЙ ОСМОТР ВЫКЛЮЧАТЕЛЯ

Узел 01. Выключатель

Трудозатрат на операцию - 0,6 чел.-ч.

Состав звена - электрослесари 2-го разряда - 1 чел., 3-го разряда - 1 чел., 4-го разряда - 1 чел.

01.1*. Очистить и осмотреть изоляционные тяги 10, изоляционные перегородки 4, опорные изоляторы 9 (рис. 1, см. вклейку) и изоляционные цилиндры 5 (рис. 2, см. вклейку). Проверить, нет ли трещин, сколов, царапин, раковин, расслоений и прожогов у перечисленных выше деталей.

* Первые две цифры до точки - номер операции, цифры после точки - номер перехода.


Рис. 1. Габаритные и установочные размеры выключателей ВМП-10П и ВМП-10ПТ:

1 - рама; 2 - полюс; 3 - крышка; 4 - изоляционная перегородка; 5 и 6 - собачки; 7 и 8 - тяги; 9 - опорный изолятор; 10 - изоляционная тяга; 11 - вал выключателя

Примечания: 1. Угол поворота вала выключателя 65°. 2. Тяги 7 и 8 в комплект выключателя не входят. 3. При начальном ходе тяги 8, равном 5 мм, должно происходить надежное запирание включающих пружин привода собачкой 6. В таком состоянии при дистанционном или ручном включении собачка 5 срабатывает вхолостую и возвращается в исходное положение после окончания команды включения. Общий ход тяги равен 9 мм.

Рис. 2. Полюс выключателя ВМП-10П:

1 - нижний вывод; 2, 8 и 10 - резиновые шайбы; 3 - опорно-дистанционный цилиндр; 4 - дугогасительная камера; 5 - изоляционный цилиндр; 6 - подвижный контакт; 7 - верхний фланец; 9 - верхний вывод; 11 - роликовый токосъем; 12 - колпачок; 13 - направляющая колодка; 14 - маслоуловитель; 15 - верхняя крышка; 16 - пробка; 17 - болт М8; 18 - корпус механизма; 19 - выпрямляющий механизм; 20 - направляющий стержень; 21 - маслоуказатель; 22 - болт М6; 23 - нижний фланец; 24 - неподвижный розеточный контакт; 25 - нижняя крышка; 26 - прокладка; 27 - маслоспускной болт; а - паронитовая прокладка под колпачок (поз. 12), толщина - 1,0 мм; б - паронитовая прокладка под верхнюю крышку (поз. 15), толщина 1,0 мм; в - прокладка (фибра марки ФЗ) под маслоспускной болт (поз. 27); г - шайба резиновая


Не допускаются:

- сколы фарфора у опорных изоляторов более 1,5 см;

- больше трещины, сколы и расслоения у изоляционных тяг и перегородок;

- трещины, сколы и повреждения армировки у изоляционных цилиндров.

Примечание. Небольшие трещины, расслоения, выкрашивания и сколы фарфора до 1,5 см рекомендуется очистить и покрыть бакелитовым лаком.

01.2. Проверить отсутствие течи и подтеков масла на полюсах 2 (см. рис. 1) выключателя.

01.3. Снять наружную крышку 3 (см. рис. 1).

Оснастка: отвертка, гаечный ключ 10×12 мм.

01.4. Включить выключатель два - три раза вручную для проверки работы привода.

Оснастка: рычаг ручного включения.

ОПЕРАЦИЯ 02

ПОДГОТОВКА ПОЛЮСОВ ВЫКЛЮЧАТЕЛЯ К РЕМОНТУ

Узел 02. Полюс выключателя

Трудозатраты на операцию - 0,65 чел.-ч.

Состав звена: электрослесари 2-го разряда - 1 чел., 3-го разряда - 1 чел.

02.1. Отсоединить шины масляного выключателя.

Оснастка: гаечный ключ 17×19 мм.

02.2. Снять изоляционные перегородки 4 (см. рис. 1).

Оснастка: гаечный ключ 10×12 мм.

02.3. Расшплинтовать и отсоединить изоляционные тяги 10 (см. рис. 1).

Оснастка: плоскогубцы, отвертка.

ОПЕРАЦИЯ 03

СЛИВ МАСЛА, ПРОВЕРКА РАБОТЫ И РЕМОНТ МАСЛОУКАЗАТЕЛЕЙ

Узел 02. Полюс выключателя

Трудозатраты - 0,75 чел.-ч.

Состав звена: электрослесарь 3-го разряда - 1 чел.

03.1. Вывинтить маслоспускной болт 27 (см. рис. 2) и слить масло в противень, одновременно проверив работу маслоуказателя 21. В случае течи масла из маслоуказателя или неправильной его работы произвести ремонт маслоуказателя согласно переходам 2 - 8.

Оснастка: торцовый ключ, головка 27 мм, противень.

03.2. Вывинтить болты 22 (см. рис. 2). Снять фланец 3 (рис. 3).

Оснастка: гаечный ключ 10×12 мм.

Рис. 3. Маслоуказатель:

1 - колпачок; 2 - стеклянная трубка; 3 - фланец; 4 - уплотнение; 5 - штуцер; 6 - клапан; 7 - корпус

03.3. Вынуть стеклянную трубку 2 и уплотнение 4 (см. рис. 3).

03.4. Согнуть усики клапана 6.

Оснастка: плоскогубцы.

03.5. Вывинтить штуцер 5.

Оснастка: отвертка.

03.6. Вынуть клапан 6.

03.7. Осмотреть детали маслоуказателя, дефектные детали заменить.

03.8. Прочистить проволокой отверстие в корпусе 7.

03.9. Собрать маслоуказатель согласно переходам 6 - 2.

03.10. Повторить переходы 1 - 9 для двух других фаз.

ОПЕРАЦИЯ 04

РАЗБОРКА ПОЛЮСОВ ВЫКЛЮЧАТЕЛЯ

Узел 02. Полюс выключателя

Трудозатраты - 1,35 чел.-ч.

Состав звена: электрослесари 2-го разряда - 1 чел., 3-го разряда - 1 чел.

04.1. Свинтить гайки, крепящие нижнюю крышку 25 (см. рис. 2) с нижним фланцем 23.

Оснастка: торцовый ключ, головка 24 мм.

04.2. Снять нижнюю крышку с неподвижным розеточным контактом 24.

Оснастка: отвертка.

04.3. Вынуть опорно-дистанционный цилиндр 3 и дугогасительную камеру 4 и положить их на железный противень.

Оснастка: противень.

Примечание. Дугогасительную камеру предохранять от увлажнения, загрязнения и повреждения; длительное хранение камеры целесообразно в чистом «сухом» трансформаторном масле.

04.4. Вывинтить болты 17 и снять верхнюю крышку 15.

Оснастка: гаечный ключ 10×12 мм, отвертка.

04.5. Вынуть маслоуловитель 14.

Оснастка: отвертка В.

04.6. Вывинтить болты, крепящие корпус механизма 18 с верхним фланцем 7.

Оснастка: гаечный ключ 17×19 мм.

04.7. Вывинтить болт, крепящий корпус механизма к верхнему изолятору.

Оснастка: гаечный ключ 17×19 мм.

04.8. Снять корпус механизма.

04.9. Повторить переходы 1 - 8 для двух других фаз.

ОПЕРАЦИЯ 05

ПРОМЫВКА, ОСМОТР И РЕМОНТ ДУГОГАСИТЕЛЬНЫХ КАМЕР

Узел 02. Полюс выключателя

Трудозатраты - 1,2 чел.-ч.

Состав звена: электрослесарь 3-го разряда - 1 чел.

05.1. Протереть дугогасительную камеру и тщательно осмотреть. Если камера не имеет дефектов (трещин, выкрашиваний или расслоений на деталях) и размер отверстия в кольце 15 (рис. 4) не более 29,5 мм, то разбирать камеру не рекомендуется, а необходимо лишь подтянуть гайки 13 и промыть камеру в чистом «сухом» трансформаторном масле. В случае обнаружения дефектов ремонт камеры произвести согласно переходам 2 - 8.

Рис. 4. Дугогасительная камера:

1 - 12 - перегородки; 13 - гайка; 14 - шпилька; 15 - кольцо

05.2. Свинтить гайки 13 и разобрать камеру, сложив перегородки 1 - 12 на противень.

Оснастка: разводной ключ, противень.

05.3. Заменить дефектные детали камеры.

05.4. Зачистить обугленные места деталей камеры.

Оснастка: монтерский нож.

05.5. Собрать камеру в строгой последовательности согласно рис. 4, отрегулировав во время сборки размеры щелей камеры a, b, c изменением толщины пакетов при помощи прокладок из электрокартона ЭМ. Прокладки из электрокартона устанавливать между перегородками соответствующих пакетов.

Оснастка: монтерский нож, штангенциркуль.

05.6. Проверить и отрегулировать высоту A камеры изменением числа перегородок 10 в пакете.

Оснастка: штангенциркуль.

05.7. Затянуть гайки 13 на шпильках 14.

Оснастка: разводной ключ.

05.8. Промыть камеру в чистом «сухом» трансформаторном масле.

05.9. Повторить переходы 1 - 8 для дугогасительных камер двух других фаз.

Примечание. Расслоенные перегородки 1 - 12 рекомендуется отремонтировать проклейкой бакелитовым лаком с запечкой под прессом.

ОПЕРАЦИЯ 06

ОСМОТР И РЕМОНТ НЕПОДВИЖНЫХ РОЗЕТОЧНЫХ КОНТАКТОВ

Узел 02. Полюс выключателя

Трудозатраты - 1,05 чел.-ч.

Состав звена: электрослесари 2-го разряда - 1 чел., 3-го разряда - 1 чел.

06.1. Протереть неподвижный розеточный контакт.

Оснастка: ветошь.

06.2. Осмотреть розеточный контакт. При осмотре обратить внимание на отсутствие повреждений у ламелей 2 (рис. 5), прокладок 3, пружин 4, кольца 5, гибких связей 6, опорного кольца 7, болтов 8, шайб 9 и прокладок 10. Если дефектов у перечисленных выше деталей не обнаружено, металлокерамическая облицовка ламелей обгорела незначительно и переходное сопротивление участка «стержень - розеточный контакт» (рис. 6) не превышает 33 Ом, то неподвижный розеточный контакт разбирать не рекомендуется. Необходимо лишь зачистить металлокерамическую облицовку ламелей напильником и шлифовальной шкуркой, промыть контакт бензином и подтянуть болты.

В случае необходимости ремонт розеточного контакта произвести согласно переходам 3 - 19.

Рис. 5. Неподвижный розеточный контакт:

1 - фиксатор; 2 - ламель; 3 и 10 - прокладки; 4 - пружина; 5 - кольцо; 6 - гибкая связь; 7 - опорное кольцо; 8 - болт М8; 9 - шайба

Рис. 6. Схема замера сопротивления токоведущего контура полюса:

I - участок «стержень - розеточный контакт»; II - полное сопротивление полюса; III - участок роликового токосъема.

06.3. Снять кольцо 5, пружины 4 и прокладки 3 (см. рис. 5).

Оснастка: отвертка.

06.4. Вывинтить болты и снять гибкие связи и ламели.

Оснастка: торцовый ключ, головка 12 мм.

06.5. Осмотреть детали розеточного контакта, при значительном повреждении металлокерамической облицовки ламелей (раковины или сквозные прожоги металлокерамической облицовки) заменить их.

06.6. Зачистить металлокерамическую облицовку ламелей.

Оснастка: полукруглые напильники № 2 и 4, трехгранные напильники № 2 и 4, шлифовальная шкурка.

06.7. Заменить поврежденные детали розеточного контакта.

06.8. Зачистить контактную поверхность ламелей и промыть бензином контактную поверхность гибких связей.

Оснастка: шлифовальная шкурка, ветошь.

06.9. Установить опорное кольцо на нижнюю крышку.

06.10. Присоединить гибкие связи к ламелям, подложив под болты 8 шайбы 9 и прокладки 10.

Оснастка: торцовый ключ, головка 12 мм.

06.11. Прикрепить гибкие связи к нижней крышке, подложив под болты шайбы 9 и прокладки 10.

Оснастка: торцовый ключ, головка 12 мм.

06.12. Затянуть болты 8.

Оснастка: торцовый ключ, головка 12 мм.

06.13. Установить в отверстия ламелей 2 прокладки 3.

Оснастка: отвертка.

06.14. Надеть на ламели 2 кольцо 5 и установить пружины 4.

06.15. Проверить размер a и при необходимости подправить торцы ламелей киянкой.

Оснастка: штангенрейсмас, киянка.

06.16. Надеть собранный розеточный контакт на приспособление П-1 (рис. 7) предварительно смазав контрольный стержень 2 смазкой ЦИАТИМ-203 (221).

06.17. Проверить усилие вытягивания стержня 2 (см. рис. 7) из розеточного контакта, которое должно быть в пределах 9 - 11 кгс.

Оснастка: приспособление П-1.

Рис. 7. Приспособление (П-1) для проверки усилия вытягивания подвижного контакта из неподвижного розеточного контакта:

1 - контрольный груз (P = 8 кгс), габаритные размеры на усмотрение ремонтного персонала; 2 - контрольный стержень; 3 - контрольный груз (P = 2 кгс), габаритные размеры на усмотрение ремонтного персонала

06.18. Отрегулировать усилие вытягивания стержня из розеточного контакта подбором соответствующих пружин 4 (см. рис. 5).

Оснастка: отвертка, приспособление П-1.

06.19. Замерить переходное сопротивление участка «стержень - розеточный контакт» (см. рис. 6), которое не должно превышать 33 мкОм.

Оснастка: прибор М-246.

06.20. Повторить переходы 1 - 19 для розеточных контактов двух других фаз.

Примечания:

1. На металлокерамической облицовке ламелей после опиловки не должно оставаться раковин глубиной более 0,5 мм, размеры ламелей не должны отличаться от первоначальных более чем на 0,5 мм.

2. В собранном розеточном контакте ламели должны находиться в наклонном положении и касаться один другого в верхней части.

ОПЕРАЦИЯ 07

ОСМОТР И РЕМОНТ ПОДВИЖНЫХ КОНТАКТОВ, НАПРАВЛЯЮЩИХ СТЕРЖНЕЙ, РОЛИКОВОГО ТОКОСЪЕМА

Узел 02. Полюс выключателя

Трудозатраты - 1,5 чел.-ч.

Состав звена: электрослесари 2-го разряда - 1 чел., 3-го разряда - 1 чел.

07.1. Осмотреть и протереть токоведущий стержень 3 (рис. 8), направляющие стержни 5 и токосъемные ролики 6. Если эти детали имеют повреждения (большие вмятины или задиры на токоведущем и направляющих стержнях, трещины на токосъемных роликах или пружинах у роликов), их следует заменить. Замену поврежденных деталей произвести согласно переходам 2 - 17. При осмотре обратить внимание на сменный наконечник 2 (рис. 9). Если на металлокерамической облицовке сменного наконечника имеются трещины, раковины и сквозные прожоги, то наконечник заменить согласно переходам 10 - 14. При небольшом обгорании металлокерамической облицовки наконечника необходимо зачистить его напильником и шлифовальной шкуркой, а затем промыть бензином.

07.2. Свинтить гайки 1 (см. рис. 8) и снять шайбы.

Оснастка: гаечный ключ 22×24 мм.

Рис. 8. Механизм полюса:

1 и 13 - гайки М16; 2 - винт М6; 3 - токоведущий стержень; 4 - верхний вывод; 5 - направляющие стержни; 6 - токосъемные ролики; 7 - упор; 8 - винт М5; 9 - планка; 10 - ось; 11 - диск; 12 - корпус механизма

07.3. Вывинтить винты 2 и снять верхний вывод 4.

Оснастка: отвертка.

07.4. Вынуть токосъемные ролики.

07.5. Вывинтить винт 8, снять планку 9 и вынуть ось 10.

Оснастка: отвертка.

07.6. Вынуть токоведущий стержень 3.

07.7. Вынуть направляющие стержни 5 с диском 11.

07.8. Свинтить гайки 13 и снять диск.

Оснастка: гаечный ключ 22×24 мм.

07.9. Заменить поврежденные детали.

07.10. Зажать токоведущий стержень 1 (см. рис. 9) в тиски и вывинтить сменный наконечник 2.

Оснастка: тиски, трубный рычажный ключ.

Рис. 9. Установка сменного наконечника:

1 - токоведущий стержень; 2 - сменный наконечник

07.11. Ввинтить новый наконечник в токоведущий стержень 1 до отказа.

07.12. Обкатать поверхность на стыке сменного наконечника 2 и токоведущего стержня 1 роликов и обжать.

07.13. Закернить стык в четырех местах.

Оснастка: молоток, керн.

07.14. Проточить наконечник по окружности на стыке.

07.15. Промыть бензином и протереть стержни и ролики.

Оснастка: ветошь, напильник.

07.16. Произвести сборку токоведущей части согласно переходам 8 - 2.

07.17. Замерить переходное сопротивление на участке роликового токосъема (см. рис. 6), которое не должно превышать 22 мкОм.

Оснастка: прибор М-246.

07.18. Повторить переходы 1 - 17 для двух других фаз.

Примечания: 1. После опиловки размеры сменного наконечника 2 (см. рис. 9) не должны отличаться от первоначальных более чем на 2 - 3 мм. 2. Переходы 12 и 14 выполняются на токарном станке.

ОПЕРАЦИЯ 08

СБОРКА ПОЛЮСА ВЫКЛЮЧАТЕЛЯ

Узел 02. Полюс выключателя

Трудозатраты - 1,5 чел.-ч.

Состав звена: электрослесарь 3-го разряда - 1 чел.

08.1. Установить опорно-дистанционный цилиндр 3 (см. рис. 2) на нижнюю крышку 25.

08.2. Установить дугогасительную камеру 4 на опорно-дистанционный цилиндр 3.

08.3. Установить резиновую шайбу 2 в паз нижнего фланца 23 (шайба должна плотно входить в паз фланца).

08.4. Вставить нижнюю крышку 25 с дугогасительной камерой 4 и опорно-дистанционным цилиндром 3 в изоляционный цилиндр 5.

08.5. Прикрепить нижнюю крышку 25 к нижнему фланцу 23 на четырех шпильках, подложив под гайки шайбы.

Оснастка: торцовый ключ, головки 24 мм.

08.6. Затянуть гайки на шпильках равномерно по диагонали.

Оснастка: торцовый ключ, головка 24 мм.

08.7. Установить прокладку 26 под маслоспускной болт 27 и затянуть маслоспускной болт.

Оснастка: торцовый ключ, головка 24 мм.

08.8. Установить резиновую шайбу 8 в паз верхнего фланца 7.

08.9. Установить корпус механизма 18 на верхний фланец 7.

08.10. Закрепить корпус механизма 18 на верхнем фланце 7 на четырех болтах, подложив под гайки шайбы.

Оснастка: гаечный ключ 17×19 мм.

08.11. Затянуть гайки равномерно по диагонали.

08.12. Проверить вертикальность установки полюса с помощью отвеса.

Оснастка: отвес.

08.13. Отрегулировать вертикальность установки полюса разворотом и смещением опорных изоляторов.

Оснастка: торцовый ключ, головка 22 мм.

08.14. Закрепить полюс на верхнем изоляторе.

Оснастка: гаечный ключ 17×19 мм.

08.15. Залить полюс чистым «сухим» трансформаторный маслом.

Оснастка: ведро.

08.16. Проверить правильность работы маслоуказателя 21 (уровень масла должен быть между двумя полосками на стекле маслоуказателя).

08.17. Повторить переходы 1 - 16 для двух других фаз.

ОПЕРАЦИЯ 09

РЕГУЛИРОВКА ПОЛЮСА ВЫКЛЮЧАТЕЛЯ

Узел 02. Полюс выключателя

Трудозатраты - 1,0 чел.-ч.

Состав звена: электрослесарь 3-го разряда - 1 чел.

09.1. Ввинтить в торец подвижного контакта 6 (см. рис. 2) приспособление П-2 (рис. 10) - контрольный стержень.

Оснастка: приспособление П-2.

Рис. 10. Приспособление П-2 для регулировки полюсов (контрольный стержень)

09.2. Включить подвижный контакт 6 (см. рис. 2) до конца в неподвижный розеточный контакт 24.

09.3. Вытянуть подвижный контакт 6 из розеточного контакта 24 через динамометр. Втягивающее усилие, замеренное при недоходе до мертвой точки на 10 мм, не должно превышать 20 кгс.

Оснастка: динамометр 5 - 50 кгс, линейка, карандаш.

09.4. Повторить переходы 1 - 3 для двух других фаз.

09.5. Замерить поочередно в фазах недоходы направляющих колодок 13 до верхнего крайнего (мертвого) положения, которые должны быть не менее 4 мм, и соединить в таком положении изоляционные тяги с рычагами фаз осями.

Оснастка: рычаг ручного включения, линейка, карандаш.

09.6. Собрать электрическую схему согласно рис. 11.

Рис. 11. Схема проверки замыкания контактов (трехламповая схема)

09.7. Проверить разброс касания подвижных контактов 6 (см. рис. 2) с розеточными контактами 24, для чего при медленном включении выключателя на контрольных стержнях приспособления П-2 нанести поочередно риски в момент соприкосновения контактов.

Момент соприкосновения контактов определяется по загоранию сигнальных ламп. Замерить расстояние между крайними рисками, которое не должно превышать 5 мм.

Оснастка: рычаг ручного включения, линейка, карандаш.

09.8. Отрегулировать разброс касания контактов изоляционными тягами путем удлинения или укорочения рабочего плеча.

Оснастка: рычаг ручного включения, линейка, карандаш.

09.9. Проверить ход (60+3-5 мм) подвижных контактов 6 (см. рис. 2) в розеточных контактах 24 аналогично переходу 7 (риски на контрольных стержнях наносятся в момент касания подвижными контактами розеточных контактов и при полном включении выключателя).

09.10. Проверить полный ход подвижных контактов 6, который должен быть 245-5 мм, аналогично переходам 7 и 9 (риски на контрольных стержнях наносятся при отключенном и включенном положениях выключателя).

09.11. Отрегулировать ход подвижных контактов 6 в розеточных контактах и полный ход подвижных контактов путем удлинения или укорочения рабочего плеча изоляционных тяг. При необходимости допускается регулировка изменением угла поворота вала выключателя в пределах 65 ± 2°, для чего поднять или опустить масляный буфер по вертикали, изменяя количество шайб под буфером.

Оснастка: рычаг ручного включения, линейка, карандаш.

09.12. Отсоединить изоляционную тягу от рычага фазы и проверить верхний и нижний недоходы подвижного контакта 6 в фазе, которые должны быть не менее 4 мм. Для этого переместить подвижный контакт в верхнее положение и нанести на контрольном стержне риску. Замерить расстояние между рисками отключенного положения выключателя и верхнего положения подвижного контакта. Нижний недоход проверяется аналогично. Замеряется расстояние между рисками включенного положения выключателя и нижнего положения подвижного контакта.

Оснастка: рычаг ручного включения, линейка, карандаш.

09.13. Соединить изоляционную тягу с рычагом фазы осью.

09.14. Повторить переходы 12 и 13 для двух других фаз.

09.15. Установить на оси шайбы и зашплинтовать.

Оснастка: отвертка, плоскогубцы.

09.16. Разобрать трехламповую схему.

09.17. Вывинтить контрольные стержни.

Примечание. В процессе регулировки включение и отключение выключателя производить только вручную.

ОПЕРАЦИЯ 10

ДЕМОНТАЖ ВАЛА ПРИВОДА

Узел 03. Привод выключателя

Трудозатраты - 0,7 чел.-ч.

Состав звена: электрослесари 2-го разряда - 1 чел., 4-го разряда - 1 чел.

10.1. Расшплинтовать и отсоединить тяги сигнальных блок-контактов КСА-8 23 и указателя положения выключателя 21 от вала выключателя 33 (рис. 12, см. вклейку).

Оснастка: плоскогубцы, отвертка.

Рис. 12. Кинематическая схема привода:

1 - релейный вал; 2 - реле минимального напряжения с выдержкой времени; 3 - электромагнит дистанционного отключения; 4 - электромагнит заводки рабочих пружин; 5 - кнопка ручного отключения; 6 - аварийные блок-контакты БКА; 7 - изоляционная тяга; 8 и 38 - ролики; 9 и 18 - возвратные пружины; 10 - прерыватель; 11 - пружинный буфер; 13 - болт; 13 и 34 - кулачки; 14 - обгонная муфта; 15 - внутренняя обойма; 16 - рама; 17 - рычаг ручной заводки; 19 - вал привода; 20 - корпус барабана; 21 - указатель положения выключателя; 22 - рабочая пружина; 23 - сигнальные блок-контакты КСА-8; 24 - масляный буфер; 25 - крышка барабана; 26 - упор крышки; 27 - резиновый буфер; 28 - диск; 29 - ограничитель вала привода; 30 - полубарабан; 31 - указатель положения привода; 32 - блок-контакты положения пружин БКП; 33 - вал выключателя; 35 - запорное устройство включения; 36 - пружина; 37 - рычаг; 39 - рычаг вала выключателя; 40 - запорное устройство отключения; 41 и 42 - механические блокировки; 43 - тяга; 44 - кнопка ручного включения; 45 - блокировочный контакт; 46 - буферная пружина; 47 - отключающая пружина; 48 - электромагнит дистанционного включения

10.2. Отсоединить кронштейны с блок-контактами положения пружин 4 типа БКП (рис. 13, см. вклейку) и 24 типа КСА-8 от рамы и, отсоединив связку проводов, вывести их из рамы.

Примечание. При проведении ремонтных работ предохранять провода от повреждения.

Оснастка: торцовый ключ, головка 10 мм.


Рис. 13. Пружинный привод выключателя:

1 - указатель положения выключателя; 2 - диск; 3 - указатель положения привода; 4 - блок-контакты положения пружин БКП; 5 - буферная пружина; 6 - отключающая пружина; 7 - рама; 8 - релейный вал; 9 - аварийные блок-контакты БКА; 10 - электромагнит заводки рабочих пружин; 11 - прерыватель; 12 - вал выключателя; 13 - пружинный буфер; 14 - вал привода; 15 и 23 - кулачки; 16 - обгонная муфта; 17 - масляный буфер; 18 - возвратная пружина; 19 - конденсатор; 20, 26, 29 и 38 - тяги; 21 - выпрямитель; 22 - электромагнит дистанционного отключения; 24 - сигнальные блок-контакты типа КСА-8; 25 - устройство включения; 27 - устройство отключения; 28 и 31 - защелки; 30, 32 и 35 - собачки; 33 - электромагнит дистанционного включения; 34 - блокировочный контакт; 36 и 37 - механическая блокировка; 39 - рычаг; 40 - болт заземления


10.3. Включить выключатель (после отсоединения изоляционных тяг).

Зафиксировать включенное положение вала выключателя, установив на собачке 32 (см. рис. 13) приспособление П-5 (рис. 14, а), или ввинтить в раму болт М8 (см. рис. 14, б).

Примечание. При включенном положении выключателя ввинтить в отверстие 2 (см. рис. 14) болт М8 до упора в собачку 3. Отверстие 2 просверлить в раме 1 согласно рис. 14 и нарезать резьбу М8.

Оснастка: гаечный ключ 12×14 мм, рычаг ручного включения.

Рис. 14. Приспособление П-5 (а) и установка болта М8 (б) для фиксации включенного положения выключателя:

1 - рама; 2 - отверстие; 3 - собачка; 4 - релейная планка

10.4. Разогнуть стопорные шайбы, вывинтить болты и снять кулачок 13 (см. рис. 12), разворачивая вал привода 19 рычагом ручной заводки 17.

Оснастка: отвертка, гаечный ключ 17×19 мм, рычаг ручного включения.

Примечание. Болты, крепящие кулачок, удалять поочередно через техническое отверстие в торцовой стенке рамы (рис. 15). При подходе ролика рычага 37 (см. рис. 12) к собачке запорного устройства 35 освободить его, отжав собачку 30 (см. рис. 13).

Рис. 15. Крышки подшипника вала привода и вала выключателя на раме (вид справа):

1 - рама; 2 - корпус подшипника; 3 - болт М12 крепления кулачка; 4 - техническое отверстие в раме; 5 - квадрат на конце вала привода для установки рычага ручного включения

10.5. Вывинтить болты 7, крепящие крышку 8 с барабаном 11 (рис. 16, см. вклейку), снять предварительный натяг с рабочих пружин, разворачивая вал привода.


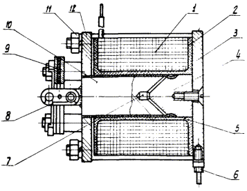
Рис. 16. Вал привода с барабаном:

1 - подшипник № 60106; 2 - вал; 3 - резиновый буфер; 4 - болт М6; 5 - диск; 6 - колонка; 7 - болт М8; 8 - крышка; 9 - подшипник № 60108; 10 - болт М10; 11 - барабан; 12 и 28 - пружины; 13, 14 и 20 - кольца; 15 и 16 - обоймы; 17 и 26 - ролики; 18 - щека; 19 - внутренняя обойма; 21 - подшипник № 60106; 22 - шайба; 23 - стопорная шайба; 24 - гайка М8; 25 - подшипник № 107; 27 - толкатель; 29 - рычаг


Оснастка: торцовый ключ, головка 12 мм.

Примечания: 1. Переход 5 приводить одновременно с переходом 4. 2. При снятии предварительного натяга соблюдать осторожность.

10.6. Снять возвратные пружины 9 и 18 (см. рис. 12) обгонной муфты.

Оснастка: плоскогубцы, отвертка.

10.7. Отсоединить рычаг обгонной муфты 14 вала привода 19 от электромагнита заводки рабочих пружин 4.

Оснастка: плоскогубцы, отвертка.

10.8. Расшплинтовать и снять с оси запорного устройства отключения 40 пружину 36.

Оснастка: плоскогубцы, отвертка.

10.9. Вывинтить болты 5, снять кронштейн 4 и пружину 7 (рис. 17) пружинного буфера 13 (см. рис. 13).

Оснастка: торцовый ключ, головка 10 мм.

Рис. 17. Пружинный демпфер привода:

1 - рама; 2 - буфер; 3 - гайка М12; 4 - кронштейн; 5 - болт М6; 6 - ушко буфера; 7 - пружина

10.10. Свинтить гайки и снять корпус подшипника 2 вала привода (см. рис. 15) со стороны пружинного буфера 13 (см. рис. 13).

Оснастка: торцовый ключ, головка 14 мм, отвертка, гаечный ключ 12×14 мм.

10.11. Свинтить гайку 3 (см. рис. 17) и, подавая вал вправо, снять буфер 2.

Оснастка: торцовый ключ, головка 24 мм.

10.12. Снять вал привода 19 (см. рис. 12) с рамы 16 выключателя.

Оснастка: рычаг ручного включения.

10.13. Снять приспособление П-5 и отключить выключатель.

Оснастка: гаечный ключ 12×14 мм, рычаг ручного включения.

ОПЕРАЦИЯ 11

РАЗБОРКА ВАЛА ПРИВОДА С БАРАБАНОМ

Узел 03. Привод выключателя

Трудозатраты - 0,3 чел.-ч.

Состав звена: электрослесарь 4-го разряда - 1 чел.

11.1. Установить вал привода в приспособление П-7 (рис. 18) и закрепить.

Оснастка: приспособление П-7.

Рис. 18. Приспособление П-7 для сборки вала привода с барабаном:

1 - отверстие диаметром 12 мм под болт М10; 2 - пруток круглый ; 3 - труба 50×5 - 20 ГОСТ 8734-58-А; 4 - лист ; 5 - уголок равнобокий ; 6 - отверстие диаметром 12 мм под болт М10 для шарнирного соединения

11.2. Снять подшипник 21 (см. рис. 16).

Оснастка: съемник.

11.3. Свинтить гайки 24 и снять с вала поочередно щеку 18, шайбу 22 и кольцо 20.

Оснастка: торцовый ключ, головка 14 мм.

11.4. Снять поочередно наружные обоймы 16 и 15, ролики 17, толкатели 27 с пружинами 28 (см. рис. 16).

11.5. Снять стопорную шайбу 23.

Оснастка: круглогубцы.

11.6. Ослабить крепление вала в приспособлении П-7 и, поддерживая корпус барабана 11 на весу, выбить подшипник 25 с шейки вала 2.

Оснастка: молоток, выколотка.

11.7. Снять с вала барабан 11 с внутренней обоймой 19 и подшипником 25. Выбить подшипник 25 с обоймой 19.

Оснастка: молоток, выколотка.

11.8. Снять с вала 2 поочередно кольца 14 и 13, пружины 12.

11.9. Снять с подшипника 9 крышку 8 с диском 5. Снять резиновый буфер 3.

Оснастка: молоток, выколотка.

11.10. Снять вал 2 с приспособления П-7.

ОПЕРАЦИЯ 12

ВЫЯВЛЕНИЕ ДЕФЕКТОВ ДЕТАЛЕЙ ВАЛА ПРИВОДА С БАРАБАНОМ

Узел 03. Привод выключателя

Трудозатраты - 0,4 чел.-ч.

Состав звена: электрослесарь 4-го разряда - 1 чел.

12.1. Осмотреть резиновый буфер 3 (см. рис. 16). При наличии трещин, срезов или потере упругости буфер заменить.

12.2. Промыть бензином и осмотреть рабочие пружины 12. При наличии трещин, сколов, надломов заменить.

Оснастка: ветошь.

12.3. Промыть и осмотреть кольца 14 и 13. При наличии задиров и вмятин заменить.

Оснастка: ветошь.

12.4. Протереть и осмотреть крышку 8. Проверить качество сварки и состояние упоров.

Оснастка: ветошь.

12.5. Промыть бензином, протереть и осмотреть барабан 11, собранный с внутренней обоймой 19. Проверить состояние упора и его крепление, подтянуть болты 10.

Проверить состояние рабочей поверхности внутренней обоймы. Наличие коррозии и наклепа не допускается.

Оснастка: гаечный ключ 12×14 мм, ветошь.

12.6. Промыть бензином и осмотреть наружные обоймы 15, 16 и ролики 17. Наличие коррозии, наклепа и изменение овальности не допускается.

Оснастка: ветошь.

12.7. Промыть бензином и осмотреть толкатели 27 с пружинами 28. При обнаружении дефекта заменить.

Оснастка: ветошь.

12.8. Промыть бензином и осмотреть подшипники 21 и 25. Заменить при обнаружении следующих дефектов:

а) отпечатков шариков на дорожках качения;

б) сколов и трещин любых размеров;

в) выкрашивания или шелушения поверхностного слоя дорожек;

г) надломов, сквозных трещин на сепараторе;

д) забоин и вмятин, препятствующих плавному и легкому вращению подшипника.

Оснастка: ветошь.

12.9. Промыть бензином и осмотреть вал 2 с роликом 26 и подшипниками 9 и 1.

Проверить качество приварки рычагов, диска с упором для резинового буфера 3. Проверить состояние рабочей поверхности рычагов и ролика 26; наличие вмятин, задиров и сколов не допускается.

Проверить легкость вращения ролика; заеданий и затираний не допускается.

Проверить состояние подшипников 1 и 9. Определение дефектов произвести согласно переходу 8.

Оснастка: ветошь.

12.10. Зачистить на деталях вала привода места, покрытые ржавчиной, и восстановить окраску.

Оснастка: шлифовальная шкурка, кисть.

Примечание. При подкрашивании следить, чтобы краска не попала на трущиеся поверхности и детали, имеющие гальванические покрытия.

ОПЕРАЦИЯ 13

СБОРКА ВАЛА ПРИВОДА С БАРАБАНОМ

Узел 03. Привод выключателя

Трудозатраты - 0,5 чел.-ч.

Состав звена: электрослесарь 4-го разряда - 1 чел.

13.1. Установить вал 2 (см. рис. 16) в приспособление П-7 (рис. 18) и закрепить.

Оснастка: приспособление П-7.

13.2. Установить на вал буфер 3 (см. рис. 16) и крышку 8 с диском 5, предварительно смазав отверстие крышки тонким слоем смазки ЦИАТИМ-203 (ЦИАТИМ-221).

Обратить внимание на положение буфера 3 между упорами вала и крышки (см. разрез А - А).

Оснастка: молоток, кисть.

13.3. Установить на валу 2 поочередно кольца 14 и 13 и пружины 12.

Примечания: 1. Пружины установить на вал навивом против часовой стрелки. 2. Пружины при сборке смазать смазкой ЦИАТИМ-203 (ЦИАТИМ-221), смешанной с графитом П в отношении 10:1 по весу.

Оснастка: кисть.

13.4. Установить на вал барабан 11 с внутренней обоймой 19.

13.5. Напрессовать на вал подшипник 25 до упора, предварительно смазав шейку вала смазкой ЦИАТИМ-203 (ЦИАТИМ-221).

Оснастка: молоток, выколотка, кисть.

13.6. Надеть на вал стопорную шайбу 23, установить кольцо 20 и шайбу 22.

Оснастка: круглогубцы.

13.7. Смазать наружную (внутреннюю) поверхность обоймы 19 и торцовую поверхность барабана 11 смазкой ЦИАТИМ-203 (ЦИАТИМ-221).

Оснастка: кисть.

13.8. Установить в нижние отверстия внутренней обоймы пружины 28 и толкатели 27 с помощью приспособления П-8 (рис. 19, а), предварительно смазав их смазкой ЦИАТИМ-203 (ЦИАТИМ-221).

Примечание. При установке толкателей первый виток пружин, опирающийся на плоскость диаметром 6 C4, обжать до диаметра 3 C4 (рис. 19, б).

Оснастка: плоскогубцы, кисть.

Рис. 19. Приспособление П-8 для установки толкателя:

а - приспособление П-8; б - толкатель

13.9. Установить на барабан 11 (см. рис. 16) обойму 15 и ролики 17, предварительно смазав торцовые и внутренние поверхности обоймы смазкой ЦИАТИМ-203 (ЦИАТИМ-221).

Примечание. При установке роликов 17 поджать толкатели 27 и провернуть одновременно обойму 15.

Оснастка: приспособление П-8, кисть.

13.10. Установить обойму 16 с толкателями 27, пружинами 28 и роликами 17 аналогично установке обоймы 15 согласно переходам 9 и 10.

13.11. Установить на обойму щеку 18 и затянуть гайки 24.

Оснастка: торцовый ключ, головка 14 мм.

Примечание. Деку ставить шлифованной плоскостью к обоймам.

13.12. Проверить перемещение наружных обойм 15 и 16 одна относительно другой, а также относительно внутренней обоймы 19, которое должно проходить легко, без заеданий.

13.13. Проверить зазор между щекой 18 и обоймой 16, который должен быть равен 0,3 - 0,9 мм.

13.14. Напрессовать на вал 2 подшипник 21 до упора, предварительно смазав шейку вала смазкой ЦИАТИМ-203 (ЦИАТИМ-221).

Оснастка; молоток, выколотка.

13.15. Смазать подшипники 1 и 21 смазкой ЦИАТИМ-203 (ЦИАТИМ-221).

Оснастка: кисть.

13.16. Снять вал привода с приспособления.

ОПЕРАЦИЯ 14

РЕМОНТ ОТКЛЮЧАЮЩИХ ПРУЖИН

Узел 03. Привод выключателя

Трудозатраты - 0,4 чел.-ч.

Состав звена: электрослесарь 2-го разряда - 1 чел.

14.1. Свинтить гайки 1 (рис. 20) и снять предварительный натяг отключающих пружин.

Рис. 20. Отключающие пружины:

1 и 2 - гайки; 3 - ушки; 4 и 7 - оси; 5 - пружинодержатель; 6 - пружины; 8 - рычаг; 9 - втулка

Оснастка: гаечный ключ 17×19 мм, линейка.

Примечание. При отсутствии заводских бирок с данными о величине предварительного натяга замерить расстояние A между осями 4 и 7.

14.2. Проверить, нет ли повреждений в пружинах 6 (трещины), пружинодержателях 5, ушках 3, гайках 1 и 2 (качество резьбы).

Повреждению детали заменить согласно переходам 4 - 7.

14.3. Очистить пружины 6 от пыли, грязи и старой смазки.

Оснастка: ветошь.

14.4. Расшплинтовать и удалить ось 7, отсоединить пружины с пружинодержателями от рычага вала выключателя.

Оснастка: плоскогубцы, отвертка.

14.5. Расшплинтовать и удалить ось 4, снять ушко 3.

Оснастка: плоскогубцы, отвертка.

14.6. Снять с пружины 6 пружинодержатель 5.

Оснастка: тиски, молоток, зубило.

14.7. Собрать пружины с пружинодержателями и ушком в обратной последовательности согласно переходам 6 и 5.

Примечание. Проверить вращение ушка и пружинодержателя относительно оси 4, затирание не допускается.

14.8. Трущиеся части отключающих пружин смазать смазкой ЦИАТИМ-203 (ЦИАТИМ-221).

Оснастка: кисть.

ОПЕРАЦИЯ 15

РЕМОНТ БУФЕРНОЙ ПРУЖИНЫ

Узел 03. Привод выключателя

Трудозатраты - 0,35 чел.-ч.

Состав звена: электрослесарь 2-го разряда - 1 чел.

15.1. Проверить целостность всех деталей буфера: пружины 5 (рис. 21), планок 7, шайб и шплинтов. Без необходимости буфер не разбирать. Замену поврежденных деталей буфера произвести согласно переходам 4 - 7.

15.2. Замерить свободный ход буферной пружины.

Оснастка: линейка.

15.3. Снять буферную пружину с рамы и вала выключателя.

Оснастка: гаечный ключ 17×19 мм, отвертка, плоскогубцы.

15.4. Установить буферную пружину в приспособление П-6 (см. рис. 21).

Оснастка: приспособление П-6, гаечный ключ 12×14 мм.

Рис. 21. Приспособление П-6 для съема пружины и планок пружинного буфера:

1 - шпилька; 2 - гайка; 3 - ось; 4 - стойка; 5 - пружина; 6 - ось; 7 - планка

15.5. Вынуть шплинты и освободить планку 7, вынув оси 3 и 6.

Оснастка: отвертка, плоскогубцы.

15.6. Свинтить гайку 2, отпустив пружину 5 до полного сжатия.

Оснастка: гаечный ключ 12×14 мм.

Собрать буферную пружину согласно переходам 7 - 4.

15.7. Восстановить свободный ход буферной пружины.

Оснастка: линейка, гаечный ключ 17×19 мм.

Примечание. При разборке и сборке буферной пружины соблюдать осторожность ввиду большого предварительного натяга буферной пружины.

ОПЕРАЦИЯ 16

РЕМОНТ ВАЛА ВЫКЛЮЧАТЕЛЯ

Узел 03. Привод выключателя

Трудозатраты - 0,7 чел.-ч.

Состав звена: электрослесари 2-го разряда - 1 чел., 4-го разряда - 1 чел.

16.1. Расшплинтовать и отсоединить тяги, связывающие вал выключателя с узлами выключателя (механической блокировкой 37 и блок-контактами БКА 9 согласно рис. 13, реле минимального напряжения 2 согласно рис. 12).

Оснастка: плоскогубцы, отвертка.

16.2. Расшплинтовать, удалить ось и отсоединить тягу 26 от защелки 28 кнопки «Вкл.» (см. рис. 13).

Оснастка: плоскогубцы, отвертка.

16.3. Свинтить гайки 2 и снять с правой стороны рамы корпус подшипника 3 (рис. 22)

Оснастка: торцовый ключ, головка 14 мм, гаечный ключ 12×14 мм.

Рис. 22. Вал выключателя:

1 - рама; 2 - гайка; 3 и 5 - подшипники; 4 - вал выключателя; 6 - 8 - ролики

16.4. Снять вал выключателя 4 с рамы 1.

Оснастка: приспособление, молоток.

16.5. Очистить вал от пыли, грязи, ржавчины, старой смазки. Проверить качество приварки рычагов, отсутствие задиров, сколов и вмятин на рабочей поверхности рычагов и роликов; легкость вращения роликов 6, 7 и 8 (заедания и затирания не допускаются).

Обнаруженные дефекты устранить, дефектные детали при необходимости заменить.

16.6. Промыть бензином установленные на концах вала подшипники 5 и определить их дефекты в соответствии с переходом 8 операции 12.

Оснастка: ветошь.

16.7. Зачистить места, покрытые ржавчиной, и восстановить окраску.

Оснастка: шлифовальная шкурка.

16.8. Смазать оси роликов и подшипники смазкой ЦИАТИМ-203 (ЦИАТИМ-221).

Оснастка: кисть.

ОПЕРАЦИЯ 17

РЕМОНТ МАСЛЯНОГО БУФЕРА

Узел 03. Привод выключателя

Трудозатраты - 0,4 чел.-ч.

Состав звена: электрослесарь 2-го разряда - 1 чел.

17.1. Осмотреть масляный буфер. При значительных выплесках масла необходимо заменить уплотнение 2 (рис. 23).

Рис. 23. Масляный буфер:

1 - шток; 2 - уплотнение; 3 - прокладка; 4 - специальная гайка; 5 - стакан; 6 - поршень; 7 - пружина

17.2. Нажать рукой на шток 1 и опустить его вниз. Отпустить шток, под воздействием пружины 7 шток должен возвратиться в исходное положение. Если шток не возвращается в исходное положение, необходимо разобрать буфер согласно переходам 3 - 4.

17.3. Свинтить специальную гайку 4.

Оснастка: гаечный ключ 41 мм.

17.4. Вынуть шток 1, поршень 6, пружину 7, уплотнение 2.

17.5. Осмотреть детали масляного буфера. Дефектные детали заменить.

17.6. Промыть детали буфера в трансформаторном масле.

17.7. Смазать наружную поверхность поршня 6 тонким слоем смазки ЦИАТИМ-203 (ЦИАТИМ-221).

17.8. Установить пружину 7 и поршень 6 в стакан 5.

17.9. Проверить перемещение поршня 6 в стакане 5 (заеданий не должно быть).

17.10. Залить в стакан 5 трансформаторное масло (70 см3).

Оснастка: мерный стакан.

17.11. Установить шток 1 в специальную гайку 4.

17.12. Завернуть специальную гайку 4 со штоком 1 в стакан 5 до отказа.

Оснастка: гаечный ключ 41 мм.

17.13. Проверить работу масляного буфера согласно переходу 2.

ОПЕРАЦИЯ 18

ОСМОТР И РЕМОНТ ЗАПОРНЫХ УСТРОЙСТВ ВКЛЮЧЕНИЯ И ОТКЛЮЧЕНИЯ

Узел 03. Привод выключателя

Трудозатраты - 0,6 чел.-ч

Состав звена: электрослесарь 4-го разряда - 1 чел.

18.1. Расшплинтовать и снять с оси 2 запорного устройства включения (рис. 24) пружину 15 (рис. 25).

Оснастка: плоскогубцы, отвертка.

Рис. 24. Запорное устройство включения:

1 и 13 - ролики; 2, 6 и 19 - оси; 3 и 7 - пружины; 4 - собачка; 5 и 8 - тяги; 9 - рычаг; 10 - скоба; 11, 15, 17 и 20 - шайба; 12, 18 и 21 - шплинты; 14 - гайка М10; 16 - поводок

18.2. Расшплинтовать, удалить ось и отсоединить тягу 29 (см. рис. 13) от защелки 31.

Оснастка: плоскогубцы, отвертка.

18.3. Расшплинтовать и снять с оси 5 узел запорного устройства отключения (см. рис. 25).

Оснастка: плоскогубцы, отвертка.

Рис. 25. Запорное устройство отключения:

1 - тяга; 2 - пластина; 3 и 5 - оси; 4 - скоба; 6 - поводок; 7 - гайка М10; 8 и 12 - шайбы; 9 и 10 - ролики; 11 - шплинт; 13 и 15 - дружины; 14 - собачка

18.4. Расшплинтовать и снять с осей 2 и 19 (рис. 24) узел устройства включения с рычагом 9, тягой 5 и пружиной 7.

Оснастка: отвертка, плоскогубцы.

18.5. Очистить от пыли, грязи и старой смазки узлы запорных устройств включения и отключения.

Оснастка: ветошь.

18.6. Осмотреть детали узлов и проверить, нет ли на собачках 4 (см. рис. 24) и 14 (см. рис. 25) и роликах 13 (см. рис. 24), 9 и 10 (см. рис. 25) задиров, сколов, вмятин и трещин; на пружинах 3 (см. рис. 24), 13 (см. рис. 25) трещин; заеданий и затираний при вращении роликов; перемещения деталей относительно осей.

Обнаруженные дефекты устранить, дефектные детали заменить.

18.7. Проверить состояние (отсутствие задиров) осей 2, 19 (см. рис. 24) и 5 (см. рис. 25), их крепление в раме (подтянуть гайки).

Оснастка: гаечный ключ 22×24 мм, гаечный ключ 30×32 мм, разводной ключ № 1, кисть.

18.8. Надеть на оси 2 и 19 (см. рис. 24) узел запорного устройства включения с рычагом 9 и зашплинтовать, предварительно смазав все трущиеся детали смазкой ЦИАТИМ-203 (ЦИАТИМ-221).

Оснастка: молоток, круглогубцы, отвертка, кисть.

18.9. Надеть на ось 5 (см. рис. 25) узел запорного устройства отключения и зашплинтовать, предварительно смазав все трущиеся детали смазкой ЦИАТИМ-203 (ЦИАТИМ-221).

Оснастка: молоток, плоскогубцы, отвертка, кисть.

18.10. Проверить перемещение узлов запорных устройств отключения и включения относительно осей. Заеданий и затираний не допускается.

18.11. Установить пружину 15 (см. рис. 25) запорного устройства заключения на ось 2 (см. рис. 24) запорного устройства включения и зашплинтовать.

Оснастка: плоскогубцы, отвертка.

18.12. Соединить тягу 29 с защелкой 31 (см. рис. 13) и осью и зашплинтовать, предварительно смазав ось тонким слоем смазки ЦИАТИМ-203 (ЦИАТИМ-221).

Оснастка: плоскогубцы, отвертка, кисть.

ОПЕРАЦИЯ 19

ОСМОТР И РЕМОНТ МЕХАНИЗМОВ КНОПКИ «ВКЛ.» И КНОПКИ «ОТКЛ.»

Узел 03. Привод выключателя

Трудозатраты - 0,4 чел.-ч.

Состав звена: электрослесарь 4-го разряда - 1 чел.

19.1. Очистить от пыли, грязи и старой смазки механизм кнопки «Вкл.» с механической блокировкой 36 и 37 (см. рис. 13) и механизм кнопки «Откл.» с валом 8 (см. рис. 13), на который воздействуют реле.

Оснастка: ветошь.

19.2. Осмотреть механизм и проверить:

- на отсутствие заеданий при движении штоков и тяг;

- действие пружин на кнопках «Вкл.» и «Откл.» и механической блокировки;

- состояние рабочих кромок на собачках 30 и 32 (см. рис. 13) и защелках 28 и 31 (задиры, сколы и вмятины не допускаются) и их легкость вращения относительно осей. Заеданий и затираний не допускается.

Обнаруженные дефекты устранить, дефектные детали заменить.

19.3. Проверить вращение вала 8 в осях. Вал должен вращаться без заеданий и затираний. При необходимости регулировку вращения вала 8 производить ввинчиванием и вывинчиванием винтов-осей.

Примечание. По окончании регулировки винты-оси стопорить гайкой.

Оснастка: отвертка, гаечный ключ 12×14 мм, гаечный ключ 10×12 мм, гаечный ключ 12×14 мм, плоскогубцы.

19.4. Проверить состояние крепежа механизмов.

Оснастка: отвертка.

19.5. Смазать трущиеся поверхности деталей механизмов смазкой ЦИАТИМ-203 (ЦИАТИМ-221).

Оснастка: кисть.

ОПЕРАЦИЯ 20

РЕМОНТ ЭЛЕКТРОМАГНИТОВ ДИСТАНЦИОННОГО ВКЛЮЧЕНИЯ И ОТКЛЮЧЕНИЯ

Узел 03. Привод выключателя

Трудозатраты - 0,4 чел.-ч.

Состав звена: электромонтер 4-го разряда - 1 чел.

20.1. Проверить легкость хода сердечников 8 (рис. 26) и 5 (рис. 27) и штока 10 (см. рис. 26). Заедания не допускаются.

Рис. 26. Электромагнит дистанционного отключения ЭО:

1 - магнитопровод; 2 - катушка; 3 - шайба; 4 - каркас; 5 - гильза; 6 - колодка; 7 - тяга; 8 - сердечник; 9 - контактный ряд; 10 - шток; 11 - контрполюс

Рис. 27. Электромагнит дистанционного включения:

1 - магнитопровод; 2 - обмотка; 3 - контрполюс; 4 - каркас; 5 - сердечник; 6 - колодка; 7 - тяга; 8 - гильза; 9 - контактный ряд

20.2. Проверить величину хода указанных сердечников до контрполюсов 11 (см. рис. 26) и 3 (см. рис. 27).

Обмоточные данные катушки ЭО

Род тока

Номинальное напряжение, В

Кол-во витков катушки

Данные провода

Сопротивление (Ом) при постоянном токе

Марка

Диаметр, мм

Постоянный

24

870

ПЭЛ

0,8

3,7

48

850

ПЭЛ

0,35

14,9

110

1870

ПЭЛ

0,29

51,0

220

1870

ПЭЛ

0,29

51,0

Переменный

100

850

ПЭЛ

0,57

7,33

127

1100

ПЭЛ

0,38

18,0

220

1870

ПЭЛ

0,29

51,0

При несоответствии параметров произвести регулировку согласно переходу 3.

Оснастка: линейка, карандаш.

20.3. Отсоединить тяги 7 (см. рис. 26), ослабить гайки и ввинчиванием или вывинчиванием тяги в сердечнике 8 отрегулировать ход сердечника. После регулировки тяги застопорить гайками. При необходимости (после измерений параметров катушки) замену катушки 2 на электромагните отключения произвести согласно переходам 4 - 5.

Оснастка: плоскогубцы, отвертка, гаечный ключ 7×8 мм, линейка, карандаш.

20.4. Вывинтить винты и снять колодку 6 с сердечником 8 и штоком 10, гильзу 5 и контрполюс 11.

Оснастка: отвертка В.

20.5. Отсоединить концы катушки от контактного ряда 9 и снять катушку с магнитопровода 1. Установку катушки и сборку электромагнита отключения вести в обратной последовательности согласно переходам 5 - 4. Регулировка хода сердечника и замена катушки электромагнита включения производятся аналогично переходам 3 - 5 согласно рис. 27.

Примечания: 1. Вертикальное перемещение катушки ликвидировать путем установки шайб из электрокартона. 2. Зазор между магнитопроводом и контрполюсом недопустим. При необходимости зазор ликвидировать путем установки под гильзу или винты колодки шайб.

ОПЕРАЦИЯ 21

РЕМОНТ ЭЛЕКТРОМАГНИТА ЗАВОДКИ

Узел 03. Привод выключателя

Трудозатраты - 0,3 чел.-ч.

Состав звена: электрослесарь 2-го разряда - 1 чел.

21.1. Разогнуть стопорную планку, свинтить гайки и снять ограничитель хода сердечника 9 и сердечник 10 (рис. 28).

Оснастка: отвертка, гаечный ключ 12×14 мм.

Рис. 28. Электромагнит заводки рабочих пружин:

1 - обмотка; 2 - каркас; 3 - магнитопровод; 4 - контрполюс; 5 - гильза; 6 - рычаг; 7 - упор; 8 - серьга; 9 - ограничитель хода сердечника; 10 - сердечник; 11 - гайка М12; 12 - сланец

21.2. Очистить поверхность сердечника 10 и гильзы 5 от пыли и старой смазки.

Оснастка: ветошь.

21.3. Смазать поверхность сердечника и гильзы тонким слоем смазки ЦИАТИМ-203 (ЦИАТИМ-221), смешанной с графитом П ГОСТ 8295-57 в отношении 10:1 (10 % по весу).

Оснастка: кисть.

21.4. Установить сердечник 10 в гильзу 5 и проверить, нет ли заеданий при движении сердечника.

21.5. Установить на колонки ограничитель хода сердечника 9, стопорную планку и навинтить гайки.

21.6. Затянуть гайки равномерно до сжатия прокладки на ограничителе хода на 0,4 мм по толщине и застопорить планками.

При необходимости по результатам измерений замену катушки произвести согласно переходам 7 - 9.

Оснастка: гаечный ключ 12×14 мм, штангенциркуль, отвертка.

21.7. Свинтить гайки 11, вывинтить болты, крепящие фланец 12 к раме, и снять его.

Оснастка: гаечный ключ 17×19 мм, торцовый ключ, головка 12 мм.

21.8. Отсоединить провода катушки от зажимов 38, 39 (рис. 29, б) и снять ее.

Оснастка: отвертка.

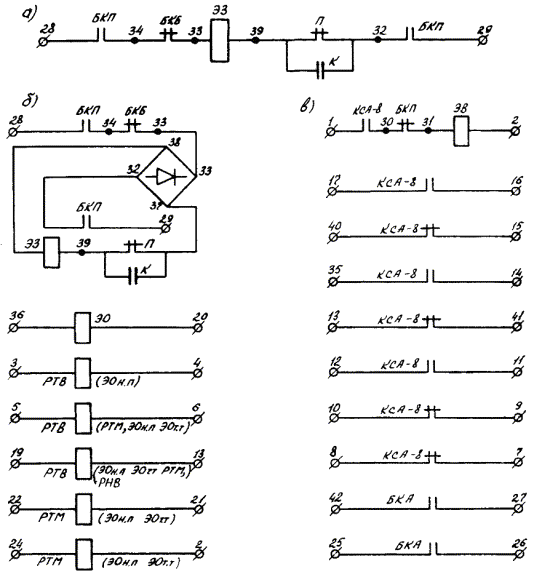
Рис. 29. Принципиальная схема соединений цепей управления и блокировки привода:

а - схема питания ЭЗ от источника постоянного тока; б - схема питания ЭЗ от источника переменного тока; в - схема соединения цепей блокировок и защиты; ЭЗ - электромагнит заводки рабочих пружин; К - конденсатор; П - прерыватель; ЭВ - электромагнит дистанционного включения; ЭО - электромагнит дистанционного отключения; КСА-8 - сигнальные блок-контакты; БКП - блок-контакты положения пружин; БКА - аварийные блок-контакты; БКБ - блокировочный контакт; РТВ - реле максимального тока с выдержкой времени; РТМ - реле максимального тока мгновенного действия; РНВ - реле минимального напряжения с выдержкой времени; ЭОн.л - электромагнит отключения с питанием от независимого источника оперативного тока; ЭОт.т - токовый электромагнит отключения с питанием от быстронасыщающегося трансформатора тока

21.9. Сборку произвести в обратной последовательности согласно переходам 9 - 7.

Примечание. При сборке возможные осевые перемещения катушки ликвидировать путем установки шайб на электрокартоне.

ОПЕРАЦИЯ 22

УСТАНОВКА ВАЛА ВЫКЛЮЧАТЕЛЯ

Узел 03. Привод выключателя

Трудозатраты - 0,6 чел.-ч.

Состав вреда: электрослесари 2-го разряда - 1 чел., 4-го разряда - 1 чел.

22.1. Смазать внутреннюю поверхность корпусов подшипников смазкой ЦИАТИМ-203 (ЦИАТИМ-221).

Оснастка: кисть.

22.2. Установить в раму привода вал выключателя 4 (см. рис. 22).

Оснастка: молоток.

22.3. Подать вал влево до полной посадки подшипника в корпус и установить корпус подшипника 3 (см. рис. 22) с правой стороны.

Оснастка: молоток.

22.4. Совместить отверстия корпуса с отверстиями рамы и прикрепить его к раме.

Оснастка: торцовый ключ, головка 14 мм, гаечный ключ 12×14 мм.

22.5. Проверить вращение вала. Заедания и затирания не допускаются.

ОПЕРАЦИЯ 23

РЕГУЛИРОВКА ОТКЛЮЧЕННОГО ПОЛОЖЕНИЯ ВАЛА ВЫКЛЮЧАТЕЛЯ

Узел 03. Привод выключателя

Трудозатраты - 0,4 чел.-ч.

Состав звена: электрослесари 2-го разряда - 1 чел., 4-го разряда - 1 чел.

23.1. Установить вал выключателя в отключенное положение с помощью шаблона (рис. 30).

Оснастка: приспособление П-4.

Рис. 30. Приспособление П-4 для установки вала выключателя в отключенное положение:

1 - вал выключателя; 2 - ось рычага диаметром 18 мм

23.2. Установить масляный буфер 3 в кронштейн 5 и зафиксировать отключенное положение вала, при этом шток 2 буфера должен быть утоплен роликом 1 вала выключателя до упора (рис. 31).

Рис. 31. Масляный демпфер:

1 - рычаг с роликом; 2 - шток; 3 - масляный буфер; 4 - регулировочные шайбы; 5 - кронштейн

Регулировка отключенного положения вала выключателя производится путем съема или установки регулировочных шайб 4 на масляном буфере.

Оснастка: линейка.

23.3. Замерить ход штока при включенном положении вала, который должен быть равен 21 мм.

Оснастка: линейка.

23.4. Установить на место и зашплинтовать тяги, связывающие вал выключателя с механической блокировкой 37 (см. рис. 13) реле минимального напряжения 2 (см. рис. 12) и тягу 20 (см. рис. 13) связи с блок-контактами БКА 9.

Оснастка: плоскогубцы, отвертка.

23.5. Соединить осью заделку 28 с тягой 26 (см. рис. 13), предварительно смазав ось тонким слоем смазки ЦИАТИМ-203 (ЦИАТИМ-221).

Оснастка; плоскогубцы, отвертка.

Примечание. Ось шплинтовать после окончания регулировки узлов привода.

ОПЕРАЦИЯ 24

УСТАНОВКА БУФЕРНОЙ И ОТКЛЮЧАЮЩИХ ПРУЖИН

Узел 03. Привод выключателя

Трудозатраты - 0,5 чел.-ч.

Состав звена: электрослесарь 4-го разряда - 1 чел.

24.1. Соединить буферную пружину с рычагами вала выключателя с помощью оси 9 (предварительно смазав ее смазкой), установив между рычагами вала и пружинодержателем 8 втулки 10 согласно рис. 32.

Оснастка: ось 12×5, втулки, кисть.

Рис. 32. Пружинный буфер выключателя:

1 и 3 - гайки; 2 - рама; 4 - ушко; 5 - ось ушка; 6 и 8 - пружинодержатели; 7 - пружина; 9 - ось рычага; 10 - втулка

24.2. Надеть на ось с двух сторон шайбы и зашплинтовать. Концы шплинтов обогнуть по периметру.

Оснастка: плоскогубцы, отвертка.

24.3. Соединить отключающие пружины с рычагами 8 вала с помощью оси 7 (предварительно смазав ее смазкой), установив между пружинодержателями пружин втулку 9 согласно рис. 20.

Оснастка: кисть, плоскогубцы, отвертка.

24.4. Надеть на ось 7 с двух сторон шайбы и зашплинтовать. Концы шплинтов обогнуть по оси.

Оснастка: плоскогубцы, молоток.

24.5. Навинтить на ушки отключающих и буферной пружин гайки 2 и 3 (см. рис. 32) и установить ушки в отверстия рамы 2 согласно рис. 20 и 32.

Оснастка: гаечный ключ 17×19 мм.

24.6. Установить на ушки 3 и 4 шайбы и навинтить гайки 1 (см. рис. 20 и 32).

Оснастка: гаечный ключ 17×19 мм.

24.7. Затянуть гайки на ушках 3 (см. рис. 20) отключающих пружин, установив их по предварительному натягу, указанному на бирках, или по ранее сделанным замерам (см. операцию 14).

Оснастка: гаечный ключ 17×19 мм.

24.8. Затянуть гайки на ушке 4 (рис. 32) буфера, обеспечив ход буфера согласно данным на бирке или по ранее сделанным замерам (см. операцию 15).

Оснастка: гаечный ключ 17×19 мм.

ОПЕРАЦИЯ 25

УСТАНОВКА ВАЛА ПРИВОДА С БАРАБАНОМ

Узел 03. Привод выключателя

Трудозатраты - 1,0 чел.-ч.

Состав звена: электрослесари 2-го разряда - 1 чел., 4-го разряда - 1 чел.

25.1. Установить вал выключателя во включенное положение и зафиксировать с помощью приспособления П-5 (см. рис. 14).

Оснастка: рычаг ручного включения, гаечный ключ 12×14 мм, приспособление П-5.

25.2. Установить дал привода в раму, предварительно смазав внутреннюю поверхность корпуса подшипников с левой стороны смазкой ЦИАТИМ-203 (ЦИАТИМ-221).

Оснастка: кисть.

25.3. Установить буфер 2 (см. рис. 17) в отверстие рамы 1, надеть шайбы и навинтить гайку 3. Надеть на ушко буфера 6 пружину 7 и установить кронштейн 4. Прикрепить кронштейн к раме болтами 5. Затянуть гайку 3 до отказа. Трущиеся детали смазать смазкой ЦИАТИМ-203 (ЦИАТИМ-221).

Оснастка: торцовый ключ, головка 10 мм, головка 24 мм, гаечный ключ 22×24 мм, кисть.

25.4. Подать вал привода влево до полной посадки подшипника в корпус и установить корпус с подшипником с правой стороны, предварительно смазав внутреннюю поверхность смазкой ЦИАТИМ-203 (ЦИАТИМ-221). Плотно прижать корпус к стенке рамы и проверить продольное перемещение вала, которое не должно превышать 1 мм. При необходимости люфт ликвидировать установкой прокладки на конце вала с правой стороны.

Оснастка: щуп, кисть.

25.5. Совместить отверстия корпуса с отверстиями рамы и прикрепить его к раме с помощью крепежа.

Оснастка: отвертка; торцовый ключ, головка 14 мм, гаечный ключ 12×14 мм.

25.6. Проверить вращение вала привода. Заедания и затирания не допускаются.

Оснастка: рычаг ручного включения.

25.7. Установить на ось запорного устройства отключения 40 пружину 36 (см. рис. 12) и зашплинтовать.

Оснастка: плоскогубцы, отвертка.

ОПЕРАЦИЯ 26

ВОССТАНОВЛЕНИЕ ПРЕДВАРИТЕЛЬНОГО НАТЯГА РАБОЧИХ ПРУЖИН

Узел 03. Привод выключателя

Трудозатраты - 0,7 чел.-ч.

Состав звена: электрослесари 2-го разряда - 1 чел., 4-го разряда - 1 чел.

26.1. Установить вал привода 19 (см. рис. 12) роликом рычага 37 на собачку запорного механизма включения 35 (см. рис. 13).

Оснастка: рычаг ручного включения.

26.2. Повернуть крышку 8 ограничительной пластиной до упора в резиновый буфер 3 (см. разрез А - А рис. 16).

26.3. Рычагом электромагнитной заводки 29 повернуть барабан 11 на 105 ± 15°.

Примечание. Предварительный натяг регулируется ступенчато через каждые 15° и отсчитывается по совмещению отверстий крыши 8 и барабана 11.

Оснастка: рычаг ручного включения.

26.4. Скрепить барабан 11 с крышкой 8 жестью болтами 7.

Оснастка: торцовый ключ, головка 14 мм; рычаг ручного включения.

26.5. Снять приспособление П-5 и отключить выключатель.

ОПЕРАЦИЯ 27

ОКОНЧАТЕЛЬНАЯ СБОРКА ПРИВОДА

Узел 03. Привод выключателя

Трудозатраты - 0,5 чел.-ч.

Состав звена: электрослесари 2-го разряда - 1 чел., 4-го разряда - 1 чел.

27.1. Установить на валу привода кулачок 13 (см. рис. 12).

Оснастка: гаечный ключ 17×19 мм.

Примечание. Зуб кулачка должен находиться при установке в одной плоскости с роликом рычага 37 (см. рис. 12).

27.2. Установить на раме кронштейн с блок-контактами БКП и КСА-8 (см. рис. 13). Уложить связку проводов на раме и закрепить ее хомутами.

Оснастка: торцовый ключ, головка 10 мм, плоскогубцы, отвертка.

27.3. Соединить рычаг обгонной муфты 14 (см. рис. 12) с электромагнитом заводки рабочих пружин 4, предварительно смазав ось смазкой ЦИАТИМ-203 или ЦИАТИМ-221.

Оснастка: плоскогубцы, отвертка.

27.4. Установить возвратные пружины 9 и 18 (см. рис. 12) наружных обойм обгонной муфты 14.

Оснастка: плоскогубцы, отвертка.

27.5. Соединить тяги блок-контактов КСА-8 и указателя положения выключателя 21 с валом выключателя 33 (см. рис. 12).

Оснастка: плоскогубцы, отвертка.

ОПЕРАЦИЯ 28

РЕГУЛИРОВКА ПРИВОДА

Узел 03. Привод выключателя

Трудозатраты - 3,0 чел.-ч.

Состав звена: электрослесари 2-го разряда - 1 чел., 4-го разряда - 1 чел.

28.1. Отрегулировать тягами 29 и 26 зазор между рабочими кромками заделок 31 и 28 и собачками 32 и 30 (см. рис. 13) при положении роликов запорных устройств на наибольших радиусах профилей рычагов вала привода и вала выключателя (рис. 33).

Оснастка: гаечный ключ 12×14 мм, плоскогубцы, отвертка, рычаг ручного включения, линейка.

Рис. 33. Установка роликов запорных устройств на наибольших радиусах профилей рычагов вала привода:

1 - ролик запорного устройства отключения; 2 - рычаг вала включения; 3 - рычаг вала привода; 4 - ролик запорного устройства включения

28.2. Зазор между рабочими кромками защелок 31 и 28 и собачек 32 и 30 (см. рис. 13) должен быть равным 4+0,5-2,5 мм (рис. 34).

Рис. 34. Установка зазора между рабочими кромками защелок и собачек:

1 - защелка; 2 - собачка; 3 - ось; 4 - тяга

При этом ось заделки должна находиться на нижней кромке паза вилки. После регулировки оси зашплинтовать, тяги застопорить гайками.

В процессе регулировки включение и отключение выключателя производить только вручную.

28.3. Проверить положение диска 28 (см. рис. 12) на валу привода. При угле закручивания рабочих пружин 245 + 5° (без учета предварительного натяга) ролик рычага блок-контактов БКП должен провалиться в вырез диска. При необходимости произвести регулировку.

Оснастка: гаечный ключ 10×12 мм.

28.4. Установить приспособление П-9 для замера моментов (рис. 35) на конец вала привода 5 (см. рис. 15). Проверить и отрегулировать:

а) предварительный момент на валу привода, который должен быть не менее 3,5 кгс · м;

б) максимальный момент на валу привода, который при заведенных рабочих пружинах должен быть равен 17+3-1 кгс · м.

Рис. 35. Приспособление П-9 для замера момента на валу привода

Регулировку предварительного и максимального моментов производить путем изменения угла предварительного натяга рабочих пружин, который должен быть равен 105 + 15° (см. операцию 26).

Примечания: 1. Фиксацию величины измеряемого момента производить по началу отклонения рычага приспособления. 2. Наращивание веса груза производить равномерно.

Оснастка: приспособленка П-9, набор грузов, рычаг ручного включения.

28.5. Установить кулачок 13 (см. рис. 12) так, чтобы его рабочая кромка вошла в зацепление с собачкой буфера 11, после выхода ролика рычага БКП из прорези на наружный профиль диска 28 при повороте вала привода на угол 10 - 15° затянуть болты.

Оснастка: гаечный ключ 17×19 мм.

28.6. При включении ролик не должен садиться на собачку запорного устройства включения 35. При необходимости под пружину буфера 11 подложить шайбы размером 13×20×1 (не более двух).

Оснастка: торцовый ключ, головка 10 мм.

28.7. Проверить зазор между роликами 38 (см. рис. 12) вала выключателя (в отключенном положении) и кулачком 34 вала привода (при застопоренном положении вала привода запорным устройством включения). Зазор должен быть не менее 0,5 мм.

Оснастка: щуп 0,5 мм, рычаг ручного включения.

28.8. Отрегулировать тягой 20 (см. рис. 13) зазор 1 мм между рычагами, связанными с аварийными блок-контактами БКА и электромагнитом дистанционного отключения 27, как это показано на рис. 36.

Оснастка: плоскогубцы, отвертка, линейка.

Рис. 36. Регулировка зазора между рычагами

28.9. Отрегулировать шток 36 и рычаг 37 механической блокировки кнопки «Вкл.» (см. рис. 13) так, чтобы при отключенном вале выключателя и заведенных рабочих пружинах вала привода кнопка «Вкл.» разблокировалась. Регулировку производить поднятием или опусканием блокировки или штока кнопки.

Оснастка: плоскогубцы, отвертка.

28.10. Произвести динамометром захват планки вала 8 (см. рис. 13) на плече 35 мм от оси вала и замерить усилие, которое не должно превышать 0,5 кгс.

Примечание. Захват собачки 32 за защелку 31 должен быть не менее 2,5 мм (регулируется высотой релейной планки).

Оснастка: динамометр, линейка, гаечный ключ 7×8 мм.

28.11. Отжать блокировочной собачкой 35 защелку 28 (см. рис. 13). При этом зазор между рабочими кромками защелки 28 и собачки 30 должен быть не менее 1 мм.

Оснастка: щуп 1 мм.

28.12. Отрегулировать винтом зазор между контактами контактодержателя и контактами прерывателя 10 (см. рис. 12). Зазор должен быть не менее 8 мм. После регулировки винт застопорить гайкой.

Оснастка: линейка, отвертка, гаечный ключ 7×8 мм.

28.13. Блок-контакты КСА-8 (см. рис. 12) отрегулировать тягой так, чтобы их положение соответствовало электрической схеме управления приводом (приложение 8).

Оснастка: плоскогубцы, отвертка.

28.14. Отрегулировать указатель 1 (см. рис. 13) положения выключателя так, чтобы его табличка находилась на одном уровне с табличкой указателя положения привода 3.

Оснастка: плоскогубцы, отвертка.

ОПЕРАЦИЯ 29

РЕГУЛИРОВКА ВЫКЛЮЧАТЕЛЯ И ПОДГОТОВКА ЕГО К ИСПЫТАНИЯМ

Узел 01. Выключатель

Трудозатраты - 3,0 чел.-ч.

Состав звена: электрослесарь 2-го разряда - 1 чел., 3-го разряда - 1 чел., 4-го разряда - 1 чел.

29.1. Замерить переходное сопротивление токоведущего контура каждого из полюсов выключателя (см. рис. 6), которое не должно превышать 55 мкОм.

Оснастка: прибор М-246.

29.2. Замерить скоростные характеристики выключателя согласно приложению 9.

Скорость включения выключателя должна быть:

а) в момент замыкания контактов - не менее 4,5 м/с;

б) максимальная - не более 6 м/с.

Скорость отключения выключателя должна быть:

а) в момент размыкания контактов - 3,5 ± 0,3 м/с;

б) максимальная - не более 5 м/с.

Оснастка: приспособления П-3, П-10, виброграф, линейка, карандаш.

Примечания: 1. Скорости включения и отключения регулировать пружинным буфером, отключающими пружинами, изменением предварительного натяга рабочих пружин вала привода (105 ± 15°). 2. При изменении угла завода рабочих пружин проверить момент на валу привода согласно операции 28.

29.3. Установить на полюсах выключателя маслоуловители 14, прокладки 26 и крышки 15 (см. рис. 2). Прикрепить крышки к корпусам полюсов болтами, подложив шайбы.

Оснастка: торцовый ключ, головка 12 мм.

29.4. Установить и закрепить изоляционные перегородки между полюсами выключателя.

Оснастка: гаечный ключ 10×12 мм.

29.5. Протереть контактные выводы каждого полюса ветошью, смоченной в бензине. Зачистить места контакта на шинах. Присоединить шины к контактным выводам полисов, предварительно смазав места контакта техническим вазелином.

Оснастка: гаечный ключ 17×19 мм.

29.6. Проверить заземление. Протереть и зачистить площадку под болт заземления и смазать техническим вазелином.

Оснастка: ветошь, гаечный ключ 12×14 мм, гаечный ключ 14×17 мм.

29.7. Застопорить болты 12 крепления кулачка 13 (см. рис. 12), загнув края стопорных шайб. Произвести осмотр и проверку крепления узлов и деталей выключателя.

29.8. Произвести несколько раз ручное и дистанционное опробование выключателя включением и отключением с помочью привода.

29.9. Восстановить на отдельных узлах и деталях выключателя окраску.

Оснастка: кисть.

29.10. Протереть выключатель сухой чистой ветошью, особенно тщательно протереть все изоляционные части (изоляторы, тяги, цилиндры, перегородки).

ОПЕРАЦИЯ 30

ПРОВЕРКА И ИСПЫТАНИЕ ЦЕПЕЙ УПРАВЛЕНИЯ, ВТОРИЧНОЙ КОММУТАЦИИ И УСТРОЙСТВ РЗА

Узел 01. Выключатель

Трудозатраты - 1,0 чел.-ч.

Состав звена: электрослесари 2-го разряда - 1 чел., 3-го разряда - 1 чел.

30.1. Осмотреть состояние цепей вторичной коммутации и проверить маркировку проводов в соответствии с электрической схемой (см. приложение 8 и рис. 29).

30.2. Проверить включение и отключение выключателя при подаче на электромагнит отключения и включения напряжения Uн, 0,8Uн, 1,1Uн.

30.3. Замерить напряжение на выходе селенового выпрямителя (при схеме питания на переменном токе), которое должно соответствовать Uн = 110 В или Uн = 220 В.

30.4. Подать на катушку электромагнита заводки рабочих пружин напряжение Uн и 0,8Uн. Проверить работу и время заводки рабочих пружин, которое должно быть при Uн - не более 30 с; при 0,8Uн - не более 60 с.

30.5. Замерить временные характеристики выключателя:

а) собственное время включения выключателя с приводом не более 0,2 с;

б) собственное время отключения выключателя с приводом не более 0,1 с.

30.6. Произвести проверку и испытание цепей вторичной коммутации и устройств РЗА в соответствии с инструкцией завода-изготовителя, сборником «Объем и нормы испытаний электрооборудования» («Энергия», 1975) и действующими инструкциями.

30.7. Установить на блок-контакты КСА крышки и закрепить их винтами.

Оснастка: отвертка.

30.8. Установить крышку рамы привода и закрепить ее гайками.

Перед вводом в эксплуатацию испытать выключатель с опорной изоляцией повышенным напряжением в соответствии со сборником «Объем и нормы испытаний электрооборудования».

Оснастка: торцовый ключ, головка 10 мм.


Приложение 1

ТЕХНОЛОГИЧЕСКАЯ СХЕМА КАПИТАЛЬНОГО РЕМОНТА ВЫКЛЮЧАТЕЛЯ (НА МЕСТЕ УСТАНОВКИ ВЫКЛЮЧАТЕЛЯ)

Примечание к приложениям 1 и 2. В кружке указано: выше черты - номер события, соответствующий номеру технологической операции; ниже черты слева - суммарное время, затраченное на выполнение технологической операции от начала ремонта, справа разряд и количество человек в звене. При повторении операции к номеру события приписывается буква (А, B, С), указывающая полюс выключателя. Между кружками под чертой указывается количество человек в звене и время, затраченное одним электромонтером.

Приложение 2

ТЕХНОЛОГИЧЕСКАЯ СХЕМА КАПИТАЛЬНОГО РЕМОНТА ВЫКЛЮЧАТЕЛЯ (ИНДУСТРИАЛЬНО-ЗАВОДСКОЙ МЕТОД РЕМОНТА)


Приложение 3

ПЕРЕЧЕНЬ ЗАПАСНЫХ ЧАСТЕЙ К ВЫКЛЮЧАТЕЛЯМ, ПОСТАВЛЯЕМЫХ РОВЕНСКИМ ЗАВОДОМ ВЫСОКОВОЛЬТНОЙ АППАРАТУРЫ

Наименование

Номер заводского чертежа

Количество на один выключатель

Сменный наконечник

5КА 426001

3

Ламель неподвижного контакта

5КА 572001

15

Опорный изолятор

8КА 720001

6

Кольцо дугогасительной камеры

8КА 711001

3

Прокладка для нижней крышки

8КА 34000Н

3

Уплотнение маслоспускной пробки

8КА 71000Н

3

Стекло маслоуказателя

8КА 724001

3

Колпачок маслоуказателя

8КА 307002

3

Направляющая колодка

8БП 143588

3

Мостик контактный

5КА 533000

2

Контакт

5КА 551030

2

Обойма наружная

5КА 147000

1

Обойма наружная

5КА 147001

1

Обойма внутренняя

8КА 147005

1

Ролик

8КА 221020

12

Толкатель

8КА 235013

12

Пружина

8КА 281066

12

Рабочая пружина

8КА 284004

4

Резиновый буфер

8КА 287013

1

Упор

8КА 270010

1

Приложение 4

ПЕРЕЧЕНЬ ИНСТРУМЕНТОВ, НЕОБХОДИМЫХ ДЛЯ КАПИТАЛЬНОГО РЕМОНТА ВЫКЛЮЧАТЕЛЯ ВМП-10П

Наименование инструмента

Условное обозначение инструмента

ГОСТ

Количество, шт.

Ключ гаечный с открытыми зевами двусторонний:

 

 

 

7×8 мм

Ключ 7811-0006

ГОСТ 2839-71

1

8×10 мм

Ключ 7811-0003

ГОСТ 2839-71

1

11×14 мм

 

-

1

10×12 мм

Ключ 7811-0004

ГОСТ 2839-71

1

14×17 мм

Ключ 7811-0022

ГОСТ 2839-71

1

17×19 мм

Ключ 7811-0023

ГОСТ 2839-71

2

22×24 мм

Ключ 7811-0025

ГОСТ 2839-71

1

27×30 мм

Ключ 7811-0041

ГОСТ 2839-71

1

Ключ гаечный с открытым зевом односторонний

 

 

 

41 мм

Ключ 7811-0145

ГОСТ 2841-71

1

Ключ торцовый с шарнирной муфтой (а = 10 мм)

Ключ С7812-2071

-

1

Головка сменная цельноштампованная:

 

 

 

10 мм

Сменная головка 10

ГОСТ 3329-54

1

12 мм

Сменная головка 12

ГОСТ 3329-54

1

14 мм

Сменная головка 14

ГОСТ 3329-54

1

17 мм

Сменная головка 17

ГОСТ 3329-54

1

19 мм

Сменная головка 19

ГОСТ 3329-54

1

22 мм

Сменная головка 22

ГОСТ 3329-54

1

24 мм

Сменная головка 24

ГОСТ 3329-54

1

27 мм

Сменная головка 27

ГОСТ 3329-54

1

Ключ торцовый с шарнирной муфтой (а = 14 мм)

Ключ С7812-2074

-

1

Плоскогубцы комбинированные длиной 150 мм

Плоскогубцы комбинированные 150

ГОСТ 5547-52

1

Круглогубцы длиной 150 мм

Круглогубцы 150

ГОСТ 7283-54

1

Зубило слесарное шириной лезвия 20 мм

Зубило слесарное 20×60°

ГОСТ 7211-54

1

Трехгранный напильник № 2

Напильник 2821-0067

ГОСТ 1465-69

1

Трехгранный напильник № 4

Напильник 2821-0069

ГОСТ 1465-69

1

Полукруглый напильник № 2

Напильник 2822-0127

ГОСТ 1465-69

1

Полукруглый напильник № 4

Напильник 2822-0131

ГОСТ 1465-69

1

Кернер

Кернер 7843-0039

ГОСТ 7213-72

1

Молоток слесарный стальной типа I массой 400 г

Молоток 7850-0051

ГОСТ 2310-70

1

Линейка измерительная металлическая 500 мм

Линейка 1-500

ГОСТ 427-56

1

Тиски слесарные поворотные

Тиски II-100

ГОСТ 4045-57

1

Штангенциркуль с двусторонними губками типа ЩЦ-II

Штангенциркуль ЩЦ-II 0 - 200

ГОСТ 166-63

1

Штангенрейсмас 0 - 250 мм

Штангенрейсмас ШР 0 - 250

ГОСТ 164-64

1

Щуп № 4 с набором

-

ГОСТ 882-64

1

Съемник двухрычажный

Съемник 7801-0001

МН 548-60

1

Выколотка со сменным медным наконечником

Выколотка С7851-2027

-

1

Киянка

0304-0002

ГОСТ 11775-66

1

Отвертка слесарно-монтажная

Отвертка Б 200×1,0

ГОСТ 17199-71

1

Отвертка слесарно-монтажная типа В 150×0,3

Отвертка В 150×0,3

ГОСТ 17199-71

1

Ключ трубный рычажный № 1

Ключ трубный рычажный 1/4 - 1″

НКТМ 6813-39

 

Ключ гаечный разводной № 1

-

ГОСТ 7275-62

1

Нож монтерский НМ-2

-

МРТУ 34-7

1

Отвес ОТ-100

-

ГОСТ 7948-71

1

Мерный стакан

-

-

1

Кисть КФ-25

-

ГОСТ 10597-70

1

Кисть КФК-6

-

ГОСТ 10597-70

2

Ведро

-

-

1

Противень

-

-

1

Карандаш 2М

-

-

1

Приложение 5

ПЕРЕЧЕНЬ МАТЕРИАЛОВ, НЕОБХОДИМЫХ ДЛЯ КАПИТАЛЬНОГО РЕМОНТА ВЫКЛЮЧАТЕЛЯ ВМП-10П

Наименование материала

ГОСТ

Единица измерения

Количество

Смазка ЦИАТИМ-221 (ЦИАТИМ-203)

ГОСТ 9433-60 (ГОСТ 8773-63)

кг

0,2

Вазелин технический (смазка УН)

ГОСТ 782-59

кг

0,05

Масло трансформаторное

ГОСТ 982-68

л

12,0

Краска желтая

ГОСТ 9640-61

кг

По необходимости

Краска красная

ГОСТ 9640-61

кг

-»-

Краска зеленая

ГОСТ 9640-61

кг

-»-

Краска черная

ГОСТ 9640-61

кг

-»-

Краска серая

ГОСТ 9640-61

кг

-»-

Ветошь

ГОСТ 5355-69

кг

1,0

Бензин авиационный Б-70

ГОСТ 1012-54

л

0,5

Шкурка шлифовальная

ГОСТ 5009-68

м2

0,25

Электрокартон ЭМ (толщина 1,0)

ГОСТ 4194-68

кг

По необходимости

Электрокартон ЭМ (толщина 0,5)

ГОСТ 4194-68

кг

-»-

Лак бакелитовый

ГОСТ 901-56

кг

0,1

Резина листовая техническая 5,0 мм

ГОСТ 7338-65

кг

По необходимости

Резина листовая техническая 6,0 мм

ГОСТ 7338-65

кг

-»-

Фибра листовая «ФЭ»

ГОСТ 14613-69

кг

-»-

Паронит (толщина 1,0 мм)

ГОСТ 481-71

кг

-»-

Графит «П»

ГОСТ 8295-57

кг

0,02

Шплинты разные

ГОСТ 397-66

 

По необходимости

Приложение 6

ПЕРЕЧЕНЬ ПРИСПОСОБЛЕНИЙ И ПРИБОРОВ, НЕОБХОДИМЫХ ДЛЯ РЕМОНТА ВЫКЛЮЧАТЕЛЯ ВМП-10П

Наименование

Количество, шт.

Примечание

Приспособление П-1 для проверки усилия вытягивания подвижного контакта из неподвижного розеточного

1

Рис. 7

Приспособление П-2 для регулировки полюсов (контрольный стержень)

3

Рис. 10

Приспособление П-3 для замера скоростей включения и отключения выключателя

1

Рис. 36

Приспособление П-4 для установки отключенного положения вала выключателя

1

Рис. 30

Приспособление П-5 для фиксации включенного положения выключателя

1

Рис. 14

Приспособление П-6 для съема пружины и планок пружинного буфера

1

Рис. 21

Приспособление П-7 для сборки вала привода с барабаном

1

Рис. 18

Приспособление П-8 для установки роликов

1

Рис. 19

Приспособление П-9 для замера момента на валу привода

1

Рис. 34

Приспособление П-10 для установки вибрографа

1

Рис. 37

Динамометр 1 - 10 кгс · м

1

ГОСТ 13837-68

Динамометр 5 - 50 кгс · м

1

ГОСТ 13837-68

Виброграф на 12 В

1

ЦВЛ Мосэнерго

Шнур-удлинитель электрический

1

-

Рычаг ручного включения

1

-

Трансформатор 220/12 В

1

-

Прибор для замера сопротивления контактов М-246

1

-

Мегомметр 1000 В

1

-

Вольтметр астатический 300 В

1

-

Электросекундомер

1

-

ЛАТР-1

1

-

Приложение 7

РЭУ _________________                                                               УТВЕРЖДАЮ

ПЭС __________________                                        Начальник ________________________

Подстанция ___________________                                                                                     __________________________________

Присоединение ________________                         «___» ______________________ 19__ г.

ТЕХНИЧЕСКИЙ АКТ
РЕМОНТА МАСЛЯНОГО ВЫКЛЮЧАТЕЛЯ ВМП-10П

Вид ремонта _________________________________________________________________

(капитальный, текущий)

Дата последнего ремонта ________________________

Начало ремонта ________________                        Окончание ремонта _________________

(дата, время)                                                                                            (дата, время)

Наименование операции

Отметка о выполнении

Состояние после ремонта (заполняет мастер или производитель работ)

Привод

 

 

Ремонт вала привода с барабаном

 

 

Ремонт отключающих и буферной пружин

 

 

Ремонт вала выключателя (угол поворота вала выключателя 65 ± 2°)

 

 

Ремонт масляного буфера:

 

 

а) ход штока буфера - 21 мм

 

 

б) заливка маслом - 70 см3

 

 

Ремонт запорных устройств включения и отключения

 

 

Ремонт механизмов кнопок «Вкл.» и «Откл.»

 

 

Ремонт электромагнитов дистанционного включения и отключения

 

 

Ремонт электромагнита заводки рабочих пружин

 

 

Ремонт рамы выключателя

 

 

Контроль и регулировка зазоров:

 

 

а) между щекой и обоймой барабана 0,3 - 0,9 мм (кругом)

 

 

б) между рычагами, связанными с аварийными блок-контактами БКА не менее 1 мм

 

 

в) между кулаком вала привода и роликом вала выключателя не менее 0,5 мм (в отключенном положении)

 

 

г) между рабочими кромками блокировочной собачки и защелки механизма включения не менее 1 мм

 

 

д) между рабочими кромками защелок и собачек механизмов включения и отключения 4+0,5-2,5 мм

 

 

е) между контактом и контактодержателем прерывателя не менее 8 мм

 

 

Контроль и регулировка моментов:

 

 

а) предварительный натяг рабочих пружин не менее 3,5 кгс · м

 

 

б) максимальный на валу привода 17,5+3-1 кгс · м

 

 

в) на релейном валу не более 0,5 кгс на плече 35 мм

 

 

Время заводки рабочих пружин:

 

 

а) при U = 0,8Uн не более 60 с

 

 

б) при U = Uн не более 30 с

 

 

Прозвонка изоляции катушек электромагнитов дистанционного включения и отключения и электромагнита заводки (не менее 1 МОм)

 

 

Смазка и окраска узлов привода

 

 

Выключатель

 

 

Проверка опорных изоляторов

 

 

Ремонт маслоуказателей

 

 

Полная (частичная) разборка полюсов

 

 

Ремонт дугогасительных камер:

 

 

а) проверка отверстия в кольце нижней перегородки (не более 29,5 мм)

 

 

б) регулировка размеров щелей (а = 21 мм, b = 15 мм, c = 12 мм)

 

 

в) регулировка высоты камеры A = 128 мм

 

 

Ремонт неподвижных розеточных контактов (высота розетки a = 86 ± 0,5 мм)

 

 

Ремонт подвижных контактов, направляющих стержней и роликового токосъема

 

 

Сборка полюсов выключателя:

 

 

а) регулировка вертикальности полюсов

 

 

б) заливка полюсов маслом

 

 

Смазка и окраска узлов выключателя

 

 

 

Данные замера

Результаты замера

Норма

Фаза

А

В

С

а) вытягивающее усилие при недоходе до мертвой точки на 10 мм

 

 

 

Не более 20 кгс

б) недоход направляющих колодок до верхнего крайнего положения

 

 

 

Не менее 4 мм

в) разновременность касания контактов

 

 

 

Не более 5 мм

г) ход подвижных контактов в розеточных контактах

 

 

 

60+3-5 мм

д) полный ход подвижных контактов

 

 

 

245-5 мм

е) верхний и нижний недоходы подвижных контактов

 

 

 

Не менее 4 мм

ж) полное сопротивление контактов на фазу

 

 

 

Не более 55 мкОм

з) испытание повышенным напряжением (время - 1 мин)

 

 

 

Uн = 6 кВ Uисп = 32 кВ

Uн = 10 кВ Uисп = 42 кВ

 

Скорость, м/с

При отключении

При включении

Норма

Замер

Норма

Замер

а) максимальная

5,0

 

6,0

 

б) в момент замыкания и размыкания контактов

3,5 ± 0,3

 

Не менее 4,5

 

Собственное время выключателя, с

При отключении

При включении

Норма

Замер

Норма

Замер

Не более 0,1

 

Не более 0,2

 

Детали, узлы, замененные во время ремонта ______________________________________

____________________________________________________________________________

____________________________________________________________________________

Замечания по ремонту, указания эксплуатационному персоналу _____________________

____________________________________________________________________________

____________________________________________________________________________

Выключатель ВМП-10П из ремонта __________________________

сдал производитель работ                           (подпись, дата)                    (                                 )

Выключатель из ремонта принял _____________________________

представитель эксплуатация                       (подпись, дата)                    (                                 )

Приложение 8

СХЕМЫ УПРАВЛЕНИЯ ПРИВОДОМ ВЫКЛЮЧАТЕЛЯ ВМП-10П

Приложение 9

ИЗМЕРЕНИЕ СКОРОСТИ И ВРЕМЕНИ ВКЛЮЧЕНИЯ (ОТКЛЮЧЕНИЯ) ВЫКЛЮЧАТЕЛЯ

Для замера скорости и времени включения (отключения) выключателя служат приспособление П-3 (рис. 37), приспособление П-10 (рис. 38) и виброграф на 12 В, изготовленный Мосэнерго (рис. 39). Приспособление П-3 с вибрографом крепится к корпусу механизма 18 (см. рис. 2) на месте снятой с полюса верхней крышки 15 на двух болтах. На планке приспособления П-3 крепится полоска из миллиметровой бумаги, затем приспособление ввинчивается в торец контакта согласно рис. 37.

Рис. 37. Приспособление П-3 для установки вибрографа

Рис. 38. Приспособление П-10 для установки вибрографа:

1 - держатель; 2 - стержень (приспособление П-3, см. рис. 37); 3 - труба; 4 - полоска; 5 - отверстия для крепления вибрографа; 6 - отверстия для крепления держателя на полюсе

Примечание. Размеры держателя приведены для вибрографа 12 В.

Катушка 7 (см. рис. 39) вибрографа включается в сеть переменного тока напряжением 12 В и частотой 50 Гц. При включении и отключении выключателя приспособление П-3 двигается вместе с подвижным контактом и карандаш 1 чертит на полоске из миллиметровой бумаги, закрепленной на планке приспособления П-3, волнообразную кривую (виброграмму).

Рис. 39. Виброграф:

1 - карандаш; 2 - якорь; 3 - сердечник; 4 - корпус; 5 - пружинящая пластина; 6 - регулировочный винт; 7 - катушка

При питании катушки 7 от сети с частотой 50 Гц, пластина 5 вибрирует с частотой 100 Гц, совершая одна колебание за 0,01 с. Амплитуда колебаний регулируется винтом 6. За время одного колебания пластины 5 карандаш 1 записывает на движущейся ленте одну волну виброграммы (рис. 40). Длина волны L зависит от скорости движения подвижного контакта. Чем быстрее движется контакт, тем больше длина волны виброграммы. Среднюю скорость движения подвижного контакта определяют по формуле

где t = 0,01 c.

Если длину волны измерять в сантиметрах, а скорость в метрах в секунду, то

т.е. средняя скорость движения подвижного контакта (м/с) на любом участке численно равна длине волны виброграммы (см) на этом участке.

Рис. 40. Волна виброграммы:

L - длина волны

Рис. 41. Разбивка виброграммы на пролеты:

Vо.к - скорость в момент размыкания контактов; Vо.м - максимальная скорость отключения; S1 - ход в розеточном контакте; S2 - ход подвижного контакта

Рис. 42. Виброграмма для определения скорости включения (отключения) выключателя:

L, L′, L″ - длина пролетов; O1, O2, O3 - вершины виброграммы

Виброграммы снимаются при номинальном напряжении на приводе.

Для регулировки выключателя снимаются виброграммы «Включение» и «Отключение».

На рис. 41 в качестве примера представлена виброграмма «Отключение».

При записи виброграммы ход планки приспособления П-3 соответствует ходу подвижного контакта (S2 = 245 мм), а скорость движения подвижного контакта равна скорости движения планки приспособления П-3 и определяется по виброграмме. Для этого производится разбивка виброграммы на пролеты, равные длинам волн. Расстановка отметок ведется с первой (считая от конца B) вершины. Средние скорости движения подвижных контактов (м/с), численно равные длине пролетов (см) обозначаются на виброграмме в пролетах.

При разметке виброграммы на пролеты и анализе ее надо учитывать следующее:

а) отметки необходимо наносить точно у вершин волн, так как неточность в один миллиметр приводит к ошибке в определении скорости на 0,1 м/с;

б) значение средней скорости в пролете следует относить не к середине пролета, а к промежуточной обратной вершине O2 (рис. 42) виброграммы, где ставится дополнительная отметка;

в) скорость в пролете справа и слева от дополнительной отметки не равна средней скорости.

Показателем изменения скорости является прирост Δ длины пролета при переходе от рассматриваемого пролета к соседнему. Если длина данного пролета L, а длина соседних пролетов L′ и L″, то Δ′ = L′ - L и Δ″ = L″ - L. Если соседний пролет больше (L′ > L или L> L), то прирост Δ имеет знак плюс, и наоборот. На длине 1 мм пролета скорость изменяется примерно на величину Δ/L, а на расстоянии lx от дополнительной отметки скорость движения может быть определена , где Vx - в метрах в секунду, L, lx, Δ - в сантиметрах, причем прирост Δ должен быть взят соответствующего значения и знака (+ или -).

Виброграмму можно разделить на две части: в первой скорость движения возрастает от начального нулевого до максимального значения, во второй - она уменьшается от максимального до конечного нулевого значения. Следовательно, при рассмотрении первой части виброграммы длина пролета должна постепенно возрастать до максимального значения, а во второй - убывать. На протяжении виброграммы не должно быть участков, на которых после увеличения длина пролетов начинает уменьшаться, а затем вновь увеличиваться. Если такие участки имеются, это свидетельствует о провале скорости (местном замедлении), что недопустимо.

По виброграмме определяют скорости движения контактов в момент размыкания (замыкания) Vо.к, Vв.к (см. рис. 41) и максимальные скорости для данной операции Vо.м, Vв.м. Эти скорости не должны отличаться от нормированных. Скорость включения выключателя ВМП-10П в момент замыкания контактов не менее 4,5 м/с. Наибольшая скорость включения выключателя ВМП-10П - 6 м/с. Скорость отключения выключателя ВМП-10П в момент размыкания контактов - 3,5 ± 0,3 м/с. Наибольшая скорость отключения выключателя ВМП-10П - 5 м/с.

По виброграмме можно определить время движения подвижных контактов. Если виброграмма имеет n пролетов, то полное время движения подвижных контактов равно

 

СОДЕРЖАНИЕ

Введение. 1

I. Общие положения. 2

Ii. Организация ремонта выключателя. 2

Iii. Техническая характеристика выключателя. 3

Iv. Технология капитального ремонта выключателя. 4

Приложение 1. Технологическая схема капитального ремонта выключателя (на месте установки выключателя) 52

Приложение 2. Технологическая схема капитального ремонта выключателя (индустриально-заводской метод ремонта) 52

Приложение 3. Перечень запасных частей к выключателям, поставляемых ровенским заводом высоковольтной аппаратуры.. 53

Приложение 4. Перечень инструментов, необходимых для капитального ремонта выключателя вмп-10п.. 53

Приложение 5. Перечень материалов, необходимых для капитального ремонта выключателя вмп-10п.. 54

Приложение 6. Перечень приспособлений и приборов, необходимых для ремонта выключателя вмп-10п.. 55

Приложение 7. Технический акт ремонта масляного выключателя вмп-10п.. 55

Приложение 8. Схемы управления приводом выключателя вмп-10п.. 57

Приложение 9. Измерение скорости и времени включения (отключения) выключателя. 58

 

 



© 2013 Ёшкин Кот :-)