Информационная система
«Ёшкин Кот»

XXXecatmenu

МИНИСТЕРСТВО ЭНЕРГЕТИКИ И ЭЛЕКТРИФИКАЦИИ СССР

 

ОСНОВНЫЕ ПОЛОЖЕНИЯ
ПО СИСТЕМЕ АВТОМАТИЗИРОВАННОЙ
ПРОИЗВОДСТВЕННОЙ
ТЕЛЕФОННОМ СВЯЗИ
МИНЭНЕРГО СССР

РД 34.48.510-87

 

 

СЛУЖБА ПЕРЕДОВОГО ОПЫТА ПО «СОЮЗТЕХЭНЕРГО»

Москва 1989

 

РАЗРАБОТАНО Производственным объединением по наладке, совершенствованию технологии и эксплуатации электростанций и сетей «Союзтехэнерго» Ордена Октябрьской революции Всесоюзным государственным проектно-изыскательским и научно-исследовательским институтом энергетических систем и электрических сетей

ИСПОЛНИТЕЛИ Г.С. КАРАСИН, В.Л. ЛЕВИЕВ, Ю.Я. ЛЮБАРСКИЙ, Н.И. ТУРЕЦКАЯ, Л.Т. ФОНАРЕВА (ПО «Союзтехэнерго»), В.А. СЕРЕБРЯНЫЙ, В.М. ДУБОВИЦКАЯ (ВГПИ «Энергосетьпроект»)

УТВЕРЖДЕНО Научно-техническим советом Минэнерго СССР (протокол от 8.12.87 г. № 113)

 

ОСНОВНЫЕ ПОЛОЖЕНИЯ ПО СИСТЕМЕ АВТОМАТИЗИРОВАННОЙ ПРОИЗВОДСТВЕННОЙ ТЕЛЕФОННОЙ СВЯЗИ МИНЭНЕРГО СССР

РД 34.48.510-87

Срок действия установлен

с 08.03.89 г.

до 08.03.99 г.

В настоящих Основных положениях (далее - Положения) приведены рекомендации по упорядочению существующих телефонных сетей, их реконструкции и развитию, которые должны учитываться при проектировании, строительстве и эксплуатации системы автоматизированной производственной телефонной сети Минэнерго СССР (АПТС Минэнерго СССР), а также отдельных устройств автоматической телефонной связи на энергообъектах. С учетом данных Положений должны составляться технические требования на разработку новых устройств связи для Минэнерго СССР.

С выходом настоящих Положений отменяются «Основные положения о производственных телефонных сетях Минэнерго СССР» (М.: СЦНТИ ОРГРЭС, 1975).

1. ОБЩАЯ ЧАСТЬ

1.1. Данные Положения определяют принципы построения и развития системы АПТС Минэнерго СССР с учетом предстоящего совершенствования системы управления отраслью и научно-технических достижений в области развития коммутационной техники и систем передачи.

1.2. В соответствии с настоящими Положениями должен быть осуществлен поэтапный переход от существующих специализированных сетей телефонной связи и технологической информации к интегральным высокоинформативным производственно-технологическим сетям, обеспечивающим на базе цифровых средств передачи и коммутации предоставления сетям следующих видов услуг:

телефонной связи;

любого вида документированной связи;

доступа к информационным системам (банкам данных);

предоставление высокоскоростных информационных каналов (64 кбит/с) для работы автоматических технологических систем АСДУ.

Для оперативно-диспетчерской связи предусматривается организация выделенной информационной сети.

1.3. На первом этапе (1989 - 1995 гг.) развития АПТС Минэнерго СССР предусматриваются количественные и качественные улучшения существующих АПТС Минэнерго СССР за счет:

обеспечения требуемого, согласно расчету или измеренному трафику, количества соединительных линий и телефонных каналов местной и дальней автоматической связи;

стандартизации кодов, используемых для внешней связи, а также нумерации абонентов АТС энергообъектов Минэнерго СССР;

замены морально и физически изношенного коммутационного оборудования связи и аппаратуры систем передачи;

организации раздельных производственно-технологических и оперативно-диспетчерской телефонных сетей вместо сетей комплексного использования.

1.4. На втором этапе(1996 - 2005 гг.) предусматривается переход на цифровую технику с организацией интегрированной информационной сети производственно-технологического назначения и выделенную автоматизированную телефонную сеть для оперативно-диспетчерской связи энергосистем и их объединений с использованием аналоговых систем передачи.

2. НАЗНАЧЕНИЕ СИСТЕМЫ

2.1. Система автоматизированной производственной телефонной связи Минэнерго СССР предназначена для обеспечения телефонной связью персонажа эксплуатационных подразделений, вырабатывающих и распределяющих электрическую и тепловую энергию, строительных, наладочных и ремонтных предприятий и организаций, а также проектных, научно-исследовательских и других организаций Минэнерго.

При установке соответствующего оконечного оборудования система автоматизированной производственной телефонной связи Минэнерго СССР должна обеспечивать также передачу данных, факсимильных сообщений и другой информации в АСУ отрасли.

2.2. Система должна обеспечивать установление соединений абонентов сетей производственно-технологического назначения автоматическим, полуавтоматическим и ручным способами.

2.3. Системой предусмотрено создание автоматизированных производственно-технологических телефонных сетей во всех звеньях управления энергетикой и единой оперативно-диспетчерской сети связи в ЕЭС СССР.

2.4. Система должна предусматривать взаимодействие с общегосударственной системой автоматизированной телефонной связи (ОГСТфС) и другими ведомствами, имеющими производственные связи с Минэнерго СССР.

2.5. Система предусматривает создание региональных технических центров эксплуатации сетей связи Минэнерго СССР и автоматизированных устройств контроля и управлением сетью.

3. ХАРАКТЕРИСТИКИ ПЕРЕДАВАЕМЫХ СООБЩЕНИЙ

3.1. Автоматизированные производственные телефонные сети Минэнерго СССР должны обеспечивать возможность передачи речевых сообщений в реальном масштабе времени в режиме диалога и некоторых видов дискретной информации для функционирования АСУ и АСДУ отрасли.

3.2. Телефонные сообщения должны передаваться по коммутируемой сети и некоммутируемым каналам с качеством, которое характеризуется разборчивостью и точностью воспроизведения исходных сигналов.

Показатели качества передачи телефонных сообщений должны отвечать нормам, принятым в сетях ОГСТфС (для производственно-технологической связи), и ведомственным нормативам (для оперативно-диспетчерской связи).

Допускается снижение требований для локальных сетей, использующих каналы по линиям электропередачи.

3.3. Сети производственно-технологической связи должны обеспечивать передачу данных или иных дискретных сообщений со скоростью до 2400 бит/с при использовании аналоговых систем связи и до 64 кбит/с при использовании цифровых систем передачи и коммутации.

3.4. Сеть оперативно-диспетчерской связи должна обеспечивать передачу данных в разговорном спектре до 1200 бит/с и передачу дискретной информации в верхней части разговорного спектра с суммарной скоростью до 300 бит/с.

3.5. Суммарная исходящая и входящая интенсивность нагрузки при телефонной связи, передаче данных факсимильных сообщений и другой информации на абонентскую линию в час наибольшей нагрузки (ЧНН) не должна превышать 0,2 Эрл и на соединительную линию (коммутируемую) - 0,8 Эрл.

3.6. Уровень мощности при передаче сообщений не должен превышать значений, установленных действующими нормативно-техническими документами.

4. СУЩЕСТВУЮЩЕЕ СОСТОЯНИЕ СИСТЕМЫ АВТОМАТИЗИРОВАННОЙ ТЕЛЕФОННОЙ СВЯЗИ МИНЭНЕРГО СССР

4.1. Основу существующей системы автоматизированной телефонной связи составляют АПТС, которые организованы во всех звеньях управления энергетикой.

В состав АПТС входят: АТС; диспетчерские телефонные станции и коммутаторы; междугородные телефонные станции и междугородные коммутаторы; передаточные столы, используемые в качестве междугородных коммутаторов; аппаратура дальней автоматической связи; системы передачи; межстанционные соединительные линии; каналы тональной частоты; абонентские линии и телефонные аппараты.

В целях резервирования для связи с предприятиями-потребителями электрической и тепловой энергии, а также с другими ведомствами многие АТС, установленные в АПТС Минэнерго СССР, имеют выход на телефонные сети Минсвязи СССР.

4.2. В Минэнерго СССР в настоящее время организованы следующие производственные телефонные сети: центральная производственная телефонная сеть (ЦПТС Минэнерго СССР); производственная телефонная сеть Центрального диспетчерского управления (ПТС ЦДУ); производственные телефонные сети объединенных диспетчерских управлений (ПТС ОДУ); производственные телефонные сети энергетических систем (ПТСЭ); производственные телефонные сети предприятий электрических сетей (ПТС ПЭС), производственная телефонная сеть ПО «Дальние электропередачи». Телефонные нагрузки, создаваемые абонентами в каждой из производственных телефонных сетей, замыкаются в основном в пределах своей сети, однако схемы сетей предусматривают транзитные соединения из одной сети в другую. Транзитные соединения телефонных каналов через АТС осуществляются по способу двухпроводного транзита с выключением транзитных удлинителей.

4.3. Нумерация абонентов открытая. Автоматизированные производственные телефонные сети Минэнерго СССР содержат значительное количество АТС, их суммарная емкость свыше 500000 номеров, а единичные емкости отличаются большим разнообразием (от 10 до 3500 номеров). Основные данные и коды АТС, используемые на АПТС Минэнерго СССР, приведены в приложении 1. Кроме того, в состав сетей входит значительное количество диспетчерских телефонных станций и коммутаторов, а также передаточных столов, используемых в качестве междугородных коммутаторов. Применение междугородных коммутаторов и телефонных станций в ПТС Минэнерго СССР ограничено. Количество каналов дальней автоматической связи, эксплуатируемых в телефонных сетях Минэнерго СССР свыше 15 тыс. Они работают по системам передачи, организованным по линиям электропередач, кабельным, радиорелейным и воздушным линиям связи, и образуют значительное количество направлений дальней автоматической связи. Среднее количество телефонных каналов в направлении 2,4 - 2,6.

Незначительное количество телефонных каналов в направлении, а также то, что в одном направлении, как правило, организуется и диспетчерская и технологическая связи, привело к тому, что значительная часть каналов имеет комплексное использование.

Последнее осуществляется с помощью аппаратуры дальней автоматической связи АДАСЭ и КДНЭ, коммутационные возможности которой обеспечивают одновременное включение телефонного канала в АТС, диспетчерский и междугородный коммутатор.

4.4. Нумерация абонентов АТС, установленных в АПТС Минэнерго СССР, регламентирована «Руководящими указаниями по единой нумерации абонентов АТС энергообъектов Минэнерго СССР (М.: СПО «Союзтехэнерго, 1980). Кроме того, стандартизованы следующие коды:

«0» - выход на АТС вышестоящего по производственно-технологическому (административно-техническому) управлению энергообъекта;

«8» - выход на АТС вышестоящего по диспетчерскому управлению энергообъекта.

5. ОСНОВНЫЕ НАПРАВЛЕНИЯ РАЗВИТИЯ СРЕДСТВ СВЯЗИ МИНЭНЕРГО СССР

5.1. Планами развития средств связи энергетики на 1995 г. предусматривается:

увеличение количества каналов первичной сети связи Минэнерго СССР с учетом двукратного увеличения потоков объемов) информации и соответствующего увеличения скорости передачи сообщений;

завершение строительства основных кабельных магистралей Минэнерго СССР в европейской части СССР;

строительство новых кабельных и радиорелейных магистралей (преимущественно на долевых началах совместно с другими ведомствами) на востоке европейской части страны, в районах Сибири, Казахстана, Средней Волги и Дальнего Востока;

развитие сетей связи внутрисистемного значения (зоновые сети) с использованием различных видов связи, включая сети УКВ радиосвязи;

организация новых цифровых систем связи по оптоволоконным линиям с использованием конструкций, тросов и проводов высоковольтных линий электропередачи;

создание и сооружение специализированных систем высокочастотной связи по проводам ВЛ;

повышение надежности и живучести первичных и вторичных сетей, за счет их структурных изменений, внедрения новых систем передачи, создания обходных резервных путей, применения нового коммутационного оборудования связи и совершенствования системы эксплуатации.

В предстоящее десятилетие предполагается реконструкция вторичных сетей связи с образованием в ряде энергосистем (на базе преимущественно аналоговых систем передач) двух основных коммутируемых систем:

автоматизированной системы телефонных сетей производственно-технологической телефонной связи и передачи данных и независимой единой автоматизированной телефонной сети оперативно диспетчерского назначения.

Кроме того, будет существовать и совершенствоваться объединенная телеинформационная система технологической автоматики для обеспечения работы устройств оперативно-информационного комплекса (ОИК), автоматического регулирования частоты и мощности (АРЧМ) и противоаварийной автоматики (ПАА).

Реконструкция АПТС предполагает упорядочение структуры, совершенствование системы нумерации, замену морально устаревшего и физически изношенного коммутационного оборудования, выделения сети оперативно-диспетчерской связи, расширение пучков каналов соединительных линий (СЛ) межстанционной связи, а также централизацию контроля работы сетей, их технического обслуживания и ремонта.

5.2. На последующем этапе развития сетей связи (1996 - 2005 гг.) по мере внедрения цифровых систем передачи и коммутации предполагается интеграция технических средств и служб, т.е. объединение сети технологической связи и передачи данных с телеинформационной сети в единую цифровую сеть, представляющую пользователям, все виды услуг в аналоговом и цифровом видах. При этом будет достигнута скорость передачи сообщений до 9600 бит/с в аналоговом окончании и до 64 кбит/с - в цифровом. Цифровой интегральной сетью предполагается охватить верхние и средние звенья управления энергетикой, начиная от Минэнерго СССР и кончая предприятиями электрических сетей.

Связь с объектами и пунктами управления нижнего звена (подстанции, РЭС) на втором этапе будет сохраняться с использованием преимущественно аналоговых систем связи при скорости передачи дискретных сообщений до 2400 бит/с.

В дальнейшем после 2000 г.) на нижнем уровне также будет осуществлен переход на цифровые системы связи.

Структура взаимосвязи коммутационных узлов интегральной сети должна в основном соответствовать иерархии управления с обязательными обходными поперечными связями.

Все цифровые межстанционные линии должны обеспечивать транзит стандартных первичных групп - цифровых потоков со скоростью 2048 кбит/с.

Выделение постоянных информационных каналов технологической автоматики и контроля должно осуществляться только в коммутационных узлах о допустимой скоростью передачи 64 или 144 кбит/с.

В целях повышения надежности АПТС Минэнерго СССР должны быть оборудованы устройствами централизованного контроля исправности оборудования и управления сетью.

6. ОБЩИЕ ПРИНЦИПЫ ПОСТРОЕНИЯ СЕТЕЙ СВЯЗИ МИНЭНЕРГО СССР

6.1. На территории энергообъединений и энергосистем в рамках ЕЭС СССР создается первичная сеть линий и каналов связи, включая магистральные межсистемные), внутрисистемные (зоновые) и местные линии связи, организуемые по кабельным, радиорелейным линиям связи, по линиям электропередачи, по радиоканалам и арендованным каналам ТЧ (тональной частоты) других ведомств.

6.2. Первичная сеть служит основой для создания вторичных сетей, отличающихся назначением, видом передаваемой информации (аналоговая, дискретная) и режимом работы.

6.3. В системе электросвязи Минэнерго СССР существуют или создаются следующие вторичные сети:

АПТС Минэнерго СССР;

региональные низкоскоростные сети передачи данных и телеграфирования;

телеинформационные сети (по уровням управления);

региональные сети противоаварийной автоматики и релейной защиты.

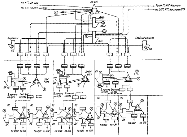
6.4. В качестве АПТС Минэнерго СССР в настоящее время организуются автоматизированные производственные телефонные сети с комплексным использованием телефонных каналов для производственно-технологической и оперативно-диспетчерской связи. Структурная схема комплексных производственных телефонных сетей Минэнерго СССР (КПТС Минэнерго СССР) представлена на рис. 1. По мере внедрения кабельных магистралей Минэнерго СССР, а также новых радиорелейных и других многоканальных систем передачи предусматривается разделение КПТС Минэнерго СССР на производственно-технологические телефонные сети (ПТТС Минэнерго СССР) и единую сеть оперативно-диспетчерской телефонной связи (ОДТС ЕЭС СССР). Это разделение не должно затронуть КПТС энергосистем на участках ПЭС-РЭС, ПЭС-ПС и РЭС-ПС. На этих участках использование телефонных каналов для оперативно-диспетчерской и производственно-технологической связи предполагается сохранить комплексным. Структурные схемы ОДТС ЕЭС СССР и ПТТС Минэнерго СССР на I и II периоды представлены на рис. 2 и 3.

Рис. 1. Структурная схема комплексных производственных телефонных сетей Минэнерго СССР:

__.__.__ - граница ЦПТС Минэнерго СССР; -"-"- - граница ПТС ЦДУ ЕЭС СССР; -×-×- - граница ПТС ЦДУ; ---- - граница ПТС энергосистемы;  - аппаратура дальней автоматической связи

6.5. Производственные телефонные сети Минэнерго СССР представляют собой совокупность коммутационного оборудования, межстанционных линий и каналов, абонентских установок и специального оборудования сопряжения каналов и АТС, обеспечивающих взаимное соединение абонентов с заданным качеством.

6.6. Автоматизированные производственные телефонные сети Минэнерго СССР имеют иерархическую структуру, соответствующую принятой в отрасли структуре управления энергетикой.

В телефонных сетях, входящих в АПТС Минэнерго СССР, предусматривается преимущественно радиально-узловое построение с одной или двумя ступенями коммутации.

6.7. Основная часть соединений в АПТС Минэнерго СССР осуществляется автоматическим способом. Ручная и полуавтоматическая коммутация сохраняются в комплексных сетях и сетях ПТТС из-за дефицита каналов, а также для преимущественных и сервисных соединений по междугородным каналам.

6.8. В качестве коммутационных устройств связи в АПТС Минэнерго СССР могут использоваться АТС различных систем, ручные междугородные телефонные станции (МТС), междугородные коммутаторы (МК), передаточные столы (ПС), диспетчерские телефонные станции (ЭДТС) и диспетчерские коммутаторы (ДК).

6.9. В качестве каналов для межстанционной связи в АПТС Минэнерго СССР должны использоваться, как правило, каналы со стандартными параметрами по кабельным и радиорелейным линиям связи.

Каналы по линиям электропередачи могут использоваться в качестве линий удаленных абонентов или же для межстанционных связей при условии ограничений по ним выхода на межсистемные связи.

6.10. Включение каналов ТЧ в АТС комплексных сетей и в АТС сети оперативно-диспетчерской связи должно осуществляться через линейные комплекты, входящие в состав АТС, либо через специальную аппаратуру сопряжения (АДАСЭ), обеспечивающую при необходимости возможность комплексного использования каналов для оперативно-диспетчерской и производственно-технологической связи. При этом линейная сигнализация и система отбоя должна соответствовать разд. 11настоящих Положений.

Рис. 2. Структурная схема ОДТС ЕЭС СССР и ПТТС Минэнерго СССР на I период (1989 - 1995 гг.)

Рис. 3. Структурная схема ОДТС ЕЭС СССР и ПТТС Минэнерго СССР на II период (1996 - 2005 гг.)

6.11. Включение каналов ТЧ в АТС производственно-технологических телефонных сетей связи в перспективе должно осуществляться через стандартные линейные комплекты АТС, рассчитанные на работу по каналам с внутриполосной или внеполосной сигнализацией междугородным кодом.

При этом для внутриполосной сигнализации рекомендуется одночастотный код (2600 Гц) по ГОСТ 23595-79, а для внеполосной - сигнальный код «Норка».

6.12. Выход абонентов АПТС Минэнерго СССР (кроме сети ОДТС) на ОГСТфС общего пользования должен осуществляться через местные (городские или сельские) АТС Минсвязи СССР с соблюдением следующих положений:

а) включение АТС АПТС Минэнерго СССР в телефонные сети Минсвязи СССР должно выполняться в соответствии с действующими руководящими документами по ОГСТфС;

«Правилами пользования ведомственной телефонной связью» - М. Радио и связь, 1984;

б) АТС АПТС Минэнерго СССР должны включаться в узловые и центральные сельские АТС на правах оконечных станций;

в) количество абонентов АТС ПТС Минэнерго СССР, имеющих выход на ОГСТфС, согласовывается с Министерством связи СССР, при этом для указанных абонентов АТС устанавливается аппаратура АОН;

г) связь между абонентами городских и сельских АТС Министерства связи СССР через производственные телефонные сети Минэнерго СССР, а также выход абонентов АТС производственных телефонных сетей на городские и сельские АТС Министерства связи СССР через телефонные каналы Минэнерго СССР не допускаются.

6.13. Связь абонентов по каналам дальней автоматической связи (ДАС) Минэнерго СССР должна производиться от ограниченного круга абонентов (на исходящей АТС) ко всем абонентам (на входящей АТС).

6.14. Автоматические транзитные соединения телефонных каналов в реконструируемых сетях (ПТТС и ОДТС) должны осуществляться по способу четырехпроводного транзита. При этом количество транзитных соединений не лимитируется.

В КПТС Минэнерго СССР допускается организация двухпроводных транзитных соединений с выключением транзитных удлинителей (при числе транзитов не более двух).

6.15. Нумерация в телефонных сетях КПТС и ПТТС - открытая, а в телефонных сетях ОДТС - закрытая.

6.16. Коды АТС, установленных на АПТС Минэнерго СССР, а также нумерация абонентов этих АТС должны соответствовать кодам и нумерации, приведенным в табл. 5,6 приложения I и приложении 2 настоящих Положений.

6.17. Во всех КПТС Минэнерго СССР, за исключением ЦПТС, предусматривается возможность комплексного использования телефонных каналов (для оперативно-диспетчерской и производственно-технологической связи. В этом случае оперативно-диспетчерскому персоналу предоставляется преимущественное право пользования общими телефонными каналами в пределах своей сети или ее части.

6.18. В ОДТС должна предусматриваться возможность коммутируемых приоритетных соединений с учетом транзитных связей оперативно-диспетчерского персонала и передачи данных путем реализации программируемых возможностей новых перспективных АТС.

6.19. Возможность комплексного использования телефонных каналов для оперативно-диспетчерской и производственно-технологической связи некоммутируемых телефонных каналов в ПТТС предусматривается только на нижних ступенях управления (ПэС-РЭС, ПЭС-ПС, РЗС-ПС).

6.20. При реконструкции сетей АПТС Минэнерго СССР следует стремиться к установке в регионах в качестве узловых АТС однотипного коммутационного оборудования.

При этом замена электромеханических АТС квазиэлектронными аналоговыми может выполняться только на первом этапе развития до 1995 г. независимо от наличия цифровых систем передачи на межстанционных связях.

6.21. В качестве центральных АТС Минэнерго СССР и территориальных энергетических объединений следует предусматривать цифровые АТС (при условии организации цифровых соединительных линий на узлах связи городских телефонных сетей), обеспечивающие коммутацию телефонных разговоров и пакетную коммутацию передачи данных.

6.22. Управление магистральной телефонной сетью Минэнерго СССР должно осуществляться на Московском узле связи Минэнерго СССР, управление зоновыми сетями - на центральных узлах связи энергосистем.

7. ПРИНЦИПЫ ПОСТРОЕНИЯ И СТРУКТУРА КОМПЛЕКСНЫХ ПРОИЗВОДСТВЕННЫХ ТЕЛЕФОННЫХ СЕТЕЙ МИНЭНЕРГО СССР

7.1. В ЦПТС Минэнерго СССР входят:

центральные автоматические телефонные станции (ЦАТС) и центральные междугородные телефонные станции (ЦМТС) Минэнерго СССР; ПО энергетики и электрификации союзных республик; ЦАТС ЦДУ ЕЭС СССР и территориальных ОДУ; ЦАТС и ЦМТС ПЭО, АТС, установленные в организациях и на предприятиях союзного значения и подлежащие включению в ЦАТС и ЦМТС Минэнерго СССР;

телефонные каналы и соединительные линии;

абонентские линии и оконечные абонентские устройства.

7.1.1. Центральная производственная телефонная сеть Минэнерго СССР предназначена для телефонной связи центрального аппарата Минэнерго СССР с республиканскими министерствами и производственными энергетическими объединениями, с ЦДУ ЕЭС СССР и зональными ОДУ, ПЭО, специальными строительными объединениями, промышленными предприятиями, проектными организациями и другими подразделениями, непосредственно подчиненными Минэнерго СССР.

С помощью ЦПТС Минэнерго СССР осуществляется также взаимная связь указанных выше организаций Минэнерго СССР.

7.1.2. Центральная производственная телефонная сеть Минэнерго СССР построена по радиально-узловому принципу с центром сети в здании Минэнерго СССР, с узлами связи в республиканских министерствах, главных производственных управлениях союзных республик, ОДУ, ПЭО и оконечными пунктами в энергетических организациях, на предприятиях и стройках. Между отдельными пунктами сети при технико-экономической целесообразности предусматриваются поперечные связи. Структурная схема ЦПТС Минэнерго СССР представлена на рис. 4, коды АТС, установленных в ЦПТС Минэнерго СССР, приведены в приложении 1.

Рис. 4. Структурная схема ЦПТС Минэнерго СССР:

1 - ЦАТС Минэнерго СССР; 2 - ЦАТС ИДУ; 3 - ЦАТС ОДУ; 4 - ЦАТС энергосистем; 5 - ЦАТС ТЭО; 6 - ЦАТС ПО энергетики и электрификации союзных республик; 7 - АТС АЭС; 8 - ЦАТС ДЭП; 9 - ЦАТС ОДУ Юга; 10 - ЦАТС ПЭО УССР; 11 - ЦАТС Минэнерго УССР и ПЭО Киевэнерго; 12 - АТС энергопредприятии Москвы; 13 - ЦАТС Брестэнерго; 14 - ЦАТС Витебскэнерго; 15 - ЦАТС Гомельэнерго; 16 - ЦАТС Гродноэнерго; 17 - ЦАТС Минскэнерго; 18 - ЦАТС Могилевэнерго; 19 - ЦАТС Белэнерго; 20 - АТС ДП Центра; 21 - УАК для связи ЦАТС Минэнерго СССР с ЦАТС Белэнерго

7.1.3. Количество каналов в пучке для каждого направления ЦПТС Минэнерго СССР должно определяться в соответствии с реальной телефонной нагрузкой (трафиком) при потерях 10 % в ЧНН, минимальное количество телефонных каналов в одном направлении - два.

7.1.4. В ЦПТС Минэнерго СССР должен предусматриваться выход абонентов АТС общесоюзных энергетических организаций, расположенных в Москве, на каналы дальней связи ЦПТС Минэнерго СССР через центральные АТС и МТС Минэнерго СССР. При этом должна быть обеспечена приоритетность входящих междугородных соединений, организуемых через ЦМТС Минэнерго СССР, по сравнению с внутриобъектными и местными. Для этой цели входящая связь от ЦАТС Минэнерго СССР к каждой АТС общесоюзной энергетической организации, расположенной в Москве, должна предусматриваться по двум пучкам соединительных линий от приборов абонентского и междугородного шнура ЦАТС Минэнерго СССР.

7.1.5. Коммутация телефонных каналов в ЦПТС Минэнерго СССР должна осуществляться в соответствии с рис. 5.

7.1.6. 3 ЦПТС Минэнерго СССР предусматриваются автоматический, полуавтоматический и ручной способы установления междугородных соединений абонентов. При этом последний способ сохраняется временно, до внедрения в сети полуавтоматической связи, обеспечивающей междугородным телефонисткам ЦМТС Минэнерго СССР возможности подключения к вызываемому абоненту, занятому местным соединением.

7.1.7. Междугородные телефонные станции в ЦМТС Минэнерго СССР необходимы для осуществления приоритетных соединений административно-технического персонала, а также для организации дальней связи по немедленной и заказной системам в направлениях, где из-за малого количества каналов дальняя автоматическая связь отсутствует или затруднена.

7.1.8. При выходе абонентов цАТС Минэнерго СССР на НАТО энергосистем и других подразделений, а также при связи в обратном направлении должна предусматриваться возможность автоматических транзитных соединений.

Рис. 5. Схема коммутации телефонных каналов ЦПТС Минэнерго СССР

7.2. В производственную телефонную сеть Центрального диспетчерского управления ЕЭС СССР (ПТС ИДУ) входят:

ЦАТС ИДУ, ЦАТС ДП Центра, ЦАТС ОДУ, ЦАТС РЭУ Центра, ЦАТС ПО ДЭП, АТС энергообъектов, управляемых с ДП ЦДУ ЕЭС СССР и ДП Центра;

диспетчерские телефонные станции ДП ЦДУ, Центра, ОДУ, ЦДП, РЭУ Центра, ДП ПО ДЭП, энергообъектов, управляемых с ДП ЦДУ ЕЭС СССР и ДП Центра;

аппаратура дальней автоматической связи;

телефонные каналы и соединительные линии;

абонентские линии и оконечные абонентские устройства.

7.2.1. Производственная телефонная сеть предназначена для верхней ступени диспетчерского управления энергетикой. С ее помощью дежурные диспетчера ДП ЦДУ и Центра осуществляют оперативную и технологическую связь с оперативными дежурными и персоналом технологических служб ОДУ, энергосистем Центра и энергообъектов, находящихся в оперативном управлении ДП ЦДУ и ДП Центра. Кроме того, с помощью ПТС ЦДУ осуществляется технологическая взаимная связь технологических служб ЦДУ, ОДУ, РЭУ энергосистем и энергообъектов, входящих в ПТС ЦДУ.

7.2.2. Сеть ЦДУ ЕЭС СССР строится по радиально-узловой схеме: Центр ДП ЦДУ, узловой пункт - ДП Центра, оконечные пункты ОДУ, энергосистемы Центра, энергообъекты, управляемые ДП ЦДУ и ДП Центра.

Между смежными объединениями и энергосистемами Центра должны предусматриваться поперечные связи. Структурная схема ПТС ЦДУ представлена на рис. 6.

7.2.3. В каждом направлении сети должно быть не менее двух телефонных каналов, комплексно используемых для диспетчерской и технологической связи. Схема коммутации телефонных каналов ПТС ЦДУ приведена на рис. 7.

7.2.4. Связь с ЦАТС сети должна предоставляться ограниченному кругу абонентов периферийных АТС, для которого помимо внутриобъектной и местной связи, обеспечивается возможность автоматической междугородной связи при:

оконечных соединениях абонентов АТС с абонентами ЦАТС;

транзитных соединениях абонентов разных АТС сети;

транзитных соединениях абонентов АТС (через ЦАТС) с абонентами ЦАТС Минэнерго СССР и абонентами АТС энергообъектов, включенных в последнюю.

Рис. 6. Структурная схема ПТС ЦДУ

7.2.5. Для широкого круга абонентов ЦАТС, помимо внутриобъектной и местной связи, предоставляется возможность:

оконечных соединений абонентов ЦАТС со всеми абонентами АТС сети;

транзитных соединений через АТС ПТС ЦДУ с абонентами АТС энергосистем и энергообъектов.

7.2.6. Для оперативного дежурного диспетчерских пунктов ЦДУ ЕЭС СССР, ОДУ и оперативных дежурных энергообъектов, помимо связи по пп. 7.2.4 и 7.2.5, предусматриваются:

прямая диспетчерская связь с встречным оперативным дежурным без набора номера с возможностью автоматического освобождения занятого абонентами АТС канала в случае его комплексного использования для диспетчерской и технологической связи:

дальняя автоматическая связь с персоналом технологических служб набором абонента встречной АТС, минуя свою АТС, с возможностью преимущественного использования прямого телефонного канала.

Рис. 7. Схема коммутации телефонных каналов ПТС ИДУ

7.2.7. Для начальника и главного инженера ЦДУ ЕЭС СССР, помимо возможностей, предоставляемых абонентам ЦАТС ПТС ЦДУ, предусмотрена дальняя автоматическая связь набором абонентских номеров встречных АТС, минуя свою АТС, с возможностью преимущественного использования телефонного канала, занятого абонентами АТС.

7.2.8. Между ЦДУ ЕЭС СССР, с одной стороны, ОДУ и энергообъектами с другой, предусмотрены пучки прямых телефонных каналов, рекомендуемая коммутация которых приведена ниже.

7.2.9. Если в пучке более трех каналов, то первый канал включается только в ДК, второй - в АТС и ДК, третий - в АТС и коммутатор директорской связи (КД) начальника ИДУ, четвертый - в АТС и КД главного инженера, а остальные каналы включаются только в АТС.

Если в пучке три канала, то первый канал включается в АТС и ДК, второй - в АТС, ДК и КД главного инженера ЦДУ ЕэС СССР, третий - в АТС и КД начальника ЦДУ ЕЭС СССР.

Если в пучке два канала, то первый канал включается в АТС, ДК и КД начальника ЦДУ ЕЭС СССР, а второй канал - в АТС, ДК и КД главного инженера ЦДУ ЕЭС СССР.

7.2.10. Количество телефонных каналов в пучке определяется на основании технико-экономических соображений с учетом реальной телефонной нагрузки.

7.3. В ПТС ОДУ входят:

ЦАТС ОДУ и энергосистем, АТС энергообъектов, находящихся в оперативном управлении ДП ОДУ;

диспетчерские телефонные станции ДП ОДУ, энергосистем и энергообъектов;

аппаратура дальней автоматической связи;

телефонные каналы и соединительные линии;

абонентские линии и оконечные абонентские устройства.

7.3.1. Производственная телефонная сеть ОДУ предназначена для диспетчерского управления региональными объединениями энергетических систем. С ее помощью дежурные диспетчеры ДП ОДУ осуществляют оперативную и технологическую связь с оперативными дежурными и персоналом технологических служб энергосистем и энергообъектов, находящихся в оперативном управлении ДП ОДУ. Кроме того, с помощью ПТС ОДУ осуществляется технологическая связь технологических служб ОДУ энергосистем и энергообъектов, входящих в ПТС ЦДУ.

7.3.2. Сеть ОДУ строится по радиальной схеме: центр - ДП ОДУ, оконечные пункты - центральные диспетчерские пункты (ЦДП) энергосистем и энергообъекты, управляемые ДП ОДУ. Между смежными энергосистемами предусматриваются поперечные связи. Структурная схема ПТС ОДУ представлена на рис. 8.

7.3.3. В каждом направлении сети должно быть не менее двух телефонных каналов.

7.3.4. Абонентам АТС сети должна предоставляться внутриобъектная, местная и дальняя автоматическая связь по сетям Минсвязи СССР и Минэнерго СССР).

При этом последняя должна включать оконечные соединения в пределах своей сети и транзитные - в другие ПТС Минэнерго СССР, которые предусматриваются для широкого круга абонентов ЦАТС и узкого круга абонентов периферийных АТС сети.

7.3.5. Для оперативных дежурных диспетчерских пунктов ОДУ, энергосистем и оперативных дежурных энергообъектов, помимо автоматической связи в соответствии с п. 7.3.4, должна предусматриваться:

прямая оперативная связь с встречным оперативным дежурным без набора номера с возможностью автоматического освобождения занятого абонентами АТС канала в случае его комплексного использования для диспетчерской и технологической связи;

дальняя автоматическая связь с персоналом технологических служб энергообъектов сети набором трех - четырехзначного номера абонента АТС, минуя свою, с возможностью преимущественного использования прямого телефонного канала.

7.3.6. Для начальника и главного диспетчера ОДУ, помимо автоматической связи согласно п. 7.3.4, предусмотрена дальняя автоматическая связь набором абонентских номеров встречных АТС, минуя свою АТС, с возможностью преимущественного использования телефонного канала, занятого абонентами АТС.

7.3.7. Между узлами связи ОДУ, с одной стороны, энергосистем и энергообъектов, с другой - предусмотрены пучки прямых телефонных каналов (рис. 9), коммутация которых рекомендуется следующим образом: если в пучке более трех каналов, то первый канал включается только в ДК, второй - в АТС и ДК, третий - в АТС и КД начальника ОДУ, четвертый - в АТС и КД главного диспетчера ОДУ, а остальные - только в АТС. Если в пучке три канала, то первый канал включается в АТС и ДК, второй - в АТС ДК и КД главного диспетчера ОДУ, третий - в АТС и КД начальника ОДУ. Если в пучке два канала, то первый канал включается в АТС, ДК и КД начальника ОДУ, второй - в АТС, ДК и КД главного диспетчера ОДУ.

Рис. 8. Структурная схема ПТС ОДУ

Рис. 9. Схема коммутации телефонных каналов ПТС ОДУ

7.4. В ПТСЭ входят:

ЦАТС энергосистемы, АТС электростанций, ПЭС, РЭС, электроподстанций и других предприятий, организаций и энергообъектов Минэнерго СССР, расположенных на территории энергосистемы;

ЦМТС энергосистемы, МК, передаточные столы и другие коммутаторы, установленные в качестве междугородных коммутаторов на указанных выше объектах энергосистемы;

диспетчерские телефонные станции и диспетчерские коммутаторы, установленные на указанных выше объектах энергосистемы;

аппаратура дальней автоматической связи;

телефонные каналы и соединительные линии;

абонентские линии и оконечные абонентские устройства.

7.4.1. Производственные телефонные сети энергосистем предназначены для обеспечения оперативно-диспетчерского и технологического управления энергетическими системами. С их помощью дежурные диспетчера ЦДП энергосистемы, диспетчерских пунктов предприятий и районов электрических сетей, а также персонал технологических служб районных энергетических управлений, производственных энергетических объединений и ПЭС осуществляют диспетчерское и технологическое управление электростанциями, предприятиями и районами электрических сетей (ПЭС и РЭС) и другими энергетическими объектами энергосистемы.

7.4.2. Производственная телефонная сеть энергетических систем построена по радиально-узловой схеме с центром в ПЭО, узлами в ПЭС и некоторых других энергообъектах и оконечными пунктами в РЭС, на электроподстанциях и других энергообъектах. Между отдельными узлами сети при технико-экономической целесообразности организуются поперечные связи. Структурная схема ПТСЭ представлена на рис. 10.

7.4.3. Абонентам АТС сети должна предоставляться внутри-объектная, местная и дальняя автоматическая связь (по сетям Минсвязи СССР и Минэнерго СССР).

Рис. 10. Структурная схема ПТСЭ

При этом последняя должна включать оконечные соединения в пределах своей сети и транзитные - в другие ПТС Минэнерго СССР, которые предусматриваются для широкого круга абонентов ЦАТС и узкого круга периферийных АТС.

7.4.4. Для оперативных дежурных диспетчерских пунктов энергосистем, предприятий и районов электрических сетей, а также оперативных дежурных энергообъектов, помимо автоматической связи в соответствии с п. 7.4.3, должна предусматриваться:

дальняя автоматическая связь с персоналом технологических служб энергообъектов сети набором трех - четырехзначного номера абонента АТС, минуя свою, с возможностью преимущественного использования прямого телефонного канала;

прямая связь с встречным оперативным дежурным без набора с возможностью автоматического освобождения занятого абонентами АТС канала.

7.4.5. Для производственного персонала ПЭО помимо дальней автоматической связи производственно-технологического назначения должна быть предусмотрена с помощью ЦМТС энергосистемы полуавтоматическая и ручная дальние связи для обеспечения:

соединений по заказной и немедленным системам в направлениях, где количество каналов недостаточно для организации автоматической связи;

приоритетных соединений руководящего административно-технического персонала.

7.4.6. Для целей, аналогичных указанным в п. 7.4.5, могут быть сохранены междугородные коммутаторы в ПЭС и на электростанциях.

7.4.7. Для генерального директора ПЭО (управляющего энергосистемы) и главного инженера энергосистемы, помимо технологической связи, предоставляемой службам ПЭО, предусмотрена преимущественная дальняя автоматическая связь с АТС энергопредприятий, непосредственно подчиненных ПЭО, набором абонентских номеров встречных АТС, минуя свою АТС, с возможностью преимущественного использования телефонного канала, занятого абонентами АТС. Кроме того, при наличии в направлении одного объекта свыше трех каналов руководителям энергосистемы может быть дополнительно представлена возможность прямой связи по междугородным ведомственным каналам с руководителями предприятий энергосистемы при одновременном использовании этих каналов для дальней автоматической связи.

7.4.8. Коммутация телефонных каналов ПТСЭ должна осуществляться в соответствии со схемой, представленной на рис. 11.

7.4.9. Минимальное количество каналов между ПЭС и РЭС - два, между ПЭС и его остальными структурными подразделениями - один телефонный канал. При этом допускается параллельное включение в один канал нескольких энергообъектов при условии избирательного вызова этих объектов.

7.4.10. Для связи диспетчерских пунктов (ремонтно-эксплуатационных пунктов) с оперативно-выездными бригадами и ремонтными бригадами, как правило, организуются радиосети с выходом на ПТС ПЭС.

7.4.11. Связь высоковольтных подстанций с ПЭС или РЭС осуществляется либо путем включения каналов ДАС в АТС подстанций и в АТС ПЭС или РЭС, либо путем включения телефонных аппаратов, установленных на подстанциях, в АТС РЭС или ПЭС с использованием каналов ДАС между ПЭС (РЭС) и подстанцией.

7.4.12. Коммутация телефонных каналов ПЭС следующая: при двух каналах в пучке первый канал включается в АТС, ДК ДП ПЭС (РЭС) и КД директора ПЭС, второй - в АТС, ДК ДП ПЭС (МК ПЭС) и КД главного инженера ПЭС.

При одном канале между ПЭС и РЭС он включается в АТС, ДК ДП ПЭС и коммутатор вышестоящего руководителя.

Телефонный канал между ПЭС (РЭС) и подстанцией включается либо в АТС, ДК ДП ПЭС и коммутатор вышестоящего руководителя (при наличии на подстанции ДК и АТС), либо в один или два телефонных аппарата, обеспечивающих выход оперативного дежурного подстанции: на ДК ДП РЭС (ПЭС) без набора номера и на АТС ПЭС (РЭС) (дополнительным нажатием на кнопку). При этом второй телефонный аппарат, устанавливаемый у неоперативного лица, должен иметь выход только на встречную АТС.

7.5. В ПТС ПО «Дальняя электропередача» (ПО ДЭП) входят:

ЦАТС, ПО ДЭП, АТС предприятий ПО ДЭП, электропреобразовательных комплексов, электроподстанций 500, 750, 1150 кВ переменного тока и 1500 кВ постоянного тока;

междугородные телефонные станции, междугородные коммутаторы, передаточные столы, диспетчерские телефонные станции и диспетчерские коммутаторы, устанавливаемые на указанных выше предприятиях и объектах ПО ДЭП;

системы передачи между указанными выше объектами ПО ДЭП;

телефонные каналы и соединительные линии;

аппаратура дальней автоматической связи;

абонентские линии и оконечные абонентские устройства.

Рис. 11. Схема коммутации телефонных каналов ПТСЭ

Примечание. Если в ПЭС и на электростанции кроме ДК будет установлен МК, то 2-й диспетчерский канал будет включен в МК.

7.5.1. Производственная телефонная сеть ПО ДЭП является основным техническим средством оперативного и технологического управления эксплуатацией линий электропередачи сверхвысокого напряжения (500, 750, 1150 кВ переменного тока и 1500 кВ постоянного тока), электроподстанций, электропреобразовательных комплексов (ЭПК), ремонтных и других предприятий, входящих в ПО ДЭП.

7.5.2. Производственная телефонная сеть ПО ДЭП построена по радиально-узловому принципу с центром сети в управлении ПО ДЭП, узловыми пунктами в электропреобразовательных комплексах, на предприятиях межсистемных линий электропередач (ПМ ЭП), в районах электрических сетей (РЭС) и оконечными пунктами на электроподстанциях ремонтных и других предприятиях. Структурная схема ПТС ДЭП представлена на рис. 12.

Между отдельными направлениями сети предусматриваются поперечные связи.

7.5.3. Количество каналов в пучке для каждого направления ПТС ДЭП должно определяться в соответствии с реальной телефонной нагрузкой при потерях в ЧНН 10 %, минимальное количество телефонных каналов в одном направлении - 2.

7.5.4. В целях резервирования ограниченному кругу абонентов ПТС ДЭП должен быть предоставлен выход на ЦПТС Минэнерго СССР, ПТС ЦДУ, ОДУ и энергосистем.

Рис. 12. Структурная схема ПТС ДЭП

7.5.5. Схема коммутации телефонных каналов ПТС ДЭП представлена на рис. 13. Согласно схеме, коммутация соединительных линий и телефонных каналов на центральном узле связи ПО ДЭП производится следующим образом:

а) местная связь ЦАТС ДЭП предусмотрена с ЦАТС Минэнерго СССР, ЦАТС Мосэнерго, ЦАТС ЦДУ, ЦАТС ОДУ Центра и городской автоматической телефонной станцией (ГАТС);

б) для местной связи центральной МТС ДЭП предусматриваются:

исходящие соединительные линии на ЦАТС ДЭП, ЦАТО Мосэнерго, ЦАТС ОДУ Центра, ГАТС;

двусторонние соединительные линии с ЦМТС Мосэнерго и ЦМТС Минэнерго СССР;

заказные линии - линии немедленной связи;

прямые абоненты;

в) каналы дальней связи, заходящие на центральный узел связи ПО ДЭП, должны коммутироваться следующим образом:

в ЦАТС включаются все каналы;

в ЦМТС и ЭДТС одновременно по одному каналу в каждом направлении;

в КД генерального директора и главного инженера - также по одному каналу.

Рис. 13. Схема коммутации телефонных каналов ПТС ДЭП

7.5.6. На электроподстанциях коммутация соединительных линий и каналов дальней связи осуществляется следующим образом:

местная связь - включением АТС и ЭДТС ПС в ГАТС;

дальняя автоматическая связь - включением АТС ПС через АДАСЭ в АТС головного или других предприятий ПО ДЭП, ЦАТС ЦДУ (ОДУ) и ЦАТС энергосистемы;

диспетчерская телефонная станция (ЭДТС) на ПС с помощью телефонных каналов, оборудованных аппаратурой АДАСЭ, включается в ЭДТС и АТС ЦДУ (ОДУ), энергосистемы, ЭПК РЭС.

8. ПРИНЦИПЫ ПОСТРОЕНИЯ ПРОИЗВОДСТВЕННО-ТЕХНОЛОГИЧЕСКИХ ТЕЛЕФОННЫХ СЕТЕЙ МИНЭНЕРГО СССР

8.1. В состав ПТТС Минэнерго СССР входят:

магистральная производственно-технологическая телефонная сеть Минэнерго СССР (МПТТС Минэнерго СССР) - (рис. 14);

производственно-технологические телефонные сети энергосистем (ПТТСЭ) - рис. 15.

8.2. Производственно-технологические телефонные сети энергосистем соответствуют ПТСЭ за исключением тех, которые не являются комплексными сетями и предназначены только для производственно-технологического управления.

8.3. Магистральная производственно-технологическая телефонная сеть Минэнерго СССР предназначается для телефонной связи центрального аппарата Минэнерго СССР, аппарата производственных объединений энергетики и электрификации союзных республик, территориальных энергетических объединений, специальных строительных объединений, научно-исследовательских и проектных организаций с аппаратом производственных энергетических объединений и организаций Минэнерго СССР. Предусматривается также использование МПТТС для передачи данных.

8.3.1. В состав МПТТС входят:

ЦАТС Минэнерго СССР;

ЦАТС ЦДУ ЕЭС СССР;

ЦАТС ДЭП;

ЦАТС территориально-производственных объединений (ТПО);

ЦАТС производственных объединений энергетики и электрификации союзных республик;

ЦАТС ПЭО;

узлы автоматической коммутации (УАК) магистральных каналов;

межстанционные линии и каналы ТЧ, а также абонентские линии и устройства.

Рис. 14. Структурная схема магистральной производственно-технологической телефонной сети Минэнерго

Рис. 15. Структурная схема производственно-технологической телефонией сети энергосистемы

8.3.2. Все АТС сети должны быть комбинированными и обеспечивать внутриобъектную, местную и дальнюю связь абонентов.

При этом сети должны обеспечивать четырехпроводный транзит каналов и обладать способностью транслировать, гасить и восстанавливать импульсы набора номера для обеспечения оптимальной нумерации в сетях МПТТС и ПТТСЭ.

8.3.3. Структура сети - радиально-узловая, одноступенчатая. На уровне узловых станций или магистральных УАК могут иметься поперечные связи между смежными ОДУ, энергосистемами или узловыми точками магистральных линий связи.

8.3.4. Примыкание зоновых сетей энергосистем к сети МПТТС осуществляется на уровне центральных АТС энергосистем или магистральных узлов автоматической коммутации.

8.3.5. Все АТС сети должны иметь выход на сети ОГСТФС для местной связи их абонентов с другими ведомствами и обеспечения резервирования междугородных связей.

8.3.6. На сеть МПТТС Минэнерго СССР через центральные станции зоновых сетей должен предусматриваться выход строительных и других энергетических организаций (по утвержденному перечню) путем предоставления абонентской емкости или организации СЛ с соответствующими ведомственными АТС.

8.3.7. Радиальные межстанционные связи ЦАТС Минэнерго СССР с периферийными станциями сети должны осуществляться с количеством каналов в пучке, обеспечивающим в ЧНН потери, не превышающие 10 %.

Расчет числа каналов должен производиться по числу абонентов, допущенных к междугородным переговорам, с учетом строительных и других энергетических организаций, пользующихся ведомственной связью.

8.3.8. В сети должна быть предусмотрена возможность как полноавтоматической междугородной связи абонентов, так и полуавтоматической связи с приоритетным соединением по междугородному каналу.

9. ПРИНЦИПЫ ОРГАНИЗАЦИИ АВТОМАТИЗИРОВАННОЙ ОПЕРАТИВНО-ДИСПЕТЧЕРСКОЙ ТЕЛЕФОННОЙ СЕТИ МИНЭНЕРГО СССР

9.1. Оперативно-диспетчерская телефонная сеть (ОДТС) Минэнерго СССР (рис. 16) предназначается для организации оперативного управления режимом работы ЕЭС СССР, а также для эксплуатационного обеспечения средствами связи технических средств АСДУ-систем автоматического регулирования, противоаварийной автоматики, защиты, телемеханики и связи.

Кроме того, ОДТС Минэнерго СССР должна предоставлять возможность дальней (междугородной) автоматической связи ограниченному кругу лиц руководящего персонала, входящего в аппарат диспетчерских управлений, союзного и республиканских министерств энергетики и электрификации, производственных объединений энергетики и электрификации союзных республик, территориальных энергетических объединений, производственных объединений энергосистемы, предприятий и крупных энергетических объектов.


Рис. 16. Структурная схема оперативно-диспетчерской телефонной сети:

а - структурная схема связи ЦДУ ЕЭС СССР и ОДУ; б - структурная схема связи энергосистемы


9.2. Оперативно-диспетчерская телефонная сеть Минэнерго СССР единая автоматизированная сеть, охватывающая все уровни диспетчерского управления от ЦДУ ЕЭС СССР до диспетчерских пунктов предприятий электрических сетей.

9.3. Оперативно-диспетчерская телефонная сеть Минэнерго СССР представляет собой совокупность специальных диспетчерских автоматических телефонных станций (ДАТС), пультов диспетчера (отдельных или в составе ДАТС), абонентских устройств, межстанционных соединительных линий и каналов тональной частоты, оборудования сопряжения коммутационных устройств с каналами дальней связи и автономных источников бесперебойного электропитания.

9.4. Оперативно-диспетчерская телефонная сеть Минэнерго СССР создается независимо от сетей производственно-технологического назначения по радиально-узловому принципу в строгом соответствии со структурой диспетчерского управления.

9.5. Оперативная связь между диспетчером ДП и непосредственно подчиненным ему оперативным дежурным осуществляется по прямому выделенному каналу.

9.6. Для объектов двойного подчинения связь вышестоящего диспетчера с оперативным дежурным энергообъекта может обеспечиваться автоматическим транзитом через ДАТС нижестоящего диспетчерского пункта с обеспечением приоритета транзитной связи.

9.7. Все межсистемные связи в ОДТС должны выполняться по независимым (не менее двух) каналам «закрытого» типа, обеспечивающим взаимное резервирование и конфиденциальность переговоров.

Должно предусматриваться также кольцевание сети на внутрисистемном и межсистемном уровнях путем организации поперечных связей с малым коэффициентом использования и высоким качеством обслуживания.

9.8. Каналы тональной частоты, выделяемые для ОДТС Минэнерго СССР, могут иметь сокращенную полосу разговорного спектра (0,3 - 2,2 кГц) при наличии системы вторичного уплотнения в спектре выше 2,4 кГц для передачи различного рода дискретной технологической и оперативной информации.

9.9. Комплексное использование каналов для оперативно-диспетчерской и производственно-технологической связи допускается только на нижних ступенях управления (ДП ПЭС - ДП РЭС - ПС и ДП РЭС - ПС).

9.10. Использование ОДТС Минэнерго СССР руководящим персоналом подразделений Минэнерго СССР не отменяет право оперативного персонала диспетчерских пунктов и энергообъектов на преимущественное соединение и принудительное освобождение каналов в случае их занятости.

9.11. Диспетчерскими автоматическими станциями оснащаются все диспетчерские пункты верхнего и среднего звеньев управления ЦДУ ЕЭС СССР, ОДУ, ЦДП, ДП ПЭС), крупные электростанции, подстанции 750 кВ и выше.

На диспетчерских пунктах РЭС и других энергообъектах каналы тональной частоты ОДТС Минэнерго СССР включаются в телефонные аппараты или коммутаторы оперативной связи.

9.1.2. Абонентская емкость АТС, используемых в сети ОДТС (за исключением ЦДУ ЕЭС СССР - емкость не нормируется), не должна превышать 50 - 100 номеров.

9.13. Канальная емкость АТС определяется количеством задействованных направлений и каналов с учетом развития на ближайшие 10 лет.

9.14. Выход абонентов ОДТС Минэнерго СССР на ОГСТфС не предусматривается.

Выход на ОГСТфС и на сети других ведомств представляется только оперативному персоналу через пульты управления по абонентским линиям. При этом комплекты особо важных линий должны быть энергонезависимы и обеспечивать работоспособность при снятии питания с ДАТС.

9.15. Диспетчерские АТС должны обеспечивать:

работу в сетях с закрытой и открытой нумерацией;

четырехпроводный транзит;

автоматический поиск обходных путей связи;

несколько категорий приоритета при исходящих соединениях;

конференцсвязь;

сервисные услуги абонентам;

энергонезависимую память.

9.16. Нумерация в сети ОДТС принимается в соответствии с пп. 10.13; 10.14 Положений.

10. НУМЕРАЦИЯ НА АВТОМАТИЗИРОВАННЫХ ПРОИЗВОДСТВЕННЫХ ТЕЛЕФОННЫХ СЕТЯХ МИНЭНЕРГО СССР

10.1. На КПТС и ПТТС Минэнерго СССР предусмотрена открытая нумерация абонентских линий. Открытая нумерация абонентских линий применяется в связи с тем, что большинство АТС, установленных на КПТС Минэнерго СССР, непригодно для работы в сетях с закрытой нумерацией и, кроме того, малая величина транзитного трафика по сравнению с внутренним и местным обуславливает нерентабельность введения закрытой нумерации.

10.2. В автоматизированной ОДТС Минэнерго СССР предусматривается смешанная нумерация абонентов, целесообразность которой определяется значительным превышением внешнего трафика АТС сети над внутренним и спецификой оперативной связи, в соответствии с которой выход к абоненту АТС ОДТС Минэнерго СССР, устанавливаемой на объекте ЕЭС СССР, с любого пункта ОДТС Минэнерго СССР желательно производить одним и тем же номером.

10.3. Для выхода от АТС ПТС Минэнерго СССР на вышестоящие ведомственные автоматические телефонные станции предусмотрены следующие сокращенные коды:

цифра 0 - выход на вышестоящую по производственно-технологическому управлению АТС;

цифра 8 - выход на вышестоящую по оперативно-диспетчерскому управлению АТС.

10.4. Внутренние номера центральных и узловых АТС КПТС Минэнерго СССР должны соответствовать числу 2ХХХ при емкости свыше 400 до 1000 номеров, числу 2ХХХ-3ХХХ при емкости АТС до 2000 номеров. Для узловых и оконечных АТС емкостью до 400 номеров допускается трехзначная абонентская нумерация (100 - 499), для оконечных станций емкостью до 100 номеров допускается трехзначная и двузначная абонентская нумерация.

10.5. Нумерация на КПТС и ПТТС Минэнерго СССР подразделяется на нумерацию на магистральных и зоновых сетях Минэнерго СССР.

При этом под магистральными сетями подразумевается совокупность центральной производственной телефонной сети Минэнерго СССР, производственных телефонных сетей ЦДУ и ОДУ, под зоновыми сетями - телефонные сети энергосистем.

10.6. Для каждой ЦАТС зоновой сети предусмотрен трехзначный код АВС в магистральной сети.

10.7. Набором кодов АВС должен предусматриваться выход на центральные АТС зоновых сетей от ЦАТС ЦДУ и ОДУ, эти же коды должны использоваться при непосредственной связи указанных АТС.

Для выхода на центральные АТС ОДУ и энергосистем от ЦАТС Минэнерго СССР перед кодом АВС должна быть набрана направляющая цифра 7.

10.8. Коды центральных АТС энергосистем, ЦДУ, ОДУ, ПЭО союзных республик, а также АТС энергетических организаций, расположенных в Москве и включаемых непосредственно в ЦАТС Минэнерго СССР, должны соответствовать значениям, приведенным в приложении 1.

10.9. К АТС зоновых телефонных сетей, помимо центральных АТС - ЦАТС ПЭО, относятся автоматические телефонные станции электростанций, предприятий и районов электрических сетей, электроподстанций, ремонтных предприятий, а также других подразделений, подчиненных ПЭО и другим организациям Минэнерго СССР, расположенным на территории энергосистемы.

10.10. Для выхода от ЦАТС энергосистемы к узловым или оконечным АТС, непосредственно в нее включенным, предусматривается направляющая цифра «5» и код «ав», где а и в - цифры, определяющие, согласно «Сводному классификатору электрической и гидротехнической части электростанций, электрических и тепловых сетей (М.: СПО Союзтехэнерго, 1984), конкретное энергопредприятие или организацию, расположенные в зоне.

10.11. Для выхода от узловых АТС к включенным в нее оконечным станциям предусмотрен внутризоновый код «ab», где a - цифра, не занятая на данной узловой АТС для выхода на внутриобъектную, зоновую или магистральную связь, а b - любая цифра.

10.12. В соответствии со сказанным выше полные абонентские номера будут:

АВСХ1 XXX - для абонентов, включенных в АТС магистральной сети, при этом АВС - магистральный код, Х1 - первая цифра абонентского четырехзначного номера - для АТС емкостью до 1000 номеров, 2 и 3 - для АТС емкостью до 2000 номеров);

АВС 5ав Х1 XXX или АВС 5ав Х2 XX - для абонентов, включенных в узловые АТС зоны, при этом АВС - магистральный код, 5 - направляющая цифра выхода на зоновую сеть, ав - зоновый код, Х2 - первая цифра трехзначного номера узловой АТС зоны (1, 2, 3, 4 - для АТС емкостью до 400 номеров, для АТС емкостью свыше 400 номеров абонентский номер должен быть четырехзначным);

АВС 5авс ab Х3 XX или АВС 5ав ab XX - для абонентов оконечных АТС, включенных в узловые АТС зоны, при этом АВС - магистральный код, 5 - направляющая цифра выхода на зоновую сеть, ав - зоновый код, ab - внутренний код, Х3 - первая цифра внутреннего абонентского номера оконечной АТС, включенной в узловую (как правило, это цифра 3).

10.13. При замене центральной и узловых АТС энергосистемы на станции с программным управлением нумерация на КПТС и ПТТС Минэнерго СССР может быть упрощена, при этом:

полный номер абонента АТС при межсистемной связи должен соответствовать - АВС ав х ххх или АВС ав х хх;

полный номер абонента при зоновой связи должен соответствовать ав х ххх или ав х хх.

10.14. Использование первых цифр полного абонентского номера рекомендуется следующим:

1, 3, 4, 5 - а - первая цифра зонового кода;

2 - первая цифра абонентского номера АТС;

6, 7 - первые цифры магистральных кодов;

8 - сокращенный номер для выхода на вышестоящую станцию по диспетчерскому управлению;

9 - выход на ГАТС Минсвязи СССР;

0 - сокращенный номер для выхода на вышестоящую АТС по производственно-технологическому управлению;

Х1 ХХХ - четырехзначный абонентский номер узловой АТС с абонентскими номерами всех оконечных АТС, включенных в данную узловую станцию.

10.15. Особенностью сети ОДТС является малое количество абонентов каждой ДАТС (до 50 ÷ 100) и относительно большое количество направлений межстанционной связи (40 ÷ 50) в крупных энергосистемах.

10.16. Предполагается оснащение ОДТС квазиэлектронным и электронным оборудованием, рекомендуется семизначная нумерация (АВСавхх) для межсистемной связи и закрытая четырехзначная для внутрисистемной.

Первые три цифры АВС определяют номер станции ОДУ или энергосистемы.

Цифры ав определяют номер станции в зоне (энергосистеме); хх - номер абонента внутри станции.

10.17. Первая цифра исходящего номера любой ДАТС распределяется следующим образом:

1, 3, 4, 5, 9, 0 - первая цифра а в составе двухзначного номера ав, определяющего номер АТС зоны (60 станций);

2 - индекс, определяющий внутриобъектную связь абонента;

6, 7, 8 - первая цифра А в составе трехзначного номера АВС центральных станций сети (ОДУ, ЦДУ);

200 - выход на сеть ПТТС от абонентов своей станции;

ав00 - выход на сеть ПТТС при транзите.

10.18. Абонентские номера АТС, приведенные в приложении 1, составлены в соответствии с «Руководящими указаниями по единой нумерации абонентов АТС энергообъектов Минэнерго СССР» (М.: СПО Союзтехэнерго, 1980). Они предназначены для обязательного использования на АТС тепловых и гидравлических электростанций, энергоремонтных предприятий, районов электрических сетей, а также центральных АТС производственных объединений энергетики и электрификации союзных республик, производственных энергетических объединений и предприятий электрических сетей.

10.19. Наименования структурных подразделений и должностей абонентов приняты в соответствии с руководящими документами Минэнерго СССР. На АТС регламентируются единые абонентские номера телефонов руководящего инженерно-технического персонала, а также номера общих телефонов структурных подразделений, которым предоставляется право автоматического выхода на каналы дальней автоматической связи энергосистем. Единые абонентские номера являются, как правило, одинаковыми для однотипных должностей разных энергообъектов.

10.20. На крупных энергопредприятиях для АТС емкостью более 400 номеров должна применяться четырехзначная система абонентской нумерации. В этом случае в качестве первой цифры впереди единого номера должна использоваться цифра 2.

10.21. При составлении списков единых абонентских номеров АТС для конкретных энергообъектов следует иметь в виду, что цифры сотен могут не совпадать с цифрами 2 и 3 только в случае обслуживания с помощью одной АТС нескольких энергопредприятий. В данном случае цифры абонентских сотен вышестоящего предприятия должны совпадать с указанными в приложениях, а в качестве номеров сотен для телефонов других энергопредприятий должны приниматься другие цифры.

11. ЛИНЕЙНЫЕ СИГНАЛЫ И СИСТЕМА ОТБОЯ НА АПТС МИНЭНЕРГО СССР

11.1. Линейные сигналы, используемые на АПТС Минэнерго СССР, подразделяются на:

линейные сигналы, предусмотренные при комплексном использовании телефонных каналов для диспетчерской и технологической связи;

линейные сигналы, предусмотренные при использовании телефонных каналов для организации связи между двумя АТС с помощью типовых трансляторов, применяемых при организации АПТС Минсвязи.

11.2. Линейные сигналы, предусмотренные при комплексном использовании телефонных каналов для диспетчерской и технологической связи:

11.2.1. Комплексное использование телефонных каналов для диспетчерской и автоматизированной технологической связи осуществляется с помощью трансляторов аппаратуры дальней автоматической связи энергосистем КДНЭ и АДАСЭ. Трансляторы используются для включения в аппаратуру систем передачи без выделенного сигнального канала. Кроме того, трансляторы КДНЭ могут также использоваться для двусторонней связи по двухпроводным физическим соединительным линиям.

11.2.2. Для организации диспетчерской и технологической связи КДНЭ и АДАСЭ используют следующие линейные сигналы:

В прямом направлении:

занятие АТС;

занятие диспетчерского коммутатора;

отбой;

сброс (освобождение канала, занятого абонентами АТС).

В обратном направлении:

ответ абонента АТС или коммутатора;

отбой.

Сигнальный код, используемый при установке на АПТС Минэнерго СССР аппаратуры АДАСЭ, приведен в приложении 1.

11.3. Линейные сигналы, предусмотренные при использовании телефонных каналов для организации связи между двумя АТС с помощью типовых трансляторов, применяемых при организации АПТС Минсвязи СССР, подразделяются на сигналы, действующие при соединениях по абонентскому шнуру, и сигналы, действующие при входящих соединениях по междугородному шнуру.

11.3.1. При работе по абонентскому шнуру предусматривается передача и прием следующих линейных сигналов:

В прямом направлении:

занятие;

отбой вызывающего абонента;

разъединение.

В обратном направлении:

контроль исходного состояния;

ответ вызванного абонента;

отбой вызванного абонента.

11.3.2. При работе по междугородному шнуру должны предусматриваться передача и прием следующих линейных сигналов:

В прямом направлении:

занятие;

посылка вызова;

сброс;

разъединение.

В обратном направлении:

контроль исходного состояния;

абонент свободен;

ответ вызванного абонента;

отбой.

11.3.3. Передача и прием линейных сигналов производятся с помощью комплектов соединительных линий, предусматривающих работу по сигнальным кодам, принятым в АПТС Минсвязи СССР.

Для систем передачи с выделенным, сигнальным каналом применяется код «Норка», приведенный в приложения 1.

Для систем передачи без выделенного сигнального канала - сигнальные коды «Новый» и «Лотос». Передача и прием линейных сигналов по физическим линиям предусмотрены с помощью батарейных и шлейфных кодов.

Выбор того или иного кода должна приниматься в соответствии с местными условиями.

11.4. В АПТС Минэнерго СССР принята система одностороннего отбоя при дальней автоматической связи с помощью трансляторов КДНЭ и АДАСЭ.

При дальней полуавтоматической связи по междугородному шнуру предусмотрен двусторонний отбой по инициативе телефонистки междугородного телефонного коммутатора.

12. РАСПРЕДЕЛЕНИЕ ЗАТУХАНИЙ ПО УЧАСТКАМ И ТРЕБОВАНИЯ К ТРАНЗИТАМ НА АПТС МИНЭНЕРГО СССР

12.1. Одним из основных показателей качества телефонных сетей является значение затухания передаваемых сигналов между двумя пунктами связи.

Затухание, вносимое коммутационным оборудованием, абонентскими и соединительными линиями, включая каналы ТЧ, в сетях АПТС Минэнерго СССР при соединении между двумя любыми абонентами не должно превышать норм, установленных для соединений на общегосударственной сети телефонной связи.

12.2. Суммарное значение затухания разговорного тракта на частоте 800 Гц между аппаратами двух абонентов, находящимися в соединении, не должно превышать 29,5 дБ на межсистемных связях и 28,6 дБ на внутрисистемных связях (рис. 17).

12.3. Затухание разговорного тракта на участке от аппарата абонента оконечной станции (энергообъекта, РЭС или объекта энергостроительства) до узловой АТС (ПЭС, ПЭО и т.д.) не должно превышать 10 дБ (без учета затухания, вносимого станционными устройствами УС). При этом затухание от абонента до РАТС Минсвязи СССР (если оконечная АТС имеет выход на сеть ОГСТфС) не должно превышать 4,3 дБ на частоте 800 Гц.

12.4. Для межстанционной связи в сетях АПТС Минэнерго СССР могут применяться:

двух- и трехпроводные СЛ по физическим цепям;

каналы систем частотного и временного уплотнения в двухпроводном или четырехпроводном окончании.

12.4.1. Двух- и трехпроводные СЛ, а также каналы ТЧ в двухпроводном окончании могут применяться между оконечными АТС и узловыми станциями при соблюдении условий разд. 3.

12.4.2. Между узловыми станциями (или УАК) на внутрисистемных и межсистемных междугородных связях должны применяться только каналы ТЧ в четырехпроводном окончании.

12.5. Коммутационное оборудование, устанавливаемое на узловых станциях сети, должно допускать возможность следующих транзитных соединений:

двухпроводный транзит по физическим линиям;

двухпроводный транзит по каналам ТЧ с выключением транзитных удлинителей;

с двухпроводной линии на четырехпроводный канал ТЧ;

четырехпроводный транзит (одного канала ТЧ на другой канал ТЧ).

12.6. При двухпроводном транзите вносимое затухание станционным оборудованием не должно превышать 1,3 дБ. При транзите с четырехпроводного канала на двухпроводную линию затухание не должно превышать 3,5 дБ (без учета станционных потерь 0,9 дБ).

12.7. Четырехпроводный транзит должен осуществляться на всех узловых станциях при коммутации межгорканалов.

12.8. Двухпроводный транзит межгорканалов с выключением транзитных удлинителей допускается как временная мера впредь до оснащения коммутационных узлов соответствующим оборудованием.

12.9. Подключение каналов к коммутационному оборудованию должно осуществляться в точках номинального относительного уровня минус 13 дБ по передаче и плюс 4,3 дБ по приему. В двухпроводной части канала номинальный относительный уровень по передаче (на частоте 800 Гц) принимается равным 0 дБ и по приему минус 7,0 дБ для систем частотного разделения каналов (ЧРК).

12.10. Единые абонентские номера АТС приведены в приложении 2.

Приложение 1

ОСНОВНЫЕ ДАННЫЕ И КОДЫ АТС, ИСПОЛЬЗУЕМЫЕ НА АПТС МИНЭНЕРГО СССР

Таблица 1

Основные данные об автоматических телефонных станциях УАТС-49, АТС-54, УАТС 50/100, УПАТС 100/400, используемых на АПТС Минэнерго СССР

Основные данные

Тип

АТС-54, УАТС-49

УАТС 50/100

УПАТС 100/400

Вид станции

Оконечная (ОС), узловая (УС)

ОС

ОС

Система оборудования

Декадно-шаговая

-

Координатная с релейным управлением

Абонентская емкость

При одной ступени искания - до 1000 номеров, при двух ступенях - до 10000 и т.д.

50; 100

100, 200, 300, 400

Количество соединительных линий

Не ограничено

4; 6 исходящих линий

20 исходящих линий

 

 

6; 8 входящих линий

20 входящих линий

Количество направлений

Не ограничено

1

1 - 4

Емкость направления

Не ограничена

4; 6

При одном направлении - до 20 линий.

При четырех направлениях - до 5 линий в каждом направлении

Средняя удельная телефонная нагрузка на одну абонентскую линию, Эрл.

0,15

0,1

0,14

Способы передачи линейных сигналов

Батарейный

Шлейфный

Шлейфный

Батарейный

Шлейфный

Индуктивный

Способы передачи сигналов управления

Декадный

Декадный

Декадный

Дополнительные услуги

Отсутствуют

Отсутствуют

Отсутствуют

Метод контроля нагрузки и качества обслуживания

Электромеханические счетчики, испытательный прибор линий

Испытательный прибор линий и приборов исходящей и входящей связи АТС

Электромеханические счетчики, испытательный прибор линий

Способы набора номера

С помощью дискового или кнопочного номеронабирателя

 

 

Таблица 2

Основные данные об автоматических телефонных станциях УАТСК 100/2000, УАТСК 50/200, ДАТСЭ-60 (120), используемых на АПТС Минэнерго СССР

Основные данные

Тип

УАТСК 100/2000

УАТСК 50/200

ДАТСЭ-60 (120) (СФРЮ)

Вид станции

ОС, УС

ОС

ОС, УС

Система оборудования

Координатная с релейным управлением

Квазиэлектронная с управлением по замонтированной программе

Абонентская емкость

100 - 9000 номеров

50, 100, 150, 200

8, 28, 40, 48

(26, 28, 72, 96)

Количество соединительных линий

Не ограничено

5, 7, 10, 13

48, 32, 16, 8 (96, 64, 32, 16)

Количество направлений

Не ограничено

1

В пределах установленной комплектации станции может быть организовано любое количество направлений связи с любым количеством каналов в каждом направлении

Емкость направления

До 10:20

2/3*, 3/4, 4/6, 5/8

-

Средняя удельная телефонная нагрузка на одну абонентскую линию, Эрл.

0,1

0,1

-

Способы передачи линейных сигналов

Батарейный

Батарейный

Шлейфный

 

 

Шлейфный

Батарейный

 

 

Индуктивный

Частотный

 

 

Частотный

 

Способы передачи сигналов управления

Декадный Полярно-числовой

Декадный

Декадный

Дополнительные услуги

Отсутствуют

Отсутствуют

Имеются

Система контроля за нагрузкой и качеством обслуживания

Электромеханические счетчики, автотренер, деректограф

Периодическое профилактическое обслуживание техническим персоналом

Без постоянного обслуживания техническим персоналом

Способы набора номера

С помощью дискового или кнопочного номеронабирателя

С помощью дискового или кнопочного номеронабирателя

С помощью дискового или кнопочного номеронабирателя

* Числитель - количество исходящих линий.

Знаменатель - количество входящих линий.

Таблица 3

Основные данные об автоматических телефонных станциях ЕСК-400Е, ЕСК-3000Е, используемых на АПТС Минэнерго СССР

Основные данные

Тип АТС

ЕСК-400Е

ЕСК-3000Е

Вид станции

ОС, УС

ОС, УС

Система оборудования

Квазиэлектронная с управлением по замонтированной программе

Квазиэлектронная с управлением по замонтированной программе

Абонентская емкость

10 - 400 номеров

100 - 8000 номеров

Количество СЛ

До 148 за счет абонентской емкости

Не ограничено за счет абонентской емкости

Количество направлений

До 30

Не ограничено

Средняя удельная телефонная нагрузка на одну абонентскую линию (АЛ), Эрл.

0,14

0,2

Способы передачи линейных сигналов

Батарейный по трехпроводной СЛ

Батарейный по трехпроводной

Шлейфный по двухпроводной СЛ

Шлейфный по двухпроводной СЛ

Способы передачи сигналов управления

Декадный

Декадный

Наличие дополнительных видов обслуживания (ДВО)

Предусмотрено

Предусмотрено

Система контроля за нагрузкой и качеством обслуживания

Электромеханические счетчики

Электромеханические счетчики

Метод технической эксплуатации

Аварийно-восстановительный и профилактический с периодическим обслуживанием персоналом

Контрольно-корректирующий и статистический. Программно-аппаратурный контроль функционирования оборудования станций с выдачей информации на печать

Способы набора номера

С помощью номеронабирателя с декадными импульсами

С помощью номеронабирателя с декадными импульсами

Таблица 4

Основные данные об автоматических телефонных станциях АТСКЭ «Квант», УАК, используемых на АПТС Минэнерго СССР

Основные данные

Тип АТС

АТСКЭ «Квант»

УАК

Вид станции

ОС, УС

Центральная (ЦС)

Узел автоматической коммутации телефонных каналов и соединительных линий

Система оборудования

Квазиэлектронная с управлением по записанной программе

Квазиэлектронная с управлением по записанной программе

Абонентская емкость

32 - 2048 номеров

До 6000 номеров

-

-

Количество соединительных линий

192 исходящих и 192 входящих линий

До 256 исходящих и 256 входящих линий

Количество направлений

ОС - до 4, УС и ЦС - до 32

До 32

Средняя удельная телефонная нагрузка на одну АЛ, не более, Эрл

0,2

-

Удельная суммарная нагрузка на СЛ, не более, Эрл

0,8

0,8

Способы передачи линейных сигналов

Одночастотный, двухчастотный, батарейный, шлейфный и индуктивный

Одночастотный, двухчастотный, батарейный, шлейфный

Способы передачи сигналов управления

Многочастотный при взаимодействии с однотипными АТС, декадный с АТС ДШС и АТСК 100/2000

Многочастотный при взаимодействии с однотипными АТС, декадный с АТСДШ и АТСК 100/2000

Наличие ДВО

Предусмотрено

-

Система контроля за нагрузкой и качеством обслуживания

Автоматический программный контроль

Автоматический программный контроль

Метод технической эксплуатации

Контрольно-корректирующий и статистический. Программно-аппаратурный контроль функционирования оборудования

Контрольно-корректирующий и статистический. Программно-аппаратурный контроль функционирования оборудования

Способы набора номера

С помощью дискового и кнопочного номеронабирателей

С помощью дискового и кнопочного номеронабирателей

Таблица 5

Коды ЦАТС ПЭО

Наименование ПЭО

Код выхода на межсистемную связь

Владимирэнерго

700

Мосэнерго

701

Тулэнерго

702

Горэнерго

703

Ивэнерго

704

Ярэнерго

705

Костромаэнерго

706

Калининэнерго

707

Смоленскэнерго

708

Брянскэнерго

709

Орелэнерго

710

Курскэнерго

711

Липецкэнерго

712

Воронежэнерго

713

Белгородэнерго

714

Тамбовэнерго

715

Волгоградэнерго

716

Амурэнерго

717

Дальэнерго

718

Камчатскэнерго

719

Магаданэнерго

720

Сахалинэнерго

721

Хабаровскэнерго

722

Читаэнерго

723

Якутскэнерго

724

Краснодарэнерго

725

Ставропольэнерго

726

Севкавказэнерго

727

Грозэнерго

728

Дагэнерго

729

Донбассэнерго

730

Днепроэнерго

731

Ростовэнерго

732

Харьковэнерго

733

Одессаэнерго

734

Киевэнерго

735

Крымэнерго

736

Винницаэнерго

737

Львовэнерго

738

Рязаньэнерго

739

Вологдэнерго

740

Резерв

741

Резерв

742

Резерв

743

Резерв

744

Резерв

745

Резерв

746

Резерв

747

Экибастузэнерго

748

Тюменьэнерго

749

Резерв

750

Брестэнерго

751

Витебскэнерго

752

Гомельэнерго

753

Гродноэнерго

754

Минскэнерго

755

Могилевэнерго

756

Ленэнерго

757

Калининградэнерго

758

Карелэнерго

759

Астраханьэнерго

760

Куйбышевэнерго

761

Саратовэнерго

762

Ульяновскэнерго

763

Пензаэнерго

764

Татэнерго

765

Чувашэнерго

766

Мордовэнерго

767

Барнаулэнерго

768

Бурятэнерго

769

Иркутскэнерго

770

Красноярскэнерго

771

Кузбассэнерго

772

Новосибирскэнерго

773

Омскэнерго

774

Томскэнерго

775

Гурьевэнерго

776

Кустанайэнерго

777

Южказэнерго

778

Запказэнерго

779

Алма-Атаэнерго

780

Алтайэнерго

781

Карагандаэнерго

782

Целинэнерго

783

Павлодарэнерго

784

Свердловэнерго

785

Челябэнерго

786

Пермэнерго

787

Удмуртэнерго

788

Кировэнерго

789

Башкирэнерго

790

Оренбургэнерго

791

Архэнерго

792

Колэнерго

793

Комиэнерго

794

Набит-Дагэнерго

795

Резерв

796

Чарджоуэнерго

797

Резерв

798

Резерв

799

Таблица 6

Коды ЦАТС Минэнерго СССР, ЦДУ, ОДУ, производственных объединений энергетики и электрификации союзных республик, предприятий и организаций Минэнерго СССР, расположенных в г. Москве

Наименование

Код выхода от ЦАТС Минэнерго СССР

Код выхода от ЦАТС энергосистем

Минэнерго СССР (ЦАТС)

-

600

Резерв

601 - 638

601 - 638

Молдэнерго

639

639

Грузэнерго

640

640

Азэнерго

641

641

Армэнерго

642

642

Узбекэнерго

643

643

Таджикэнерго

644

644

Туркменэнерго

645

645

Киргизэнерго

646

646

Эстонэнерго

647

647

Латвэнерго

648

648

Литовэнерго

649

649

ТЭО Белэнерго

650

650

Резерв

651 - 653

651 - 653

ОДУ Востока

654

654

ОДУ Северного Кавказа

655

655

ОДУ Юга

656

656

ОДУ Закавказья

657

657

ОДУ Средней Азии

658

658

ОДУ Северо-Запада

659

659

ОДУ Средней Волги

660

660

ОДУ Сибири

661

661

ОДУ Казахстана

662

662

ОДУ Урала

663

663

Резерв

664 - 665

664 - 665

ЦДУ

666

666

Резерв

667-676

667 - 676

ОДУ Центра

677

677

Резерв

678 - 699

678 - 699

Минэнерго СССР (ПС1)

91

-

Минэнерго СССР (ПС2)

92

-

Минэнерго СССР (ПС3)

94

-

Энергосетьпроект

80

-

ПО «Союзтехэнерго»

81

-

ВНИПИЭнергопром

82

-

Гидропроект

83

-

Теплоэлектропроект

84

-

ПО «Дальние электропередачи»

85

-

Сельэнергопроект

86

-

НПО «Энергия»

87

-

ВНИИЭ

88

-

ВТИ

89

-

Примечания: 1. Для абонентов ЦАТС Минэнерго СССР до ее реконструкции при выходе на магистральную телефонную сеть Минэнерго СССР следует перед кодом набирать направляющую цифру 7. 2. Коды 91, 92, 94 предусматриваются временно (до установки новой ЦАТС Минэнерго СССР).

Таблица 7

Сигнальный код передачи линейных сигналов для работы по каналу дальней автоматической связи, организованному на аппаратуре АДАСЭ-П

Наименование сигнала

Характеристика сигнала

Длительность сигнала, мс

Распознавание сигнала, мс

Занятие встречной АТС со стороны исходящей АТС или ПС

Передача сигнала 1200 Гц в прямом направлении

200 - 250

100 - 140

Набор номера (от исходящей АТС, ПС, ДК)

Прерывание сигнала 1200 Гц в прямом направлении

55

20 - 28

Ответ (от встречной АТС, встречного ДК)

Передача сигнала 1200 Гц в обратном направлении

200 - 250

100 - 140

Отбой, принудительное освобождение канала, занятого абонентами АТС, ПС

Передача сигнала 1200 - 1600 Гц в прямом направлении

700

400 - 500

Занятие встречного ДК

Передача сигнала 1600 Гц в прямом направлении

200 - 250

100 - 140

Таблица 8

Сигнальный код («Норка») передачи линейных сигналов междугородного шнура и сигналов управления на городских, сельских сетях и по соединительной линии междугородной внутризоновой сети при сигнализации по выделенному сигнальному каналу

Наименование сигнала

Характеристика сигнала

Длительность сигнала, мс

Распознавание сигнала, мс

Занятие

Передача сигнала в прямом направлении вызывает передачу сигнала в обратном направлении

 

 

Набор номера

Прерывание сигнала в прямом направлении. Постоянная передача сигнала в обратном направлении

 

 

Абонент свободен

Прекращение сигнала в обратном направлении и через интервал появление сигнала в прямом направлении

Интервал от 50 до 70

От 30 до 40

Ответ

Прекращение сигнала в обратном направлении вызывает прекращение сигнала в прямом направлении

 

 

Отбой от вызываемого абонента

Появление сигнала в обратном направлении вызывает появление сигнала в прямом направлении

 

 

Повторный вызов или сброс

Пульсация сигнала в прямом направлении на время нажатия ключа, в обратном направлении непрерывная передача сигнала

Импульс от 35 до 40, интервал от 40 до 45

 

Отбой от вызывающего абонента или телефонистки МТС (разъединение):

 

 

 

до ответа

Прекращение сигнала в прямом направлении вызывает прекращение сигнала в обратном направлении

 

 

после ответа

Передача сигнала в прямом направлении вызывает передачу сигнала в обратном направлении. Передача сигнала в обратном направлении вызывает прекращение сигнала в прямом направлении, что в свою очередь вызывает прекращение сигнала в обратном направлении

 

-

Абонент занят местным или междугородным соединением или занятость соединительных путей

Прекращение сигнала в обратном направлении. Передача сигнала в прямом направлении

 

 

Блокировка

Передача сигнала в обратном направлении

-

-

Приложение 2

ЕДИНЫЕ АБОНЕНТСКИЕ НОМЕРА АТС

1. Единые абонентские номера АТС тепловых электростанций

Управление

Директор                                                                                                                          350

Главный инженер                                                                                                            351

Заместитель директора по общим вопросам                                                                360

Заместитель главного инженера по эксплуатации                                                      361

Заместитель главного инженера по ремонту                                                               362

Помощник директора по кадрам (начальник отдела кадров)                                    357

Старший инспектор по эксплуатации (старший инженер)                                        353

Старший инспектор по охране труда и технике безопасности (старший инженер)                                                                                                                                               354

Инспектор по кадрам                                                                                                      337

Юрисконсульт                                                                                                                 300

Секретарь                                                                                                                         359

Начальник смены электростанции                                                                               382

Партийные и общественные организации

Партком                                                                                                                            369

Местком                                                                                                                           379

Комитет ВЛКСМ                                                                                                             368

Производственно-технический отдел с конструкторской группой

Начальник отдела                                                                                                            365

Заместитель начальника отдела                                                                                    366

Группа учета                                                                                                                    226

Группа ремонта                                                                                                               327

Конструкторская группа                                                                                                 333

Общий                                                                                                                               326

Планово-экономический отдел

Начальник отдела                                                                                                            355

Заместитель начальника отдела                                                                                    356

Общий                                                                                                                               256

Отдел материально-технического снабжения

Начальник отдела                                                                                                            367

Заместитель начальника отдела                                                                                    307

Общие                                                                                                                       308, 309

Отдел хозяйственного обслуживания

Начальник отдела                                                                                                            363

Канцелярия                                                                                                                      311

Группа хозяйственного обслуживания

Бухгалтерия

Главный бухгалтер                                                                                                          358

Заместитель главного бухгалтера                                                                                  328

Общий                                                                                                                               228

Отдел (группа) капитального строительства

Начальник отдела                                                                                                            364

Группа оборудования                                                                                                      312

Общий                                                                                                                               313

Производственные подразделения

Топливно-транспортный цех (ТТЦ)

Начальник цеха                                                                                                               391

Заместитель начальника цеха                                                                                291, 392

Общий                                                                                                                               292

Участок по ремонту оборудования топливоподачи                                                    231

Участок по ремонту тепловозов                                                                                    232

Участок по ремонту железнодорожных путей                                                             233

Котлотурбинный цех с группой наладки и испытаний котлотурбинного оборудования (КТЦ)

Начальник цеха № 1                                                                                                      380

Начальник цеха № 2                                                                                                      280

Заместитель начальника цеха № 1 по эксплуатации                                                 381

Заместитель начальника цеха № 1 по ремонту                                                          377

Заместитель начальника цеха № 2 по эксплуатации                                                 281

Заместитель начальника цеха № 2 по ремонту                                                          277

Начальник смены цеха № 1                                                                                          382

Начальник смены цеха № 2                                                                                          282

Гидротехнический участок                                                                                           378

Электрический цех

Начальник цеха                                                                                                               373

Заместитель начальника цеха по эксплуатации                                                          374

Заместитель начальника цеха по ремонту                                                                   371

Заместитель начальника цеха по СДТУ                                                                       390

Начальник смены цеха                                                                                                   372

Главный щит управления                                                                                               375

Участок по ремонту электрооборудования КТЦ и топливоподачи                           271

Участок по ремонту респредустройств                                                                        273

Участок по ремонту электрооборудования внешних сооружений и жилого поселка                                                                                                               274

Участок по ремонту электрофильтров                                                            275

Участок СДТУ, справочная АТС                                                                     399

Участок СДТУ, линейный аппаратный цех (ЛАЦ), дежурный по связи     398

Электролаборатория                                                                                          376

Участок по ремонту и обслуживанию релейной защиты и электроавтоматики основного оборудования КТЦ                                       270

Участок по ремонту и обслуживанию релейной защиты и электроавтоматики собственных нужд КТЦ                                                  278

Участок по грозозащите, изоляции, электроизмерениям и точной механизации КТЦ и топливоподачи                                                               279

Цех тепловой автоматики и измерений

Начальник цеха                                                                                                               385

Заместитель начальника цеха по эксплуатации                                                          384

Заместитель начальника цеха по ремонту                                                                   383

Начальник смены                                                                                                            285

Участок по ремонту оборудования и автоматики КТЦ и топливоподачи                284

Участок по ремонту АСУ                                                                                               283

Химический цех

Начальник цеха                                                                                                               388

Химическая лаборатория                                                                                               387

Участок по ремонту оборудования цеха                                                                       386

Начальник смены                                                                                                            288

Общий                                                                                                                               389

Цех теплоснабжения и подземных коммуникаций и гидросооружений

Начальник цеха                                                                                                               335

Заместитель начальника цеха                                                                                        334

Общий                                                                                                                               235

Цех наладки и испытаний котлотурбинного оборудования

Начальник цеха                                                                                                               345

Заместитель начальника цеха                                                                                        344

Общий                                                                                                                               346

Ремонтно-строительный цех

Начальник цеха                                                                                                               394

Общий                                                                                                                               294

Лаборатория металлов

Начальник лаборатории                                                                                                 306

Заместитель начальника лаборатории                                                                          206

Цех централизованного ремонта оборудования

Начальник цеха                                                                                                               393

Механическая мастерская                                                                                              396

Группа пусконаладочных работ                                                                                    329

Подразделения ремонтного предприятия энергосистемы

Цех (участок) котлоочистки

Начальник цеха (участка)                                                                                               317

Заместитель начальника цеха (участка)                                                                       316

Общий                                                                                                                               217

Цех (участок) изоляции

Начальник цеха (участка)                                                                                               325

Заместитель начальника цеха (участка)                                                                                                                                                                                                                            324

Общий                                                                                                                               225

Электроремонтный цех (участок)

Начальник цеха (участка)                                                                                               343

Заместитель начальника цеха (участка)                                                                       242

Общий                                                                                                                               243

Котлотурбинный цех (участок)

Начальник цеха (участка)                                                                                               320

Заместитель начальника цеха (участка)                                                                       321

Общий                                                                                                                               220

Цех (участок) по ремонту контрольно-измерительных приборов (КИП) и автоматики

Начальник цеха (участка)                                                                                               315

Заместитель начальника цеха (участка)                                                                                                                                                                                                                            314

Общий                                                                                                                               215

Центральная лаборатория измерительной техники

Начальник лаборатории                                                                                                 319

Общий                                                                                                                               219

Транспортный цех (гараж)

Общий                                                                                                                               322

Ремонтно-строительный цех (участок)

Начальник цеха (участка)                                                                                               318

Общий                                                                                                                               218

Центральная лаборатория металлов и сварки

Начальник лаборатории                                                                                                 304

Общий                                                                                                                               204

2. Единые абонентские номера АТС гидравлических электростанций

Управление

Директор                                                                                                                          350

Главный инженер                                                                                                            351

Заместитель директора по хозяйственной части и снабжению (начальник отдела материально-технического снабжения)                                                                            367

Заместитель директора по экономическим вопросам                                                360

Заместитель главного инженера                                                                                   361

Помощник директора по кадрам                                                                                   357

Старший инженер по эксплуатации и технике безопасности                                   354

Старший инженер по кадрам                                                                                         337

Секретарь                                                                                                                         359

Начальная смены электростанции                                                                                352

Партийные и общественные организация

Партком                                                                                                                            369

Местком                                                                                                                           379

Комитет ВЛКСМ                                                                                                             368

Производственно-технический отдел

Начальник отдела                                                                                                            365

Заместитель начальника отдела                                                                                    366

Общий                                                                                                                               326

Отдел капитального строительства

Начальник отдела                                                                                                            364

Группа оборудования                                                                                                      312

Общий                                                                                                                               313

Отдел материально-технического снабжения и административно-хозяйственный отдел

Общий                                                                                                                       308, 309

Бухгалтерия

Главный бухгалтер                                                                                                          358

Общий                                                                                                                               328

Производственные подразделения

Электрический цех

Начальник цеха                                                                                                               373

Заместитель начальника цеха                                                                                        374

Электролаборатория                                                                                                       376

Руководитель группы СДТУ                                                                                          390

Справочная АТС                                                                                                              399

Главный щит управления                                                                                               375

ЛАЦ, дежурный по связи                                                                                               398

Гидротехнический цех

Начальник цеха                                                                                                               380

Заместитель начальника цеха                                                                                        385

Общий                                                                                                                               381

Машинный цех

Начальник цеха                                                                                                               383

Заместитель начальника цеха                                                                                        384

Общий                                                                                                                               382

3. Единые абонентские номера АТС производственно-ремонтных предприятий энергосистем

Директор                                                                                                                          350

Главный инженер                                                                                                            351

Заместитель директора по общим вопросам                                                                360

Заместитель директора по производству                                                                     353

Заместитель главного инженера                                                                                   361

Помощник директора по кадрам                                                                                   340

Секретарь                                                                                                                         359

Партийные и общественные организации

Партком                                                                                                                            369

Местком                                                                                                                           379

Комитет ВЛКСМ                                                                                                             368

Ремонтное производство

Начальник производства                                                                                                377

Заместитель начальника производства                                                                        378

Общий                                                                                                                               376

Механическое производство

Начальник производства                                                                                                393

Заместитель начальника производства                                                                        394

Общий                                                                                                                               395

Отдел главного технолога

Главный технолог                                                                                                           323

Заместитель главного технолога                                                                                   324

Начальник бюро                                                                                                              343

Общий                                                                                                                               342

Отдел главного конструктора

Главный конструктор                                                                                                     333

Заместитель главного конструктора                                                                             334

Начальник бюро                                                                                                              335

Общий                                                                                                                               336

4. Единые абонентские номера ЦАТС производственных объединений энергетики и электрификации союзных республик, производственных энергетических объединений

Административно-управленческая часть

Генеральный директор (управляющий) (I - IV*)                                                          350

Главный инженер (I - IV)                                                                                               351

Заместитель генерального директора (заместитель управляющего) по общим вопросам (I - IV)                                                                                    360

Заместитель генерального директора (заместитель управлявшего) по капитальному строительству (I - IV)                                                               376

Заместитель генерального директора (заместитель управляющего) по электрическим сетям (I - IV)                                                                            349

Заместитель генерального директора (заместитель управляющего) по кадрам и социальным вопросам (I - IV)                                                          340

Заместитель главного инженера по теплотехнической части (I - IV)                       348

Заместитель главного инженера по электротехнической части (I - II)                    361

Заместитель главного инженера по гидротехнической части (I - III)                       362

Секретарь                                                                                                                         359

Юрисконсульт                                                                                                                 300

Партийные и общественные организации

Партком                                                                                                                            369

Местком                                                                                                                           379

Комитет ВЛКСМ                                                                                                             368

Централизованный планово-экономический отдел (ЦПЭО) планово-экономический отдел (ПЭО) (I - IV)

Начальник отдела                                                                                                            355

Заместитель начальника отдела                                                                                    356

Начальники секторов                                                                                              225, 255

Общий                                                                                                                               256

Производственно-технический отдел

Начальник отдела                                                                                                            365

Заместитель начальника отдела                                                                                    327

Начальник диспетчерского бюро                                                                                  370

Общий                                                                                                                               326

Отдел главного металлурга

Главный металлург                                                                                                         373

Заместитель главного металлурга                                                                                 374

Главный сварщик                                                                                                            372

Общий                                                                                                                               371

Инструментальный отдел

Начальник отдела                                                                                                            320

Начальник бюро                                                                                                              319

Общий                                                                                                                               318

Энергомеханический отдел

Главный механик                                                                                                            380

Начальник отдела                                                                                                            381

Заместитель начальника отдела                                                                                    382

Общий                                                                                                                               383

Группа рационализации, изобретательства, новой техники и научно-технической информации

Начальник группы                                                                                                           330

Общий                                                                                                                               331

Отдел (бюро, группа) охраны труда и техники безопасности

Начальник отдела                                                                                                            354

Общий -

Отдел (группа, специалист) технического контроля

Начальник отдела                                                                                                            385

Заместитель начальника отдела                                                                                    384

Общий                                                                                                                               386

Отдел (группа, отдельные специалисты) капитального строительства

Начальник отдела                                                                                                            364

Группа оборудования                                                                                                      312

Общий                                                                                                                               313

Планово-экономический отдел

Начальник отдела                                                                                                            355

Заместитель начальника отдела                                                                                    356

Отдел (группа, бюро в составе планово-экономического отдела) организации труда и заработной платы

Начальник отдела                                                                                                            315

Заместитель начальника отдела                                                                                    316

Общий                                                                                                                               317

Лаборатория (группа) по научной организации труда и управления производством

Начальник лаборатория                                                                                                  345

Общий                                                                                                                               346

Бухгалтерия, цеховая бухгалтерия

Главный бухгалтер                                                                                                          358

Заместитель главного бухгалтера                                                                                  329

Начальных секторов                                                                                                338, 339

Общий                                                                                                                               328

Отдел (группа, специалист) кадров

Начальник отдела кадров                                                                                               357

Общий                                                                                                                               337

Отдел (группа) материально-технического снабжения и сбыта

Начальник отдела                                                                                                            367

Заместитель начальника отдела                                                                                    307

Общие                                                                                                                       308, 309

Административно-хозяйственный отдел

Начальник отдела                                                                                                            363

Заместитель начальника отдела                                                                                    392

Централизованный отдел организации труда и заработной платы (ЦООТЗП), отдел организации труда и заработной платы (ООТЗП) (I - III)

Начальник отдела                                                                                                            315

Заместитель начальника отдела                                                                                    316

Начальники секторов                                                                                              317, 217

Общие                                                                                                                              215,                                                                                                                                               216

Централизованная бухгалтерия, бухгалтерия (I - IV)

Главный бухгалтер                                                                                                          358

Заместитель главного бухгалтера                                                                                  329

Начальники секторов                                                                                              224, 258

Общие                                                                                                                       228, 328

Централизованный финансовый отдел

Финансовый отдел (I - II)

Заместитель главного бухгалтера по финансам                                                          338

Начальник отдела                                                                                                            339

Общие                                                                                                                       229, 239

Отдел (группа работников) кадров (I - IV)

Начальник отдела                                                                                                            357

Общий                                                                                                                               337

Централизованный отдел капитального строительства (ЦОКС)

Отдел капитального строительства (ОКС) (I - IV)

Начальник отдела                                                                                                            364

Заместитель начальника отдела                                                                                    314

Сектор (группа) оборудования                                                                                      312

Начальники секторов                                                                                              212, 213

Общий                                                                                                                               313

Централизованный отдел материально-технического снабжения (ЦОМТС), отдел материально-технического снабжения (ОМТС)

Начальник отдела                                                                                                            367

Заместитель начальника отдела                                                                                    307

Начальники секторов                                                                                            207 - 209

Общий                                                                                                                       308, 309

Хозяйственный отдел

Помощник генерального директора (референт),

Начальник хозяйственного отдела (I - II)                                                                     363

Заведующий хозяйством (I - II)                                                                                      263

Заведующий хозяйством (III - IV)                                                                                  363

Канцелярия (I - IV)                                                                                                          311

Общий (I - IV)                                                                                                                  262

Производственно-техническая часть

Производственно-технический отдел (ПТО) (I - IV)

Начальник отдела                                                                                                            365

Заместитель начальника отдела                                                                                    327

Начальники секторов                                                                                              226, 227

Общий                                                                                                                               326

Диспетчерская служба

Начальник службы                                                                                                          370

Заместитель начальника службы по оперативной работе                                          371

Начальник сектора                                                                                                          372

Общий                                                                                                                     270 - 272

Дежурный диспетчер                                                                                                      352

Служба режимов (I - IV)*

Начальник службы                                                                                                          343

Заместитель начальника службы                                                                                  342

Начальники секторов                                                                                              242, 243

Общий                                                                                                                               241

Служба перспективного развития (I - III)

Начальник службы                                                                                                          330

Заместитель начальника службы                                                                                  331

Начальники секторов                                                                                              230, 231

Общий                                                                                                                               232

Служба эксплуатации и ремонта тепломеханического оборудования (I - II)

Начальник службы                                                                                                          377

Заместитель начальника службы                                                                                  378

Начальники секторов                                                                                              275, 276

Общие                                                                                                                       277, 278

Служба наладки и испытаний тепломеханического оборудования, тепловой автоматики (I - III)

Начальник службы                                                                                                          320

Заместитель начальника службы                                                                                  319

Начальники секторов                                                                                              318, 218

Общие                                                                                                                       219, 220

Химическая служба (I - II)

Начальник службы                                                                                                          388

Заместитель начальника службы                                                                                  289

Начальник химической лаборатории                                                                            387

Начальники секторов                                                                                              287, 288

Общий                                                                                                                               389

Служба металлов и сварки (I)

Начальник службы                                                                                                          303

Заместитель начальника службы                                                                                  304

Начальник лаборатории                                                                                                 306

Начальники секторов                                                                                              203, 204

Общий                                                                                                                               206

Тепломеханическая служба (III - IV)

Начальник службы                                                                                                          388

Заместитель начальника служба                                                                                   389

Начальники секторов                                                                                                387, 88

Общий                                                                                                                               289

Гидротехническая служба (I - III)

Начальник службы                                                                                                          380

Заместитель начальника службы                                                                                  381

Начальники секторов                                                                                              382, 282

Общие                                                                                                                       280, 281

Служба эксплуатации и ремонта электротехнического оборудования (I - III)

Начальник службы                                                                                                          393

Заместитель начальника службы                                                                                  394

Начальники секторов                                                                                              373, 273

Общие                                                                                                                       293, 294

Служба сельской электрификации и распределительных сетей (I - III)

Начальник службы                                                                                                          321

Заместитель начальника службы                                                                                  322

Начальники секторов                                                                                              201, 221

Общий                                                                                                                               222

Служба изоляции, защиты от перенапряжений и испытаний высоковольтного оборудования (I - III)

Начальник службы                                                                                                          395

Заместитель начальника службы                                                                                  396

Начальники секторов                                                                                             286, 296

Начальник лаборатории                                                                                                 274

Общий                                                                                                                               295

Электротехническая служба (IV)

Начальник службы                                                                                                          393

Заместитель начальника службы                                                                                  394

Начальники секторов                                                                                              321, 322

Начальник лаборатории                                                                                                 221

Общие                                                                                                                       293, 294

Центральная служба релейной защиты и электроавтоматики (I - IV)

Начальник службы                                                                                                          385

Заместитель начальника службы                                                                                  384

Начальники секторов                                                                                              383, 283

Начальник лаборатории                                                                                                 386

Общие                                                                                                                       284, 285

Служба средств диспетчерского и технологического управления (I - IV)

Начальник службы                                                                                                          390

Заместитель начальника службы (начальник узла СДТУ)                                         397

Начальники секторов                                                                                              298, 299

Начальник лаборатории                                                                                                 297

ЛАП, дежурный по связи                                                                                               398

Справочная АТС                                                                                                              399

Метрологическая служба (I - II)

Начальник службы                                                                                                          335

Заместитель начальника службы                                                                                  336

Начальник сектора                                                                                                          237

Начальник лаборатории                                                                                                 235

Общий                                                                                                                               236

Отдел АСУ (I - II)

Начальник отдела                                                                                                            346

Заместитель начальника отдела                                                                                    341

Начальник бюро                                                                                                              240

Начальник машины                                                                                                         323

Общие                                                                                                                       223, 246

Служба вычислительной машины (III - IV)

Начальник службы                                                                                                          346

Заместитель начальника службы                                                                                  341

Общие                                                                                                                       240, 246

Топливно-транспортная служба (I - II)

Начальник службы                                                                                                          391

Заместитель начальника службы                                                                                  392

Начальники секторов                                                                                              260, 261

Общие                                                                                                                       291, 292

Служба (группа работников) надежности и техники безопасности (I - IV)

Начальник службы                                                                                                          354

Заместитель начальника службы                                                                                  247

Начальники секторов                                                                                              253, 254

Общий                                                                                                                               347

Проектно-конструкторское бюро (I - IV)

Начальник бюро                                                                                                              333

Заместитель начальника бюро                                                                                      334

Начальник сектора                                                                                                          238

Общий                                                                                                                               234

Лаборатория НОТ и управления производством (I - II)

Начальник лаборатории                                                                                                 345

Общий                                                                                                                               245

Служба тепловой автоматики и измерений

Начальник службы                                                                                                          268

Заместитель начальника службы                                                                                  269

Служба эксплуатации зданий и сооружений

Начальник службы                                                                                                          266

Заместитель начальника службы                                                                                  267

Учебный комбинат

Директор                                                                                                                          305

* Указаны категории ПЭО.

5. Единые абонентские номера ЦАТС предприятий электрических сетей

Управление

Директор                                                                                                                          350

Главный инженер                                                                                                            351

Заместитель директора                                                                                                   360

Заместитель главного инженера                                                                                   361

Старший инженер по технике безопасности                                                               354

Старший инженер по технике эксплуатации                                                               353

Старший инспектор по кадрам                                                                                      357

Секретарь                                                                                                                         359

Партийные и общественные организации

Партком                                                                                                                            369

Местком                                                                                                                           379

Комитет ВЛКСМ                                                                                                             368

Планово-экономический отдел

Начальник отдела                                                                                                            355

Общий

Бухгалтерия

Главный бухгалтер                                                                                                          358

Общий                                                                                                                               328

Отдел материально-технического снабжения

Начальник отдела                                                                                                            367

Общие                                                                                                                       308, 309

Группа хозяйственного обслуживания

Заведующий хозяйством                                                                                                 363

Отдел капитального строительства

Начальник отдела                                                                                                            364

Общий                                                                                                                               313

Производственно-техническая служба

Начальник службы                                                                                                          365

Заместитель начальника службы                                                                                  326

Руководитель группы                                                                                              324, 325

Общий                                                                                                                               327

Производственные подразделения

Оперативно-диспетчерская служба

Начальник службы                                                                                                          370

Заместитель начальника службы                                                                                  371

Диспетчер предприятия                                                                                                 352

Старший инженер по режимам                                                                                     372

Служба релейной защиты, электроавтоматики и электроизмерений (с лабораторией)

Начальник службы                                                                                                          385

Заместитель начальника службы                                                                                  384

Общий                                                                                                                               383

Служба изоляции и защиты от перенапряжений (с лабораторией и химической группой)

Начальник службы                                                                                                          395

Заместитель начальника службы                                                                                  396

Электролаборатория                                                                                                       386

Химическая группа                                                                                                         387

Общий                                                                                                                               389

Служба СДТУ

Начальник службы                                                                                                          390

Заместитель начальника службы                                                                                  397

ЛАЦ, дежурный по связи                                                                                               398

Справочная АТС                                                                                                              399

Служба сельской электрификации

Начальник службы                                                                                                          321

Заместитель начальника службы                                                                                  322

Общий                                                                                                                               323

Служба линий (35 кВ и выше)

Начальник службы                                                                                                          373

Общие                                                                                                                               374

Служба подстанций (35 кВ и выше)

Начальник службы                                                                                                          377

Общий                                                                                                                               378

Служба высоковольтных электрических сетей (35 кВ и выше)

Начальник службы                                                                                                          335

Общий                                                                                                                               334

6. Единые абонентские номера АТС районов электрических сетей

Начальник РЭС                                                                                                                  50

Старший инженер РЭС                                                                                                     51

Диспетчер РЭС                                                                                                                  52

Экономист                                                                                                                         55

Начальники электроподстанций                                                                              40 - 49

Начальник цеха по ремонту оборудования                                                                    15

Старший мастер                                                                                                                14

Мастер                                                                                                                                11

Служба распределительных сетей

Начальник службы                                                                                                          375

Общий                                                                                                                               376

Мастерская (цех) по ремонту оборудования

Начальник мастерской                                                                                                   393

Ремонтно-строительный участок

Начальник участка                                                                                                          394

Служба механизации и транспорта (с гаражом)

Начальник службы                                                                                                          391

Общий                                                                                                                               392

Учебный комбинат

Директор                                                                                                                          305

ПЕРЕЧЕНЬ ПРИНЯТЫХ СОКРАЩЕНИЙ

АСУ              - автоматизированная система управления.

АСДУ            - автоматизированная система диспетчерского управления.

АПТС            - автоматизированная производственная телефонная сеть.

АТС               - автоматическая телефонная станция.

АДАСЭ         - аппаратура дальней автоматической связи энергосистем.

АРУМ           - автоматическое регулирование частоты и мощности.

ВРК               - временное разделение канала.

ВЛ                 - высоковольтная линия.

ГАТС            - городская автоматическая телефонная станция.

ГЩУ             - главный щит управления.

ДП                 - диспетчерский пункт.

ДК                 - диспетчерский коммутатор.

ДАТС            - диспетчерская АТС.

ДШС             - декадно-шаговая система.

ДАС              - дальняя автоматическая связь.

КД                 - коммутатор директорский.

КДНЭ            - комплект дальнего набора энергосистем.

КПТС

Минэнерго

Ссср             - комплексные производственные телефонные сети Минэнерго СССР

МК                 - междугородный коммутатор

МТС              - междугородная телефонная станция.

МПТТС

Минэнерго

СССР             - магистральная производственно-технологическая телефонная сеть Минэнерго СССР.

ОДУ              - объединенное диспетчерское управление.

ОИК              - оперативно-информационный комплекс.

ОДТС

Минэнерго

СССР             - оперативно-диспетчерская телефонная сеть Минэнерго СССР.

ОГСТфС       - общегосударственная система автоматизированной телефонной связи.

ПО ДЭП        - производственное объединение «Дальние электропередачи».

ПТС               - производственная телефонная сеть.

ПЭС               - предприятие электрических сетей.

ПС                 - подстанция.

ПС ВН           - подстанция высокого напряжения (330 - 500 кВ).

ПС СВН        - подстанция сверх высокого напряжения 750 кВ и выше.

ПЭО              - производственное энергетическое объединение.

ПАА              - противоаварийная автоматика.

ПД                 - пульт диспетчера.

ПТТС

Минэнерго

СССР             - производственно-технологическая телефонная сеть Минэнерго СССР.

ПТТСЭ          - производственно-технологическая телефонная сеть энергосистем.

ПТСЭ            - производственно-технологическая сеть энергосистем.

РАТС             - районная автоматическая телефонная станция.

РС                  - район электрических сетей.

СЛ                 - соединительная линия.

ТЧ                  - тональная частота.

ТПО               - территориально-производственное объединение.

УАК              - узел автоматической коммутации.

УЭС               - участок электрических сетей.

ЦПТС            - центральная производственная телефонная сеть.

ЦДУ              - центральное диспетчерское управление.

ЦДП              - центральный диспетчерский пункт энергосистемы.

ЦАТС            - центральная автоматическая телефонная станция.

ЦМТС           - центральная междугородная телефонная станция.

ЧНН              - час наибольшей нагрузки.

ЧрК               - частотное разделение канала.

Щу                - щит управления.

ЭДТС            - диспетчерская телефонная станция для энергосистем.

ПМЭП           - предприятие межсистемных электропередач.

УСЛОВНЫЕ ОБОЗНАЧЕНИЯ К РИСУНКАМ

телефонные каналы диспетчерской связи;

телефонные каналы производственно-технологической связи;

возможные каналы связи;

цифровые каналы 64×32 (первичные группы - 2,048 Мбит/с);

комплексное использование каналов для диспетчерской и технологической связи;

транслятор (отдельное устройство или входящее в состав АТС);

телефонный аппарат;

прямой абонент;

АТС Минсвязи СССР;

МТС Минсвязи СССР;

АТС;

АТС электронной, квазиэлектронной системы;

АТС диспетчерской связи электронной, квазиэлектронной системы,

где ЦС - центральная станция;

ОС - оконечная станция;

УС - узловая станция;

УАК - узел автоматической коммутации;

электропредприятия Москвы (строительные, проектные и прочие технические организации);

эдтс, дк;

- ЦМТС, МТС, КД, МК;

- подстанция;

- АТС диспетчерской связи (ОДТС);

- ЭАТС цифровой системы интегральной сети связи;

- АТС аналоговая; электродной или квазиэлектронной системы с РМТС;

- ДАТС (АТС диспетчерской связи) с пультом диспетчера;

- пульт диспетчера (ПД);

диспетчерская станция (ДС);

- удаленный абонент РУС;

АВС - магистральный код;

ав - зоновый код;

ab - внутризоновый код;

M*- отличительная направляющая цифра в случае двух одинаковых зоновых кодов.

 

СОДЕРЖАНИЕ

1. Общая часть. 1

2. Назначение системы.. 2

3. Характеристики передаваемых сообщений. 3

4. Существующее состояние системы автоматизированной телефонной связи Минэнерго СССР. 3

5. Основные направления развития средств связи Минэнерго СССР. 4

6. Общие принципы построения сетей связи Минэнерго СССР. 5

7. Принципы построения и структура комплексных производственных телефонных сетей Минэнерго СССР. 10

8. Принципы построения производственно-технологических телефонных сетей Минэнерго СССР. 21

9. Принципы организации автоматизированной оперативно-диспетчерской телефонной сети Минэнерго СССР. 24

10. Нумерация на автоматизированных производственных телефонных сетях Минэнерго СССР. 27

11. Линейные сигналы и система отбоя на АПТС Минэнерго СССР. 29

12. Распределение затуханий по участкам и требования к транзитам на АПТС Минэнерго СССР. 31

Приложение 1 Основные данные и коды АТС, используемые на АПТС Минэнерго СССР. 32

Приложение 2 Единые абонентские номера АТС.. 39

Перечень принятых сокращений. 52

Условные обозначения к рисункам.. 53

 

 



© 2013 Ёшкин Кот :-)