ГОСТ 17378-2001
(ИСО 3419-81)
МЕЖГОСУДАРСТВЕННЫЙ
СТАНДАРТ
Детали трубопроводов бесшовные приварные
из углеродистой и низколегированной стали
ПЕРЕХОДЫ
Конструкция
|

|
Москва
Стандартинформ
2010
|
Предисловие
1 РАЗРАБОТАН ОАО «Корпорация МОНТАЖСПЕЦСТРОЙ»
ВНЕСЕН Государственным комитетом Российской Федерации по
стандартизации и метрологии
2 ПРИНЯТ Межгосударственным советом по стандартизации,
метрологии и сертификации (протокол № 20 от 1 ноября 2001 г.)
За принятие проголосовали:
|
Наименование государства
|
Наименование национального органа по стандартизации
|
|
Азербайджанская Республика
|
Азгосстандарт
|
|
Республика Армения
|
Армгосстандарт
|
|
Республика Беларусь
|
Госстандарт Республики
Беларусь
|
|
Грузия
|
Грузстандарт
|
|
Республика Казахстан
|
Госстандарт Республики
Казахстан
|
|
Кыргызская Республика
|
Кыргызстандарт
|
|
Республика Молдова
|
Молдовастандарт
|
|
Российская Федерация
|
Госстандарт России
|
|
Республика Таджикистан
|
Таджикстандарт
|
|
Туркменистан
|
Главгосслужба
«Туркменстандартлары»
|
|
Республика Узбекистан
|
Узгосстандарт
|
|
Украина
|
Госстандарт Украины
|
Изменение № 1 принято Межгосударственным советом по
стандартизации, метрологии и сертификации (протокол № 29 от 24 июня 2006 г.)
За принятие изменения проголосовали национальные органы по
стандартизации следующих государств: АМ, КZ, КG, МD, RU, TJ, UZ, UА
[коды альфа-2 по МК (ИСО 3166) 004]
3 Стандарт соответствует ИСО 3419-81 «Фитинги из легированной
и нелегированной стали приварные встык» в части конструкции переходов
4 Постановлением Государственного комитета Российской
Федерации по стандартизации и метрологии от 27 мая 2002 г. № 205-ст
межгосударственный стандарт ГОСТ 17378-2001 (ИСО 3419-81) введен в действие в
качестве государственного стандарта Российской Федерации с 1 января 2003 г.
5 ВЗАМЕН ГОСТ
17378-83
6 ИЗДАНИЕ (ноябрь 2009 г.) с Изменением № 1, принятым в апреле
2007 г. (ИУС 7-2007)
ГОСТ
17378-2001
(ИСО 3419-81)
МЕЖГОСУДАРСТВЕННЫЙ
СТАНДАРТ
Детали трубопроводов бесшовные приварные из
углеродистой
и низколегированной стали
ПЕРЕХОДЫ
Конструкция
Carbon and
low-alloy steel butt-welding fittings.
Reducers. Design
Дата
введения 2003-01-01
1 Область применения
Настоящий стандарт распространяется на бесшовные приварные
концентрические и эксцентрические переходы из углеродистой и низколегированной
стали.
Область применения переходов - в соответствии с разделом 1 ГОСТ
17380.
Требования пунктов 4.1
- 4.3 и раздела 5 являются обязательными,
остальные требования - рекомендуемыми.
2 Нормативные ссылки
В настоящем стандарте использована ссылка на ГОСТ
17380-2001 (ИСО
3419-81) Детали трубопроводов бесшовные приварные из углеродистой и
низколегированной стали. Общие технические условия
3 Определения, обозначения и
сокращения
Термины, их определения, обозначения и сокращения - по ГОСТ
17380.
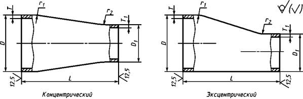
4 Конструкция и размеры
4.1 Конструкция и размеры переходов
должны соответствовать указанным на рисунке 1 и в таблицах 1 и 2.

Рисунок
1
Таблица 1 - Переходы исполнения 1
Размеры в миллиметрах
|
DN
|
D
|
T
|
D1
|
T1
|
L
|
Масса, кг
|
|
20
|
26,9
|
2,0
|
21,3
|
2,0
|
38
|
0,05
|
|
3,2
|
3,2
|
0,07
|
|
4,0
|
4,0
|
0,09
|
|
25
|
33,7
|
2,3
|
2,0
|
51
|
0,09
|
|
3,2
|
3,2
|
0,12
|
|
4,5
|
4,0
|
0,16
|
|
2,3
|
26,9
|
2,0
|
0,09
|
|
3,2
|
3,2
|
0,12
|
|
4,5
|
4,0
|
0,16
|
|
32
|
42,4
|
2,6
|
21,3
|
2,0
|
0,13
|
|
3,6
|
3,2
|
0,17
|
|
5,0
|
4,0
|
0,23
|
|
2,6
|
26,9
|
2,0
|
0,13
|
|
3,6
|
3,2
|
0,17
|
|
5,0
|
4,0
|
0,23
|
|
2,6
|
33,7
|
2,3
|
0,13
|
|
3,6
|
3,2
|
0,17
|
|
5,0
|
4,5
|
0,23
|
|
40
|
48,3
|
2,6
|
26,9
|
2,0
|
64
|
0,19
|
|
3,6
|
3,2
|
0,25
|
|
5,0
|
4,0
|
0,34
|
|
2,6
|
33,7
|
2,3
|
0,19
|
|
3,6
|
3,2
|
0,25
|
|
5,0
|
4,5
|
0,34
|
|
2,6
|
42,4
|
2,6
|
0,19
|
|
3,6
|
3,6
|
0,25
|
|
5,0
|
5,0
|
0,34
|
|
50
|
60,3
|
2,9
|
33,7
|
2,3
|
76
|
0,31
|
|
4,0
|
3,2
|
0,42
|
|
5,6
|
4,5
|
0,58
|
|
2,9
|
42,4
|
2,6
|
0,31
|
|
4,0
|
3,6
|
0,42
|
|
5,6
|
5,0
|
0,58
|
|
2,9
|
48,3
|
2,6
|
0,31
|
|
4,0
|
3,6
|
0,42
|
|
5,6
|
5,0
|
0,58
|
|
65
|
76,1
|
2,9
|
42,4
|
2,6
|
89
|
0,47
|
|
5,0
|
3,6
|
0,78
|
|
7,1
|
5,0
|
1,10
|
|
2,9
|
48,3
|
2,6
|
0,47
|
|
5,0
|
3,6
|
0,78
|
|
7,1
|
5,0
|
1,10
|
|
2,9
|
60,3
|
2,9
|
0,47
|
|
5,0
|
4,0
|
0,78
|
|
7,1
|
5,6
|
1,10
|
|
80
|
88,9
|
3,2
|
48,3
|
2,6
|
0,60
|
|
5,6
|
3,6
|
1,00
|
|
8,0
|
5,0
|
1,40
|
|
3,2
|
60,3
|
2,9
|
0,60
|
|
5,6
|
4,0
|
1,00
|
|
8,0
|
5,6
|
1,40
|
|
3,2
|
76,1
|
2,9
|
0,60
|
|
5,6
|
5,0
|
1,00
|
|
8,0
|
7,1
|
1,40
|
|
100
|
114,3
|
3,6
|
60,3
|
2,9
|
102
|
1,00
|
|
6,3
|
4,0
|
1,70
|
|
8,8
|
5,6
|
2,30
|
|
3,6
|
76,1
|
2,9
|
1,00
|
|
6,3
|
5,0
|
1,70
|
|
8,8
|
7,1
|
2,30
|
|
3,6
|
88,9
|
3,2
|
1,00
|
|
6,3
|
5,6
|
1,70
|
|
8,8
|
8,0
|
2,30
|
|
125
|
139,7
|
4,0
|
76,1
|
2,9
|
127
|
1,70
|
|
6,3
|
5,0
|
2,60
|
|
10,0
|
7,1
|
4,10
|
|
4,0
|
88,9
|
3,2
|
1,70
|
|
6,3
|
5,6
|
2,60
|
|
10,0
|
8,0
|
4,10
|
|
4,0
|
114,3
|
3,6
|
1,70
|
|
6,3
|
6,3
|
2,60
|
|
10,0
|
8,8
|
4,10
|
|
150
|
168,3
|
4,5
|
88,9
|
3,2
|
140
|
2,50
|
|
7,1
|
5,6
|
3,90
|
|
11,0
|
8,8
|
6,00
|
|
4,5
|
114,3
|
3,6
|
2,50
|
|
7,1
|
6,3
|
3,90
|
|
11,0
|
8,8
|
6,00
|
|
4,5
|
139,7
|
4,0
|
2,50
|
|
7,1
|
6,3
|
3,90
|
|
11,0
|
10,0
|
6,00
|
|
200
|
219,1
|
6,3
|
114,3
|
3,6
|
152
|
5,10
|
|
8,0
|
6,3
|
6,30
|
|
12,5
|
8,8
|
9,70
|
|
6,3
|
139,7
|
4,0
|
5,10
|
|
8,0
|
6,3
|
6,30
|
|
12,5
|
10,0
|
9,70
|
|
6,3
|
168,3
|
4,5
|
5,10
|
|
8,0
|
7,1
|
6,30
|
|
12,5
|
11,0
|
9,70
|
|
250
|
273,0
|
6,3
|
139,7
|
4,0
|
178
|
7,40
|
|
10,0
|
6,3
|
12,00
|
|
6,3
|
168,3
|
4,5
|
7,40
|
|
10,0
|
7,1
|
12,00
|
|
6,3
|
219,1
|
6,3
|
7,40
|
|
10,0
|
8,0
|
12,00
|
|
300
|
323,9
|
7,1
|
168,3
|
4,5
|
203
|
11,00
|
|
10,0
|
7,1
|
16,00
|
|
7,1
|
219,1
|
6,3
|
11,00
|
|
10,0
|
8,0
|
16,00
|
|
7,1
|
273,0
|
6,3
|
11,00
|
|
10,0
|
10,0
|
16,00
|
|
350
|
355,6
|
8,0
|
219,1
|
6,3
|
330
|
23,00
|
|
11,0
|
8,0
|
31,00
|
|
8,0
|
273,0
|
6,3
|
23,00
|
|
11,0
|
10,0
|
31,00
|
|
8,0
|
323,9
|
7,1
|
23,00
|
|
11,0
|
10,0
|
31,00
|
|
400
|
406,4
|
8,8
|
273,0
|
6,3
|
356
|
31,00
|
|
12,5
|
10,0
|
43,00
|
|
8,8
|
323,9
|
7,1
|
31,00
|
|
12,5
|
10,0
|
43,00
|
|
8,8
|
355,6
|
8,0
|
31,00
|
|
12,5
|
11,0
|
43,00
|
|
450
|
457,0
|
10,0
|
323,9
|
7,1
|
381
|
42,00
|
|
355,6
|
8,0
|
|
406,4
|
8,8
|
|
500
|
508,0
|
11,0
|
355,6
|
8,0
|
508
|
65,00
|
|
406,4
|
8,8
|
|
457,0
|
10,0
|
|
600
|
610,0
|
12,5
|
406,4
|
8,8
|
508
|
94,0
|
|
457,0
|
10,0
|
|
508,0
|
11,0
|
|
700
|
711,0
|
-
|
457,0
|
10,0
|
610
|
-
|
|
508,0
|
11,0
|
|
610,0
|
12,5
|
|
800
|
813,0
|
508,0
|
11,0
|
|
610,0
|
12,5
|
|
711,0
|
-
|
|
900
|
914,0
|
610,0
|
12,5
|
|
711,0
|
-
|
|
813,0
|
|
|
1000
|
1016,0
|
711,0
|
|
|
813,0
|
-
|
|
914,0
|
|
|
Примечание - Масса приведена для справок.
|
Таблица 2 - Переходы исполнения 2
Размеры в миллиметрах
|
DN
|
D
|
T
|
D1
|
T1
|
L
|
Масса, кг
|
|
32
|
38
|
2,0
|
32
|
2,0
|
30
|
0,1
|
|
3,0
|
3,0
|
0,2
|
|
4,0
|
4,0
|
0,2
|
|
2,0
|
25
|
1,6
|
0,1
|
|
3,0
|
3,0
|
0,2
|
|
4,0
|
3,0
|
0,2
|
|
40
|
45
|
2,5
|
1,6
|
0,1
|
|
4,0
|
3,0
|
0,2
|
|
5,0
|
3,0
|
0,3
|
|
2,5
|
32
|
2,0
|
0,1
|
|
4,0
|
4,0
|
0,2
|
|
5,0
|
5,0
|
0,3
|
|
2,5
|
38
|
2,0
|
0,1
|
|
4,0
|
4,0
|
0,2
|
|
5,0
|
5,0
|
0,3
|
|
50
|
57
|
3,0
|
25
|
1,6
|
45
|
0,2
|
|
4,0
|
1,6
|
0,3
|
|
5,0
|
3,0
|
0,3
|
|
6,0
|
3,0
|
0,4
|
|
3,0
|
32
|
2,0
|
45
|
0,2
|
|
4,0
|
2,0
|
0,3
|
|
5,0
|
3,0
|
0,3
|
|
6,0
|
4,0
|
0,4
|
|
3,0
|
38
|
2,0
|
0,2
|
|
4,0
|
4,0
|
0,3
|
|
5,0
|
4,0
|
0,3
|
|
6,0
|
4,0
|
0,4
|
|
3,0
|
45
|
2,5
|
0,2
|
|
3,5
|
2,5
|
0,2
|
|
4,0
|
3,0
|
0,3
|
|
5,0
|
4,0
|
0,3
|
|
6,0
|
5,0
|
0,4
|
|
3,0
|
2,5
|
60
|
0,2
|
|
4,0
|
2,5
|
0,3
|
|
5,0
|
4,0
|
0,3
|
|
6,0
|
5,0
|
0,4
|
|
65
|
76
|
3,0
|
38
|
2,0
|
55
|
0,3
|
|
3,5
|
2,5
|
0,4
|
|
5,0
|
3,0
|
0,6
|
|
6,0
|
3,0
|
0,6
|
|
7,0
|
4,0
|
0,7
|
|
3,0
|
45
|
2,5
|
70
|
0,4
|
|
3,5
|
2,5
|
0,5
|
|
5,0
|
4,0
|
0,6
|
|
6,0
|
4,0
|
0,7
|
|
7,0
|
5,0
|
0,8
|
|
3,0
|
57
|
3,0
|
0,3
|
|
3,5
|
3,0
|
0,4
|
|
5,0
|
4,0
|
0,6
|
|
6,0
|
5,0
|
0,7
|
|
7,0
|
6,0
|
0,8
|
|
80
|
89
|
3,5
|
45
|
2,5
|
75
|
0,6
|
|
6,0
|
4,0
|
0,9
|
|
8,0
|
5,0
|
1,2
|
|
3,5
|
57
|
3,0
|
0,6
|
|
6,0
|
4,0
|
0,9
|
|
8,0
|
5,0
|
1,2
|
|
3,5
|
76
|
3,0
|
55
|
0,5
|
|
4,0
|
3,5
|
0,5
|
|
6,0
|
5,0
|
0,7
|
|
8,0
|
6,0
|
0,9
|
|
3,5
|
3,5
|
75
|
0,6
|
|
6,0
|
5,0
|
0,9
|
|
8,0
|
6,0
|
1,2
|
|
100
|
108
|
4,0
|
57
|
3,0
|
80
|
0,9
|
|
6,0
|
4,0
|
1,2
|
|
8,0
|
5,0
|
1,6
|
|
9,0
|
6,0
|
1,8
|
|
4,0
|
76
|
3,5
|
0,9
|
|
6,0
|
5,0
|
1,2
|
|
8,0
|
6,0
|
1,6
|
|
9,0
|
7,0
|
1,8
|
|
4,0
|
89
|
3,5
|
0,9
|
|
6,0
|
6,0
|
1,2
|
|
8,0
|
8,0
|
1,6
|
|
9,0
|
8,0
|
1,8
|
|
114
|
4,0
|
57
|
3,0
|
1,0
|
|
6,0
|
4,0
|
1,3
|
|
8,0
|
5,0
|
1,7
|
|
9,0
|
6,0
|
1,9
|
|
4,0
|
76
|
3,5
|
1,0
|
|
6,0
|
5,0
|
1,3
|
|
8,0
|
6,0
|
1,7
|
|
9,0
|
7,0
|
1,9
|
|
4,0
|
89
|
3,5
|
1,0
|
|
6,0
|
6,0
|
1,3
|
|
8,0
|
8,0
|
1,7
|
|
9,0
|
8,0
|
1,9
|
|
125
|
133
|
4,0
|
57
|
3,0
|
100
|
1,3
|
|
8,0
|
4,0
|
2,5
|
|
10,0
|
5,0
|
3,1
|
|
5,0
|
76
|
3,5
|
1,6
|
|
8,0
|
5,0
|
2,5
|
|
10,0
|
6,0
|
3,1
|
|
4,0
|
89
|
3,5
|
1,3
|
|
6,0
|
5,0
|
1,9
|
|
8,0
|
6,0
|
2,5
|
|
5,0
|
108
|
4,0
|
1,6
|
|
8,0
|
6,0
|
2,5
|
|
8,0
|
8,0
|
2,5
|
|
10,0
|
9,0
|
3,1
|
|
5,0
|
4,0
|
80
|
1,3
|
|
6,0
|
5,0
|
1,6
|
|
8,0
|
7,0
|
2,0
|
|
10,0
|
9,0
|
2,5
|
|
5,0
|
114
|
4,5
|
1,3
|
|
6,0
|
5,0
|
1,6
|
|
8,0
|
6,0
|
2,0
|
|
10,0
|
8,0
|
2,5
|
|
5,0
|
4,0
|
100
|
1,6
|
|
8,0
|
6,0
|
2,5
|
|
8,0
|
8,0
|
2,5
|
|
10,0
|
9,0
|
3,1
|
|
150
|
159
|
4,5
|
57
|
3,0
|
75
|
1,5
|
|
8,0
|
4,0
|
2,6
|
|
10,0
|
5,0
|
3,2
|
|
12,0
|
6,0
|
3,9
|
|
4,5
|
76
|
3,5
|
1,5
|
|
8,0
|
5,0
|
2,6
|
|
10,0
|
6,0
|
3,2
|
|
12,0
|
7,0
|
3,9
|
|
4,5
|
89
|
3,5
|
130
|
2,3
|
|
8,0
|
6,0
|
3,9
|
|
10,0
|
8,0
|
4,8
|
|
12,0
|
8,0
|
5,9
|
|
4,5
|
108
|
4,0
|
2,3
|
|
8,0
|
6,0
|
3,9
|
|
10,0
|
8,0
|
4,8
|
|
12,0
|
9,0
|
5,9
|
|
4,5
|
114
|
4,0
|
2,3
|
|
8,0
|
6,0
|
3,9
|
|
10,0
|
8,0
|
4,8
|
|
12,0
|
9,0
|
5,9
|
|
5,0
|
4,0
|
105
|
2,0
|
|
6,0
|
5,0
|
2,5
|
|
8,0
|
6,0
|
3,1
|
|
10,0
|
8,0
|
3,8
|
|
5,0
|
133
|
4,5
|
2,0
|
|
6,0
|
5,0
|
2,5
|
|
8,0
|
7,0
|
3,1
|
|
10,0
|
9,0
|
3,8
|
|
4,5
|
4,0
|
130
|
2,3
|
|
8,0
|
8,0
|
3,9
|
|
10,0
|
10,0
|
4,8
|
|
12,0
|
10,0
|
5,9
|
|
168
|
4,5
|
57
|
3,0
|
75
|
1,6
|
|
8,0
|
4,0
|
2,7
|
|
10,0
|
5,0
|
3,3
|
|
12,0
|
6,0
|
4,0
|
|
4,5
|
76
|
3,5
|
1,6
|
|
8,0
|
5,0
|
2,7
|
|
10,0
|
6,0
|
3,3
|
|
12,0
|
7,0
|
4,0
|
|
150
|
168
|
4,5
|
89
|
3,5
|
130
|
2,6
|
|
8,0
|
6,0
|
4,1
|
|
10,0
|
8,0
|
5,1
|
|
12,0
|
8,0
|
6,2
|
|
4,5
|
108
|
4,0
|
2,6
|
|
8,0
|
6,0
|
4,1
|
|
10,0
|
8,0
|
5,1
|
|
12,0
|
9,0
|
6,2
|
|
4,5
|
114
|
4,0
|
2,6
|
|
8,0
|
6,0
|
4,1
|
|
10,0
|
8,0
|
5,1
|
|
12,0
|
9,0
|
6,2
|
|
4,5
|
133
|
4,0
|
2,6
|
|
8,0
|
8,0
|
4,1
|
|
10,0
|
10,0
|
5,1
|
|
12,0
|
10,0
|
6,2
|
|
200
|
219
|
6,0
|
57
|
3,0
|
95
|
2,9
|
|
10,0
|
4,0
|
4,6
|
|
12,0
|
4,0
|
5,5
|
|
14,0
|
5,0
|
6,4
|
|
16,0
|
6,0
|
7,3
|
|
6,0
|
76
|
3,5
|
2,9
|
|
10,0
|
5,0
|
4,6
|
|
12,0
|
5,0
|
5,5
|
|
14,0
|
6,0
|
6,4
|
|
16,0
|
7,0
|
7,3
|
|
6,0
|
89
|
3,5
|
2,9
|
|
10,0
|
5,0
|
4,6
|
|
12,0
|
5,0
|
5,5
|
|
14,0
|
6,0
|
6,4
|
|
16,0
|
8,0
|
7,3
|
|
6,0
|
108
|
4,0
|
2,9
|
|
10,0
|
6,0
|
4,6
|
|
12,0
|
8,0
|
5,5
|
|
14,0
|
8,0
|
6,4
|
|
16,0
|
9,0
|
7,3
|
|
6,0
|
114
|
4,0
|
2,9
|
|
10,0
|
6,0
|
4,6
|
|
12,0
|
8,0
|
5,5
|
|
14,0
|
8,0
|
6,4
|
|
16,0
|
9,0
|
7,3
|
|
6,0
|
133
|
4,0
|
140
|
4,4
|
|
10,0
|
8,0
|
7,2
|
|
12,0
|
8,0
|
8,8
|
|
14,0
|
10,0
|
10,0
|
|
16,0
|
10,0
|
12,0
|
|
6,0
|
159
|
4,5
|
4,4
|
|
10,0
|
8,0
|
7,2
|
|
12,0
|
10,0
|
8,8
|
|
14,0
|
12,0
|
10,0
|
|
16,0
|
12,0
|
12,0
|
|
6,0
|
168
|
4,5
|
4,4
|
|
10,0
|
8,0
|
7,2
|
|
12,0
|
10,0
|
8,8
|
|
14,0
|
12,0
|
10,0
|
|
16,0
|
12,0
|
12,0
|
|
250
|
273
|
7,0
|
108
|
4,0
|
6,0
|
|
10,0
|
6,0
|
8,5
|
|
12,0
|
8,0
|
10,0
|
|
14,0
|
8,0
|
12,0
|
|
16,0
|
9,0
|
13,0
|
|
18,0
|
9,0
|
15,0
|
|
7,0
|
114
|
4,0
|
6,0
|
|
10,0
|
6,0
|
8,5
|
|
12,0
|
8,0
|
10,0
|
|
14,0
|
8,0
|
12,0
|
|
16,0
|
9,0
|
13,0
|
|
18,0
|
9,0
|
15,0
|
|
7,0
|
133
|
4,0
|
6,0
|
|
10,0
|
6,0
|
8,5
|
|
12,0
|
8,0
|
10,0
|
|
14,0
|
8,0
|
12,0
|
|
16,0
|
10,0
|
13,0
|
|
18,0
|
10,0
|
15,0
|
|
7,0
|
159
|
4,5
|
180
|
8,3
|
|
10,0
|
8,0
|
12,0
|
|
12,0
|
10,0
|
14,0
|
|
14,0
|
10,0
|
16,0
|
|
16,0
|
12,0
|
18,0
|
|
18,0
|
12,0
|
20,0
|
|
7,0
|
168
|
4,5
|
8,3
|
|
10,0
|
8,0
|
12,0
|
|
12,0
|
10,0
|
14,0
|
|
14,0
|
10,0
|
16,0
|
|
16,0
|
12,0
|
18,0
|
|
18,0
|
12,0
|
20,0
|
|
7,0
|
219
|
6,0
|
8,3
|
|
10,0
|
8,0
|
12,0
|
|
12,0
|
10,0
|
14,0
|
|
14,0
|
12,0
|
16,0
|
|
16,0
|
14,0
|
18,0
|
|
18,0
|
16,0
|
20,0
|
|
300
|
325
|
8,0
|
108
|
4,0
|
140
|
9,0
|
|
10,0
|
4,0
|
11,0
|
|
12,0
|
6,0
|
16,0
|
|
14,0
|
6,0
|
18,0
|
|
16,0
|
8,0
|
20,0
|
|
18,0
|
8,0
|
23,0
|
|
22,0
|
9,0
|
28,0
|
|
8,0
|
114
|
4,0
|
9,0
|
|
10,0
|
4,0
|
11,0
|
|
12,0
|
6,0
|
16,0
|
|
14,0
|
6,0
|
18,0
|
|
16,0
|
8,0
|
20,0
|
|
18,0
|
8,0
|
23,0
|
|
22,0
|
9,0
|
28,0
|
|
8,0
|
133
|
5,0
|
11,0
|
|
10,0
|
6,0
|
13,0
|
|
12,0
|
8,0
|
16,0
|
|
14,0
|
8,0
|
18,0
|
|
16,0
|
8,0
|
20,0
|
|
18,0
|
10,0
|
23,0
|
|
22,0
|
10,0
|
28,0
|
|
8,0
|
159
|
4,5
|
11,0
|
|
10,0
|
6,0
|
14,0
|
|
12,0
|
8,0
|
16,0
|
|
14,0
|
8,0
|
18,0
|
|
16,0
|
10,0
|
20,0
|
|
18,0
|
10,0
|
23,0
|
|
22,0
|
12,0
|
28,0
|
|
8,0
|
168
|
4,0
|
11,0
|
|
10,0
|
6,0
|
14,0
|
|
12,0
|
8,0
|
16,0
|
|
14,0
|
8,0
|
18,0
|
|
16,0
|
10,0
|
20,0
|
|
18,0
|
10,0
|
23,0
|
|
22,0
|
12,0
|
28,0
|
|
8,0
|
219
|
7,0
|
180
|
11,0
|
|
10,0
|
8,0
|
14,0
|
|
12,0
|
10,0
|
17,0
|
|
14,0
|
10,0
|
20,0
|
|
16,0
|
12,0
|
22,0
|
|
18,0
|
14,0
|
25,0
|
|
22,0
|
16,0
|
31,0
|
|
8,0
|
273
|
7,0
|
11,0
|
|
10,0
|
10,0
|
14,0
|
|
12,0
|
12,0
|
17,0
|
|
14,0
|
12,0
|
20,0
|
|
16,0
|
14,0
|
22,0
|
|
18,0
|
16,0
|
25,0
|
|
22,0
|
18,0
|
31,0
|
|
350
|
377
|
12,0
|
159
|
6,0
|
220
|
22,0
|
|
16,0
|
8,0
|
29,0
|
|
20,0
|
10,0
|
35,0
|
|
24,0
|
12,0
|
42,0
|
|
26,0
|
12,0
|
45,0
|
|
12,0
|
168
|
6,0
|
22,0
|
|
16,0
|
8,0
|
29,0
|
|
20,0
|
10,0
|
35,0
|
|
24,0
|
12,0
|
42,0
|
|
26,0
|
12,0
|
45,0
|
|
12,0
|
219
|
8,0
|
22,0
|
|
16,0
|
10,0
|
29,0
|
|
20,0
|
12,0
|
35,0
|
|
24,0
|
14,0
|
42,0
|
|
26,0
|
16,0
|
45,0
|
|
10,0
|
273
|
7,0
|
20,0
|
|
12,0
|
10,0
|
24,0
|
|
14,0
|
12,0
|
28,0
|
|
16,0
|
12,0
|
31,0
|
|
20,0
|
16,0
|
38,0
|
|
24,0
|
18,0
|
45,0
|
|
26,0
|
18,0
|
49,0
|
|
10,0
|
325
|
8,0
|
20,0
|
|
12,0
|
10,0
|
24,0
|
|
14,0
|
12,0
|
28,0
|
|
16,0
|
16,0
|
31,0
|
|
20,0
|
18,0
|
38,0
|
|
24,0
|
22,0
|
45,0
|
|
26,0
|
22,0
|
49,0
|
|
400
|
426
|
12,0
|
159
|
8,0
|
37,0
|
|
16,0
|
10,0
|
53,0
|
|
20,0
|
10,0
|
65,0
|
|
22,0
|
10,0
|
71,0
|
|
26,0
|
12,0
|
83,0
|
|
28,0
|
12,0
|
89,0
|
|
12,0
|
168
|
8,0
|
37,0
|
|
16,0
|
10,0
|
53,0
|
|
20,0
|
10,0
|
65,0
|
|
22,0
|
10,0
|
71,0
|
|
26,0
|
12,0
|
83,0
|
|
28,0
|
12,0
|
89,0
|
|
12,0
|
219
|
8,0
|
32,0
|
|
16,0
|
10,0
|
45,0
|
|
20,0
|
12,0
|
56,0
|
|
22,0
|
12,0
|
61,0
|
|
26,0
|
14,0
|
72,0
|
|
28,0
|
16,0
|
76,0
|
|
12,0
|
273
|
10,0
|
27,0
|
|
16,0
|
12,0
|
36,0
|
|
20,0
|
14,0
|
44,0
|
|
22,0
|
14,0
|
48,0
|
|
26,0
|
18,0
|
56,0
|
|
28,0
|
18,0
|
59,0
|
|
10,0
|
325
|
8,0
|
23,0
|
|
12,0
|
10,0
|
27,0
|
|
14,0
|
12,0
|
31,0
|
|
16,0
|
12,0
|
36,0
|
|
20,0
|
16,0
|
44,0
|
|
22,0
|
18,0
|
48,0
|
|
26,0
|
20,0
|
56,0
|
|
28,0
|
22,0
|
59,0
|
|
10,0
|
377
|
10,0
|
220
|
23,0
|
|
12,0
|
12,0
|
27,0
|
|
14,0
|
14,0
|
31,0
|
|
16,0
|
16,0
|
36,0
|
|
20,0
|
20,0
|
44,0
|
|
22,0
|
20,0
|
48,0
|
|
26,0
|
24,0
|
56,0
|
|
28,0
|
26,0
|
59,0
|
|
500
|
530
|
12,0
|
377
|
10,0
|
300
|
46,0
|
|
14,0
|
12,0
|
54,0
|
|
16,0
|
12,0
|
61,0
|
|
20,0
|
16,0
|
75,0
|
|
22,0
|
20,0
|
81,0
|
|
26,0
|
22,0
|
94,0
|
|
12,0
|
426
|
10,0
|
46,0
|
|
14,0
|
12,0
|
54,0
|
|
16,0
|
16,0
|
61,0
|
|
20,0
|
16,0
|
75,0
|
|
22,0
|
20,0
|
81,0
|
|
26,0
|
22,0
|
94,0
|
|
Примечание - Масса приведена для справок.
|
Примеры
условных обозначений:
- концентрического перехода исполнения 1, D = 76,1 мм, Т = 2,9 мм, D1 = 48,3 мм, Т1 = 2,6 мм из
стали марки Р9:
Переход
К-1-76,1×2,9-48,3×2,6-Р9 ГОСТ 17378-2001
- эксцентрического перехода исполнения 2, D = 76 мм, Т= 3,0 мм, D1
= 45 мм, Т1 = 2,5 мм из стали марки 20:
Переход
Э-76×3-45×2,5 ГОСТ 17378-2001
- то же, из стали марки 09Г2С для трубопроводов,
подконтрольных органам надзора:
Переход
П Э-76×3-45×2,5-09Г2С ГОСТ 17378-2001
(Измененная редакция, Изм. № 1).
4.2 Толщина стенки переходов в неторцевых сечениях должна
быть не менее Т1 при наружном диаметре сечения не более 1,1D1, а в остальных сечениях - не менее Т.
4.3 Радиусы r1
и r2 переходов исполнения
1 должны соответствовать указанным в таблице 3,
а исполнения 2 устанавливаются изготовителем в конструкторской документации с
учетом применяемой технологии изготовления и обеспечения требуемых показателей
прочности и надежности.
Таблица 3 - Радиусы сопряжения поверхностей переходов
|
Тип перехода исполнения 1
|
r1
|
r2
|
|
не менее
|
|
Концентрический
|
0,42D
|
0,4D1
|
|
Эксцентрический
|
0,32D
|
0,3D1
|
(Измененная редакция, Изм. № 1).
4.4 По согласованию между изготовителем и потребителем
(заказчиком) допускается изготовление переходов других размеров.
5 Технические условия
Технические условия - по ГОСТ
17380.
Ключевые
слова: трубопроводы, детали трубопроводов, трубопроводные переходы,
конструкция, размеры
|