Environment protection. Atmosphere. Methods for determination of humidity of gas-and-dust streams from stationary sources of pollution 

Информационная система
«Ёшкин Кот»

XXXecatmenu

ГОСТ 17.2.4.08-90

МЕЖГОСУДАРСТВЕННЫЙ СТАНДАРТ

ОХРАНА ПРИРОДЫ

АТМОСФЕРА

МЕТОДЫ ОПРЕДЕЛЕНИЯ ВЛАЖНОСТИ ГАЗОПЫЛЕВЫХ
ПОТОКОВ, ОТХОДЯЩИХ ОТ СТАЦИОНАРНЫХ ИСТОЧНИКОВ
ЗАГРЯЗНЕНИЯ

ИПК ИЗДАТЕЛЬСТВО СТАНДАРТОВ
Москва

МЕЖГОСУДАРСТВЕННЫЙ СТАНДАРТ

Охрана природы

АТМОСФЕРА

Методы определения влажности
газопылевых потоков, отходящих от стационарных
источников загрязнения

Environment protection. Atmosphere. Methods for determination of
humidity of gas-and-dust streams from stationary sources of pollution

ГОСТ
17.2.4.08-90

Дата введения 01.07.91

Настоящий стандарт устанавливает два метода определения влажности газопылевых потоков (далее - газов), отходящих от стационарных источников загрязнения и не насыщенных водяными парами:

психрометрический - при температуре точки росы не выше 60 °С, при этом парциальное давление водяных паров пропорционально разности показаний сухого и влажного термометров, последовательно обтекаемых струей газа;

конденсационный - при температуре точки росы выше 60 °С. Метод основан на измерении количества влаги в пробе газа известного объема, отбираемой из газохода и охлажденной ниже точки росы.

Стандарт не распространяется на определение влажности газов, содержащих вещества, влияющие на температуру точки росы.

1. СРЕДСТВА ИЗМЕРЕНИЙ И ВСПОМОГАТЕЛЬНЫЕ УСТРОЙСТВА

Манометр типа AM по НД.

Барометр-анероид типа БАММ-1.

Термометры лабораторные по ГОСТ 28498 с ценой деления (0,1 - 0,2) °С.

Весы лабораторные типа ВЛР-200М по ГОСТ 24104*.

__________

* С 1 июля 2002 г. введен в действие ГОСТ 24104-2001.

Реометр стеклянный лабораторный типа РДС-4 по ГОСТ 9932.

Секундомер механический.

Холодильник спиральный с внутренним охлаждением ХСВ ХС по ГОСТ 25336 (далее - конденсатор).

Колба коническая Кн-2-250-40 ТС по ГОСТ 25336.

Психрометр проточный стеклянный (приложение 1).

Трубки медицинские резиновые типа 1 по ГОСТ 3399 или полиэтиленовые по ГОСТ 18599.

Допускается заменять средства измерений на аналогичные, не уступающие указанным по метрологическим характеристикам.

2. ПОДГОТОВКА К ВЫПОЛНЕНИЮ ИЗМЕРЕНИЙ

2.1. Собирают измерительную схему для психрометрического (черт. 1) или конденсационного метода (черт. 2).

СХЕМА
установки приборов для определения влажности
газа психрометрическим методом

1 - фильтр; 2 - сухой термометр;
3 - влажный термометр; 4 - газоход;
5 - манометр: 6 - психрометр;
7 - реометр.

Черт. 1.

СХЕМА

установки приборов для определения влажности
газа конденсационным методом

1 - фильтр; 2 - конденсатор; 3 - термометр: 4 - газоход;
5 - сборник конденсата; 6 - манометр; 7 - реометр.

Черт. 2.

2.2. Проверяют собранную схему на герметичность. Для этого, закрыв входное отверстие измерительной схемы и подсоединив микроманометр, создают в системе давление около 1000 Па. Если система герметична, то падение давления не должно превышать 110 Па за 110 с.

2.3. При выполнении измерений должны быть соблюдены следующие условия:

до прохождения газа через психрометр или конденсатор его следует очистить от пыли, пропустив через фильтр;

пробы необходимо отбирать таким образом, чтобы исключить выпадение влаги по ходу газа до психрометра или конденсатора, для чего пробоотборный тракт, включая психрометр, должен быть теплоизолирован.

3. ВЫПОЛНЕНИЕ ИЗМЕРЕНИЙ

3.1. Психрометрический метод

3.1.1. Заливают психрометр дистиллированной водой и, установив по реометру расход отбираемого газа не менее 20 дм3/мин, прогревают систему в течение 10 - 15 мин.

3.1.2. При расходе газа через систему не менее: 20 дм3/мин через каждые 5 мин проводят пять измерений показаний сухого и влажного термометра.

Показания сухого термометра соответствуют температуре газа, прошедшего через психрометр; показания влажного термометра - несколько ниже за счет испарения с его поверхности влаги, количество которой зависит от влажности проходящего через психрометр газа.

Результаты измерений фиксируют в журнале, форма которого приведена в приложении 2.

3.2. Конденсационный метод

3.2.1. Устанавливают такой расход охлаждающей воды или другого хладагента через конденсатор, чтобы температура газа после конденсатора была ниже точки росы.

3.2.2. Собирают в предварительно взвешенном сборнике не менее 30 см3 конденсата. Аналогичную операцию проводят пять раз. Массу уловленного конденсата определяют как разность масс сборника с конденсатом и предварительно взвешенного сухого сборника.

3.2.3. Измеряют температуру газа после конденсатора t и количество газа, пропущенного через конденсатор.

3.2.4. Результаты измерений фиксируют в журнале, форма которого приведена в приложении 2.

4. ОБРАБОТКА РЕЗУЛЬТАТОВ ИЗМЕРЕНИЙ

4.1. Психрометрический метод

4.1.1. Парциальное давление водяных паров при условиях внутри психрометра (Рпп) в килопаскалях вычисляют по формуле

(1)

где Рн - давление насыщенного водяного пара при температуре влажного термометра, кПа (определяют по таблице приложения 3);

tc - показания сухого термометра, °С;

tв - показания влажного термометра, °С;

С - коэффициент, зависящий от скорости обтекания газом влажного термометра (при скорости газа более 5 м/с C = 0,00066);

Ри - избыточное давление в приборе, кПа.

4.1.2. Парциальное давление водяных паров в газе (Рпг) в килопаскалях вычисляют по формуле

(2)

где Ра - атмосферное давление воздуха, кПа;

Рг* - давление в газоходе, кПа.

____________

* Давление и температуру газов в газоходе определяют по ГОСТ 17.2.4.07.

4.1.3. Определяют температуру точки росы tp в зависимости от Pпг по таблице приложения 3.

4.1.4. Относительную влажность газа (j) в процентах вычисляют по формуле

(3)

где Рпн - парциальное давление насыщенного водяного пара при температуре газа в газоходе *, кПа (определяется по таблице приложения 3).

____________

* Давление и температуру газов в газоходе определяют по ГОСТ 17.2.4.07.

4.1.5. Влажность газа при рабочих условиях , а также влагосодержание сухого газа при нормальных условиях  в зависимости от температуры насыщенного газа или парциального давления насыщенного водяного пара определяют по таблице приложения 3.

4.2. Конденсационный метод

4.2.1. Объемный расход газа через конденсатор (Vовл) в кубических дециметрах вычисляют по формуле

(4)

где q - показания реометра, дм3/мин;

t - время отбора пробы, мин;

tг - температура газа в газоходе, °С;

 - разность статического и атмосферного давлений перед диафрагмой реометра, Па;

rгр - плотность воздуха при условиях градуировки реометра, кг/м3;

 - плотность воздуха при нормальных условиях, кг/м3.

4.2.2. Плотность сухого газа, состоящего из j компонентов, при нормальных условиях вычисляют по формуле

(5)

где Wj - объемная доля j-го компонента газовой смеси, %;

rN - плотность j-го компонента газовой смеси при нормальных условиях, кг/м3.

4.2.3. Влажность сухого газа при нормальных условиях  в килограммах на кубический метр вычисляют по формуле

(6)

где  - масса уловленного конденсата, г;

Рн - давление насыщенных водяных паров (определяется по таблице приложения 3 в зависимости от температуры насыщенного газа после конденсатора t).

5. ОЦЕНКА ПОГРЕШНОСТИ ОПРЕДЕЛЕНИЯ ВЛАЖНОСТИ

5.1. Для определения доверительных границ случайной погрешности результата измерения проводят не менее пяти определений влажности газа. За результат определения принимают среднее арифметическое рассчитанных значений влажности газа. Последующий расчет погрешности - по ГОСТ 8.207.

Систематическую составляющую погрешности измерения определяют в зависимости от метода определения влажности.

5.2. При применении психрометрического метода систематическую составляющую погрешности (dп) вычисляют по формуле

(7)

где  - погрешности измерения температуры влажного и сухого термометров, газа в газоходе, атмосферного давления воздуха и давления в психрометре соответственно, %.

5.3. При применении конденсационного метода систематическую составляющую погрешности (dк) вычисляют по формуле

(8)

где  - погрешность измерения расхода газа, времени отбора пробы, плотности и температуры газа, атмосферного давления воздуха и массы уловленного конденсата соответственно.

6. ТРЕБОВАНИЯ БЕЗОПАСНОСТИ

Требования безопасности - по ГОСТ 17.2.4.06, разд. 6.

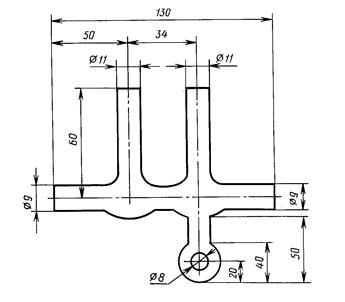
ПРИЛОЖЕНИЕ 1
Обязательное

СТЕКЛЯННЫЙ ПРОТОЧНЫЙ ПСИХРОМЕТР

Черт. 3.

ПРИЛОЖЕНИЕ 2
Рекомендуемое

ФОРМЫ ЖУРНАЛОВ ДЛЯ ЗАПИСИ РЕЗУЛЬТАТОВ ОПРЕДЕЛЕНИЯ ВЛАЖНОСТИ ГАЗОВ

Форма журнала для психрометрического метода

Предприятие_______________________   Атмосферное давление воздуха, Па (мм рт, ст)__________

Дата измерения ______________________________________________________________________

Место измерения _____________________________________________________________________

Номер опыта

Расход газа через психрометр, дм3/мин

Температура сухого термометра tс, °C

Температура влажного термометра tв, °С

Избыточное давление в приборе Ри, кПа (мм. рт. ст)

Давление газа в газоходе Рг, Па (мм рт. ст)

Относительная влажность j, %

Форма журнала для конденсационного метода

Предприятие___________________________

Атмосферное давление воздуха, Па (мм рт, ст)______

Дата проведения измерений_______________

Плотность сухого газа при нормальных условиях, кг/м3________________________________________

Место измерений________________________

 

Номер опыта

Показания реометра, дм3/мин

Время отбора пробы, мин

Температура газа в газоходе tг, °С

Разность статического и атмосферного давления перед диафрагмой реометра Ри, Па (мм рт. ст.)

Масса уловленного конденсата, г

Объем газа, прошедшего через конденсатор, дм3

Температура газа после конденсатора t, °С

Влажность газа fNc, кг/м3

ПРИЛОЖЕНИЕ 3
Справочное

ДАВЛЕНИЕ ВОДЯНЫХ ПАРОВ И ВЛАЖНОСТЬ НАСЫЩЕННОГО ГАЗА ПРИ ДАВЛЕНИИ 101,3 кПа

Температура (t, tг, tр), °С

Давление (Рн, Рпн, Рпг),
кПа

Влажность, г/м3

газа при рабочих условиях

сухого газа при нормальных
условиях

0

0,611

4,84

4,8

5

0,872

6,84

7,0

6

0,934

7,30

7,5

7

1,001

7,80

8,1

8

1,073

8,3

8,6

9

1,148

8,8

9,2

10

1,226

9,4

9,8

11

1,312

10,0

10,5

12

1,402

10,7

11,3

13

1,497

11,4

12,1

14

1,598

12,1

12,9

15

1,705

12,8

13,7

16

1,817

13,6

14,7

17

1,937

14,5

15,7

18

2,063

15,4

16,7

19

2,197

16,3

17,9

20

2,338

17,3

18,9

21

2,486

18,3

20,3

23

2,643

19,4

21,5

23

2,809

20,6

22,9

24

2,983

21,8

24,4

25

3,187

23,0

26,0

26

3,360

24,4

27,5

27

3,564

25,8

29,3

28

3,779

27,2

31,1

29

4,004

28,7

33,0

30

4,242

30,3

35,1

31

4,492

32,1

37,3

32

4,754

33,9

39,6

33

5,029

35,7

41,9

34

5,319

37,6

44,5

35

5,623

39,6

47,3

36

4,940

41,8

40,1

37

6,274

44,0

53,1

38

6,624

46,4

56,3

39

6,990

48,7

59,5

40

7,371

51,2

63,1

41

7,771

53,6

66,8

42

8,198

56,5

70,8

43

8,638

59,2

74,9

44

9,104

62,3

79,3

45

9,582

65,4

84,0

46

10,091

68,6

89,0

47

10,611

71,8

94,1

48

11,157

75,3

99,5

49

11,730

79,0

105,3

50

12,344

83,0

111,4

51

12,957

86,7

118,0

52

13,610

90,9

125,0

53

14,290

95,0

132,0

54

14,996

99,5

139,0

55

15,729

104,3

148,0

56

16,508

108,0

156,0

57

17,302

113,0

165,0

58

18,142

119,0

175,0

59

19,909

124,0

185,0

60

19,915

130,0

196,0

61

20,848

136,0

209,0

62

21,835

142,0

222,0

63

22,848

148,0

235,0

64

23,901

154,0

249,0

65

24,994

161,1

265,0

66

26,140

168,0

281,0

67

27,327

175,0

299,0

68

28,553

182,0

318,0

69

29,819

190,0

338,0

70

31,152

197,9

361,0

71

32,512

206,0

384,0

72

33,938

219,0

409,0

73

35,418

223,0

437,0

74

36,951

232,0

466,0

75

38,537

241,6

499,0

76

40,177

251,0

534,0

77

41,870

261,0

757,0

78

43,629

271,0

617,0

79

45,455

282,0

665,0

80

47,335

293,0

716,0

85

57,799

354,0

1092,0

90

70,089

424,0

1877,0

95

84,499

505,0

4381,0

100

101,308

598,0

ИНФОРМАЦИОННЫЕ ДАННЫЕ

1. РАЗРАБОТАН И ВНЕСЕН Министерством тяжелого машиностроения СССР

2. УТВЕРЖДЕН И ВВЕДЕН В ДЕЙСТВИЕ Постановлением Государственного комитета СССР по охране природы от 10.12.90 № 46

3. ВВЕДЕН ВПЕРВЫЕ

4. ССЫЛОЧНЫЕ НОРМАТИВНО-ТЕХНИЧЕСКИЕ ДОКУМЕНТЫ

Обозначение НТД, на который дана ссылка

Номер пункта

ГОСТ 8.207-76

5.1

ГОСТ 17.2.4.06-90

6

ГОСТ 17.2.4.07-90

4.1.2, 4.1.4

ГОСТ 3399-76

1

ГОСТ 9932-75

1

ГОСТ 18599-2001

1

ГОСТ 24104-88

1

ГОСТ 25336-82

1

ГОСТ 28498-90

1

6. ПЕРЕИЗДАНИЕ. Август 2003 г.



© 2013 Ёшкин Кот :-)