| ||||||||||||||||||||||||||||||||||||||||||||||||||||||||||||||||||||||||||||||||||||||||||||||||||||||||||||||||||||||||||||||||||||||||||||||||||||||||||||||||||||||||||||||||||||||||||||||||||||||||||||||||||||||||||||||||||||||||||||||||||||||||||||||||||||||||||||||||||||||||||||||||||||||||||||||||||||||||||||||||||||||||||||||||||||
|
ГОСТ 21.101-97 МЕЖГОСУДАРСТВЕННЫЙ СТАНДАРТ СИСТЕМА ПРОЕКТНОЙ ДОКУМЕНТАЦИИ ДЛЯ СТРОИТЕЛЬСТВА ОСНОВНЫЕ ТРЕБОВАНИЯ К ПРОЕКТНОЙ Межгосударственная
научно-техническая комиссия Москва Предисловие ВНЕСЕН Департаментом развития научно-технической политики и проектно-изыскательских работ Госстроя России 2 ПРИНЯТ Межгосударственной научно-технической комиссией по стандартизации, техническому нормированию и сертификации в строительстве (МНТКС) 10 декабря 1997 г. За принятие стандарта проголосовали:
3 ВВЕДЕН В ДЕЙСТВИЕ с 1 апреля 1998 г. в качестве государственного стандарта Российской Федерации постановлением Госстроя России от 29.12.97 № 18-75 4 ВЗАМЕН ГОСТ 21.101-93 СОДЕРЖАНИЕ МЕЖГОСУДАРСТВЕННЫЙ СТАНДАРТ
Дата введения 1998-04-01 1 Область примененияНастоящий стандарт устанавливает основные требования к проектной и рабочей документации на строительство предприятий, зданий и сооружений различного назначения. Общие правила выполнения графической и текстовой документации, установленные в разделе 5 настоящего стандарта, распространяются также на отчетную техническую документацию по инженерным изысканиям для строительства. 2 Нормативные ссылкиВ настоящем стандарте использованы ссылки на следующие стандарты: ГОСТ 2.004-88 ЕСКД. Общие требования к выполнению конструкторских и технологических документов на печатающих и графических устройствах вывода ЭВМ ГОСТ 2.101-68 ЕСКД. Виды изделий ГОСТ 2.102-68 ЕСКД. Виды и комплектность конструкторских документов ГОСТ 2.105-85 ЕСКД. Общие требования к текстовым документам ГОСТ 2.108-68 ЕСКД. Спецификация ГОСТ 2.109-73 ЕСКД. Основные требования к чертежам ГОСТ 2.113-75 ЕСКД. Групповые и базовые конструкторские документы ГОСТ 2.114-95 ЕСКД. Технические условия ГОСТ 2.301-68 ЕСКД. Форматы ГОСТ 2.302-68 ЕСКД. Масштабы ГОСТ 2.303-68 ЕСКД. Линии ГОСТ 2.304-81 ЕСКД. Шрифты чертежные ГОСТ 2.305-68 ЕСКД. Изображения - виды, разрезы, сечения ГОСТ 2.306-68 ЕСКД. Обозначения графические материалов и правила их нанесения на чертежах ГОСТ 2.307-68 ЕСКД. Нанесение размеров и предельных отклонений ГОСТ 2.308-79 ЕСКД. Указание на чертежах допусков форм и расположения поверхностей ГОСТ 2.309-73 ЕСКД. Обозначение шероховатости поверхностей ГОСТ 2.310-68 ЕСКД. Нанесение на чертежах обозначений покрытий, термической и других видов обработки ГОСТ 2.311-68 ЕСКД. Изображение резьбы ГОСТ 2.312-72 ЕСКД. Условные изображения и обозначения швов сварных соединений ГОСТ 2.313-82 ЕСКД. Условные изображения и обозначения неразъемных соединений ГОСТ 2.314-68 ЕСКД. Указания на чертежах о маркировании и клеймении изделий ГОСТ 2.316-68 ЕСКД. Правила нанесения на чертежах надписей, технических требований и таблиц ГОСТ 2.317-69 ЕСКД. Аксонометрические проекции ГОСТ 2.410-68 ЕСКД. Правила выполнения чертежей металлических конструкций ГОСТ 2.501-88 ЕСКД. Правила учета и хранения ГОСТ 21.110-95 СПДС. Спецификация оборудования, изделий материалов ГОСТ 21.113-88 СПДС. Обозначения характеристик точности ГОСТ 21.114-95 СПДС. Правила выполнения эскизных чертежей общих видов нетиповых изделий ГОСТ 21.203-78 СПДС. Правила учета и хранения подлинников проектной документации ГОСТ 21.501-93 СПДС. Правила выполнения архитектурно-строительных рабочих чертежей. 3. Общие требования к составу документации3.1 Состав и содержание проектной документации на строительство предприятий, зданий и сооружений установлены действующими строительными нормами и правилами. 3.2 В состав рабочей документации на строительство здания и сооружения в общем случае включают: а) рабочие чертежи, предназначенные для производства строительных и монтажных работ; б) рабочая документация на строительные изделия по ГОСТ 21.501; в) эскизные чертежи общих видов нетиповых изделий по ГОСТ 21.114*; * Выполняют при необходимости. г) спецификации оборудования, изделий и материалов по ГОСТ 21.110; д) другую прилагаемую документацию, предусмотренную соответствующими стандартами Системы проектной документации для строительства (СПДС); е) сметную документацию по установленным формам. 4 Общие требования к комплектованию документации4.1 Проектная документация4.1.1 Проектную документацию, предназначенную для утверждения (стадия-проект, утверждаемая часть рабочего проекта), комплектуют в тома, как правило, по отдельным разделам, предусмотренным строительными нормами и правилами. Каждый том нумеруют арабскими цифрами. Пример - Том 1 - Общая пояснительная записка Том 2 - Генеральный план и транспорт При необходимости том делят на части. В этом случае тома нумеруют по типу: Том 1.1, Том 1.2. 4.1.2 Текстовые и графические материалы, включаемые в том, комплектуют, как правило, в следующем порядке: - обложка; - титульный лист; - содержание; -состав проекта: - пояснительная записка; - основные чертежи, предусмотренные строительными нормами и правилами. Правила оформления обложки, титульного листа, содержания и состава проекта приведены в разделе 9. 4.1.3 Каждому текстовому и графическому документу, включенному в том, присваивают обозначение, которое указывают на титульном листе и в основных надписях. В состав обозначения включают базовое обозначение, устанавливаемое по действующей в организации системе, и через дефис - марку и/или шифр раздела проекта. Марки разделов проекта принимают по аналогии с марками основных комплектов рабочих чертежей, приведенными в приложении А. Примеры 1 2345-ПЗ Раздел «Общая пояснительная записка» 2 2345-ГТ Раздел «Генеральный план и транспорт» 3 2345-12-АС Раздел «Архитектурно-строительные решения», где 2345 - номер договора (контракта) или шифр объекта строительства; 12 - номер здания или сооружения по генеральному плану*; 2345-12 - базовое обозначение; ПЗ - шифр раздела проекта; ГТ и АC - марки разделов проекта. 4.1.4 Текстовые и графические материалы, как правило, включают в том на листах, сложенных по формату А4 ГОСТ 2.301. В каждый том включают не более 250 листов формата А4, 150 листов формата А3, 75 листов формата А2 и 50 листов формата А1. 4.1.5 Общие требования к выполнению графической документации приведены в разделе 5. Текстовые документы выполняют по ГОСТ 2.105 с учетом требований раздела 5 настоящего стандарта. 4.2 Рабочие чертежи4.2.1. Рабочие чертежи, предназначенные для производства строительных и монтажных работ, объединяют в комплекты (далее - основные комплекты) по маркам в соответствии с приложением А. 4.2.2. Основной комплект рабочих чертежей любой марки может быть разделен на несколько основных комплектов той же марки (с добавлением к ней порядкового номера) в соответствии с процессом организации строительных и монтажных работ. Пример - АС1; АС2; КЖ1; КЖ2. 4.2.3. Каждому основному комплекту рабочих чертежей присваивают обозначение, в состав которого включают базовое обозначение, устанавливаемое по действующей в организации системе, и через дефис - марку основного комплекта. Пример - 2345-12-АР, где 2345 - номер договора (контракта) или шифр объекта строительства; 12 - номер здания или сооружения по генеральному плану*; 2345-12 - базовое обозначение; АР - марка основного комплекта рабочих чертежей. * Для разделов проекта, относящихся к объекту строительства в целом (общая пояснительная записка, генеральный план и транспорт и др.), а также для рабочих чертежей линейных сооружений, генерального плана, наружных коммуникаций эту часть базового обозначения, как правило, исключают. 4.2.4. В состав основных комплектов рабочих чертежей включают общие данные по рабочим чертежам, а также чертежи и схемы, предусмотренные соответствующими стандартами СПДС. Общие данные по рабочим чертежам4.2.5. На первых листах каждого основного комплекта рабочих чертежей приводят общие данные по рабочим чертежам, включающие: а) ведомость рабочих чертежей основного комплекта по форме 1; б) ведомость ссылочных и прилагаемых документов по форме 2; в) ведомость основных комплектов рабочих чертежей по форме 2; г) ведомость спецификаций (при наличии в основном комплекте нескольких схем расположения), выполняемую по форме 1; д) условные обозначения, не установленные государственными стандартами, и значения которых не указаны на других листах основного комплекта рабочих чертежей; е) общие указания; ж) другие данные, предусмотренные соответствующими стандартами СПДС. Формы 1 и 2 с указаниями по их заполнению приведены в приложении Б. 4.2.6 Ведомость рабочих чертежей основного комплекта содержит последовательный перечень листов основного комплекта. 4.2.7 Ведомость ссылочных и прилагаемых документов составляют по разделам: а) ссылочные документы; б) прилагаемые документы. В разделе «Ссылочные документы» указывают документы, на которые приведены ссылки в рабочих чертежах, в том числе: а) чертежи типовых конструкций, изделий и узлов с указанием наименования и обозначения серии и номера выпуска; б) стандарты, в состав которых включены чертежи, предназначенные для изготовления изделий, с указанием их наименования и обозначения. Ссылочные документы проектная организация заказчику выдает только по отдельному договору. В разделе «Прилагаемые документы» включают документы, разработанные в дополнение к рабочим чертежам основного комплекта, в том числе: - рабочую документацию на строительные изделия; - эскизные чертежи общих видов нетиповых изделий*; - спецификацию оборудования, изделий и материалов; - локальную смету; - другую документацию, предусмотренную соответствующими стандартами СПДС. * Выполняют при необходимости. Прилагаемые документы проектная организация выдает заказчику одновременно с основным комплектом рабочих чертежей. 4.2.8 Ведомость основных комплектов рабочих чертежей приводят на листах общих данных основного комплекта ведущей марки **. ** Основной комплект рабочих чертежей в качестве ведущей марки назначает генеральный проектировщик. При наличии нескольких основных комплектов рабочих чертежей одной марки составляют ведомость комплектов этой марки по форме 2 приложения Б, которую приводят на листе общих данных каждого из этих комплектов. 4.2.9 В общих указаниях приводят: а) основание для разработки рабочей документации (задание на проектирование, утвержденный проект); б) отметку, принятую в рабочих чертежах здания или сооружения условно за нулевую (как правило, приводят на архитектурно-строительных чертежах); в) запись о результатах проверки на патентоспособность и патентную чистоту впервые применяемых или разработанных в проекте технологических процессов, оборудования, приборов, конструкций, изделий и материалов, а также номера авторских свидетельств и заявок, по которым приняты решения о выдаче авторских свидетельств на используемые в рабочей документации изобретения; г) запись о том, что рабочие чертежи разработаны в соответствии с действующими нормами, правилами и стандартами; д) перечень видов работ, для которых необходимо составлять акты освидетельствования скрытых работ; е) сведения о том, кому принадлежит данная интеллектуальная собственность (при необходимости); ж) другие необходимые указания. В общих указаниях не следует повторять технические требования, помещенные на других листах основного комплекта рабочих чертежей, и давать описание принятых в рабочих чертежах технических решений. 5. ОБЩИЕ ПРАВИЛА ВЫПОЛНЕНИЯ ДОКУМЕНТАЦИИ5.1. При выполнении проектной, рабочей и другой технической документации, предназначенной для строительства предприятий, зданий и сооружений следует руководствоваться требованиями стандартов СПДС, а также стандартов единой системы конструкторской документации (ЕСКД). Перечень стандартов ЕСКД, подлежащих учету при выполнении графической и текстовой документации для строительства приведен в приложении В. Документация, предназначенная для микрофильмирования, должна соответствовать требованиям системы стандартов «Репрография». 5.2. Чертежи выполняют в оптимальных масштабах с учетом их сложности и насыщенности информацией. Масштабы на чертежах не указывают, за исключением чертежей изделий и других случаев, предусмотренных в соответствующих стандартах СПДС. 5.3 Перечень сокращений слов, допускаемых в основных надписях, технических требованиях, таблицах, чертежах и спецификациях, составлен в дополнение к ГОСТ 2.316 и приведен в приложении Г. Координационные оси5.4 На изображении каждого здания или сооружения указывают координационные оси и присваивают им самостоятельную систему обозначений. Координационные оси наносят на изображения здания, сооружения тонкими штрихпунктирными линиями с длинными штрихами, обозначают арабскими цифрами и прописными буквами русского алфавита (за исключением букв: Ё, З, Й, О, X, Ц, Ч, Щ, Ъ, Ы, Ь) в кружках диаметром 6 - 12 мм. Пропуски в цифровых и буквенных (кроме указанных) обозначениях координационных осей не допускаются. 5.5 Цифрами обозначают координационные оси по стороне здания и сооружения с большим количеством осей. Если для обозначения координационных осей не хватает букв алфавита, последующие оси обозначают двумя буквами. Пример - АА; ББ; ВВ. 5.6 Последовательность цифровых и буквенных обозначений координационных осей принимают по плану слава направо и снизу вверх (рисунок 1 а) или как показано на рисунках 1 б, в. 5.7 Обозначение координационных осей, как правило, наносят по левой и нижней сторонам плана здания и сооружения. При несовпадении координационных осей противоположных сторон плана обозначения указанных осей в местах расхождения дополнительно наносят по верхней и/или правой сторонам. 5.8 Для отдельных элементов, расположенных между координационными осями основных несущих конструкций, наносят дополнительные оси и обозначают их в виде дроби: над чертой указывают обозначение предшествующей координационной оси; под чертой - дополнительный порядковый номер в пределах участка между смежными координационными осями в соответствии с рисунком 1 г. Допускается координационным осям фахверковых колонн присваивать цифровые и буквенные обозначения в продолжение обозначений осей основных колонн без дополнительного номера. 5.9 На изображении повторяющегося элемента, привязанного к нескольким координационным осям, координационные оси обозначают в соответствии с рисунком 2: «а» - при числе координационных осей не более 3; «б» - « « « « более 3; «в» - при всех буквенных и цифровых координационных осях. При необходимости, ориентацию координационной оси, к которой привязан элемент, по отношению к соседней оси, указывают в соответствии с рисунком 2 г. Рисунок 2 5.10 Для обозначения координационных осей блок-секций жилых зданий применяют индекс «с». Пример - 1с, 2с, Ас, Бс. На планах жилых зданий, скомпонованных из блок-секций, обозначения крайних координационных осей блок-секций указывают без индекса в соответствии с рисунком 3. Рисунок 3 Нанесение размеров, уклонов, отметок, надписей5.11 Размерную линию на ее пересечении с выносными линиями, линиями контура или осевыми линиями ограничивают засечками в виде толстых основных линий длиной 2 - 4 мм, проводимых с наклоном вправо под углом 45° к размерной линии на 1 - 3 мм. При нанесении размера диаметра или радиуса внутри окружности, а также углового размера размерную линию ограничивают стрелками. Стрелки применяют также при нанесении размеров радиусов и внутренних скруглений. 5.12 Отметки уровней (высоты, глубины) элементов конструкций, оборудования, трубопроводов, воздуховодов и др. от уровня отсчета (условной «нулевой» отметки) обозначают условным знаком в соответствии с рисунком 4 и указывают в метрах с тремя десятичными знаками, отделенными от целого числа запятой. «Нулевую» отметку, принимаемую, как правило, для поверхности какого-либо элемента конструкций здания или сооружения, расположенного вблизи планировочной поверхности земли, указывают без знака; отметки выше нулевой - со знаком «+»; ниже нулевой - со знаком «-». На видах (фасадах), разрезах и сечениях отметки указывают на выносных линиях или линиях контура в соответствии с рисунком 5, на планах - в прямоугольнике в соответствии с рисунком 6, за исключением случаев, оговоренных в соответствующих стандартах СПДС. Рисунок 4 Рисунок 5 Рисунок 6 5.13 На планах направление уклона плоскостей указывают стрелкой, над которой, при необходимости, проставляют величину уклона в процентах в соответствии с рисунком 7 или в виде отношения высоты и длины (например, 1:7). Допускается, при необходимости, величину уклона указывать в промилле, в виде десятичной дроби с точностью до третьего знака. На чертежах и схемах перед размерным числом, определяющим величину уклона, наносят знак «Ð», острый угол которого должен быть направлен в сторону уклона. Обозначение уклона наносят непосредственно над линией контура или на полке линии-выноски. 5.14 Выносные надписи к многослойным конструкциям следует выполнять в соответствии с рисунком 8. Рисунок 7 Рисунок 8 5.15 Номера позиций (марки элементов) наносят на полках линий-выносок, проводимых от изображений составных частей предмета, рядом с изображением без линии-выноски или в пределах контуров изображенных частей предмета в соответствии с рисунком 9. При мелкомасштабном изображении линии-выноски заканчивают без стрелки и точки. Рисунок 9 5.16 Размер шрифта для обозначения координационных осей и позиций (марок) должен быть на один - два номера больше, чем размер шрифта, принятого для размерных чисел на том же чертеже. Изображения (разрезы, сечения, виды, фрагменты)5.17 Разрезы здания или сооружения обозначают арабскими цифрами последовательно в пределах основного комплекта рабочих чертежей. Самостоятельная нумерация допускается только для разрезов отдельных участков здания, сооружения или установок, все чертежи которых размещены на одном листе или группе листов и если на этих чертежах отсутствуют ссылки на разрезы, расположенные на других листах основного комплекта рабочих чертежей. Допускается разрезы обозначать прописными буквами русского алфавита. Направление взгляда для разреза по плану здания и сооружения принимают, как правило, снизу вверх и справа налево. 5.18 Если отдельные части вида (фасада), плана, разреза требуют более детального изображения, то дополнительно выполняют выносные элементы - узлы и фрагменты. 5.19 При изображении узла соответствующее место отмечают на виде (фасаде), плане или разрезе замкнутой сплошной тонкой линией (как правило, окружностью или овалом) с обозначением на полке линии-выноски порядкового номера узла арабской цифрой в соответствии с рисунком 10. Рисунок 10 Рисунок 11 Если узел помещен на другом листе, то номер листа указывают под полкой линии-выноски (рисунок 10 а) или на полке линии-выноски рядом, в скобках, в соответствии с рисунком 10 б. При необходимости ссылки на узел, помещенный в другом основном комплекте рабочих чертежей, или на типовой узел, указывают обозначение и номер листа соответствующего основного комплекта рабочих чертежей в соответствии с рисунком 10 в или серию рабочих чертежей типовых узлов и номер выпуска в соответствии с рисунком 10 г. При необходимости, ссылку на узел в сечении выполняют в соответствии с рисунком 11. Над изображением узла указывают в кружке его порядковый номер в соответствии с рисунком 12 а или 12 б. Узлу, являющемуся полным зеркальным отражением другого (основного) исполнения, присваивают тот же порядковый номер, что и основному исполнению, с добавлением индекса «н». 5.20 Фрагменты планов, разрезов, фасадов, как правило, отмечают фигурной скобкой в соответствии с рисунком 13. Под фигурной скобкой, а также над соответствующим фрагментом наносят наименование и порядковый номер фрагмента. Если фрагмент помещен на другом листе, то дают ссыпку на этот лист. Допускается ссылку на фрагмент помещать на полке линии-выноски. Рисунок 12 Рисунок 13 5.21 Изображения до оси симметрии симметричных планов и фасадов зданий и сооружений, схем расположения элементов конструкций, планов расположения технологического, энергетического, санитарно-технического и другого оборудования не допускаются. 5.22 Если изображение (например, план) не помещается на листе принятого формата, то его делят на несколько участков, размещая их на отдельных листах. В этом случае на каждом листе, где показан участок изображения, приводят схему целого изображения с необходимыми координационными осями и условным обозначением (штриховкой) показанного на данном листе участка изображения в соответствии с рисунком 14. Примечание - Если чертежи участков изображения помещены в разных основных комплектах рабочих чертежей, то над номером листа указывают обозначение соответствующего основного комплекта (согласно 4.2.2). Рисунок 14 5.23 Если планы этажей многоэтажного здания имеют небольшие отличия друг от друга, то полностью выполняют план одного из этажей, для других этажей выполняют только те части плана, которые необходимы для показа отличия от плана, изображенного полностью. Под наименованием частично изображенного плана приводят запись: «Остальное см. план (наименование полностью изображенного плана)». 5.24 В названиях планов этажей здания и сооружения указывают отметку чистого пола или номер этажа, или обозначение соответствующей секущей плоскости. Примеры 1 План на отм. 0,000 2 План 2 - 9 этажей 3 План 3-3 При выполнении части плана в названии указывают оси, ограничивающие эту часть плана. Пример - План на отм. 0,000 между осями 1 - 8 и А - Д Допускается в названии плана этажа указывать назначение помещений, расположенных на этаже. 5.25 В названиях разрезов здания (сооружения) указывают обозначение соответствующей секущей плоскости. Пример - Разрез 1-1 5.26 В названиях фасадов здания и сооружения указывают крайние оси, между которыми расположен фасад. Пример - Фасад 1-12 Основные надписи5.27 Каждый лист графического и текстового документа должен иметь основную надпись и дополнительные графы к ней. Формы основных надписей и указания по их заполнению приведены в приложении Д. 5.28 В проектной и рабочей документации основную надпись оформляют: 1) на листах основных комплектов рабочих чертежей и основных чертежах проектной документации - по форме 3; б) на первом листе чертежей строительных изделий - по форме 4; в) на первых листах текстовых документов и эскизных чертежей общих видов нетиповых изделий - по форме 5; г) на последующих листах чертежей строительных изделий и текстовых документов и эскизных чертежей общих видов - по форме 6. Допускается на первом листе чертежа строительного изделия основную надпись выполнять по форме 5. 5.29 В отчетной технической документации по результатам инженерных изысканий основную надпись оформляют: а) на листах графических документов, используемых в проектировании в качестве подосновы - по форме 3; б) на первых листах графических и текстовых документов - по форме 5, на последующих листах - по форме 6. 5.30 Расположение основной надписи и дополнительных граф к ней, а также размерных рамок на листах приведены в приложении Е. 5.31 Основные надписи, дополнительные графы к ним и рамки выполняют сплошными толстыми основными и сплошными тонкими линиями по ГОСТ 2.303 в соответствии с приложением Д. 5.32 Графические и текстовые документы, брошюруемые в виде тома, альбома, выпуска или в другой издательской форме, оформляют с титульным листом. Правила выполнения титульного листа приведены в разделе 9. 5.33 Допускается титульный лист не выполнять и не брошюровать текстовые рабочие документы небольшого объема. В этом случае первый лист документа оформляют основной надписью по форме 3, последующие - по форме 6. 6 Правила выполнения спецификаций на чертежах6.1. К схеме расположения элементов сборной конструкции, монолитной железобетонной конструкции, к чертежам установок (блоков) технологического, санитарно-технического и другого оборудования составляют спецификацию по форме 7 приложения Ж. При выполнении чертежей групповым методом составляют групповые спецификации по форме 8 приложения Ж. 6.2. Спецификации строительных изделий составляют по ГОСТ 21.501. 7. Правила внесения изменений в рабочую документацию, выданную заказчику7.1. Изменением рабочего документа, ранее выданного заказчику, является любое исправление, исключение или добавление в него каких-либо данных без изменения обозначения этого документа. Обозначение документа допускается изменять только в случае, когда разным документам ошибочно присвоены одинаковые обозначения или в обозначении документа допущена ошибка. 7.2. Изменения вносят в подлинник документа. Внесение изменений в расчеты не допускается. 7.3. Копии листов (измененных, дополнительных и выпущенных вместо замененных листов) рабочей документации направляют организациям, которым ранее были направлены копии документов, одновременно с копиями общих данных соответствующего основного комплекта рабочих чертежей, уточненных в соответствии с 7.5. 7.4. Разрешение на внесение изменений7.4.1. Изменение документа выполняют на основании разрешения на внесение изменений (далее - разрешение), составленного по форме 9 приложения И. Разрешение утверждает руководитель организации-разработчика документа или по его поручению другое должностное лицо. 7.4.2. Основанием для получения подлинников документов для внесения в них изменений служит разрешение. 7.4.3. Изменения на каждый документ (например, основной комплект рабочих чертежей, спецификацию оборудования, изделий и материалов) оформляют отдельным разрешением. Допускается составлять одно общее разрешение на изменения, вносимые одновременно в несколько документов, если изменения взаимосвязаны или одинаковы для всех изменяемых документов. 7.5. Внесение изменений7.5.2. После внесения изменений изображения, буквы, цифры, знаки должны быть четкими, толщина линий, величина просветов и т.п. должны быть выполнены по правилам, предусмотренным соответствующими стандартами ЕСКД и системы стандартов «Репрография». 7.5.3. Изменяемые размеры, слова, знаки, надписи и т.д. зачеркивают сплошными тонкими линиями и рядом проставляют новые данные. Новое изображение измененного участка выполняют на свободном поле листа или на другом листе без поворотов. 7.5.5. Изменяемым, аннулируемым и дополнительным участкам изображения присваивают обозначение, состоящее из порядкового номера очередного изменения документа и через точку порядкового номера изменяемого (аннулируемого, дополнительного) участка изображения в пределах данного листа. При этом новому изображению измененного участка присваивают обозначение изменения замененного изображения. Если новое изображение измененного участка размещают на другом листе, то присвоенное ему обозначение изменения сохраняют и в таблице изменений этого листа не учитывают. 7.5.6. Около каждого изменения, в том числе около изменения, исправленного подчисткой (смывкой), за пределами изображения наносят в параллелограмме обозначение изменения в соответствии с рисунком 15. Рисунок 15 От параллелограмма проводят сплошную тонкую линию к измененному участку. 7.5.7. Близко расположенные друг от друга измененные размеры, слова, знаки, надписи и т.д. обводят сплошной тонкой линией, образующей замкнутый контур, без перечеркивания в соответствии с рисунком 16. 7.5.8. Если новое изображение измененного участка помещают на другом листе, то у замененного изображения указывают также номер листа, на котором находится новое изображение в соответствии с рисунком 17. 7.5.9. Над новым изображением измененного участка помещают в параллелограмме обозначение изменения замененного изображения, а при параллелограмме указывают: «Взамен перечеркнутого». Если новое изображение измененного участка помещают на другом листе, то при параллелограмме указывают: «Взамен перечеркнутого на листе (номер листа, на котором находится замененное изображение)» в соответствии с рисунком 18. 7.5.10. Если новое изображение измененного участка помещают около замененного, то их соединяют линиями-выносками с обозначением изменения в соответствии с рисунком 19. Рисунок 16 Рисунок 17 Рисунок 18 Рисунок 19 Над дополнительным изображением помещают в параллелограмме обозначение изменения, а при параллелограмме указывают: «Дополнение» в соответствии с рисунком 20. Рисунок 20 7.5.11. При аннулировании изображения (части изображения) при обозначении изменения указывают: «Аннулировано». 7.5.12. Если недостаточно места для внесения изменений или возможно нарушение четкости изображения при исправлении, то изготовляют новый подлинник с учетом вносимых изменений и сохраняют его прежнее обозначение. Если заменяют или добавляют один или несколько листов подлинника, то на них сохраняют инвентарный номер, присвоенный подлиннику. При замене всех листов подлинника ему присваивают новый инвентарный номер. 7.5.13. При внесении изменений в листы основного комплекта рабочих чертежей в ведомости рабочих чертежей этого комплекта на листах общих данных в графе «Примечание» указывают: а) при внесении первого изменения - «Изм. 1». При внесении последующих изменений - дополнительно очередные номера изменений, отделяя их от предыдущих точкой с запятой. Пример - Изм. 1; 2; 3 б) на замененных листах при номере изменения - «(Зам.)». Пример - Изм. 1 (Зам.) в) на аннулированных листах при номере изменения - «Аннулирован». Пример - Изм. 1 (Аннулирован) г) на дополнительных листах при номере изменения - «(Нов.)». Пример - Изм. 1 (Нов.) При недостатке места в ведомости рабочих чертежей для записи дополнительных листов продолжение ведомости переносят на первый из дополнительных листов. При этом в конце ведомости рабочих чертежей, помещенной в «Общих данных», делают запись: «Продолжение ведомости см. на листе (номер листа)», а над ведомостью на дополнительном листе помещают заголовок: «Ведомость рабочих чертежей основного комплекта (Продолжение)». Номера и наименования аннулированных листов в ведомости рабочих чертежей зачеркивают. При изменении наименований листов вносят соответствующие изменения в графу «Наименование». 7.5.15. При изменении общего количества листов документа на его первом листе в основной надписи вносят соответствующие изменения в графу «Листов». 7.5.16. При выполнении дополнительных и аннулировании ранее выполненных прилагаемых документов вносят исправления в ведомость ссылочных и прилагаемых документов соответствующего основного комплекта рабочих чертежей. 7.5.18. Изменения, внесенные в подлинник, указывают в таблице изменений, помещенной в основной надписи. Допускается таблицу изменений помещать вне основной надписи (над ней или слева от нее) по той же форме. 7.5.19. В таблице изменений указывают: а) в графе «Изм.» - порядковый номер изменения документа; б) в графе «Кол. уч.» - количество изменяемых участков изображения на данном листе в пределах очередного изменения; в) в графе «Лист» - на листах, выпущенных вместо замененных, - «Зам.», на листах, добавленных вновь, - «Нов.». При замене всех листов подлинника (при очередном порядковом номере изменения документа) на первом листе в графе «Лист» указывают «Все». При этом таблицу изменений на других листах этого подлинника не заполняют. В остальных случаях в графе «Лист» ставят прочерк; г) в графе «№ док.» - обозначение разрешения; д) в графе «Подп.» - подпись лица, ответственного за правильность внесения изменения (подпись лица, ответственного за нормоконтроль, проставляют на поле для подшивки листа); е) в графе «Дата» - дату внесения изменения. 7.5.20. В таблице изменений не учитывают исправления, внесенные в ведомости листа общих данных в связи с внесением изменений в листы основного комплекта и прилагаемые документы. 5.5.21. При внесении изменений в текстовые документы рекомендуется выполнять таблицу регистрации изменений по форме 10 приложения К. Таблицу регистрации изменений размещают на титульном листе текстового документа. 7.5.22. Значительные изменения в текстовых документах вносят одним из следующих способов: а) заменой всех или отдельных листов документа; б) выпуском новых дополнительных листов. При изменении подлинников текстовых документов допускается при добавлении нового листа присваивать ему номер предыдущего листа с добавлением очередной арабской цифры, отделяя ее от предыдущей точки. Пример - 3.1 В этом случае на первом листе изменяют общее количество листов. В текстовых документах, содержащих в основном сплошной текст, допускается при добавлении нового пункта присваивать ему номер предыдущего пункта с добавлением очередной строчной буквы русского алфавита, а при аннулировании пункта - сохранять номера последующих пунктов. 7.5.23. При аннулировании или замене документа все аннулированные и замененные листы подлинника крестообразно перечеркивают сплошными тонкими линиями и проставляют штамп по форме 11 приложения Л. 8. Правила привязки рабочей документации8.1. Рабочая документация - типовые проекты, типовые проектные решения (предназначенные для привязки) и рабочая документация повторного применения подлежат привязке к конкретной площадке строительства. На каждом листе привязываемой документации ставят штамп привязки в соответствии с приложением М: а) на первом листе - по форме 12; б) на последующих листах - по форме 13. 8.2. Обложки и титульные листы основных комплектов рабочих чертежей типовых проектов (типовых проектных решений), изданных в виде альбомов и выпусков, не привязывают и заказчику не направляют. 8.3. Штамп привязки наносят на свободном поле листа, предпочтительно над основной надписью или слева от нее. 8.4. Допускается не наносить штамп привязки на неизменяемые рабочие чертежи конструкций, изделий и узлов в случае их повторного применения организацией, осуществившей разработку и утверждение этих чертежей. Указанные рабочие чертежи записывают в раздел прилагаемых документов без изменения обозначения. 8.5. Изменения при привязке вносят в соответствии с 7.5.1 - 7.5.4, 7.5.14 - 7.5.17 и с учетом следующих дополнительных требований: а) если изменяемых участков изображения два и более, то им присваивают порядковые номера, которые проставляют римскими цифрами на полке линии-выноски в соответствии с рисунком 21; б) над измененным участком указывают римской цифрой порядковый номер изменяемого участка изображения и надпись «Взамен перечеркнутого» в соответствии с рисунком 22. Рисунок 21 Рисунок 22 Если новое изображение (часть изображения) помещают на другом листе, то у замененного изображения указывают также номер листа, на котором находится новое изображение. 8.6. Основные надписи на листах привязываемой документации, изданной в виде альбомов и выпусков, оставляют без изменения. 8.7. Изменения при привязке рекомендуется вносить в один экземпляр документа, являющийся в дальнейшем подлинником, с которого изготовляют копии. 8.8. Аннулированные листы исключают из привязанной документации без изменения общей нумерации листов. 9 Правила оформления сброшюрованной документации9.1 Каждый сброшюрованный документ оформляют обложкой по форме 14, приведенной в приложении Н. Обложку не нумеруют и не включают в общее количество страниц. 9.2 Первым листом текстового (графического) документа или нескольких сброшюрованных документов является титульный лист. Титульный лист выполняют по форме 15 приложения П. Пример заполнения титульного листа приведен там же. 9.3 Все листы сброшюрованного документа, начиная с титульного, должны иметь сквозную нумерацию страниц. При этом титульный лист не нумеруют. Номер страницы на листах текстовых и графических документов указывают в правом верхнем углу рабочего поля листа. Кроме того, в основной надписи текстовых и графических документов, включенных в том, альбом или выпуск и имеющих самостоятельное обозначение, указывают порядковую нумерацию листов в пределах документа с одним обозначением. 9.4 При комплектовании нескольких документов в виде тома, альбома или выпуска после титульного листа приводят «Содержание», которое выполняют по форме 2 приложения Б. Первый лист «Содержания» оформляют основной надписью по форме 5 приложения Д, последующие - по форме 6 приложения Д. «Содержанию» присваивают обозначение, состоящее из обозначения документа и шифра «С». Пример - 2345-ГТ.С, 2345-11-КЖ.ИС, 2345-11ТХ.НС 9.5 Титульные листы проектных документов оформляют подписями: руководителя или главного инженера организации; главного инженера (архитектора) проекта. Титульные листы рабочих документов оформляют подписью ответственного лица - главного инженера (архитектора) проекта. Титульный лист отчетной изыскательской документации оформляют с учетом дополнительных требований соответствующих строительных норм и правил. 9.6 Состав проекта, согласно 4.1.2, приводят в ведомости, выполняемой по форме 16 приложения Р. В ведомости приводят последовательный перечень томов проектной документации. Первый лист ведомости оформляют основной надписью по форме 5 приложения Д, последующие - по форме 6 приложения Д. Ведомости присваивают обозначение, состоящее из базового обозначения документа и через дефис - шифра «СП». Пример - 2345-СП ПРИЛОЖЕНИЕ
А
| ||||||||||||||||||||||||||||||||||||||||||||||||||||||||||||||||||||||||||||||||||||||||||||||||||||||||||||||||||||||||||||||||||||||||||||||||||||||||||||||||||||||||||||||||||||||||||||||||||||||||||||||||||||||||||||||||||||||||||||||||||||||||||||||||||||||||||||||||||||||||||||||||||||||||||||||||||||||||||||||||||||||||||||||||||||
|
Наименование основного комплекта рабочих чертежей |
Марка |
Примечание |
|
Технология производства |
ТХ |
|
|
Технологические коммуникации |
ТК |
При объединении всех технологических коммуникаций |
|
Генеральный план и сооружения транспорта |
ГТ |
При объединении рабочих чертежей генерального плана и сооружений транспорта |
|
Генеральный план |
ГП |
- |
|
Архитектурные решения |
АР |
- |
|
Интерьеры |
АИ |
Рабочие чертежи могут быть объединены с основным комплектом марки АР или АС |
|
Конструкции железобетонные |
КЖ |
- |
|
Конструкции деревянные |
КД |
- |
|
Архитектурно-строительные решения |
АС |
При объединении рабочих чертежей архитектурных решений и строительных конструкций |
|
Конструкции металлические деталировочные |
КМД |
- |
|
Водопровод и канализация |
ВК |
- |
|
Отопление, вентиляция и кондиционирование воздуха |
ОВ |
- |
|
Тепломеханические решения котельных |
ТМ |
- |
|
Воздухоснабжение |
ВС |
- |
|
Пылеудаление |
ПУ |
- |
|
Холодоснабжение |
ХС |
- |
|
Газоснабжение (внутренние устройства) |
ГСВ |
- |
|
Силовое электрооборудование |
ЭМ |
- |
|
Электрическое освещение (внутреннее) |
ЭО |
- |
|
Системы связи |
СС |
- |
|
Радиосвязь, радиовещание и телевидение |
РТ |
- |
|
Пожаротушение |
ПТ |
- |
|
Пожарная сигнализация |
ПС |
- |
|
Охранная и охранно-пожарная сигнализация |
ОС |
- |
|
Гидротехнические решения |
ГР |
- |
|
Автоматизация … |
А… |
Многоточие заменяют наименованием и маркой соответствующего основного комплекта рабочих чертежей |
|
Автоматизация комплексная |
АК |
При объединении рабочих чертежей различных технологических процессов и инженерных систем |
|
Антикоррозионная защита конструкций зданий, сооружений |
АЗ |
- |
|
Антикоррозионная защита конструкций зданий, сооружений |
АЗО |
- |
|
Тепловая изоляция оборудования и трубопроводов |
ТИ |
- |
|
Железнодорожные пути |
ПЖ |
- |
|
Автомобильные дороги |
АД |
- |
|
Сооружения транспорта |
ТР |
При объединении рабочих чертежей автомобильных, железных и других дорог |
|
Наружные сети водоснабжения и канализации |
НВК |
При объединении рабочих чертежей наружных сетей водоснабжения и канализации |
|
Тепломеханические решения тепловых сетей |
ТС |
- |
|
Наружные газопроводы |
ГСН |
- |
|
Наружное электроосвещение |
ЭН |
- |
|
Электроснабжение |
ЭС |
- |
|
Примечание - При необходимости могут быть назначены дополнительные марки основных комплектов рабочих чертежей. При этом для марок применяют прописные буквы (не более трех) русского алфавита, соответствующие, как правило, начальным буквам наименований основного комплекта рабочих чертежей. |
||
Форма 1 - Ведомость рабочих чертежей основного комплекта
Ведомость спецификаций

Указания по заполнению ведомости рабочих чертежей основного комплекта
В ведомости рабочих чертежей основного комплекте указывают:
а) в графе «Лист» - порядковый номер листа основного комплекта рабочих чертежей;
б) в графе «Наименование» - наименование изображений, помещенных на листе, в точном соответствии с наименованиями, приведенными в основной надписи листа;
в) в графе «Примечание» - дополнительные сведения, например, об изменениях, вносимых в рабочие чертежи основного комплекта.
Указания по заполнению ведомости спецификаций
В ведомости спецификаций указывают:
а) в графе «Лист» - номер листа основного комплекта рабочих чертежей, на котором помещена спецификация;
б) в графе «Наименование» - наименование спецификации в полном соответствии с ее наименованием, указанным на чертеже;
в) в графе «Примечание» - дополнительные сведения, в т.ч. об изменениях, вносимых в спецификации.
Форма 2 - Ведомость основных комплектов рабочих чертежей.
Ведомость ссылочных и прилагаемых документов

Указания по заполнению ведомости основных комплектов рабочих чертежей
В ведомости основных комплектов рабочих чертежей указывают:
а) в графе «Обозначение» - обозначение основного комплекта рабочих чертежей и, при необходимости, наименование или различительный индекс организации, выпустившей документ;
б) в графе «Наименование» - наименование основного комплекта рабочих чертежей;
в) в графе «Примечание» - дополнительные сведения, в т.ч. об изменениях в составе основных комплектов рабочих чертежей.
Указания по заполнению ведомости ссылочных и прилагаемых документов
В ведомости ссылочных и прилагаемых документов указывают:
а) в графе «Обозначение» - обозначение документа и при необходимости наименование или различительный индекс организации, выпустившей документ;
б) в графе «Наименование» - наименование документа в точном соответствии с наименованием, указанным на титульном листе или в основной надписи;
в) в графе «Примечание» - дополнительные сведения, в т.ч. о внесенных изменениях в записанные документы, входящие в состав рабочей документации.
Таблица В.1
|
Обозначение и наименование стандарта |
Условия применения стандарта |
|
ЕСКД. Общие требования к выполнению конструкторских и технологических документов на печатающих и графических устройствах вывода ЭВМ |
- |
|
ЕСКД. Виды изделий |
- |
|
ЕСКД. Виды и комплектность конструкторских документов |
С учетом требований ГОСТ 21.501, относящихся к выполнению чертежей строительных изделий |
|
ЕСКД. Общие требования к текстовым документам |
|
|
ЕСКД. Спецификация |
С учетом требований раздела 6 настоящего стандарта и ГОСТ 21.501 |
|
ЕСКД. Основные требования к чертежам |
С учетом требований ГОСТ 21.501. Ссылки на ГОСТ 2.108, а также 1.1.11, 1.1.12, 1.3 ГОСТ 2.108 не учитывают |
|
ЕСКД. Групповые и базовые конструкторские документы |
С учетом требований ГОСТ 21.501 |
|
ЕСКД. Технические условия |
С учетом требований 5.27, 5.28, 5.30 - 5.32 раздела 5 и раздела 9 настоящего стандарта. 3.7.1 и 3.8 ГОСТ 2.114 не учитывают |
|
ЕСКД. Форматы |
С учетом требований соответствующих стандартов СПДС |
|
ЕСКД. Масштабы |
То же |
|
ЕСКД. Линии |
» |
|
ЕСКД. Шрифты чертежные |
» |
|
ЕСКД. Изображения - виды, разрезы, сечения |
|
|
ЕСКД. Обозначения графические материалов и правила их нанесения на чертежах |
С учетом требований ГОСТ 31.302, таблицы 4 и 5 |
|
ЕСКД. Нанесение размеров и предельных отклонений |
|
|
ЕСКД. Указание на чертежах допусков формы и расположения поверхностей |
С учетом требований ГОСТ 21.113 |
|
ЕСКД. Обозначения шероховатости поверхностей |
- |
|
ЕСКД. Нанесение на чертежах обозначений покрытий, термической и других видов обработки |
- |
|
ЕСКД. Изображение резьбы |
- |
|
ЕСКД. Условные изображения и обозначения швов сварных соединений |
- |
|
ЕСКД. Условные изображения и обозначения неразъемных соединений |
- |
|
ЕСКД. Указания на чертежах о маркировке и клеймении изделий |
- |
|
ЕСКД. Изображения упрощенные и условные крепежных деталей |
- |
|
ЕСКД. Правила нанесения на чертежах надписей, технических требований и таблиц |
|
|
ЕСКД. Аксонометрические проекции |
- |
|
ЕСКД. Правила выполнения чертежей металлических конструкций |
- |
|
ЕСКД. Правила учета и хранения |
В части формы инвентарной книги, абонентской карточки и указаний по складыванию копий чертежей |
|
Примечание - Условия применения стандартов ЕСКД классификационной группы 7 определены соответствующими стандартами СПДС |
|
(обязательное)
|
Полное наименование |
Сокращение |
|
Автомобильная дорога |
а.д. |
|
Альбом |
Альб. (ц) |
|
Антисейсмический шов |
а.с.ш. (и) |
|
Архитектор |
Арх. (*) |
|
Асфальтобетон |
асф. бет. |
|
Бетон, бетонный |
бет. |
|
Ведущий |
Вед. (*) |
|
Вентиляционная камера |
венткамера |
|
Выпуск |
Вып. (ц) |
|
Главный инженер |
Гл. инж. (*) |
|
Главный инженер (архитектор) проекта |
ГИП (ГАП) (*) |
|
Главный специалист |
Гл. спец. (*) |
|
Группа |
гр. (т,*) |
|
Деформационный шов |
д.ш. (и) |
|
Диаметр |
диам. |
|
Директор |
Дир. (*) |
|
Документ |
док. (т.*) |
|
Допускаемый |
допуск. |
|
Единица измерения |
Ед. изм. (т) |
|
Емкость |
Емк. (ц, т) |
|
Железная дорога |
ж.д. |
|
Железобетон, железобетонный |
ж.б. |
|
Заведующий |
Зав. (*) |
|
Изоляция, изоляционный |
изол. |
|
Институт |
Ин-т (*) |
|
Конструкция |
констр. |
|
Коэффициент |
коэфф. |
|
Коэффициент полезного действия |
к.п.д. |
|
Лестница, лестничный |
лестн. |
|
Мастерская (в проектных институтах) |
Маст. (*) |
|
Масштаб |
М (ц) |
|
Материалы |
мат-лы (т) |
|
Монтажный |
монт. |
|
Нормативная нагрузка |
норм. нагр. |
|
Оборудование |
оборуд. |
|
Общий |
общ. |
|
Отметка |
отм. (ц) |
|
Проверил |
Пров. (*) |
|
Раздел |
разд. (ц) |
|
Размер |
разм. (ц) |
|
Расчетная нагрузка |
расч. нагр. |
|
Санитарно-технический |
сан. техн. |
|
Санитарный узел |
сан. узел |
|
Сборный |
сб. |
|
Сектор |
сек. (ц) |
|
Скважина |
скв. (ц) |
|
Снеговой |
снег. |
|
Температурный шов |
т.ш. (и) |
|
Технологический |
технол. |
|
Техник |
Техн. (*) |
|
Типовой |
тип. |
|
Труба |
тр. |
|
Уровень головки рельса |
ур. г. р. (и) |
|
Уровень земли |
ур. з. (и) |
|
Уровень чистого пола |
ур. ч. п. (и) |
|
Участок |
уч. (и, ц) |
|
Фундаментный |
фунд. |
|
Цемент, цементный |
цем. |
|
Цементобетон |
цем. бет. |
|
Часть |
Ч. (ц) |
|
Шаг |
ш. (ц, т) |
|
Штука |
шт. (ц. т) |
|
Штукатурка |
штукат. |
|
Щебень, щебеночный |
щеб. |
|
Электрический |
эл. |
|
Элемент |
эл-т (и. т) |
|
Этаж |
эт. (ц) |
|
Примечание - Сокращения, отмеченные знаком (*), применяют только в основной надписи; (т) - в таблицах; (ц) - с цифрами или шифрами; (и) - на графических изображениях |
|
основных комплектов рабочих чертежей;
основных чертежей разделов проектной документации;
графических документов по инженерным изысканиям

Форма 4 - Для чертежей строительных изделий (первый лист)

Форма 5 - Для всех видов текстовых документов

Примечание - Основную надпись по форме 5 допускается использовать для графических документов по инженерным изысканиям, не используемых в качестве подосновы
Форма 6 - Для чертежей строительных изделий и всех видов текстовых документов (последующие листы)

Указания по заполнению основной надписи и дополнительных граф к ней
В графах основной надписи и дополнительных графах к ней (номера граф указаны в скобках) приводят:
а) в графе 1 - обозначение документа, в том числе раздела проекта, основного комплекта рабочих чертежей, чертежа изделия, текстового документа и др.;
б) в графе 2 - наименование предприятия, жилищно-гражданского комплекса или другого объекта строительства, в состав которого входит здание (сооружение), или наименование микрорайона;
в) в графе 3 - наименование здания (сооружения) и, при необходимости, вид строительства (реконструкция, расширение, техническое перевооружение, капитальный ремонт);
г) в графе 4 - наименование изображений, помещенных на данном листе, в точном соответствии с их наименованием на чертеже.
Наименования спецификаций и других таблиц, а также текстовых указаний, относящихся к изображениям, в графе не указывают;
д) в графе 5 - наименование изделия и/или наименование документа;
е) в графе 6 - условное обозначение стадии проектирования:
1) П - для проектной документации, в том числе утверждаемой части рабочего проекта;
2) Р - для рабочей документации;
ж) в графе 7 - порядковый номер листа или страницы текстового документа при двусторонней печати. На документах, состоящих из одного листа, графу не заполняют;
и) в графе 8 - общее число листов документа. Графу заполняют
только на первом листе. На первом листе текстового документа при двусторонней
печати указывают общее число страниц;
к) в графе 9 - наименование или различительный индекс организации, разработавшей документ;
л) в графе 10 - характер работы (разработал, проверил, нормоконтроль).
В зависимости от стадии проектирования, сложности и значимости документа допускается свободные строки заполнять по усмотрению руководства организации (указать должности лиц, ответственных за разработку документа (чертежа);
м) в графах 11 - 13 - фамилии и подписи лиц, указанных в графе 10, и дату подписания.
Подписи других должностных лиц и согласующие подписи размещают на поле для подшивки листа;
н) в графах 14 - 19 - графы таблицы изменений, которые заполняют в соответствии с 7.5.19;
п) в графе 20 - инвентарный номер подлинника;
р) в графе 21 - подпись лица, принявшего подлинник на хранение, и дату приемки (число, месяц, год);
с) в графе 22 - инвентарный номер подлинника документа, взамен которого выпущен новый подлинник;
т) в графе 23 - обозначение материала детали (графу заполняют только на чертежах деталей);
у) в графе 24 - массу изделия, изображенного на чертеже, в килограммах без указания единицы измерения. Массу изделия в других единицах измерения приводят с указанием единицы измерения.
Пример - 2,4 т;
ф) в графе 25 - масштаб (проставляют в соответствии с ГОСТ 2.302);
ш) в графе 26 - подпись лица, копировавшего чертеж (при необходимости).

Примечание - Размеры в скобках указаны для рамок типовой проектной документации.


Указания по заполнению спецификации и групповой спецификации
В спецификациях указывают:
а) в графе «Поз.» - позиции (марки) элементов конструкций, установок;
б) в графе «Обозначение» - обозначение основных документов на записываемые в спецификацию элементы конструкций, оборудование и изделия или стандартов (технических условий) на них;
в) в графе «Наименование» - наименования элементов конструкций, оборудования и изделий и их марки. Допускается на группу одноименных элементов указывать наименование один раз и подчеркивать;
г) в графе «Кол.» формы 7 - количество элементов. В графе «Кол…» формы 8 - вместо многоточия записывают «по схеме», «на этаж» и т.п., а ниже - порядковые номера схем расположения или этажей;
д) в графе «Масса, ед., кг» - массу в килограммах. Допускается приводить массу в тоннах, но с указанием единицы измерения;
е) в графе «Примечание» - дополнительные сведения, например, единицу измерения массы.

Указания по заполнению разрешения на внесение изменений
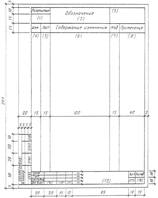
В графах разрешения указывают:
а) в графе 1 - обозначение разрешения, состоящее из порядкового номера разрешения по книге регистрации разрешений по ГОСТ 21.203 и через дефис двух последних цифр года.
Пример - 15-97;
б) в графе 2 - обозначение документа, в который вносят изменение;
в) в графе 3 - наименование строящегося предприятия, здания (сооружения);
г) в графе 4 - очередной порядковый номер, присваиваемый изменениям, которые вносят в документ по одному разрешению. Его указывают для всего документа, независимо от того, на скольких листах он выполнен. Порядковые номера изменений обозначают арабскими цифрами;
д) в графе 5 - номера листов документа, в которые вносят изменения;
е) в графе 6 - содержание изменения в виде текстового описания и/или графического изображения;
ж) в графе 7 - код причины изменения в соответствии с таблицей;
|
Код причины изменения |
Причины изменения |
|
1 |
Введение усовершенствований |
|
2 |
Изменение стандартов и норм |
|
3 |
Дополнительные требования заказчика |
|
4 |
Устранение ошибок |
и) в графе 8 - дополнительные сведения;
к) в графах 9 - 11 - фамилии лиц, подписывающих разрешение, их подписи и даты подписания;
л) в графе 12 - наименование проектной организации и подразделения (отдела), составившего разрешение;
м) в графах 13 - 16 - наименование соответствующих подразделений или организаций, должности и фамилии лиц, с которыми в установленном порядке согласовывают разрешение, их подписи и даты подписания, а также подпись нормоконтролера;
н) в графе 17 - порядковый номер листа разрешения. Если разрешение состоит из одного листа, графу не заполняют;
п) в графе 18 - общее число листов разрешения.

Указания по заполнению таблицы регистрации изменений
В графах таблицы регистрации изменений указывают:
а) в графах «Изм.», «Номер док.», «Подп.» и «Дата» - аналогично заполнению соответствующих граф таблицы изменений;
б) в графах «Номера листов (страниц) измененных, замененных, новых, аннулированных» - номера листов (страниц) соответственно измененных, замененных, добавленных и аннулированных по данному разрешению.
При замене всего документа в графе «Номера листов (страниц), замененных» указывают «Все»;
в) в графе «Всего листов (страниц) в док.» - число листов (страниц) в документе. Графу заполняют в случае заполнения граф «Номера листов (страниц), новых» и/или «Номера листов (страниц), аннулированных».

Указания по заполнению штампа аннулирования (замены) подлинника документа
В штампе указывают:
а) в строке 1 - порядковый номер очередного изменения документа, в соответствии с которым лист аннулирован или заменен (например, «Изм. 3»). При аннулировании листа слово «Заменен» в штампе зачеркивают;
б) в графах 2 - 5 - должность, фамилию, подпись лица, ответственного за внесение изменений, и дату подписания.


Указания по заполнению штампов привязки
При заполнении штампов привязки указывают:
а) в графе 1 - новое обозначение привязываемого документа;
б) в графе 2 - наименование организации, выполнившей привязку;
в) в графе 3 - наименование строящегося предприятия, здания или сооружения, для которых выполнена привязка;
г) в графах 4 - 7 - должности и фамилии лиц, ответственных за привязку, а также лица, осуществившего нормоконтроль, их подписи и даты подписания;
д) в графе 8 - инвентарный номер, присвоенный привязанному документу;
е) в графе 9 - число листов привязанного документа;
ж) в графах 10, 11 - подпись лица, принявшего привязанный документ на хранение, и дату подписания.

Примечание - Наименование органа управления указывают для государственных организаций.

Примечания
1 Наименование органа управления указывают для государственных организаций.
2 Поле для подписания документа заполняют в соответствии с указаниями раздела 9.
Пример оформления титульного листа


Указания по заполнению ведомости
В ведомости указывают:
- в графе «Номер тома» - номер тома или его части;
- в графе «Обозначение» - обозначение документа, указанное на титульном листе, и, при необходимости, наименование или различительный индекс организации, выпустившей документ;
- в графе «Наименование» - наименование документа в точном соответствии с наименованием, указанным на титульном листе;
- в графе «Примечание» - дополнительные сведения.
Ключевые слова: рабочая документация, рабочие чертежи, общие данные по рабочим чертежам, состав, основные комплекты, спецификации, внесение изменений, привязка, проектная документация, графические и текстовые документы, титульный лист, основные надписи, подписи