ГОСТ 5525-88
МЕЖГОСУДАРСТВЕННЫЙ СТАНДАРТ
ЧАСТИ СОЕДИНИТЕЛЬНЫЕ
ЧУГУННЫЕ, ИЗГОТОВЛЕННЫЕ ЛИТЬЕМ
В ПЕСЧАНЫЕ ФОРМЫ
ДЛЯ ТРУБОПРОВОДОВ
Технические
условия
|

|
Москва
Стандартинформ
2010
|
МЕЖГОСУДАРСТВЕННЫЙ СТАНДАРТ
Дата введения 01.01.90
1. СОРТАМЕНТ
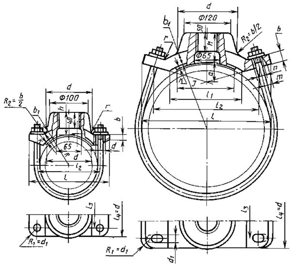
1.1. Наименования и обозначения раструбных (черт. 1) и фланцевых (черт. 2) соединительных частей устанавливаются в соответствии
с табл. 1.
Таблица 1
|
Наименование
|
Эскиз
|
Обозначение на
схеме
|
Обозначение в
документе
|
Чертеж
|
|
1. Раструбное и фланцевое
соединение
|
|
|
|
1 и 2
|
|
2. Тройник фланцевый
|

|

|
ТФ
|
3
|
|
3. Тройник раструбный
|

|

|
ТР
|
4
|
|
4. Тройник раструб - фланец
|

|

|
ТРФ
|
5
|
|
5. Крест фланцевый
|

|

|
КФ
|
6
|
|
6. Крест раструбный
|

|

|
КР
|
7
|
|
7. Крест раструб - фланец
|

|

|
КРФ
|
8
|
|
8. Выпуск фланцевый
|

|

|
ВФ
|
9
|
|
9. Выпуск раструбный
|

|

|
ВР
|
10
|
|
10. Колено фланцевое
|

|

|
УФ
|
11
|
|
11. Колено раструбное
|

|

|
УР
|
12
|
|
12. Колено раструб - гладкий
конец
|

|

|
УРГ
|
13
|
|
13. Отвод раструбный
|

|

|
ОР
|
14
|
|
14. Отвод раструб - гладкий
конец
|

|

|
ОРГ
|
15
|
|
15. Переход фланцевый
|

|

|
ХФ
|
16
|
|
16. Переход раструб - фланец
|

|

|
ХРФ
|
17
|
|
17. Переход раструбный
|

|

|
ХР
|
18
|
|
18. Переход раструб - гладкий
конец
|

|

|
ХРГ
|
19
|
|
19. Патрубок фланец - раструб
|

|

|
ПФР
|
20
|
|
20. Патрубок фланец - гладкий
конец
|

|

|
ПФГ
|
21
|
|
21. Двойной раструб
|

|

|
ДР
|
22
|
|
22. Муфта надвижная
|

|

|
МН
|
23
|
|
23. Муфта свертная
|

|

|
МС
|
24
|
|
24. Заглушка фланцевая
|

|

|
ЗФ
|
25
|
|
25. Седелка фланцевая
|

|

|
СФ
|
26
|
|
26. Седелка с резьбой
|

|

|
СР
|
27
|
|
27. Пожарная подставка
раструбная
|

|

|
ППР
|
28
|
|
28. Тройник раструб - фланец с
пожарной подставкой
|

|

|
ППТРФ
|
29
|
|
29. Тройник фланцевый с
пожарной подставкой
|

|

|
ППТФ
|
30
|
|
30. Крест фланец - раструб с
пожарной подставкой
|

|

|
ППКРФ
|
31
|
|
31. Крест фланцевый с пожарной
подставкой
|

|

|
ППКФ
|
32
|
1.2. Размеры и масса раструбов приведены в табл. 2 и на черт. 1. Размеры и масса фланцев приведены в табл. 3 и на черт. 2. Форма и размеры соединительных частей приведены в
табл. 4 - 24 и на черт. 3 - 32.
Примечания:
1. Размеры соединительных частей и
допускаемые отклонения на них предусмотрены для изделий без покрытия.
2. Соединительные части с условными
проходами 350 и 450 мм при новом проектировании не применять.
Раструбное соединение

Черт. 1
Фланцевое соединение

Черт. 2
Таблица 2
Размеры, мм
|
Условный
проход Do
|
Dн
|
Dр
|
D1
|
S2
|
b
|
с
|
f
|
h
|
l1
|
l2
|
l3
|
l4
|
Р
|
R
|
R1
|
Масса раструба, кг
|
|
65
|
81
|
93
|
99
|
25
|
25
|
3
|
9,0
|
8
|
65
|
10
|
40
|
20
|
1,0
|
21,5
|
33,0
|
4,4
|
|
80
|
98
|
110
|
116
|
27
|
27
|
3
|
9,0
|
8
|
65
|
10
|
40
|
20
|
1,0
|
21,5
|
37,0
|
5,2
|
|
100
|
118
|
131
|
137
|
28
|
27
|
5
|
9,5
|
8
|
65
|
15
|
40
|
20
|
1,0
|
22,5
|
38,0
|
6,6
|
|
125
|
144
|
157
|
163
|
29
|
28
|
5
|
9,5
|
8
|
65
|
15
|
45
|
20
|
1,0
|
23,0
|
52,0
|
8,9
|
|
150
|
170
|
183
|
189
|
30
|
30
|
5
|
9,5
|
8
|
70
|
15
|
45
|
20
|
1,0
|
23,5
|
48,0
|
10,7
|
|
200
|
222
|
235
|
241
|
32
|
32
|
5
|
9,5
|
8
|
70
|
15
|
50
|
20
|
1,0
|
25,0
|
57,0
|
14,6
|
|
250
|
274
|
287
|
294
|
34
|
34
|
5
|
10,0
|
8
|
75
|
15
|
50
|
20
|
1,0
|
26,5
|
50
|
20,4
|
|
300
|
326
|
339
|
346
|
36
|
36
|
6
|
10,0
|
8
|
75
|
20
|
55
|
30
|
1,5
|
28,0
|
64
|
26,7
|
|
350
|
378
|
391
|
398
|
38
|
38
|
6
|
10,0
|
10
|
80
|
20
|
60
|
30
|
1,5
|
29,0
|
73
|
33,9
|
|
400
|
429
|
442
|
449
|
40
|
40
|
6
|
10,0
|
10
|
80
|
20
|
65
|
30
|
1,5
|
30,5
|
80
|
41,9
|
|
450
|
480
|
494
|
501
|
41
|
41
|
6
|
10,5
|
10
|
85
|
20
|
70
|
30
|
1,5
|
32,0
|
89
|
49,8
|
|
500
|
532
|
546
|
553
|
43
|
42
|
6
|
10,5
|
10
|
85
|
20
|
75
|
30
|
1,5
|
33,5
|
99
|
61,0
|
|
600
|
635
|
650
|
657
|
46
|
43
|
6
|
11,0
|
10
|
90
|
25
|
80
|
40
|
2,0
|
36,5
|
100
|
83,0
|
|
700
|
738
|
753
|
760
|
50
|
44
|
7
|
11,0
|
10
|
95
|
25
|
85
|
40
|
2,0
|
39,0
|
108
|
112,2
|
|
800
|
842
|
857
|
865
|
54
|
45
|
7
|
11,5
|
12
|
100
|
30
|
90
|
50
|
2,5
|
42,0
|
110
|
143,3
|
|
900
|
945
|
960
|
968
|
58
|
46
|
8
|
11,5
|
12
|
105
|
30
|
100
|
50
|
2,5
|
44,5
|
135
|
184,6
|
|
1000
|
1048
|
1064
|
1072
|
62
|
48
|
8
|
12,0
|
12
|
110
|
35
|
110
|
50
|
2,5
|
47,0
|
151
|
238,5
|
|
1200
|
1256
|
1273
|
1281
|
70
|
50
|
8
|
12,5
|
12
|
115
|
35
|
130
|
50
|
2,5
|
52,5
|
165
|
319,5
|
Примечания:
1. У соединительных частей переход
цилиндра в раструб можно выполнить в виде уступа (вариант I)
или же с уклоном (вариант II).
2. Толщина стенок соединительных
частей S1 больше толщины стенок труб S. Утолщение стенок достигается за счет уменьшения внутреннего
диаметра, как показано на чертеже штрих-пунктирной линией.
Таблица 3
Размеры, мм
|
D0
|
b
|
f
|
r
|
d
|
D1
|
D2
|
Резиновая
прокладка
|
D5
|
а
|
Болты
|
Масса фланца, кг
|
|
D3
|
D4
|
кол-во
|
диаметр
|
|
65
|
21
|
40
|
6
|
19
|
140
|
180
|
69
|
132
|
132
|
3
|
4
|
М16
|
3,30
|
|
80
|
22
|
43
|
6
|
19
|
160
|
200
|
80
|
138
|
138
|
3
|
4
|
М16
|
4,03
|
|
100
|
22
|
43
|
6
|
19
|
180
|
220
|
105
|
158
|
158
|
3
|
4
|
М16
|
4,53
|
|
125
|
24
|
43
|
6
|
19
|
210
|
250
|
130
|
188
|
188
|
3
|
8
|
М16
|
6,00
|
|
150
|
24
|
43
|
6
|
23
|
240
|
285
|
156
|
212
|
212
|
3
|
8
|
М20
|
7,38
|
|
200
|
26
|
45
|
8
|
23
|
295
|
340
|
206
|
268
|
268
|
3
|
8
|
М20
|
10,30
|
|
250
|
28
|
45
|
8
|
23
|
350
|
395
|
256
|
320
|
320
|
3
|
12
|
М20
|
13,30
|
|
300
|
28
|
45
|
8
|
23
|
400
|
445
|
306
|
370
|
370
|
4
|
12
|
М20
|
15,30
|
|
350
|
30
|
50
|
8
|
23
|
460
|
505
|
356
|
430
|
430
|
4
|
16
|
М20
|
20,10
|
|
400
|
32
|
50
|
10
|
26
|
515
|
565
|
406
|
482
|
482
|
4
|
16
|
М22
|
25,40
|
|
450
|
32
|
50
|
10
|
26
|
565
|
615
|
456
|
530
|
530
|
4
|
20
|
М22
|
27,60
|
|
500
|
34
|
50
|
10
|
26
|
620
|
670
|
506
|
585
|
585
|
4
|
20
|
М22
|
32,90
|
|
600
|
36
|
55
|
10
|
31
|
725
|
780
|
606
|
685
|
685
|
5
|
20
|
М27
|
43,00
|
|
700
|
40
|
55
|
10
|
31
|
840
|
895
|
710
|
800
|
800
|
5
|
24
|
М27
|
58,10
|
|
800
|
44
|
60
|
10
|
34
|
950
|
1015
|
810
|
905
|
905
|
5
|
24
|
М30
|
80,10
|
|
900
|
46
|
60
|
10
|
34
|
1050
|
1115
|
910
|
1005
|
1005
|
5
|
28
|
М30
|
93,50
|
|
1000
|
50
|
65
|
10
|
37
|
1160
|
1230
|
1010
|
1115
|
1115
|
5
|
28
|
М30
|
119,00
|
|
1200
|
56
|
70
|
15
|
43
|
1380
|
1455
|
1210
|
1330
|
1330
|
5
|
32
|
М40
|
167,00
|
Примечания:
1. Болтовые отверстия на фланцах
соединительных частей должны быть расположены так, чтобы их не было ни на
вертикальной, ни на горизонтальной оси фланца.
2. Толщина стенок соединительных
частей S1 больше толщины стенок труб S. Утолщение стенок достигается за счет уменьшения внутреннего
диаметра, как показано на чертеже штрих-пунктирной линией.
3. Допускается выполнение фланцев с
выступами согласно размерам D5 и а.
тройники и кресты
Тройник фланцевый

Черт. 3
Обозначение фланцевого тройника со стволом условного прохода 400 мм и с
отростком условного прохода 150 мм:
Тройник ТФ 400×150 ГОСТ 5525-88
Тройник раструбный

Черт. 4
Обозначение раструбного тройника со стволом условного прохода 500 мм и
с отростком условного прохода 150 мм:
Тройник ТР 500×150 ГОСТ 5525-88
Тройник раструб - фланец

Черт. 5
Обозначение тройника раструба - фланца со стволом условного прохода 100
мм и с отростком условного прохода 80 мм:
Тройник ТРФ 100×80 ГОСТ 5525-88
Крест фланцевый

Черт. 6
Обозначение фланцевого креста со стволом условного прохода 600 мм и с
отростком условного прохода 300 мм:
Крест КФ 600×300 ГОСТ 5525-88
Крест раструбный

Черт. 7
Обозначение раструбного креста со стволом условного прохода 600 мм и с
отростком условного прохода 250 мм:
Крест КР 600×250 ГОСТ 5525-88
Крест раструб - фланец

Черт. 8
Обозначение креста раструба - фланца со стволом условного прохода 400
мм и с отростком условного прохода 125 мм:
Крест КРФ 400×125 ГОСТ 5525-88
Примечание. На чертежах ось ствола расположена горизонтально, ось
отростков - вертикально.
Таблица 4
Размеры, мм
|
Условный проход
ствола D0
|
Обозначение
размеров
|
Условный проход
отростка d0
|
Наружный диаметр
ствола Dн
|
Толщина стенки
ствола S
|
|
65
|
80
|
100
|
125
|
150
|
200
|
250
|
300
|
350
|
400
|
450
|
500
|
600
|
700
|
800
|
900
|
1000
|
1200
|
|
65
|
l
|
140
|
|
|
|
|
|
|
|
|
|
|
|
|
|
|
|
|
|
81
|
9
|
|
l1
|
140
|
|
|
|
|
|
|
|
|
|
|
|
|
|
|
|
|
|
|
l2
|
115
|
|
|
|
|
|
|
|
|
|
|
|
|
|
|
|
|
|
|
l3
|
115
|
|
|
|
|
|
|
|
|
|
|
|
|
|
|
|
|
|
|
S1
|
9
|
|
|
|
|
|
|
|
|
|
|
|
|
|
|
|
|
|
|
80
|
l
|
150
|
150
|
|
|
|
|
|
|
|
|
|
|
|
|
|
|
|
|
98
|
10
|
|
l1
|
150
|
150
|
|
|
|
|
|
|
|
|
|
|
|
|
|
|
|
|
|
l2
|
125
|
125
|
|
|
|
|
|
|
|
|
|
|
|
|
|
|
|
|
|
l3
|
115
|
125
|
|
|
|
|
|
|
|
|
|
|
|
|
|
|
|
|
|
S1
|
9
|
10
|
|
|
|
|
|
|
|
|
|
|
|
|
|
|
|
|
|
100
|
l
|
200
|
200
|
200
|
|
|
|
|
|
|
|
|
|
|
|
|
|
|
|
118
|
10
|
|
l1
|
150
|
175
|
200
|
|
|
|
|
|
|
|
|
|
|
|
|
|
|
|
|
l2
|
125
|
125
|
150
|
|
|
|
|
|
|
|
|
|
|
|
|
|
|
|
|
l3
|
125
|
125
|
150
|
|
|
|
|
|
|
|
|
|
|
|
|
|
|
|
|
S1
|
9
|
10
|
10
|
|
|
|
|
|
|
|
|
|
|
|
|
|
|
|
|
125
|
l
|
225
|
225
|
225
|
225
|
|
|
|
|
|
|
|
|
|
|
|
|
|
|
144
|
11
|
|
l1
|
175
|
175
|
175
|
225
|
|
|
|
|
|
|
|
|
|
|
|
|
|
|
|
l2
|
140
|
150
|
150
|
200
|
|
|
|
|
|
|
|
|
|
|
|
|
|
|
|
l3
|
140
|
150
|
150
|
200
|
|
|
|
|
|
|
|
|
|
|
|
|
|
|
|
S1
|
9
|
10
|
10
|
11
|
|
|
|
|
|
|
|
|
|
|
|
|
|
|
|
150
|
l
|
250
|
250
|
250
|
250
|
250
|
|
|
|
|
|
|
|
|
|
|
|
|
|
170
|
11
|
|
l1
|
200
|
200
|
200
|
200
|
250
|
|
|
|
|
|
|
|
|
|
|
|
|
|
|
l2
|
140
|
150
|
150
|
200
|
200
|
|
|
|
|
|
|
|
|
|
|
|
|
|
|
l3
|
150
|
150
|
150
|
200
|
200
|
|
|
|
|
|
|
|
|
|
|
|
|
|
|
S1
|
9
|
10
|
10
|
11
|
11
|
|
|
|
|
|
|
|
|
|
|
|
|
|
|
200
|
l
|
300
|
300
|
300
|
300
|
300
|
300
|
|
|
|
|
|
|
|
|
|
|
|
|
222
|
13
|
|
l1
|
225
|
225
|
225
|
225
|
225
|
300
|
|
|
|
|
|
|
|
|
|
|
|
|
|
l2
|
140
|
150
|
200
|
200
|
200
|
250
|
|
|
|
|
|
|
|
|
|
|
|
|
|
l3
|
200
|
200
|
200
|
200
|
200
|
250
|
|
|
|
|
|
|
|
|
|
|
|
|
|
S1
|
9
|
10
|
10
|
11
|
11
|
13
|
|
|
|
|
|
|
|
|
|
|
|
|
|
250
|
l
|
|
300
|
300
|
300
|
300
|
300
|
300
|
|
|
|
|
|
|
|
|
|
|
|
274
|
14
|
|
l1
|
|
250
|
250
|
250
|
250
|
275
|
300
|
|
|
|
|
|
|
|
|
|
|
|
|
l2
|
|
150
|
200
|
200
|
200
|
250
|
250
|
|
|
|
|
|
|
|
|
|
|
|
|
l3
|
|
200
|
200
|
250
|
250
|
250
|
250
|
|
|
|
|
|
|
|
|
|
|
|
|
S1
|
|
10
|
10
|
11
|
11
|
13
|
14
|
|
|
|
|
|
|
|
|
|
|
|
|
300
|
l
|
|
300
|
300
|
300
|
300
|
300
|
300
|
300
|
|
|
|
|
|
|
|
|
|
|
326
|
15
|
|
l1
|
|
275
|
275
|
275
|
275
|
300
|
300
|
300
|
|
|
|
|
|
|
|
|
|
|
|
l2
|
|
150
|
200
|
200
|
200
|
250
|
250
|
300
|
|
|
|
|
|
|
|
|
|
|
|
l3
|
|
250
|
250
|
250
|
250
|
250
|
250
|
300
|
|
|
|
|
|
|
|
|
|
|
|
S1
|
|
10
|
10
|
11
|
11
|
13
|
14
|
15
|
|
|
|
|
|
|
|
|
|
|
|
350
|
l
|
|
|
300
|
300
|
300
|
300
|
300
|
350
|
350
|
|
|
|
|
|
|
|
|
|
378
|
16
|
|
l1
|
|
|
300
|
300
|
300
|
300
|
325
|
325
|
350
|
|
|
|
|
|
|
|
|
|
|
l2
|
|
|
200
|
200
|
200
|
250
|
250
|
300
|
300
|
|
|
|
|
|
|
|
|
|
|
l3
|
|
|
250
|
300
|
300
|
300
|
300
|
300
|
300
|
|
|
|
|
|
|
|
|
|
|
S1
|
|
|
10
|
11
|
11
|
13
|
14
|
15
|
16
|
|
|
|
|
|
|
|
|
|
|
400
|
l
|
|
|
300
|
300
|
300
|
300
|
300
|
400
|
400
|
400
|
|
|
|
|
|
|
|
|
429
|
17
|
|
l1
|
|
|
325
|
325
|
325
|
350
|
350
|
350
|
375
|
400
|
|
|
|
|
|
|
|
|
|
l2
|
|
|
200
|
200
|
250
|
250
|
250
|
300
|
300
|
300
|
|
|
|
|
|
|
|
|
|
l3
|
|
|
300
|
300
|
300
|
300
|
300
|
300
|
350
|
350
|
|
|
|
|
|
|
|
|
|
S1
|
|
|
10
|
11
|
11
|
13
|
14
|
15
|
16
|
17
|
|
|
|
|
|
|
|
|
|
450
|
l
|
|
|
300
|
300
|
300
|
300
|
300
|
400
|
400
|
400
|
450
|
|
|
|
|
|
|
|
480
|
18
|
|
l1
|
|
|
350
|
350
|
350
|
375
|
375
|
400
|
400
|
400
|
450
|
|
|
|
|
|
|
|
|
l2
|
|
|
200
|
200
|
250
|
250
|
250
|
300
|
300
|
400
|
400
|
|
|
|
|
|
|
|
|
l3
|
|
|
300
|
350
|
350
|
350
|
350
|
350
|
350
|
350
|
400
|
|
|
|
|
|
|
|
|
S1
|
|
|
10
|
11
|
11
|
13
|
14
|
15
|
16
|
17
|
18
|
|
|
|
|
|
|
|
|
500
|
l
|
|
|
300
|
300
|
300
|
300
|
400
|
400
|
400
|
400
|
500
|
500
|
|
|
|
|
|
|
532
|
19
|
|
l1
|
|
|
375
|
375
|
375
|
400
|
400
|
425
|
425
|
425
|
450
|
500
|
|
|
|
|
|
|
|
l2
|
|
|
200
|
200
|
250
|
250
|
250
|
300
|
300
|
400
|
400
|
400
|
|
|
|
|
|
|
|
l3
|
|
|
350
|
350
|
350
|
350
|
350
|
350
|
400
|
400
|
400
|
400
|
|
|
|
|
|
|
|
S1
|
|
|
12
|
12
|
12
|
13
|
14
|
15
|
16
|
17
|
18
|
19
|
|
|
|
|
|
|
|
600
|
l
|
|
|
|
|
300
|
300
|
400
|
400
|
400
|
400
|
500
|
500
|
550
|
|
|
|
|
|
635
|
21
|
|
l1
|
|
|
|
|
450
|
450
|
450
|
475
|
475
|
475
|
500
|
500
|
550
|
|
|
|
|
|
|
l2
|
|
|
|
|
250
|
250
|
300
|
300
|
400
|
400
|
400
|
400
|
450
|
|
|
|
|
|
|
l3
|
|
|
|
|
400
|
400
|
400
|
400
|
450
|
450
|
450
|
450
|
450
|
|
|
|
|
|
|
S1
|
|
|
|
|
14
|
14
|
14
|
15
|
16
|
17
|
18
|
19
|
21
|
|
|
|
|
|
|
700
|
l
|
|
|
|
|
400
|
400
|
400
|
400
|
400
|
500
|
500
|
500
|
600
|
600
|
|
|
|
|
738
|
24
|
|
l1
|
|
|
|
|
500
|
500
|
500
|
525
|
525
|
525
|
550
|
550
|
550
|
600
|
|
|
|
|
|
l2
|
|
|
|
|
250
|
250
|
300
|
300
|
400
|
400
|
450
|
400
|
500
|
550
|
|
|
|
|
|
l3
|
|
|
|
|
450
|
450
|
450
|
450
|
500
|
500
|
500
|
500
|
500
|
550
|
|
|
|
|
|
S1
|
|
|
|
|
16
|
16
|
16
|
16
|
16
|
17
|
18
|
19
|
21
|
24
|
|
|
|
|
|
800
|
l
|
|
|
|
|
|
400
|
400
|
400
|
500
|
500
|
500
|
500
|
700
|
700
|
700
|
|
|
|
842
|
26
|
|
l1
|
|
|
|
|
|
550
|
550
|
575
|
575
|
575
|
600
|
600
|
625
|
625
|
700
|
|
|
|
|
l2
|
|
|
|
|
|
300
|
300
|
300
|
400
|
400
|
400
|
500
|
500
|
600
|
600
|
|
|
|
|
l3
|
|
|
|
|
|
500
|
500
|
550
|
550
|
550
|
550
|
550
|
550
|
550
|
600
|
|
|
|
|
S1
|
|
|
|
|
|
18
|
18
|
18
|
18
|
18
|
18
|
19
|
21
|
24
|
26
|
|
|
|
|
900
|
l
|
|
|
|
|
|
400
|
400
|
400
|
500
|
500
|
500
|
500
|
700
|
700
|
700
|
750
|
|
|
945
|
28
|
|
l1
|
|
|
|
|
|
600
|
625
|
625
|
625
|
650
|
650
|
650
|
675
|
675
|
700
|
750
|
|
|
|
l2
|
|
|
|
|
|
300
|
300
|
300
|
400
|
400
|
400
|
500
|
500
|
600
|
600
|
650
|
|
|
|
l3
|
|
|
|
|
|
550
|
550
|
600
|
600
|
600
|
600
|
600
|
600
|
600
|
600
|
650
|
|
|
|
S1
|
|
|
|
|
|
20
|
20
|
20
|
20
|
20
|
20
|
20
|
21
|
24
|
26
|
28
|
|
|
|
1000
|
l
|
|
|
|
|
|
|
500
|
500
|
500
|
500
|
500
|
700
|
700
|
700
|
700
|
800
|
800
|
|
1048
|
30
|
|
l1
|
|
|
|
|
|
|
675
|
675
|
675
|
700
|
700
|
700
|
725
|
750
|
800
|
800
|
800
|
|
|
l2
|
|
|
|
|
|
|
400
|
400
|
400
|
400
|
400
|
500
|
500
|
600
|
600
|
700
|
700
|
|
|
l3
|
|
|
|
|
|
|
600
|
650
|
650
|
650
|
650
|
650
|
650
|
650
|
700
|
700
|
700
|
|
|
S1
|
|
|
|
|
|
|
21
|
21
|
21
|
21
|
21
|
21
|
21
|
24
|
26
|
28
|
30
|
|
|
1200
|
l
|
|
|
|
|
|
|
|
500
|
500
|
500
|
700
|
700
|
700
|
700
|
800
|
800
|
1000
|
1000
|
1256
|
34
|
|
l1
|
|
|
|
|
|
|
|
800
|
800
|
800
|
800
|
825
|
825
|
850
|
900
|
900
|
900
|
1000
|
|
l2
|
|
|
|
|
|
|
|
400
|
400
|
400
|
400
|
500
|
500
|
600
|
600
|
700
|
700
|
850
|
|
l3
|
|
|
|
|
|
|
|
750
|
750
|
750
|
750
|
750
|
750
|
750
|
800
|
800
|
800
|
850
|
|
S1
|
|
|
|
|
|
|
|
24
|
24
|
24
|
24
|
24
|
24
|
24
|
26
|
28
|
30
|
34
|

Таблица 5
Размеры, мм
|
Условный
проход отростка, da
|
65
|
80
|
100
|
125
|
150
|
200
|
250
|
300
|
350
|
400
|
450
|
500
|
600
|
700
|
800
|
900
|
1000
|
1200
|
|
Наружный диаметр отростка
|
81
|
98
|
118
|
144
|
170
|
222
|
274
|
326
|
378
|
429
|
480
|
532
|
635
|
738
|
842
|
945
|
1048
|
1256
|
|
Радиус сопряжения, r
|
25
|
25
|
30
|
30
|
30
|
40
|
40
|
40
|
50
|
50
|
50
|
50
|
50
|
50
|
60
|
60
|
70
|
80
|
|
Высота фаски, с
|
7
|
8
|
9
|
10
|
11
|
12
|
13
|
14
|
15
|
17
|
19
|
20
|
22
|
25
|
28
|
31
|
35
|
40
|
Примечания:
1. Размеры раструбов - по черт. 1.
2. Размеры фланцев - по черт. 2.
3. При условных проходах ствола более
500 мм по согласованию изготовителя с потребителем допускается изготовление
тройников и крестов с лазом размерами по черт. 9 и 10.
Таблица 6
Масса тройников и крестов
|
Условный
проход ствола D0, мм
|
Обозначение
соединительной части
|
Условный проход
отростка d0, мм
|
|
65
|
80
|
100
|
125
|
150
|
200
|
250
|
300
|
350
|
400
|
450
|
500
|
600
|
700
|
800
|
900
|
1000
|
1200
|
|
кг
|
|
65
|
ТФ
|
15,2
|
|
|
|
|
|
|
|
|
|
|
|
|
|
|
|
|
|
|
ТРФ
|
16,7
|
|
|
|
|
|
|
|
|
|
|
|
|
|
|
|
|
|
|
ТР
|
17,4
|
|
|
|
|
|
|
|
|
|
|
|
|
|
|
|
|
|
|
КФ
|
19,7
|
|
|
|
|
|
|
|
|
|
|
|
|
|
|
|
|
|
|
КРФ
|
21,2
|
|
|
|
|
|
|
|
|
|
|
|
|
|
|
|
|
|
|
КР
|
22,6
|
|
|
|
|
|
|
|
|
|
|
|
|
|
|
|
|
|
|
80
|
ТФ
|
18,6
|
20,0
|
|
|
|
|
|
|
|
|
|
|
|
|
|
|
|
|
|
ТРФ
|
19,9
|
21,3
|
|
|
|
|
|
|
|
|
|
|
|
|
|
|
|
|
|
ТР
|
20,5
|
22,0
|
|
|
|
|
|
|
|
|
|
|
|
|
|
|
|
|
|
КФ
|
23,1
|
25,9
|
|
|
|
|
|
|
|
|
|
|
|
|
|
|
|
|
|
КРФ
|
24,4
|
27,2
|
|
|
|
|
|
|
|
|
|
|
|
|
|
|
|
|
|
КР
|
25,6
|
28,8
|
|
|
|
|
|
|
|
|
|
|
|
|
|
|
|
|
|
100
|
ТФ
|
23,5
|
25,0
|
26,6
|
|
|
|
|
|
|
|
|
|
|
|
|
|
|
|
|
ТРФ
|
23,7
|
25,4
|
28,3
|
|
|
|
|
|
|
|
|
|
|
|
|
|
|
|
|
ТР
|
24,5
|
25,6
|
29,1
|
|
|
|
|
|
|
|
|
|
|
|
|
|
|
|
|
КФ
|
27,4
|
31,2
|
34,3
|
|
|
|
|
|
|
|
|
|
|
|
|
|
|
|
|
КРФ
|
28,1
|
31,6
|
36,0
|
|
|
|
|
|
|
|
|
|
|
|
|
|
|
|
|
КР
|
29,6
|
31,9
|
37,6
|
|
|
|
|
|
|
|
|
|
|
|
|
|
|
|
|
125
|
ТФ
|
31,5
|
32,8
|
33,6
|
37,6
|
|
|
|
|
|
|
|
|
|
|
|
|
|
|
|
ТРФ
|
31,7
|
33,6
|
34,4
|
41,7
|
|
|
|
|
|
|
|
|
|
|
|
|
|
|
|
ТР
|
32,3
|
34,3
|
35,9
|
43,8
|
|
|
|
|
|
|
|
|
|
|
|
|
|
|
|
КФ
|
36,1
|
38,7
|
40,4
|
48,3
|
|
|
|
|
|
|
|
|
|
|
|
|
|
|
|
КРФ
|
36,3
|
39,5
|
41,2
|
52,4
|
|
|
|
|
|
|
|
|
|
|
|
|
|
|
|
КР
|
37,4
|
40,8
|
44,1
|
56,6
|
|
|
|
|
|
|
|
|
|
|
|
|
|
|
|
150
|
ТФ
|
39,2
|
40,8
|
41,7
|
44,0
|
48,0
|
|
|
|
|
|
|
|
|
|
|
|
|
|
|
ТРФ
|
37,2
|
39,4
|
40,3
|
46,6
|
50,6
|
|
|
|
|
|
|
|
|
|
|
|
|
|
|
ТР
|
37,6
|
39,5
|
41,1
|
49,5
|
51,9
|
|
|
|
|
|
|
|
|
|
|
|
|
|
|
КФ
|
44,1
|
46,8
|
48,6
|
53,3
|
59,0
|
|
|
|
|
|
|
|
|
|
|
|
|
|
|
КРФ
|
42,0
|
45,4
|
47,2
|
55,9
|
63,9
|
|
|
|
|
|
|
|
|
|
|
|
|
|
|
КР
|
42,7
|
45,8
|
48,9
|
61,7
|
66,6
|
|
|
|
|
|
|
|
|
|
|
|
|
|
|
200
|
ТФ
|
62,4
|
63,6
|
64,4
|
66,7
|
68,5
|
78,3
|
|
|
|
|
|
|
|
|
|
|
|
|
|
ТРФ
|
51,2
|
53,6
|
60,6
|
62,9
|
64,7
|
80,7
|
|
|
|
|
|
|
|
|
|
|
|
|
|
ТР
|
51,9
|
54,4
|
62,5
|
65,4
|
67,5
|
81,9
|
|
|
|
|
|
|
|
|
|
|
|
|
|
КФ
|
67,1
|
69,6
|
71,3
|
75,7
|
79,4
|
98,9
|
|
|
|
|
|
|
|
|
|
|
|
|
|
КРФ
|
55,9
|
59,6
|
67,5
|
71,9
|
75,6
|
101
|
|
|
|
|
|
|
|
|
|
|
|
|
|
КР
|
57,4
|
61,0
|
70,4
|
76,1
|
80,2
|
104
|
|
|
|
|
|
|
|
|
|
|
|
|
|
250
|
ТФ
|
|
82,2
|
83,0
|
85,1
|
86,9
|
93,2
|
101
|
|
|
|
|
|
|
|
|
|
|
|
|
ТРФ
|
|
71,5
|
80,6
|
82,8
|
83,6
|
99,1
|
107
|
|
|
|
|
|
|
|
|
|
|
|
|
ТР
|
|
71,7
|
81,4
|
85,7
|
87,8
|
102
|
110
|
|
|
|
|
|
|
|
|
|
|
|
|
КФ
|
|
88,1
|
89,7
|
94,0
|
97,5
|
110
|
125
|
|
|
|
|
|
|
|
|
|
|
|
|
КРФ
|
|
77,4
|
86,5
|
91,4
|
94,0
|
116
|
132
|
|
|
|
|
|
|
|
|
|
|
|
|
КР
|
|
77,7
|
88,4
|
97,4
|
102
|
122
|
137
|
|
|
|
|
|
|
|
|
|
|
|
|
300
|
ТФ
|
|
100
|
101
|
103
|
105
|
111
|
116
|
120
|
|
|
|
|
|
|
|
|
|
|
|
ТРФ
|
|
90,7
|
102
|
105
|
106
|
123
|
128
|
143
|
|
|
|
|
|
|
|
|
|
|
|
ТР
|
|
91,7
|
104
|
107
|
109
|
124
|
131
|
155
|
|
|
|
|
|
|
|
|
|
|
|
КФ
|
|
106
|
108
|
112
|
115
|
127
|
137
|
147
|
|
|
|
|
|
|
|
|
|
|
|
КРФ
|
|
96,9
|
108
|
113
|
116
|
139
|
149
|
169
|
|
|
|
|
|
|
|
|
|
|
|
КР
|
|
98,2
|
112
|
117
|
121
|
142
|
155
|
192
|
|
|
|
|
|
|
|
|
|
|
|
350
|
ТФ
|
|
|
126
|
128
|
130
|
134
|
140
|
157
|
168
|
|
|
|
|
|
|
|
|
|
|
ТРФ
|
|
|
127
|
129
|
130
|
148
|
154
|
172
|
183
|
|
|
|
|
|
|
|
|
|
|
ТР
|
|
|
128
|
132
|
134
|
153
|
160
|
181
|
190
|
|
|
|
|
|
|
|
|
|
|
КФ
|
|
|
132
|
136
|
140
|
148
|
161
|
182
|
204
|
|
|
|
|
|
|
|
|
|
|
КРФ
|
|
|
134
|
138
|
141
|
162
|
175
|
196
|
216
|
|
|
|
|
|
|
|
|
|
|
КР
|
|
|
135
|
143
|
148
|
171
|
185
|
214
|
233
|
|
|
|
|
|
|
|
|
|
|
400
|
ТФ
|
|
|
153
|
156
|
157
|
162
|
167
|
202
|
213
|
226
|
|
|
|
|
|
|
|
|
|
ТРФ
|
|
|
155
|
156
|
174
|
179
|
185
|
204
|
214
|
243
|
|
|
|
|
|
|
|
|
|
ТР
|
|
|
156
|
157
|
175
|
180
|
186
|
209
|
224
|
252
|
|
|
|
|
|
|
|
|
|
КФ
|
|
|
159
|
163
|
166
|
178
|
187
|
226
|
247
|
273
|
|
|
|
|
|
|
|
|
|
КРФ
|
|
|
160
|
164
|
184
|
195
|
204
|
228
|
247
|
290
|
|
|
|
|
|
|
|
|
|
КР
|
|
|
162
|
167
|
186
|
196
|
208
|
239
|
267
|
307
|
|
|
|
|
|
|
|
|
|
450
|
ТФ
|
|
|
175
|
177
|
179
|
184
|
188
|
233
|
240
|
248
|
283
|
|
|
|
|
|
|
|
|
ТРФ
|
|
|
182
|
184
|
204
|
210
|
214
|
238
|
246
|
294
|
308
|
|
|
|
|
|
|
|
|
ТР
|
|
|
182
|
186
|
207
|
212
|
219
|
245
|
253
|
301
|
321
|
|
|
|
|
|
|
|
|
КФ
|
|
|
182
|
186
|
188
|
200
|
208
|
258
|
273
|
289
|
340
|
|
|
|
|
|
|
|
|
КРФ
|
|
|
188
|
192
|
214
|
223
|
234
|
265
|
279
|
334
|
364
|
|
|
|
|
|
|
|
|
КР
|
|
|
188
|
197
|
220
|
229
|
243
|
276
|
292
|
348
|
389
|
|
|
|
|
|
|
|
|
500
|
ТФ
|
|
|
206
|
208
|
209
|
214
|
261
|
272
|
274
|
283
|
337
|
359
|
|
|
|
|
|
|
|
ТРФ
|
|
|
217
|
219
|
243
|
247
|
251
|
280
|
286
|
339
|
349
|
370
|
|
|
|
|
|
|
|
ТР
|
|
|
219
|
221
|
245
|
249
|
254
|
283
|
297
|
351
|
362
|
376
|
|
|
|
|
|
|
|
КФ
|
|
|
213
|
216
|
219
|
229
|
281
|
293
|
306
|
322
|
386
|
430
|
|
|
|
|
|
|
|
КРФ
|
|
|
224
|
228
|
253
|
263
|
271
|
305
|
318
|
378
|
398
|
442
|
|
|
|
|
|
|
|
600
|
ТФ
|
|
|
|
|
273
|
277
|
338
|
343
|
353
|
357
|
425
|
434
|
498
|
|
|
|
|
|
|
ТРФ
|
|
|
|
|
324
|
328
|
360
|
365
|
430
|
437
|
448
|
455
|
520
|
|
|
|
|
|
|
ТР
|
|
|
|
|
329
|
334
|
367
|
374
|
446
|
453
|
462
|
477
|
525
|
|
|
|
|
|
|
КФ
|
|
|
|
|
285
|
287
|
357
|
367
|
379
|
394
|
470
|
489
|
583
|
|
|
|
|
|
|
КРФ
|
|
|
|
|
336
|
343
|
378
|
388
|
440
|
474
|
490
|
510
|
609
|
|
|
|
|
|
|
КР
|
|
|
|
|
338
|
345
|
384
|
395
|
481
|
499
|
517
|
544
|
630
|
|
|
|
|
|
|
700
|
ТФ
|
|
|
|
|
440
|
442
|
447
|
451
|
455
|
539
|
548
|
555
|
649
|
699
|
|
|
|
|
|
ТРФ
|
|
|
|
|
431
|
435
|
476
|
481
|
563
|
569
|
578
|
585
|
679
|
768
|
|
|
|
|
|
ТР
|
|
|
|
|
432
|
435
|
479
|
484
|
574
|
582
|
590
|
602
|
704
|
803
|
|
|
|
|
|
КФ
|
|
|
|
|
453
|
459
|
465
|
473
|
482
|
572
|
588
|
603
|
713
|
814
|
|
|
|
|
|
КРФ
|
|
|
|
|
443
|
450
|
495
|
503
|
590
|
603
|
618
|
633
|
743
|
883
|
|
|
|
|
|
КР
|
|
|
|
|
445
|
452
|
500
|
510
|
611
|
627
|
644
|
667
|
794
|
952
|
|
|
|
|
|
800
|
ТФ
|
|
|
|
|
|
562
|
566
|
570
|
672
|
675
|
681
|
689
|
901
|
930
|
1003
|
|
|
|
|
ТРФ
|
|
|
|
|
|
592
|
595
|
597
|
701
|
705
|
707
|
812
|
833
|
960
|
1033
|
|
|
|
|
ТР
|
|
|
|
|
|
592
|
597
|
608
|
712
|
718
|
724
|
831
|
853
|
985
|
1048
|
|
|
|
|
КФ
|
|
|
|
|
|
579
|
585
|
594
|
700
|
708
|
719
|
731
|
966
|
1024
|
1171
|
|
|
|
|
КРФ
|
|
|
|
|
|
609
|
615
|
617
|
729
|
738
|
739
|
857
|
897
|
1054
|
1201
|
|
|
|
|
КР
|
|
|
|
|
|
609
|
618
|
641
|
750
|
762
|
774
|
891
|
935
|
1103
|
1230
|
|
|
|
|
900
|
ТФ
|
|
|
|
|
|
672
|
678
|
680
|
801
|
809
|
811
|
814
|
1064
|
1090
|
1134
|
1254
|
|
|
|
ТРФ
|
|
|
|
|
|
737
|
744
|
745
|
867
|
874
|
876
|
996
|
1013
|
1155
|
1199
|
1320
|
|
|
|
ТР
|
|
|
|
|
|
736
|
742
|
753
|
876
|
881
|
888
|
1012
|
1030
|
1180
|
1214
|
1352
|
|
|
|
КФ
|
|
|
|
|
|
689
|
702
|
705
|
830
|
847
|
850
|
857
|
1123
|
1177
|
1262
|
1445
|
|
|
|
КРФ
|
|
|
|
|
|
755
|
768
|
770
|
896
|
912
|
915
|
1039
|
1071
|
1239
|
1327
|
1500
|
|
|
|
КР
|
|
|
|
|
|
753
|
764
|
786
|
916
|
927
|
939
|
1072
|
1107
|
1289
|
1357
|
1560
|
|
|
|
1000
|
ТФ
|
|
|
|
|
|
|
956
|
958
|
962
|
971
|
972
|
1253
|
1264
|
1297
|
1351
|
1523
|
1570
|
|
|
ТРФ
|
|
|
|
|
|
|
1056
|
1058
|
1062
|
1071
|
1073
|
1214
|
1225
|
1397
|
1451
|
1623
|
1670
|
|
|
ТР
|
|
|
|
|
|
|
1054
|
1065
|
1071
|
1079
|
1083
|
1230
|
1243
|
1412
|
1467
|
1655
|
1725
|
|
|
КФ
|
|
|
|
|
|
|
980
|
983
|
990
|
1010
|
1011
|
1295
|
1317
|
1392
|
1491
|
1695
|
1784
|
|
|
КРФ
|
|
|
|
|
|
|
1080
|
1083
|
1090
|
1110
|
1111
|
1256
|
1278
|
1481
|
1591
|
1794
|
1882
|
|
|
КР
|
|
|
|
|
|
|
1076
|
1097
|
1110
|
1124
|
1134
|
1288
|
1314
|
1511
|
1621
|
1860
|
1984
|
|
|
1200
|
ТФ
|
|
|
|
|
|
|
|
1311
|
1314
|
1318
|
1698
|
1707
|
1712
|
1729
|
1966
|
1989
|
2409
|
2603
|
|
ТРФ
|
|
|
|
|
|
|
|
1427
|
1430
|
1434
|
1435
|
1633
|
1638
|
1844
|
1885
|
2105
|
2146
|
2624
|
|
ТР
|
|
|
|
|
|
|
|
1430
|
1434
|
1440
|
1444
|
1640
|
1654
|
1860
|
1908
|
2137
|
2196
|
2935
|
|
КФ
|
|
|
|
|
|
|
|
1343
|
1348
|
1357
|
1736
|
1755
|
1765
|
1798
|
2085
|
2130
|
2591
|
2960
|
|
КРФ
|
|
|
|
|
|
|
|
1459
|
1464
|
1473
|
1473
|
1681
|
1691
|
1914
|
2012
|
2246
|
2328
|
3001
|
|
КР
|
|
|
|
|
|
|
|
1464
|
1472
|
1484
|
1494
|
1695
|
1721
|
1944
|
2042
|
2311
|
2428
|
2998
|
ВЫПУСКИ
Выпуск фланцевый

Черт. 9
Обозначение фланцевого выпуска со стволом условного прохода 800 мм и
отростком условного прохода 300 мм:
Выпуск ВФ 800×300 ГОСТ 5525-88
Выпуск раструбный

Черт. 10
Обозначение фланцевого выпуска со стволом условного прохода 500 мм и
отростком условного прохода 100 мм:
Выпуск ВР 500×100 ГОСТ 5525-88
Таблица 7
Размеры, мм
|
Условный
проход
|
d
|
Dн
|
dн
|
S
|
S1
|
S3
|
l
|
l1
|
l2
|
l3
|
l4
|
b
|
Масса выпуска, кг
|
|
ствола D0
|
отростка d0
|
фланцевого
|
раструбного
|
|
250
|
100
|
-
|
274
|
118
|
14
|
10
|
-
|
300
|
-
|
250
|
250
|
75
|
14
|
83,1
|
80,6
|
|
150
|
274
|
170
|
14
|
11
|
300
|
250
|
250
|
50
|
14
|
86,8
|
84,2
|
|
300
|
100
|
-
|
326
|
118
|
15
|
10
|
-
|
300
|
-
|
250
|
275
|
100
|
15
|
101
|
103
|
|
150
|
326
|
170
|
15
|
11
|
300
|
250
|
275
|
75
|
15
|
104
|
107
|
|
350
|
100
|
-
|
378
|
118
|
16
|
10
|
-
|
300
|
-
|
250
|
300
|
124
|
16
|
125
|
128
|
|
150
|
378
|
170
|
16
|
11
|
300
|
250
|
300
|
99
|
16
|
128
|
131
|
|
400
|
100
|
-
|
429
|
118
|
17
|
10
|
-
|
300
|
-
|
250
|
325
|
149
|
17
|
153
|
153
|
|
150
|
429
|
170
|
17
|
11
|
300
|
250
|
325
|
124
|
17
|
156
|
172
|
|
450
|
100
|
-
|
480
|
118
|
18
|
10
|
-
|
300
|
-
|
250
|
350
|
174
|
18
|
175
|
182
|
|
150
|
480
|
170
|
18
|
11
|
300
|
250
|
375
|
149
|
18
|
178
|
203
|
|
500
|
100
|
500
|
532
|
118
|
19
|
12
|
19
|
500
|
500
|
400
|
375
|
201
|
19
|
264
|
276
|
|
150
|
500
|
532
|
170
|
19
|
12
|
19
|
500
|
500
|
400
|
425
|
175
|
19
|
267
|
301
|
|
600
|
150
|
600
|
635
|
170
|
21
|
14
|
21
|
550
|
550
|
450
|
425
|
227
|
20
|
331
|
382
|
|
200
|
600
|
635
|
222
|
21
|
14
|
21
|
550
|
550
|
450
|
450
|
201
|
20
|
334
|
385
|
|
700
|
150
|
600
|
738
|
170
|
24
|
16
|
21
|
600
|
550
|
500
|
450
|
279
|
20
|
475
|
467
|
|
200
|
600
|
738
|
222
|
24
|
16
|
21
|
600
|
550
|
500
|
500
|
253
|
20
|
478
|
471
|
|
800
|
200
|
600
|
842
|
222
|
26
|
18
|
21
|
700
|
625
|
500
|
525
|
305
|
22
|
580
|
617
|
|
300
|
600
|
842
|
326
|
26
|
18
|
21
|
700
|
625
|
500
|
575
|
253
|
25
|
585
|
624
|
|
900
|
200
|
600
|
945
|
222
|
28
|
20
|
21
|
700
|
675
|
500
|
575
|
356
|
24
|
670
|
751
|
|
300
|
600
|
945
|
326
|
28
|
20
|
21
|
700
|
675
|
500
|
625
|
304
|
26
|
675
|
756
|
|
1000
|
300
|
600
|
1048
|
326
|
30
|
21
|
21
|
700
|
725
|
500
|
675
|
326
|
26
|
918
|
1047
|
|
400
|
600
|
1048
|
429
|
30
|
21
|
21
|
700
|
725
|
500
|
700
|
304
|
26
|
927
|
1055
|
|
1200
|
300
|
600
|
1256
|
326
|
34
|
24
|
24
|
700
|
825
|
500
|
750
|
460
|
26
|
1215
|
1388
|
|
400
|
600
|
1256
|
429
|
34
|
24
|
24
|
700
|
825
|
500
|
800
|
408
|
28
|
1221
|
1394
|
КОЛЕНА
Деталь построения. Колено фланцевое

Черт. 11
Обозначение фланцевого колена условного прохода 300 мм:
Колено УФ 300 ГОСТ 5525-88
Колено раструбное

Черт. 12
Обозначение раструбного колена условного прохода 150 мм:
Колено УР 150 ГОСТ 5525-88
Колено раструб - гладкий конец

Черт. 13
Обозначение колена раструба - гладкого конца условного прохода 300 мм:
Колено УРГ 300 ГОСТ 5525-88
Таблица 8
Размеры, мм
|
Условный
проход D0
|
S
|
Dн
|
r
|
q
|
L
|
L1
|
l
|
l1
|
2q + l
|
q + l + ll
|
Масса колена, кг
|
|
фланцевого
|
раструбного
|
раструба -
гладкого конца
|
|
65
|
9
|
81
|
108
|
30
|
138
|
338
|
168
|
230
|
228
|
428
|
10,4
|
12,6
|
11,3
|
|
80
|
10
|
98
|
120
|
30
|
150
|
350
|
188
|
230
|
248
|
448
|
13,0
|
15,5
|
14,2
|
|
100
|
10
|
118
|
160
|
40
|
200
|
400
|
251
|
240
|
331
|
531
|
17,2
|
21,4
|
19,6
|
|
125
|
11
|
144
|
185
|
40
|
225
|
425
|
291
|
240
|
371
|
571
|
24,3
|
30,1
|
27,9
|
|
150
|
11
|
170
|
210
|
40
|
250
|
450
|
330
|
240
|
410
|
610
|
31,1
|
37,7
|
35,0
|
|
200
|
13
|
222
|
260
|
40
|
300
|
500
|
408
|
240
|
488
|
688
|
50,8
|
59,4
|
57,2
|
|
250
|
14
|
275
|
260
|
40
|
300
|
500
|
408
|
240
|
488
|
688
|
67,1
|
81,3
|
77,5
|
|
300
|
15
|
326
|
260
|
40
|
300
|
500
|
408
|
240
|
488
|
688
|
82,5
|
105
|
99,8
|
|
350
|
16
|
378
|
300
|
50
|
350
|
550
|
471
|
250
|
571
|
771
|
115
|
143
|
136
|
|
400
|
17
|
429
|
350
|
50
|
400
|
600
|
550
|
250
|
650
|
850
|
155
|
188
|
178
|
|
450
|
18
|
480
|
400
|
50
|
450
|
650
|
628
|
250
|
728
|
928
|
193
|
237
|
226
|
|
500
|
19
|
532
|
450
|
50
|
500
|
700
|
707
|
250
|
807
|
1007
|
245
|
301
|
284
|
|
600
|
21
|
635
|
490
|
60
|
550
|
850
|
770
|
360
|
890
|
1190
|
347
|
427
|
432
|
|
700
|
24
|
738
|
540
|
60
|
600
|
900
|
848
|
360
|
968
|
1268
|
494
|
602
|
607
|
|
800
|
26
|
842
|
640
|
60
|
700
|
1000
|
1005
|
360
|
1125
|
1425
|
704
|
831
|
830
|
|
900
|
28
|
945
|
680
|
70
|
750
|
1050
|
1068
|
370
|
1208
|
1508
|
893
|
1076
|
1067
|
|
1000
|
30
|
1048
|
730
|
70
|
800
|
1100
|
1147
|
370
|
1287
|
1587
|
1132
|
1872
|
1340
|
|
1200
|
34
|
1256
|
920
|
80
|
1000
|
1300
|
1445
|
380
|
1605
|
1905
|
1852
|
2137
|
2121
|
Примечания:
1. Размеры раструбов - по черт. 1.
2. Размеры фланцев - по черт. 2 и 11.
ОТВОДЫ
Отвод раструбный

Черт. 14
Обозначение раструбного отвода с центральным углом в 10° и с условным
проходом 400 мм:
Отвод ОР 10° 400 ГОСТ
5525-88
Отвод раструб - гладкий конец

Черт. 15
Обозначение отвода раструба - гладкого конца с центральным углом в 15°
и с условным проходом 800 мм:
Отвод ОРТ 15° 800 ГОСТ 5525-88
Таблица 9
Размеры, мм
|
Условный
проход D0
|
S
|
Dн
|
q
|
l1
|
Отвод a = 10°
|
Отвод a = 15°
|
Отвод a = 30°
|
Отвод a = 45°
|
L
|
2q
+ L
|
q + L + l1
|
Масса отвода, кг
|
|
r
|
l
|
r
|
l
|
r
|
l
|
r
|
l
|
раструбного
|
раструба -
гладкого конца
|
|
65
|
9
|
81
|
30
|
75
|
918
|
85
|
645
|
85
|
323
|
86
|
215
|
89
|
168
|
228
|
278
|
12,6
|
8,9
|
|
80
|
10
|
98
|
30
|
75
|
1080
|
95
|
720
|
95
|
360
|
96
|
240
|
99
|
188
|
248
|
293
|
15,4
|
11,1
|
|
100
|
10
|
118
|
40
|
80
|
1440
|
126
|
960
|
127
|
480
|
129
|
320
|
132
|
251
|
331
|
371
|
21,4
|
15,7
|
|
125
|
11
|
144
|
40
|
80
|
1665
|
146
|
1110
|
147
|
555
|
149
|
370
|
153
|
291
|
371
|
411
|
30,1
|
22,6
|
|
150
|
11
|
170
|
40
|
85
|
1890
|
165
|
1260
|
166
|
630
|
169
|
420
|
174
|
330
|
410
|
455
|
37,7
|
28,8
|
|
200
|
13
|
222
|
40
|
85
|
2340
|
205
|
1560
|
206
|
780
|
209
|
520
|
215
|
408
|
488
|
533
|
59,4
|
47,5
|
|
250
|
14
|
274
|
40
|
90
|
2340
|
205
|
1560
|
206
|
780
|
209
|
520
|
215
|
408
|
488
|
538
|
81,3
|
65,0
|
|
300
|
15
|
326
|
40
|
95
|
2340
|
205
|
1560
|
206
|
780
|
209
|
520
|
215
|
408
|
488
|
543
|
105
|
84,4
|
|
350
|
16
|
378
|
50
|
100
|
2700
|
236
|
1800
|
238
|
900
|
241
|
600
|
248
|
471
|
571
|
621
|
143
|
116
|
|
400
|
17
|
429
|
50
|
100
|
3150
|
276
|
2100
|
277
|
1050
|
281
|
700
|
290
|
550
|
650
|
700
|
188
|
154
|
|
450
|
18
|
480
|
50
|
105
|
3600
|
315
|
2400
|
317
|
1200
|
322
|
800
|
331
|
628
|
728
|
783
|
237
|
198
|
|
500
|
19
|
532
|
60
|
105
|
4050
|
354
|
2700
|
356
|
1350
|
362
|
900
|
373
|
707
|
807
|
862
|
301
|
252
|
|
600
|
21
|
635
|
60
|
115
|
4410
|
386
|
2940
|
288
|
1470
|
394
|
980
|
406
|
770
|
890
|
945
|
427
|
360
|
|
700
|
24
|
738
|
60
|
120
|
4860
|
425
|
3240
|
428
|
1620
|
434
|
1080
|
447
|
848
|
968
|
1028
|
602
|
513
|
|
800
|
26
|
842
|
60
|
130
|
5750
|
504
|
3840
|
507
|
1920
|
515
|
1280
|
530
|
1005
|
1125
|
1195
|
831
|
720
|
|
900
|
28
|
945
|
70
|
135
|
6120
|
536
|
4080
|
539
|
2040
|
547
|
1360
|
563
|
1068
|
1208
|
1273
|
1076
|
930
|
|
1000
|
30
|
1048
|
70
|
145
|
6570
|
575
|
4380
|
578
|
2190
|
587
|
1460
|
604
|
1147
|
1287
|
1362
|
1372
|
1186
|
|
1200
|
34
|
1256
|
80
|
155
|
8280
|
725
|
5520
|
729
|
2760
|
740
|
1840
|
762
|
1445
|
1605
|
1680
|
2157
|
1910
|
Примечание. Размеры раструбов - по черт. 1.
ПЕРЕХОДЫ

Черт. 16
Обозначение фланцевого перехода условного прохода 200×100 мм:
Переход ХФ 200×100 ГОСТ 5525-88
Переход раструб - фланец

Черт. 17
Обозначение перехода раструба - фланца условного прохода 200×100
мм:
Переход ХРФ 200×100 ГОСТ 5525-88
Переход раструбный

Черт. 18
Обозначение раструбного перехода условного прохода 200×100 мм:
Переход ХР 200×100 ГОСТ 5525-88
Переход раструб - гладкий конец

Черт. 19
Обозначение перехода раструба - гладкого конца прохода 200×100
мм:
Переход ХРГ 200×100 ГОСТ 5525-88
Таблица 10
Размеры, мм
|
Обозначение
размера
|
Условный проход D0 (или d0)
|
|
65
|
80
|
100
|
125
|
150
|
200
|
250
|
300
|
350
|
400
|
450
|
500
|
600
|
700
|
800
|
900
|
1000
|
1200
|
|
D (или d)
|
63
|
78
|
98
|
122
|
148
|
196
|
246
|
296
|
346
|
395
|
444
|
494
|
593
|
690
|
790
|
889
|
988
|
1188
|
|
D (или Sd)
|
9
|
10
|
10
|
11
|
11
|
13
|
14
|
15
|
16
|
17
|
18
|
19
|
21
|
24
|
26
|
28
|
30
|
34
|
|
qD (или qd)
|
30
|
30
|
40
|
40
|
40
|
40
|
40
|
40
|
50
|
50
|
50
|
60
|
60
|
60
|
60
|
70
|
70
|
80
|
|
fD (или fd)
|
38
|
43
|
43
|
43
|
43
|
45
|
45
|
45
|
50
|
50
|
50
|
50
|
55
|
55
|
60
|
65
|
70
|
75
|
|
LD
|
80
|
80
|
90
|
90
|
90
|
90
|
90
|
90
|
100
|
100
|
150
|
150
|
160
|
160
|
160
|
170
|
170
|
180
|
|
с
|
7
|
8
|
9
|
10
|
11
|
12
|
13
|
14
|
15
|
17
|
19
|
20
|
22
|
25
|
28
|
31
|
35
|
40
|
Примечания:
1. Размеры раструбов по черт. 1.
2. Размеры фланцев - по черт. 2.
Таблица 11
Размеры, мм
|
Условный
проход D0
|
Обозначение
размера
|
Условный проход d0
|
|
65
|
80
|
100
|
125
|
150
|
200
|
250
|
300
|
350
|
400
|
450
|
500
|
600
|
700
|
800
|
900
|
1000
|
|
80
|
L
|
200
|
|
|
|
|
|
|
|
|
|
|
|
|
|
|
|
|
|
L1
|
200
|
|
|
|
|
|
|
|
|
|
|
|
|
|
|
|
|
|
L2
|
250
|
|
|
|
|
|
|
|
|
|
|
|
|
|
|
|
|
|
100
|
L
|
250
|
200
|
|
|
|
|
|
|
|
|
|
|
|
|
|
|
|
|
L1
|
250
|
200
|
|
|
|
|
|
|
|
|
|
|
|
|
|
|
|
|
L2
|
300
|
250
|
|
|
|
|
|
|
|
|
|
|
|
|
|
|
|
|
125
|
L
|
300
|
250
|
200
|
|
|
|
|
|
|
|
|
|
|
|
|
|
|
|
L1
|
300
|
250
|
200
|
|
|
|
|
|
|
|
|
|
|
|
|
|
|
|
L2
|
350
|
300
|
250
|
|
|
|
|
|
|
|
|
|
|
|
|
|
|
|
150
|
L
|
|
300
|
250
|
200
|
|
|
|
|
|
|
|
|
|
|
|
|
|
|
L1
|
|
300
|
250
|
200
|
|
|
|
|
|
|
|
|
|
|
|
|
|
|
L2
|
|
350
|
300
|
250
|
|
|
|
|
|
|
|
|
|
|
|
|
|
|
200
|
L
|
|
400
|
350
|
300
|
250
|
|
|
|
|
|
|
|
|
|
|
|
|
|
L1
|
|
400
|
350
|
300
|
250
|
|
|
|
|
|
|
|
|
|
|
|
|
|
L2
|
|
450
|
400
|
350
|
300
|
|
|
|
|
|
|
|
|
|
|
|
|
|
250
|
L
|
|
|
450
|
400
|
350
|
250
|
|
|
|
|
|
|
|
|
|
|
|
|
L1
|
|
|
450
|
400
|
350
|
250
|
|
|
|
|
|
|
|
|
|
|
|
|
L2
|
|
|
500
|
450
|
400
|
300
|
|
|
|
|
|
|
|
|
|
|
|
|
300
|
L
|
|
|
|
500
|
450
|
350
|
250
|
|
|
|
|
|
|
|
|
|
|
|
L1
|
|
|
|
500
|
450
|
350
|
250
|
|
|
|
|
|
|
|
|
|
|
|
L2
|
|
|
|
550
|
500
|
400
|
300
|
|
|
|
|
|
|
|
|
|
|
|
350
|
L
|
|
|
|
|
550
|
450
|
350
|
250
|
|
|
|
|
|
|
|
|
|
|
L1
|
|
|
|
|
550
|
450
|
350
|
250
|
|
|
|
|
|
|
|
|
|
|
L2
|
|
|
|
|
600
|
500
|
400
|
300
|
|
|
|
|
|
|
|
|
|
|
400
|
L
|
|
|
|
|
|
550
|
450
|
350
|
250
|
|
|
|
|
|
|
|
|
|
L1
|
|
|
|
|
|
550
|
450
|
350
|
250
|
|
|
|
|
|
|
|
|
|
L2
|
|
|
|
|
|
600
|
500
|
400
|
300
|
|
|
|
|
|
|
|
|
|
450
|
L
|
|
|
|
|
|
650
|
550
|
450
|
350
|
250
|
|
|
|
|
|
|
|
|
L1
|
|
|
|
|
|
700
|
600
|
500
|
400
|
300
|
|
|
|
|
|
|
|
|
L2
|
|
|
|
|
|
750
|
650
|
550
|
450
|
350
|
|
|
|
|
|
|
|
|
500
|
L
|
|
|
|
|
|
|
650
|
550
|
450
|
350
|
250
|
|
|
|
|
|
|
|
L1
|
|
|
|
|
|
|
700
|
600
|
500
|
400
|
300
|
|
|
|
|
|
|
|
L2
|
|
|
|
|
|
|
750
|
650
|
550
|
450
|
350
|
|
|
|
|
|
|
|
600
|
L
|
|
|
|
|
|
|
|
750
|
650
|
550
|
450
|
350
|
|
|
|
|
|
|
L1
|
|
|
|
|
|
|
|
800
|
700
|
600
|
500
|
400
|
|
|
|
|
|
|
L2
|
|
|
|
|
|
|
|
850
|
750
|
650
|
500
|
450
|
|
|
|
|
|
|
700
|
L
|
|
|
|
|
|
|
|
|
850
|
750
|
650
|
550
|
350
|
|
|
|
|
|
L1
|
|
|
|
|
|
|
|
|
900
|
800
|
700
|
600
|
400
|
|
|
|
|
|
L2
|
|
|
|
|
|
|
|
|
950
|
850
|
750
|
650
|
450
|
|
|
|
|
|
800
|
L
|
|
|
|
|
|
|
|
|
|
950
|
850
|
750
|
550
|
350
|
|
|
|
|
L1
|
|
|
|
|
|
|
|
|
|
1000
|
900
|
800
|
600
|
400
|
|
|
|
|
L2
|
|
|
|
|
|
|
|
|
|
1050
|
950
|
850
|
650
|
450
|
|
|
|
|
900
|
L
|
|
|
|
|
|
|
|
|
|
|
|
950
|
750
|
550
|
350
|
|
|
|
L1
|
|
|
|
|
|
|
|
|
|
|
|
1000
|
800
|
600
|
400
|
|
|
|
L2
|
|
|
|
|
|
|
|
|
|
|
|
1050
|
850
|
650
|
450
|
|
|
|
1000
|
L
|
|
|
|
|
|
|
|
|
|
|
|
|
950
|
750
|
550
|
350
|
|
|
L1
|
|
|
|
|
|
|
|
|
|
|
|
|
1000
|
800
|
600
|
400
|
|
|
L2
|
|
|
|
|
|
|
|
|
|
|
|
|
1050
|
850
|
650
|
450
|
|
|
1200
|
L
|
|
|
|
|
|
|
|
|
|
|
|
|
|
|
950
|
750
|
550
|
|
L1
|
|
|
|
|
|
|
|
|
|
|
|
|
|
|
1000
|
800
|
600
|
|
L2
|
|
|
|
|
|
|
|
|
|
|
|
|
|
|
1050
|
850
|
650
|
Таблица 12
Масса переходов
|
Условный проход D0, мм
|
Обозначение
перехода
|
Условный проход d0, мм
|
|
65
|
80
|
100
|
125
|
150
|
200
|
250
|
300
|
350
|
400
|
450
|
500
|
600
|
700
|
800
|
900
|
1000
|
|
кг
|
|
80
|
ХРФ
|
11,35
|
|
|
|
|
|
|
|
|
|
|
|
|
|
|
|
|
|
ХФ
|
11,25
|
|
|
|
|
|
|
|
|
|
|
|
|
|
|
|
|
|
ХРГ
|
8,3
|
|
|
|
|
|
|
|
|
|
|
|
|
|
|
|
|
|
ХР
|
12,5
|
|
|
|
|
|
|
|
|
|
|
|
|
|
|
|
|
|
100
|
ХРФ
|
14,05
|
15,1
|
|
|
|
|
|
|
|
|
|
|
|
|
|
|
|
|
ХФ
|
11,95
|
13,0
|
|
|
|
|
|
|
|
|
|
|
|
|
|
|
|
|
ХРГ
|
9,9
|
10,9
|
|
|
|
|
|
|
|
|
|
|
|
|
|
|
|
|
ХР
|
15,2
|
16,3
|
|
|
|
|
|
|
|
|
|
|
|
|
|
|
|
|
125
|
ХРФ
|
18,65
|
19,6
|
19,2
|
|
|
|
|
|
|
|
|
|
|
|
|
|
|
|
ХФ
|
15,75
|
16,7
|
16,3
|
|
|
|
|
|
|
|
|
|
|
|
|
|
|
|
ХРГ
|
12,6
|
13,6
|
14,1
|
|
|
|
|
|
|
|
|
|
|
|
|
|
|
|
ХР
|
19,8
|
20,8
|
21,3
|
|
|
|
|
|
|
|
|
|
|
|
|
|
|
|
150
|
ХРФ
|
|
23,7
|
23,2
|
23,9
|
|
|
|
|
|
|
|
|
|
|
|
|
|
|
ХФ
|
|
20,3
|
19,9
|
20,6
|
|
|
|
|
|
|
|
|
|
|
|
|
|
|
ХРГ
|
|
16,2
|
16,7
|
18,2
|
|
|
|
|
|
|
|
|
|
|
|
|
|
|
ХР
|
|
24,8
|
25,3
|
26,8
|
|
|
|
|
|
|
|
|
|
|
|
|
|
|
200
|
ХРФ
|
|
34,5
|
33,9
|
34,7
|
34,6
|
|
|
|
|
|
|
|
|
|
|
|
|
|
ХФ
|
|
30,2
|
29,6
|
30,4
|
30,3
|
|
|
|
|
|
|
|
|
|
|
|
|
|
ХРГ
|
|
24,6
|
25,1
|
26,3
|
26,6
|
|
|
|
|
|
|
|
|
|
|
|
|
|
ХР
|
|
35,7
|
36,0
|
37,6
|
37,9
|
|
|
|
|
|
|
|
|
|
|
|
|
|
250
|
ХРФ
|
|
|
48,1
|
49,1
|
48,9
|
48,8
|
|
|
|
|
|
|
|
|
|
|
|
|
ХФ
|
|
|
41,0
|
42,0
|
41,8
|
42,7
|
|
|
|
|
|
|
|
|
|
|
|
|
ХРГ
|
|
|
35,0
|
36,2
|
36,4
|
37,0
|
|
|
|
|
|
|
|
|
|
|
|
|
ХР
|
|
|
50,2
|
52,0
|
52,2
|
53,1
|
|
|
|
|
|
|
|
|
|
|
|
|
300
|
ХРФ
|
|
|
|
66,4
|
66,0
|
66,2
|
63,6
|
|
|
|
|
|
|
|
|
|
|
|
ХФ
|
|
|
|
55,0
|
54,6
|
54,8
|
52,2
|
|
|
|
|
|
|
|
|
|
|
|
ХРГ
|
|
|
|
48,4
|
48,5
|
49,4
|
49,1
|
|
|
|
|
|
|
|
|
|
|
|
ХР
|
|
|
|
69,3
|
69,3
|
70,5
|
70,7
|
|
|
|
|
|
|
|
|
|
|
|
350
|
ХРФ
|
|
|
|
|
86,1
|
87,4
|
84,4
|
79,2
|
|
|
|
|
|
|
|
|
|
|
ХФ
|
|
|
|
|
72,3
|
73,6
|
71,0
|
65,4
|
|
|
|
|
|
|
|
|
|
|
ХРГ
|
|
|
|
|
63,2
|
64,9
|
65,5
|
63,4
|
|
|
|
|
|
|
|
|
|
|
ХР
|
|
|
|
|
89,4
|
91,7
|
91,9
|
90,6
|
|
|
|
|
|
|
|
|
|
|
400
|
ХРФ
|
|
|
|
|
|
112
|
109
|
104
|
98
|
|
|
|
|
|
|
|
|
|
ХФ
|
|
|
|
|
|
94,4
|
92,6
|
87,2
|
81,9
|
|
|
|
|
|
|
|
|
|
ХРГ
|
|
|
|
|
|
83,0
|
83,3
|
81,5
|
78,5
|
|
|
|
|
|
|
|
|
|
ХР
|
|
|
|
|
|
116
|
116
|
115
|
112
|
|
|
|
|
|
|
|
|
|
450
|
ХРФ
|
|
|
|
|
|
138
|
137
|
131
|
126
|
119
|
|
|
|
|
|
|
|
|
ХФ
|
|
|
|
|
|
116
|
115
|
109
|
104
|
96,6
|
|
|
|
|
|
|
|
|
ХРГ
|
|
|
|
|
|
115
|
115
|
113
|
110
|
105
|
|
|
|
|
|
|
|
|
ХР
|
|
|
|
|
|
149
|
151
|
150
|
148
|
144
|
|
|
|
|
|
|
|
|
500
|
ХРФ
|
|
|
|
|
|
|
172
|
165
|
160
|
153
|
140
|
|
|
|
|
|
|
|
ХФ
|
|
|
|
|
|
|
144
|
138
|
132
|
125
|
112
|
|
|
|
|
|
|
|
ХРГ
|
|
|
|
|
|
|
142
|
139
|
136
|
131
|
124
|
|
|
|
|
|
|
|
ХР
|
|
|
|
|
|
|
186
|
186
|
183
|
179
|
173
|
|
|
|
|
|
|
|
600
|
ХРФ
|
|
|
|
|
|
|
|
244
|
238
|
232
|
219
|
206
|
|
|
|
|
|
|
ХФ
|
|
|
|
|
|
|
|
204
|
199
|
192
|
179
|
166
|
|
|
|
|
|
|
ХРГ
|
|
|
|
|
|
|
|
205
|
202
|
196
|
189
|
181
|
|
|
|
|
|
|
ХР
|
|
|
|
|
|
|
|
266
|
263
|
265
|
253
|
247
|
|
|
|
|
|
|
700
|
ХРФ
|
|
|
|
|
|
|
|
|
346
|
338
|
325
|
312
|
275
|
|
|
|
|
|
ХФ
|
|
|
|
|
|
|
|
|
292
|
284
|
271
|
257
|
220
|
|
|
|
|
|
ХРГ
|
|
|
|
|
|
|
|
|
294
|
285
|
277
|
269
|
243
|
|
|
|
|
|
ХР
|
|
|
|
|
|
|
|
|
373
|
368
|
361
|
354
|
331
|
|
|
|
|
|
800
|
ХРФ
|
|
|
|
|
|
|
|
|
|
463
|
449
|
434
|
397
|
364
|
|
|
|
|
ХФ
|
|
|
|
|
|
|
|
|
|
400
|
385
|
371
|
334
|
291
|
|
|
|
|
ХРГ
|
|
|
|
|
|
|
|
|
|
388
|
380
|
372
|
346
|
314
|
|
|
|
|
ХР
|
|
|
|
|
|
|
|
|
|
494
|
487
|
480
|
457
|
430
|
|
|
|
|
900
|
ХРФ
|
|
|
|
|
|
|
|
|
|
|
|
589
|
552
|
508
|
452
|
|
|
|
ХФ
|
|
|
|
|
|
|
|
|
|
|
|
498
|
461
|
417
|
361
|
|
|
|
ХРГ
|
|
|
|
|
|
|
|
|
|
|
|
492
|
471
|
441
|
390
|
|
|
|
ХР
|
|
|
|
|
|
|
|
|
|
|
|
620
|
613
|
588
|
542
|
|
|
|
1000
|
ХРФ
|
|
|
|
|
|
|
|
|
|
|
|
|
740
|
700
|
642
|
556
|
|
|
ХФ
|
|
|
|
|
|
|
|
|
|
|
|
|
620
|
581
|
522
|
436
|
|
|
ХРГ
|
|
|
|
|
|
|
|
|
|
|
|
|
617
|
589
|
539
|
480
|
|
|
ХР
|
|
|
|
|
|
|
|
|
|
|
|
|
804
|
780
|
734
|
679
|
|
|
1200
|
ХРФ
|
|
|
|
|
|
|
|
|
|
|
|
|
|
|
1073
|
984
|
889
|
|
ХФ
|
|
|
|
|
|
|
|
|
|
|
|
|
|
|
920
|
831
|
737
|
|
ХРГ
|
|
|
|
|
|
|
|
|
|
|
|
|
|
|
917
|
956
|
788
|
|
ХР
|
|
|
|
|
|
|
|
|
|
|
|
|
|
|
1169
|
1112
|
1050
|
|
|
|
|
|
|
|
|
|
|
|
|
|
|
|
|
|
|
|
|
ПАТРУБКИ
Патрубок фланец - раструб

Черт. 20
Обозначение патрубка фланца - раструба условного прохода 400 мм:
Патрубок ПФР 400 ГОСТ 5525-88
Патрубок фланец - гладкий конец

Черт. 21
Обозначение короткого патрубка фланца - гладкого конца условного
прохода 200 мм:
Патрубок ПФГ 200 ГОСТ 5525-88
Обозначение того же патрубка длинного:
Патрубок дл. ПФГ 200 ГОСТ 5525-88
Таблица 13
Размеры, мм
|
Условный
проход D0
|
S
|
Dн
|
l
|
L
|
L1
|
Масса патрубка, кг
|
|
фланца - раструба
|
фланца - гладкого
конца
|
|
65
|
9
|
81
|
75
|
100
|
300 и 1200
|
9,2
|
8,1 и 22,5
|
|
80
|
10
|
98
|
75
|
100
|
300 и 1200
|
11,2
|
10,0 и 28,1
|
|
100
|
10
|
118
|
80
|
100
|
350 и 1200
|
13,6
|
13,1 и 34,0
|
|
125
|
11
|
144
|
80
|
100
|
350 и 1200
|
18,2
|
17,7 и 46,0
|
|
150
|
11
|
170
|
85
|
100
|
350 и 1200
|
22,1
|
21,3 и 55,2
|
|
200
|
13
|
222
|
85
|
100
|
350 и 1200
|
31,1
|
32,0 и 84,5
|
|
250
|
14
|
274
|
90
|
150
|
350 и 1200
|
46,2
|
42,3 и 113
|
|
300
|
15
|
326
|
95
|
150
|
400 и 1200
|
58,0
|
57,8 и 143
|
|
350
|
16
|
378
|
100
|
150
|
400 и 1200
|
73,8
|
72,8 и 178
|
|
400
|
17
|
429
|
100
|
150
|
400 и 1200
|
91,2
|
89,2 и 217
|
|
450
|
18
|
480
|
105
|
150
|
450 и 1200
|
106
|
113 и 255
|
|
500
|
19
|
532
|
105
|
150
|
450 и 1200
|
127
|
133 и 299
|
|
600
|
21
|
635
|
115
|
250
|
500 и 1200
|
200
|
190 и 395
|
|
700
|
24
|
738
|
120
|
250
|
500 и 1200
|
268
|
253 и 526
|
|
800
|
26
|
842
|
130
|
250
|
600 и 1200
|
345
|
370 и 660
|
|
900
|
28
|
945
|
135
|
300
|
600 и 1200
|
453
|
444 и 795
|
|
1000
|
30
|
1048
|
145
|
300
|
600 и 1200
|
566
|
536 и 953
|
|
1200
|
34
|
1256
|
155
|
300
|
600 и 1200
|
770
|
734 и 1302
|
Примечания:
1. Размеры раструбов - по черт. 1.
2. Размеры фланцев - по черт. 2.
3. По согласованию изготовителя с
потребителем допускается изготовление патрубков фланец - гладкий конец длиной
2000 мм - для труб с условным проходом 100 - 300 и 2500 мм - для труб с
условным проходом 350 - 1200 мм.
Двойные раструбы

Черт. 22
Обозначение двойного раструба условного прохода 150 мм:
Раструб ДР 150 ГОСТ 5525-88
Таблица 14
Размеры, мм
|
Условный
проход D0
|
D
|
Dн
|
l
|
L
|
Масса, кг
|
|
65
|
71
|
122
|
20
|
170
|
9,5
|
|
80
|
85
|
140
|
20
|
170
|
11,0
|
|
100
|
106
|
163
|
20
|
180
|
14,8
|
|
125
|
130
|
194
|
20
|
180
|
18,9
|
|
150
|
156
|
220
|
20
|
190
|
23,2
|
|
200
|
206
|
276
|
20
|
190
|
31,7
|
|
250
|
260
|
330
|
20
|
200
|
42,5
|
|
300
|
310
|
385
|
20
|
210
|
55,1
|
|
350
|
360
|
438
|
20
|
220
|
66,0
|
|
400
|
410
|
492
|
20
|
220
|
76,0
|
|
450
|
460
|
546
|
20
|
230
|
93,8
|
|
500
|
510
|
600
|
30
|
240
|
115
|
|
600
|
600
|
710
|
30
|
260
|
156
|
|
700
|
710
|
822
|
30
|
270
|
210
|
|
800
|
810
|
930
|
30
|
290
|
259
|
|
900
|
920
|
1040
|
40
|
310
|
345
|
|
1000
|
1020
|
1150
|
40
|
330
|
415
|
|
1200
|
1230
|
1370
|
50
|
350
|
658
|
Примечание. Размеры раструбов - по черт. 1.
Муфты надвижные

Черт. 23
Обозначение надвижной муфты условного прохода 300 мм:
Муфта МН 300 ГОСТ 5525-88
Таблица 15
Размеры, мм
|
Условный
проход D0
|
D
|
S2
|
b
|
с
|
k
|
r
|
S
|
L
|
Масса, кг
|
|
65
|
99
|
26
|
25
|
72
|
8
|
21
|
9
|
260
|
10,2
|
|
80
|
116
|
27
|
27
|
72
|
8
|
22
|
10
|
260
|
12,0
|
|
100
|
137
|
28
|
27
|
75
|
8
|
23
|
10
|
265
|
15,2
|
|
125
|
163
|
29
|
28
|
75
|
8
|
23
|
11
|
265
|
19,5
|
|
150
|
189
|
30
|
30
|
80
|
8
|
24
|
11
|
280
|
24,2
|
|
200
|
241
|
32
|
32
|
80
|
8
|
25
|
13
|
285
|
33,0
|
|
250
|
294
|
34
|
34
|
85
|
8
|
26
|
14
|
300
|
46,9
|
|
300
|
346
|
36
|
36
|
89
|
28
|
28
|
15
|
305
|
57,1
|
|
350
|
398
|
38
|
38
|
94
|
10
|
31
|
16
|
320
|
76,5
|
|
400
|
449
|
40
|
40
|
94
|
10
|
32
|
17
|
325
|
91,0
|
|
450
|
501
|
41
|
41
|
99
|
10
|
33
|
18
|
340
|
108
|
|
500
|
553
|
43
|
42
|
99
|
10
|
34
|
19
|
350
|
133
|
|
600
|
657
|
46
|
43
|
109
|
10
|
36
|
21
|
370
|
178
|
|
700
|
760
|
50
|
44
|
113
|
10
|
38
|
24
|
390
|
249
|
|
800
|
865
|
54
|
45
|
123
|
12
|
41
|
26
|
410
|
310
|
|
900
|
968
|
58
|
46
|
127
|
12
|
43
|
28
|
430
|
397
|
|
1000
|
1072
|
62
|
48
|
137
|
12
|
45
|
30
|
450
|
486
|
|
1200
|
1290
|
70
|
50
|
147
|
12
|
52
|
34
|
490
|
679
|
Муфты свертные

Черт. 24
Обозначение свертной муфты условного прохода 200 мм:
Муфта МС 200 ГОСТ 5525-88
Таблица 16
Размеры, мм
|
Условный
проход D0
|
D
|
L
|
l
|
l1
|
l2
|
l3
|
h
|
h1
|
t
|
S
|
S1
|
d
|
Болты
|
|
Количество
|
Диаметр резьбы
|
|
65
|
99
|
260
|
18
|
112
|
157
|
169
|
43
|
20
|
1
|
9
|
15
|
18
|
6
|
М16
|
|
80
|
116
|
260
|
22
|
108,0
|
174
|
184
|
52
|
23
|
2
|
10
|
16
|
22
|
6
|
М20
|
|
100
|
137
|
265
|
22
|
110,5
|
200
|
212
|
56
|
29
|
6
|
10
|
16
|
22
|
6
|
М20
|
|
125
|
163
|
265
|
22
|
110,5
|
228
|
240
|
60
|
29
|
7
|
11
|
17
|
22
|
6
|
М20
|
|
150
|
189
|
280
|
22
|
118,0
|
254
|
270
|
66
|
35
|
13
|
11
|
17
|
22
|
6
|
М20
|
|
200
|
241
|
285
|
22
|
120,5
|
308
|
326
|
72
|
37
|
14
|
13
|
18
|
22
|
6
|
М20
|
|
250
|
294
|
300
|
25
|
125,0
|
365
|
385
|
83
|
43
|
17
|
14
|
19
|
25
|
6
|
М22
|
Примечание. Размеры раструба - по черт. 23.
Заглушки фланцевые

Черт. 25
Обозначение фланцевой заглушки условного прохода 400 мм:
Заглушка ЗФ 400 ГОСТ 5525-88
Седелки фланцевые
Для D0 до 150 мм включ. Для
D0 более 150 мм

Черт. 26
Обозначение седелки фланцевой на трубу с внутренним диаметром 400 мм:
Седелка СФ 400 ГОСТ 5525-88
Таблица 17
Размеры, мм
|
Условный
проход D0
|
b
|
D
|
D1
|
D2
|
d
|
r
|
h
|
Болты
|
Масса, кг
|
|
Количество
|
Диаметр резьбы
|
|
65
|
21,0
|
-
|
140
|
180
|
18
|
-
|
-
|
4
|
М16
|
3,75
|
|
80
|
21,0
|
-
|
160
|
200
|
18
|
-
|
-
|
4
|
М16
|
4,63
|
|
100
|
-
|
-
|
180
|
220
|
18
|
-
|
-
|
4
|
М16
|
5,74
|
|
125
|
22,5
|
-
|
210
|
250
|
18
|
-
|
-
|
8
|
М16
|
7,68
|
|
150
|
23,0
|
-
|
240
|
285
|
22
|
-
|
-
|
8
|
М20
|
10,1
|
|
200
|
24,5
|
-
|
295
|
340
|
22
|
-
|
-
|
8
|
М20
|
15,7
|
|
250
|
26,0
|
-
|
350
|
395
|
22
|
-
|
-
|
12
|
М20
|
22,2
|
|
300
|
27,5
|
-
|
400
|
445
|
22
|
-
|
-
|
12
|
М20
|
30,1
|
|
350
|
29,5
|
-
|
460
|
505
|
22
|
-
|
-
|
16
|
М20
|
40,8
|
|
400
|
30,0
|
388
|
515
|
565
|
25
|
808
|
22
|
16
|
М22
|
53,2
|
|
450
|
32,0
|
432
|
565
|
615
|
25
|
878
|
26
|
20
|
М22
|
67,1
|
|
500
|
33,0
|
482
|
620
|
670
|
25
|
890
|
32
|
20
|
М22
|
82,8
|
|
600
|
36,0
|
560
|
725
|
780
|
30
|
964
|
40
|
20
|
М27
|
122
|
|
700
|
38,5
|
660
|
840
|
895
|
30
|
1074
|
50
|
24
|
М27
|
173
|
|
800
|
41,5
|
758
|
950
|
1015
|
34
|
1100
|
60
|
24
|
М30
|
241
|
|
900
|
44,0
|
858
|
1050
|
1115
|
34
|
1218
|
75
|
28
|
М30
|
309
|
|
1000
|
47,0
|
966
|
1160
|
1230
|
37
|
1264
|
90
|
28
|
М30
|
404
|
Таблица 18
Размеры, мм
|
Условный
проход D0
|
h
|
l
|
d
|
l1
|
l2
|
l3
|
R
|
a
|
b
|
b1
|
с
|
k
|
dl
|
n
|
m
|
r
|
Бандажи
|
|
Количество
|
Диаметр резьбы
|
|
100
|
100
|
170
|
105
|
-
|
133
|
66
|
64
|
-
|
18
|
21
|
10
|
3,5
|
20
|
-
|
-
|
10
|
2
|
М16
|
|
125
|
100
|
200
|
115
|
-
|
159
|
70
|
77
|
-
|
19
|
22
|
8
|
3,5
|
20
|
-
|
-
|
10
|
2
|
М16
|
|
150
|
100
|
230
|
130
|
-
|
185
|
80
|
90
|
-
|
21
|
25
|
6
|
3,5
|
20
|
-
|
-
|
10
|
2
|
М16
|
|
200
|
100
|
280
|
140
|
150
|
225
|
90
|
117
|
28
|
23
|
27
|
-
|
4,5
|
20
|
24
|
20
|
12
|
2
|
М16
|
|
250
|
115
|
300
|
140
|
160
|
246
|
90
|
143
|
35
|
26
|
30
|
-
|
4,5
|
20
|
24
|
20
|
12
|
2
|
М16
|
|
300
|
120
|
320
|
140
|
170
|
264
|
90
|
169
|
43
|
28
|
34
|
-
|
4,5
|
20
|
24
|
20
|
12
|
2
|
М16
|
|
350
|
125
|
340
|
145
|
180
|
276
|
95
|
195
|
51
|
30
|
38
|
-
|
5,0
|
20
|
24
|
20
|
16
|
2
|
М16
|
|
400
|
130
|
360
|
145
|
190
|
288
|
95
|
221
|
59
|
32
|
42
|
-
|
5,0
|
20
|
24
|
25
|
16
|
2
|
М16
|
|
450
|
135
|
380
|
145
|
200
|
300
|
95
|
247
|
67
|
34
|
45
|
-
|
5,0
|
24
|
30
|
25
|
16
|
2
|
М20
|
|
500
|
140
|
390
|
150
|
210
|
315
|
95
|
273
|
75
|
36
|
48
|
-
|
5,0
|
24
|
30
|
25
|
20
|
2
|
М20
|
|
600
|
140
|
410
|
150
|
230
|
336
|
95
|
325
|
92
|
38
|
52
|
-
|
5,0
|
24
|
30
|
30
|
20
|
2
|
М20
|
|
700
|
145
|
420
|
155
|
250
|
356
|
95
|
378
|
110
|
40
|
54
|
-
|
5,0
|
24
|
30
|
30
|
20
|
2
|
М20
|
|
800
|
150
|
430
|
155
|
265
|
268
|
95
|
431
|
128
|
42
|
56
|
-
|
5,0
|
24
|
30
|
30
|
20
|
2
|
М20
|
|
900
|
155
|
440
|
160
|
280
|
380
|
100
|
484
|
146
|
44
|
58
|
-
|
5,0
|
24
|
30
|
30
|
20
|
2
|
М20
|
|
1000
|
155
|
450
|
160
|
290
|
390
|
100
|
537
|
160
|
46
|
60
|
-
|
5,0
|
24
|
30
|
30
|
20
|
2
|
М20
|
Примечание. Размеры фланцев - по черт. 2.
Седелки с резьбой
Для D0 до 150 мм включ. Для
D0
более 150 мм

Черт. 27
Обозначение седелки с резьбой на трубу с внутренним диаметром 300 мм:
Седелка ОР 300 ГОСТ 5525-88
Пожарная подставка раструбная

Черт. 28
Обозначение пожарной подставки раструбной со стволом условного прохода
200 мм:
Подставка ППР 200 ГОСТ 5525-88
Таблица 19
Размеры, мм
|
Условный
проход D0
|
h
|
l
|
d
|
l1
|
l2
|
l3
|
R
|
a
|
b
|
b1
|
с
|
k
|
dl
|
n
|
m
|
r
|
Бандажи
|
|
Количество
|
Диаметр резьбы
|
|
100
|
50
|
170
|
105
|
-
|
133
|
66
|
64
|
-
|
18
|
21
|
10
|
3,5
|
20
|
-
|
-
|
10
|
2
|
М16
|
|
125
|
60
|
200
|
115
|
-
|
159
|
70
|
77
|
-
|
19
|
22
|
8
|
3,5
|
20
|
-
|
-
|
10
|
2
|
М16
|
|
150
|
60
|
230
|
130
|
-
|
185
|
80
|
90
|
-
|
21
|
25
|
6
|
3,5
|
20
|
-
|
-
|
10
|
2
|
М16
|
|
200
|
70
|
280
|
140
|
150
|
225
|
90
|
117
|
28
|
23
|
27
|
-
|
4,5
|
20
|
24
|
20
|
12
|
2
|
М16
|
|
250
|
70
|
300
|
140
|
160
|
246
|
90
|
143
|
35
|
26
|
30
|
-
|
4,5
|
20
|
24
|
20
|
12
|
2
|
М16
|
|
300
|
80
|
320
|
140
|
170
|
264
|
90
|
169
|
43
|
28
|
34
|
-
|
4,5
|
20
|
24
|
20
|
12
|
2
|
М16
|
|
350
|
80
|
340
|
145
|
180
|
276
|
95
|
195
|
51
|
30
|
38
|
-
|
5,0
|
20
|
24
|
20
|
16
|
2
|
М16
|
|
400
|
80
|
360
|
145
|
190
|
288
|
95
|
221
|
59
|
32
|
42
|
-
|
5,0
|
20
|
24
|
25
|
16
|
2
|
М16
|
|
450
|
90
|
380
|
145
|
200
|
300
|
95
|
247
|
67
|
34
|
45
|
-
|
5,0
|
24
|
30
|
25
|
16
|
2
|
М20
|
|
500
|
90
|
390
|
150
|
210
|
315
|
95
|
273
|
75
|
36
|
48
|
-
|
5,0
|
24
|
30
|
25
|
20
|
2
|
М20
|
|
600
|
100
|
410
|
150
|
230
|
336
|
95
|
325
|
92
|
38
|
52
|
-
|
5,0
|
24
|
30
|
30
|
20
|
2
|
М20
|
|
700
|
100
|
420
|
155
|
250
|
355
|
95
|
378
|
110
|
40
|
54
|
-
|
5,0
|
24
|
30
|
30
|
20
|
2
|
М20
|
|
800
|
100
|
430
|
155
|
265
|
368
|
95
|
431
|
128
|
42
|
56
|
-
|
5,0
|
24
|
30
|
30
|
20
|
2
|
М20
|
|
900
|
100
|
440
|
160
|
280
|
380
|
100
|
484
|
146
|
44
|
58
|
-
|
5,0
|
24
|
30
|
30
|
20
|
2
|
М20
|
|
1000
|
100
|
450
|
160
|
290
|
390
|
100
|
537
|
160
|
46
|
60
|
-
|
5,0
|
24
|
30
|
30
|
20
|
2
|
М20
|
Примечание. Резьба седелки должна соответствовать размеру резьбы
ответвления, но не превышать 2².
Таблица 20
Размеры, мм
|
Условный
проход ствола D0
|
Dн
|
S
|
l
|
l1
|
Масса, кг
|
|
100
|
118
|
10
|
200
|
225
|
38,0
|
|
125
|
144
|
11
|
200
|
250
|
48,0
|
|
150
|
170
|
11
|
200
|
250
|
52,5
|
|
200
|
222
|
13
|
250
|
275
|
75,0
|
|
250
|
274
|
14
|
250
|
300
|
97,0
|
|
300
|
326
|
15
|
250
|
325
|
121
|
Примечание. Размеры раструбов - по черт. 1.
Деталь построения фланца под пожарный кран

Черт. 28а
Тройник раструб - фланец с пожарной подставкой

Черт. 29
Обозначение тройника раструба - фланца с пожарной подставкой со стволом
условного прохода 250 мм и с отростком условного прохода 200 мм:
Тройник ППТРФ 250×200 ГОСТ 5525-88
Тройник фланцевый с пожарной подставкой

Черт. 30
Обозначение фланцевого тройника с пожарной подставкой со стволом
условного прохода 300 мм и с отростком условного прохода 250 мм:
Тройник ППТФ 300×250 ГОСТ 5525-88
Таблица 21
Размеры, мм
|
Условный
проход
|
Dн
|
dн
|
S
|
S1
|
l
|
l1
|
l2
|
Масса, кг
|
|
ствола D0
|
отростка d0
|
|
100
|
100
|
118
|
118
|
10
|
10
|
200
|
200
|
225
|
46,0
|
|
150
|
100
|
170
|
118
|
11
|
10
|
200
|
200
|
250
|
55,5
|
|
150
|
150
|
170
|
170
|
11
|
11
|
200
|
250
|
250
|
65,0
|
|
200
|
100
|
222
|
118
|
13
|
10
|
200
|
225
|
275
|
76,0
|
|
200
|
150
|
222
|
170
|
13
|
11
|
200
|
225
|
275
|
79,0
|
|
200
|
200
|
222
|
222
|
13
|
13
|
250
|
300
|
275
|
94,0
|
|
250
|
150
|
274
|
170
|
14
|
11
|
200
|
250
|
300
|
99,0
|
|
250
|
200
|
274
|
222
|
14
|
13
|
250
|
275
|
300
|
112
|
|
250
|
250
|
274
|
274
|
14
|
14
|
250
|
300
|
300
|
127
|
|
300
|
200
|
326
|
222
|
15
|
13
|
250
|
300
|
325
|
137
|
|
300
|
250
|
326
|
274
|
15
|
14
|
250
|
300
|
325
|
141
|
|
300
|
300
|
326
|
326
|
15
|
15
|
300
|
300
|
325
|
154
|
Примечания:
1. Размеры раструбов - по черт. 1.
2. Размеры фланца под пожарный кран -
по чертежу детали построения к черт. 28.
Таблица 22
Размеры, мм
|
Условный
проход
|
Dн
|
dн
|
S
|
S1
|
l
|
l1
|
l2
|
Масса, кг
|
|
ствола D0
|
отростка d0
|
|
100
|
100
|
118
|
118
|
10
|
10
|
200
|
200
|
225
|
42
|
|
150
|
100
|
170
|
118
|
11
|
10
|
250
|
200
|
250
|
57
|
|
150
|
150
|
170
|
170
|
11
|
11
|
250
|
250
|
250
|
62
|
|
200
|
100
|
222
|
118
|
13
|
10
|
300
|
225
|
275
|
79
|
|
200
|
150
|
222
|
170
|
13
|
11
|
300
|
225
|
275
|
83
|
|
200
|
200
|
222
|
222
|
13
|
13
|
300
|
300
|
275
|
92
|
|
250
|
150
|
274
|
170
|
14
|
11
|
300
|
250
|
300
|
103
|
|
250
|
200
|
274
|
222
|
14
|
13
|
300
|
275
|
300
|
108
|
|
250
|
250
|
274
|
274
|
14
|
14
|
300
|
300
|
300
|
111
|
|
300
|
200
|
326
|
222
|
15
|
13
|
300
|
300
|
325
|
124
|
|
300
|
250
|
326
|
274
|
15
|
14
|
300
|
300
|
325
|
128
|
|
300
|
300
|
326
|
326
|
15
|
15
|
300
|
300
|
325
|
131
|
Примечания:
1. Размеры фланцев тройника - по черт.
2.
2. Размеры фланца под пожарный кран -
по чертежу детали построения к черт. 28.
Крест раструб - фланец с пожарной подставкой

Черт. 31
Обозначение креста раструба - фланца с пожарной подставкой со стволом
условного прохода 200 мм и с отростком условного прохода 150 мм:
Крест ППКРФ 200×150 ГОСТ 5525-88
Крест фланцевый с пожарной подставкой

Черт. 32
Обозначение фланцевого креста с пожарной подставкой со стволом
условного прохода 250 мм и с отростком условного прохода 200 мм:
Крест ППКФ 250×200 ГОСТ 5525-88
Таблица 23
Размеры, мм
|
Условный
проход
|
Dн
|
dн
|
S
|
S1
|
l
|
l1
|
l2
|
Масса, кг
|
|
ствола D0
|
отростка d0
|
|
100
|
100
|
118
|
118
|
10
|
10
|
200
|
200
|
225
|
50,5
|
|
150
|
100
|
170
|
118
|
11
|
10
|
200
|
200
|
250
|
62,5
|
|
150
|
150
|
170
|
170
|
11
|
11
|
200
|
250
|
250
|
77,5
|
|
200
|
100
|
222
|
118
|
13
|
10
|
200
|
225
|
275
|
83,0
|
|
200
|
150
|
222
|
170
|
13
|
11
|
200
|
225
|
275
|
90,0
|
|
200
|
200
|
222
|
222
|
13
|
13
|
250
|
300
|
275
|
113
|
|
250
|
150
|
274
|
170
|
14
|
11
|
200
|
250
|
300
|
100
|
|
250
|
200
|
274
|
222
|
14
|
13
|
250
|
275
|
300
|
128
|
|
250
|
250
|
274
|
274
|
14
|
14
|
250
|
300
|
300
|
137
|
|
300
|
200
|
326
|
222
|
15
|
13
|
250
|
300
|
325
|
137
|
|
300
|
250
|
326
|
274
|
15
|
14
|
250
|
300
|
325
|
160
|
|
300
|
300
|
326
|
326
|
15
|
15
|
300
|
300
|
325
|
177
|
Примечания:
1. Размеры раструбов - по черт. 1.
2. Размеры фланцев креста - по черт. 2.
3. Размеры фланца под пожарный кран -
по чертежу детали построения к черт. 28.
Таблица 24
Размеры, мм
|
Условный
проход
|
Dн
|
dн
|
S
|
S1
|
l
|
l1
|
l2
|
Масса, кг
|
|
ствола D0
|
отростка d0
|
|
100
|
100
|
118
|
118
|
10
|
10
|
200
|
200
|
225
|
53
|
|
125
|
125
|
144
|
144
|
11
|
11
|
225
|
225
|
250
|
75
|
|
150
|
100
|
170
|
118
|
11
|
10
|
250
|
200
|
250
|
63
|
|
150
|
150
|
170
|
170
|
11
|
11
|
250
|
250
|
250
|
79
|
|
200
|
150
|
222
|
170
|
13
|
11
|
300
|
225
|
275
|
94
|
|
200
|
200
|
222
|
222
|
13
|
13
|
300
|
300
|
275
|
111
|
|
250
|
150
|
274
|
170
|
14
|
11
|
300
|
250
|
300
|
111
|
|
250
|
200
|
274
|
222
|
14
|
13
|
300
|
275
|
300
|
124
|
|
250
|
250
|
274
|
274
|
14
|
14
|
300
|
300
|
300
|
131
|
|
300
|
200
|
326
|
222
|
15
|
13
|
300
|
300
|
325
|
140
|
|
300
|
250
|
326
|
274
|
15
|
14
|
300
|
300
|
325
|
148
|
|
300
|
300
|
326
|
326
|
15
|
15
|
300
|
300
|
325
|
154
|
Примечания:
1. Размеры фланцев креста - по черт. 2.
2. Размеры фланца под
пожарный кран - по чертежу детали построения к черт. 28.
1.3. Допускаемые отклонения устанавливаются:
1) по длине соединительной части в соответствии с табл.
25.
Таблица 25
|
Вид
отливки
|
Условный проход,
мм
|
Допускаемое
отклонение, мм
|
|
Соединительные части с
раструбами, с фланцем и раструбом, с фланцем и гладким концом
|
До 450 включ.
|
±20
|
|
Св. 450
|
+20
-30
|
|
Соединительные части с фланцами
|
Все диаметры
|
±10
|
2) по толщине стенки соединительной части (S1) - (20,05S1), мм;
3) по толщине фланца соединительной части (b)
- (30,05b) мм;
4) по наружному диаметру и гладкому концу
соединительной части (Dн) +
(4,5 + 0,0015 D0) мм;
5) по внутреннему диаметру раструба (Dр) ± (1,5 + 0,001 D0) мм;
до 600 мм включ. ± 5 мм;
6) по глубине раструба (l1 + l2) для условного прохода ствола:
до 600 мм включ. ± 5 мм;
свыше 600 мм ± 10 мм;
7) по диаметру центровых отверстий во фланцах (D1) + 1 мм;
8) по расстоянию между центрами отверстий ± 0,5 мм;
9) по смещению центра окружности расположения центров
болтовых отверстий относительно центра внутреннего диаметра фланца для
условного прохода ствола:
от 50 до 150 мм включ. - не более 1 мм;
св. 150 « 500 мм включ. - не более 1,5 мм;
« 500 мм - не более 2 мм.
Примечания:
1. Плюсовой допуск по толщине стенки
соединительной части ограничивается допуском по массе.
2. На отдельных участках толщина
стенки соединительной части может быть меньше, но не менее чем минимальная
толщина стенки трубы класса Б того же диаметра, при условии, что площадь такого
участка не превышает 1/10 площади поперечного
сечения в свету.
3. Допускаемые отклонения
по размерам наружного диаметра цилиндрической части трубы или гладкого конца
соединительной части (Dн), а также по
внутреннему диаметру раструба (Dp),
не распространяются на соединительные части с резиновым уплотнением.
1.4. Отклонения фактической массы от теоретической не
должно превышать:
- для соединительных частей, за исключением отливок,
приведенных ниже, + 8 %;
- для колен соединительных частей с двумя и более
ответвлениями и нестандартных соединительных частей + 12 %.
Примечания:
1. Допускается в партии 5 %
соединительных частей, утяжеленных более чем указано.
2. По согласованию изготовителя с
потребителем допускается увеличение максимальной массы соединительных частей
при условии соблюдения всех остальных требований настоящего стандарта.
3. При подсчете массы изделий
относительная масса чугуна принята равной 7,25.
2. ТЕХНИЧЕСКИЕ ТРЕБОВАНИЯ
2.1. Соединительные части изготовляют в соответствии с
требованиями настоящего стандарта по технологическим регламентам, утвержденным
в установленном порядке.
Соединительные части должны изготовляться из серого
чугуна по ГОСТ 1412 и иметь
однородную плотность.
2.2. Характеристики
2.2.1. Предел прочности разрыву металла соединительных
частей при растяжении должен быть не менее 140 МПа (14 кгс/см2).
Твердость в центре толщины стенки отливки не должна
превышать 250 единиц по Бринеллю.
2.2.2. Наружная и внутренняя поверхности соединительных
частей должны быть чистыми и гладкими, без дефектов. Допускаются мелкие
дефекты, обусловленные способом производства.
На внутренней и наружной поверхности соединительных
частей допускается местный пригар песка толщиной не более 2 мм.
2.2.3. Соединительные части должны выдерживать
гидравлическое давление, приведенное в табл. 26.
Таблица 26
|
Вид
отливки
|
Условный проход,
мм
|
Испытательное
давление, МПА (кгс/см2)
|
|
Соединительные части
|
До 300 включ.
|
2,5 (25)
|
|
Св. 300
|
2,0 (20)
|
2.2.4. Допускается заварка дефектов на соединительных
частях, а также на обработанных фланцах, при условии, что соединительные части
будут подвергнуты в месте заварки зачистке и повторному гидравлическому
испытанию давлением, повышенным на 0,5 МПа (5 кгс/см2), по сравнению
с нормами, приведенными в табл. 26.
2.2.5. Торцы гладких концов соединительных частей, а также
торцевые поверхности фланцев, должны быть перпендикулярны к осям приведенных
соединительных частей.
2.2.6. Оси болтовых отверстий фланцев на противоположных
концах соединительной части должны составлять одну прямую линию. Отверстия
могут быть просверлены или получены при отливке.
2.2.7. Соединительные части должны быть покрыты нефтяным
битумом. Покрытие должно быть прочным, гладким, не должно иметь видимых трещин,
не должно быть липким, растворяться в воде или придавать ей запах, размягчаться
при температурах ниже + 60 °С.
По требованию потребителя соединительные части должны
быть без покрытия.
2.3. Маркировка и упаковка - по ГОСТ 10692 с
дополнениями:
- на каждой соединительной части должны быть приведены
товарный знак предприятия-изготовителя, условный проход (мм) и год отливки.
Маркировка наносится на наружной поверхности соединительной части.
3. ПРИЕМКА
3.1. Изделия принимают партиями. Партия должна состоять
из изделий одной формы, одного размера, одной величины испытательного давления
и оформлена одним документом о качестве в соответствии с ГОСТ 10692.
3.2. Осмотру, обмеру и гидравлическому испытанию должно
быть подвергнуто каждое изделие.
3.3. Механические испытания чугуна изготовитель проводит
в процессе производства от первого и последнего ковша каждой новой шихты или
плавки.
3.4. Механические испытания и химический анализ на
содержание углерода, кремния, марганца, фосфора и серы проводят на одних и тех
же образцах.
3.5. При получении неудовлетворительных результатов
испытаний хотя бы по одному из показателей по нему проводят повторное испытание
на удвоенной выборке. Результаты повторных испытаний распространяются на всю
партию.
4. МЕТОДЫ ИСПЫТАНИЙ
4.1. Осмотр соединительных частей проводят без применения
увеличительных приборов.
4.2. Химический анализ чугуна проводят по ГОСТ 22536.0 -
ГОСТ 22536.6.
4.3. Гидравлическое испытание соединительных частей
проводят по ГОСТ 3845 с
выдержкой под давлением в течение 15 с.
При испытании изделие обстукивают стальным молотком.
4.4. Отбор образцов для механических испытаний - по ГОСТ 24648.
Образцы для испытания на растяжение (черт. 33)
должны быть механически обработаны таким образом, чтобы диаметр был равен 20 -
25 мм. Концы образцов выполняются в соответствии с конструкцией испытательной
машины.
4.5. Испытание на твердость должно проводиться по ГОСТ 9012. При разногласиях в
оценке качества замеру твердости в центре толщины стенки отливки подвергается 1
% изделий от партии.
5. ТРАНСПОРТИРОВАНИЕ И
ХРАНЕНИЕ
Транспортирование и хранение - по ГОСТ
10692.

Черт. 33
ИНФОРМАЦИОННЫЕ ДАННЫЕ
1. РАЗРАБОТАН И
ВНЕСЕН Министерством черной металлургии СССР
2. УТВЕРЖДЕН И ВВЕДЕН В ДЕЙСТВИЕ Постановлением
Государственного комитета СССР по стандартам от 29.06.88 № 2516
3. ВЗАМЕН ГОСТ 5525-61
4. ССЫЛОЧНЫЕ НОРМАТИВНО-ТЕХНИЧЕСКИЕ ДОКУМЕНТЫ
5. Ограничение срока действия снято по протоколу № 4-93
Межгосударственного Совета по стандартизации, метрологии и сертификации (ИУС
4-94)
6. ПЕРЕИЗДАНИЕ.
Сентябрь 2010 г.
СОДЕРЖАНИЕ
|