Информационная система
«Ёшкин Кот»

Скачать базу одним архивом
Скачать обновления
История создания базы
Карта сайта

Скачать Типовые материалы для проектирования 904-02-28.86 Альбом IV. Кондиционер с двумя приточными (рабочим и резервным) и двумя рециркуляционными (рабочим и резервным) вентиляторами

Дата актуализации: 10.08.2017

Типовые материалы для проектирования 904-02-28.86

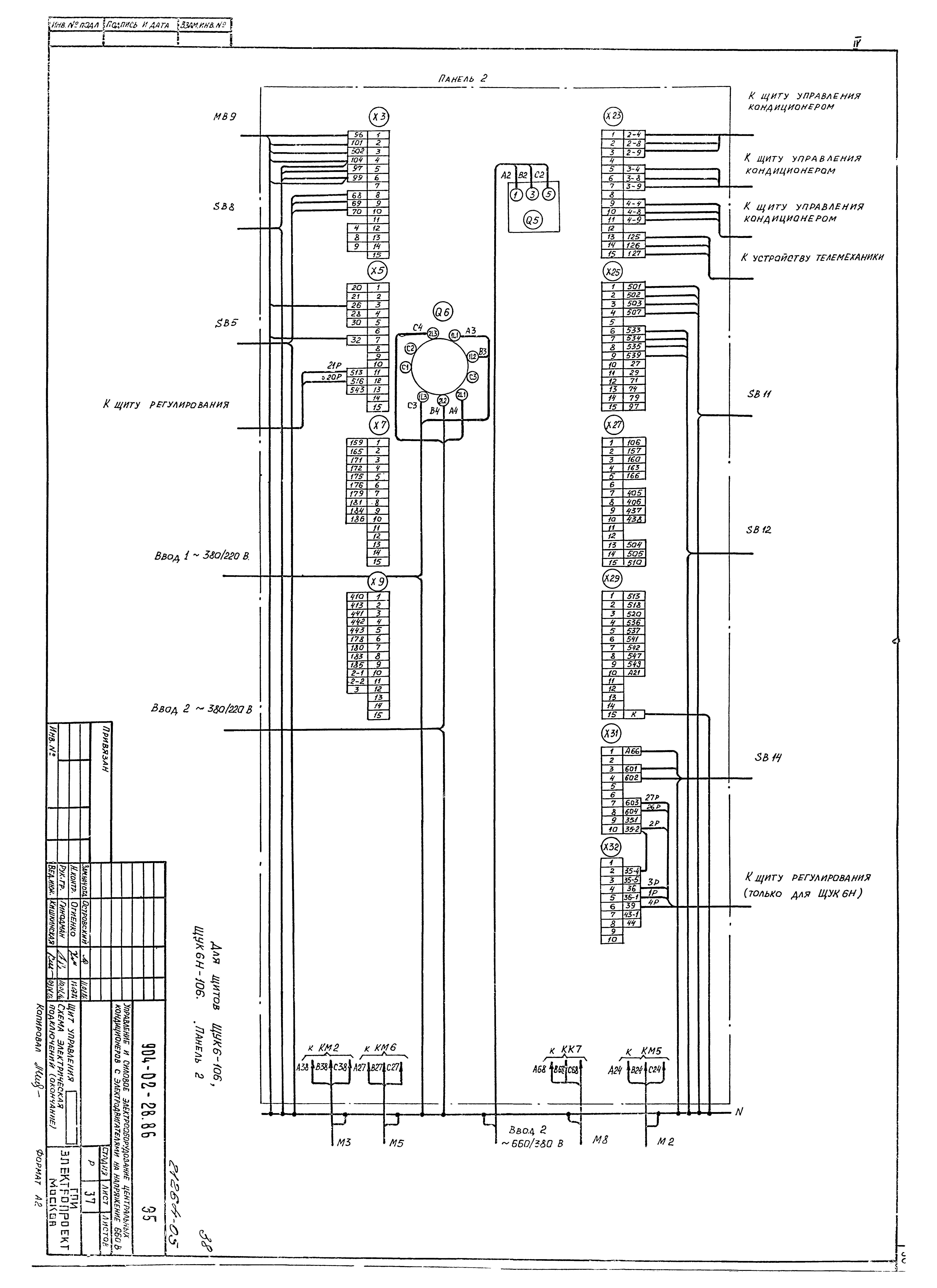
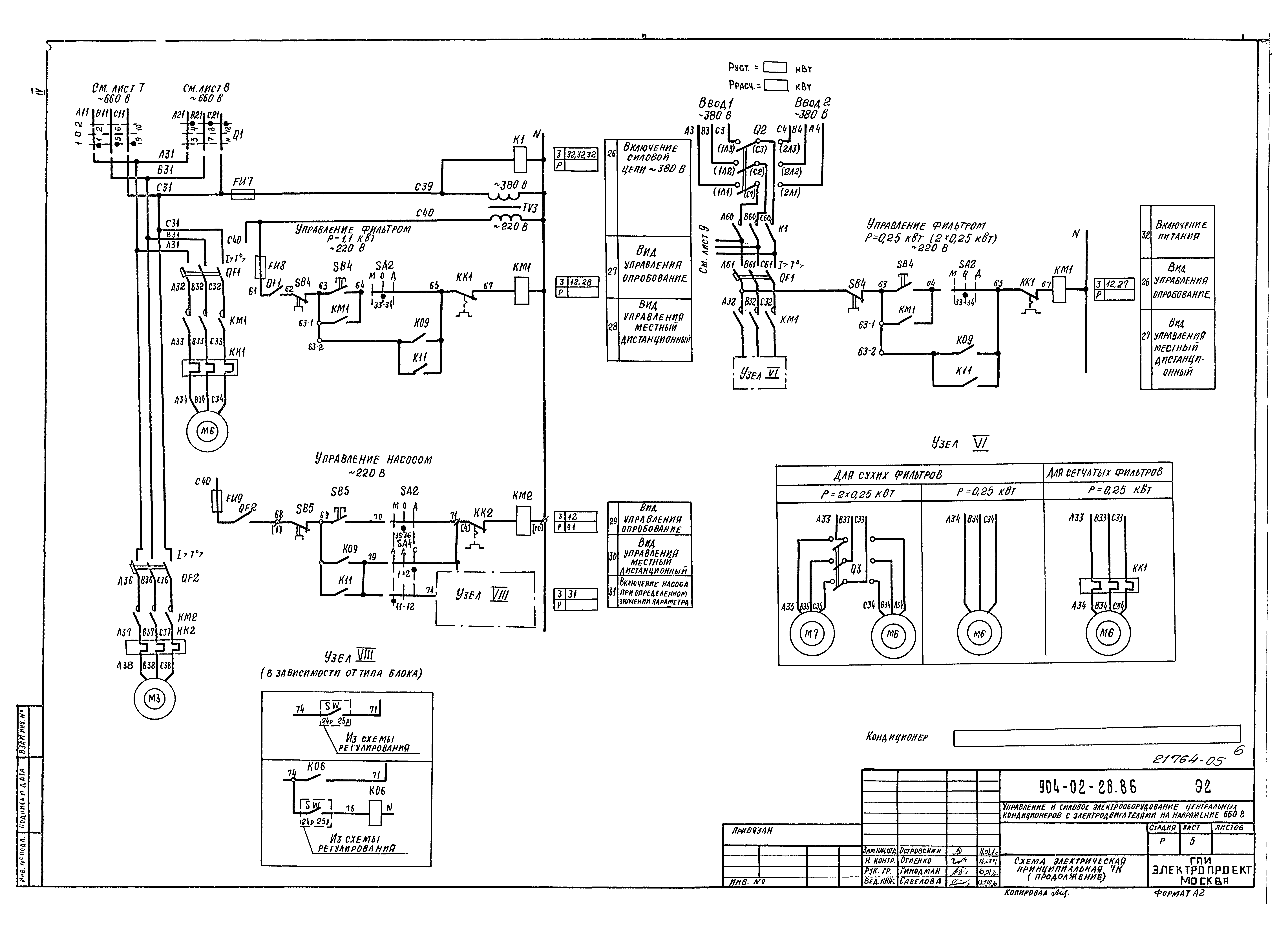
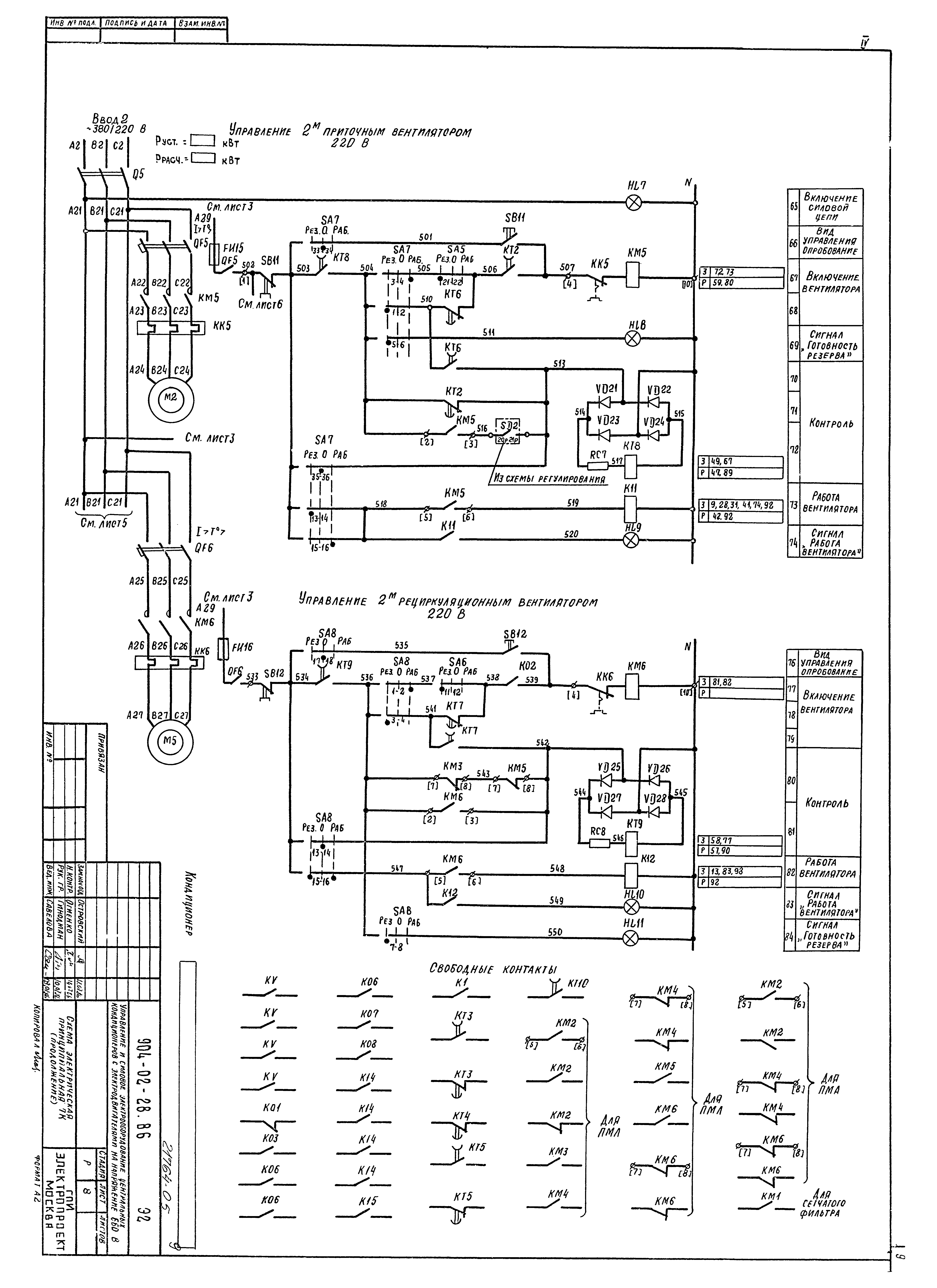
Альбом IV. Кондиционер с двумя приточными (рабочим и резервным) и двумя рециркуляционными (рабочим и резервным) вентиляторами

Обозначение: Типовые материалы для проектирования 904-02-28.86
Обозначение англ: 904-02-28.86
Статус:cправочные материалы, мп, тпр
Название рус.:Альбом IV. Кондиционер с двумя приточными (рабочим и резервным) и двумя рециркуляционными (рабочим и резервным) вентиляторами
Дата добавления в базу:05.05.2017
Дата актуализации:05.05.2017
Разработан: Электропроект Минмонтажспецстроя СССР
Утверждён:15.09.1986 Минмонтажспецстрой СССР (USSR Minmontazhspetsstroy )
Издан: ЦИТП Госстроя СССР (CITP, Gosstroy (USSR) 1987 г. )
Расположен в:Техническая документация Строительство Справочные документы Типовые строительные конструкции, изделия и узлы Общероссийский строительный каталог Промышленные предприятия, здания и сооружения Здания и сооружения санитарно-технические Воздухоснабжение, вентиляция и кондиционирование воздуха Вентиляция, кондиционирование воздуха
Типовые материалы для проектирования 904-02-28.86Типовые материалы для проектирования 904-02-28.86Типовые материалы для проектирования 904-02-28.86Типовые материалы для проектирования 904-02-28.86Типовые материалы для проектирования 904-02-28.86Типовые материалы для проектирования 904-02-28.86Типовые материалы для проектирования 904-02-28.86Типовые материалы для проектирования 904-02-28.86Типовые материалы для проектирования 904-02-28.86Типовые материалы для проектирования 904-02-28.86Типовые материалы для проектирования 904-02-28.86Типовые материалы для проектирования 904-02-28.86Типовые материалы для проектирования 904-02-28.86Типовые материалы для проектирования 904-02-28.86Типовые материалы для проектирования 904-02-28.86Типовые материалы для проектирования 904-02-28.86Типовые материалы для проектирования 904-02-28.86Типовые материалы для проектирования 904-02-28.86Типовые материалы для проектирования 904-02-28.86Типовые материалы для проектирования 904-02-28.86Типовые материалы для проектирования 904-02-28.86Типовые материалы для проектирования 904-02-28.86Типовые материалы для проектирования 904-02-28.86Типовые материалы для проектирования 904-02-28.86Типовые материалы для проектирования 904-02-28.86Типовые материалы для проектирования 904-02-28.86Типовые материалы для проектирования 904-02-28.86Типовые материалы для проектирования 904-02-28.86Типовые материалы для проектирования 904-02-28.86Типовые материалы для проектирования 904-02-28.86Типовые материалы для проектирования 904-02-28.86Типовые материалы для проектирования 904-02-28.86Типовые материалы для проектирования 904-02-28.86Типовые материалы для проектирования 904-02-28.86Типовые материалы для проектирования 904-02-28.86Типовые материалы для проектирования 904-02-28.86Типовые материалы для проектирования 904-02-28.86Типовые материалы для проектирования 904-02-28.86Типовые материалы для проектирования 904-02-28.86Типовые материалы для проектирования 904-02-28.86Типовые материалы для проектирования 904-02-28.86

© 2013 Ёшкин Кот :-) Карта сайта