Информационная система
«Ёшкин Кот»

Скачать базу одним архивом
Скачать обновления
История создания базы
Карта сайта

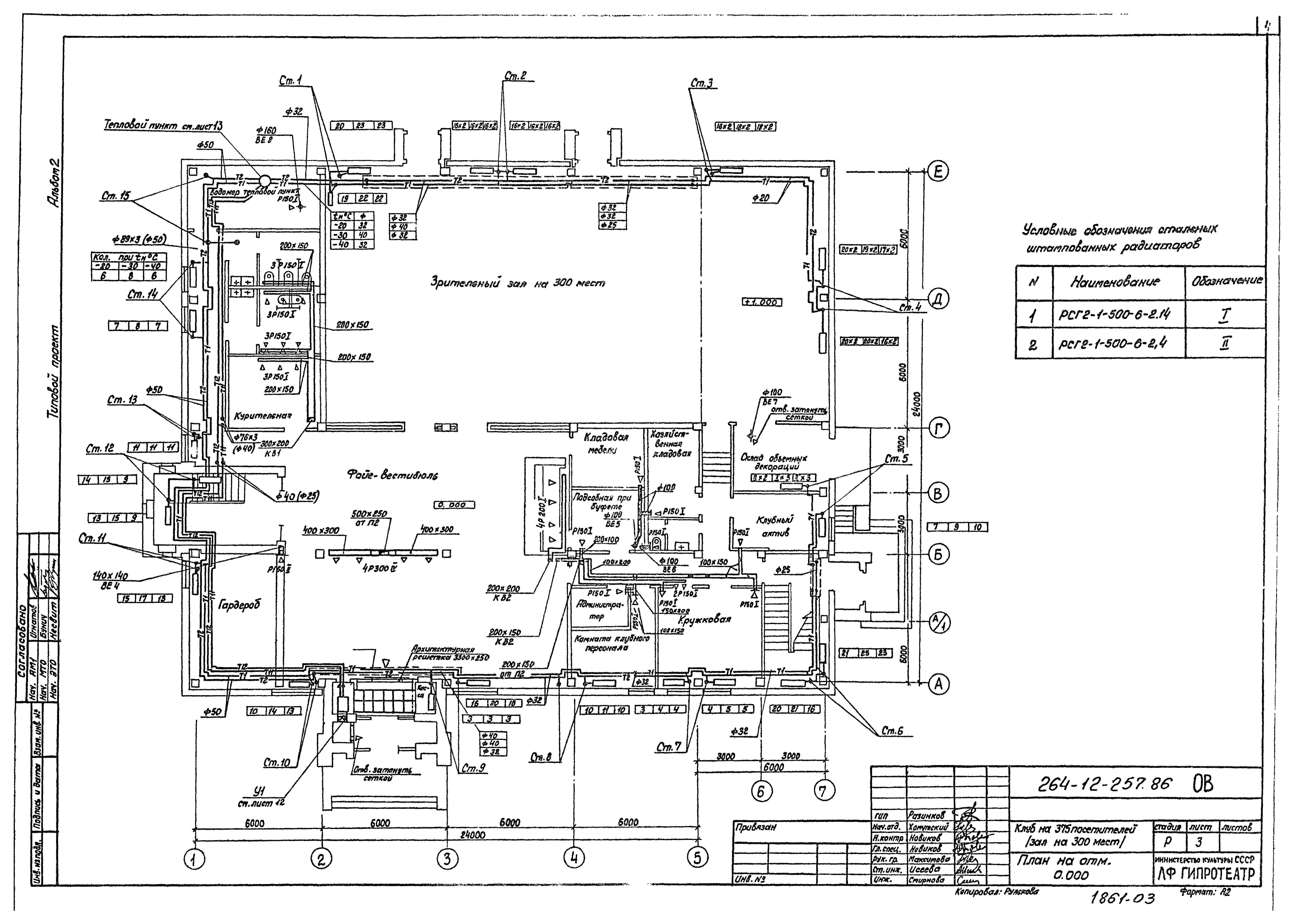
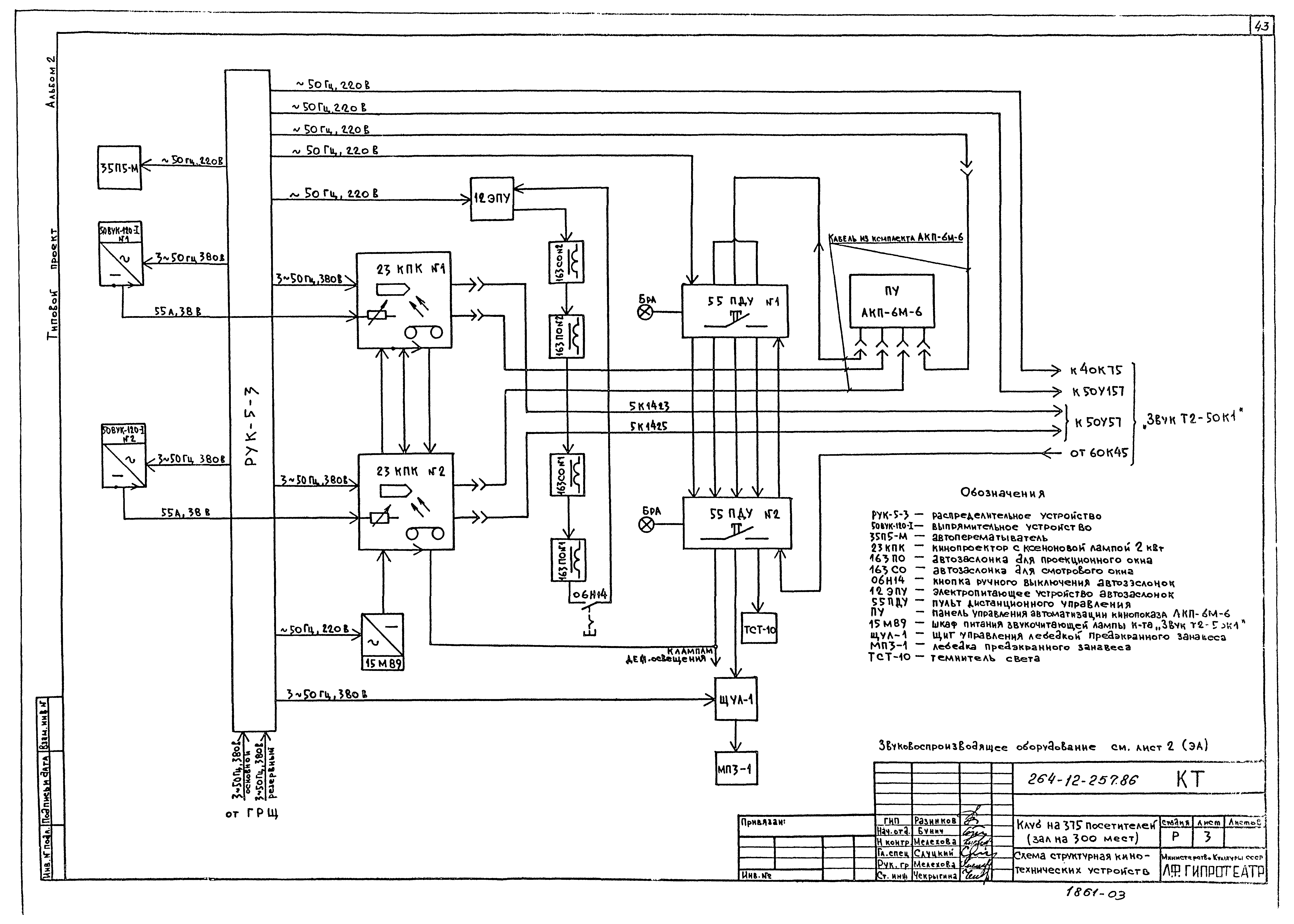
Скачать Типовой проект 264-12-257.86 Альбом 2. Отопление и вентиляция. Водопровод и канализация. Механооборудование эстрады. Кинотехнология. Электроакустика. Связь и сигнализация

Дата актуализации: 10.08.2017

Типовой проект 264-12-257.86

Альбом 2. Отопление и вентиляция. Водопровод и канализация. Механооборудование эстрады. Кинотехнология. Электроакустика. Связь и сигнализация

Обозначение: Типовой проект 264-12-257.86
Обозначение англ: 264-12-257.86
Статус:действует
Название рус.:Альбом 2. Отопление и вентиляция. Водопровод и канализация. Механооборудование эстрады. Кинотехнология. Электроакустика. Связь и сигнализация
Дата добавления в базу:05.05.2017
Дата актуализации:05.05.2017
Разработан: Гипротеатр Минкультуры СССР
Утверждён:17.09.1984 Госгражданстрой (Gosgrazhdanstroy 269)
Издан: ЦИТП Госстроя СССР (CITP, Gosstroy (USSR) 1987 г. )
Расположен в:Техническая документация Строительство Справочные документы Типовые строительные конструкции, изделия и узлы Общероссийский строительный каталог Общественные здания для строительства в сельской местности Зрелищные и культурно-просветительные учреждения, здания для органов управления и общественных организаций Зрелищные и культурно-просветительные учреждения Клубы, дома культуры, центры досуга
Типовой проект 264-12-257.86Типовой проект 264-12-257.86Типовой проект 264-12-257.86Типовой проект 264-12-257.86Типовой проект 264-12-257.86Типовой проект 264-12-257.86Типовой проект 264-12-257.86Типовой проект 264-12-257.86Типовой проект 264-12-257.86Типовой проект 264-12-257.86Типовой проект 264-12-257.86Типовой проект 264-12-257.86Типовой проект 264-12-257.86Типовой проект 264-12-257.86Типовой проект 264-12-257.86Типовой проект 264-12-257.86Типовой проект 264-12-257.86Типовой проект 264-12-257.86Типовой проект 264-12-257.86Типовой проект 264-12-257.86Типовой проект 264-12-257.86Типовой проект 264-12-257.86Типовой проект 264-12-257.86Типовой проект 264-12-257.86Типовой проект 264-12-257.86Типовой проект 264-12-257.86Типовой проект 264-12-257.86Типовой проект 264-12-257.86Типовой проект 264-12-257.86Типовой проект 264-12-257.86Типовой проект 264-12-257.86Типовой проект 264-12-257.86Типовой проект 264-12-257.86Типовой проект 264-12-257.86Типовой проект 264-12-257.86Типовой проект 264-12-257.86Типовой проект 264-12-257.86Типовой проект 264-12-257.86Типовой проект 264-12-257.86Типовой проект 264-12-257.86Типовой проект 264-12-257.86Типовой проект 264-12-257.86Типовой проект 264-12-257.86Типовой проект 264-12-257.86Типовой проект 264-12-257.86Типовой проект 264-12-257.86Типовой проект 264-12-257.86Типовой проект 264-12-257.86Типовой проект 264-12-257.86Типовой проект 264-12-257.86Типовой проект 264-12-257.86Типовой проект 264-12-257.86Типовой проект 264-12-257.86Типовой проект 264-12-257.86Типовой проект 264-12-257.86Типовой проект 264-12-257.86Типовой проект 264-12-257.86

© 2013 Ёшкин Кот :-) Карта сайта