Информационная система
«Ёшкин Кот»

Скачать базу одним архивом
Скачать обновления
История создания базы
Карта сайта

Скачать Серия 1.460-4 Выпуск 3. Покрытия пролетами 18; 24; 30 и 36 м для зданий с расчетной сейсмичностью 7, 8 и 9 баллов, возводимых в районах с температурами минус 40 градусов Цельсия и выше. Чертежи КМ

Дата актуализации: 10.08.2017

Серия 1.460-4

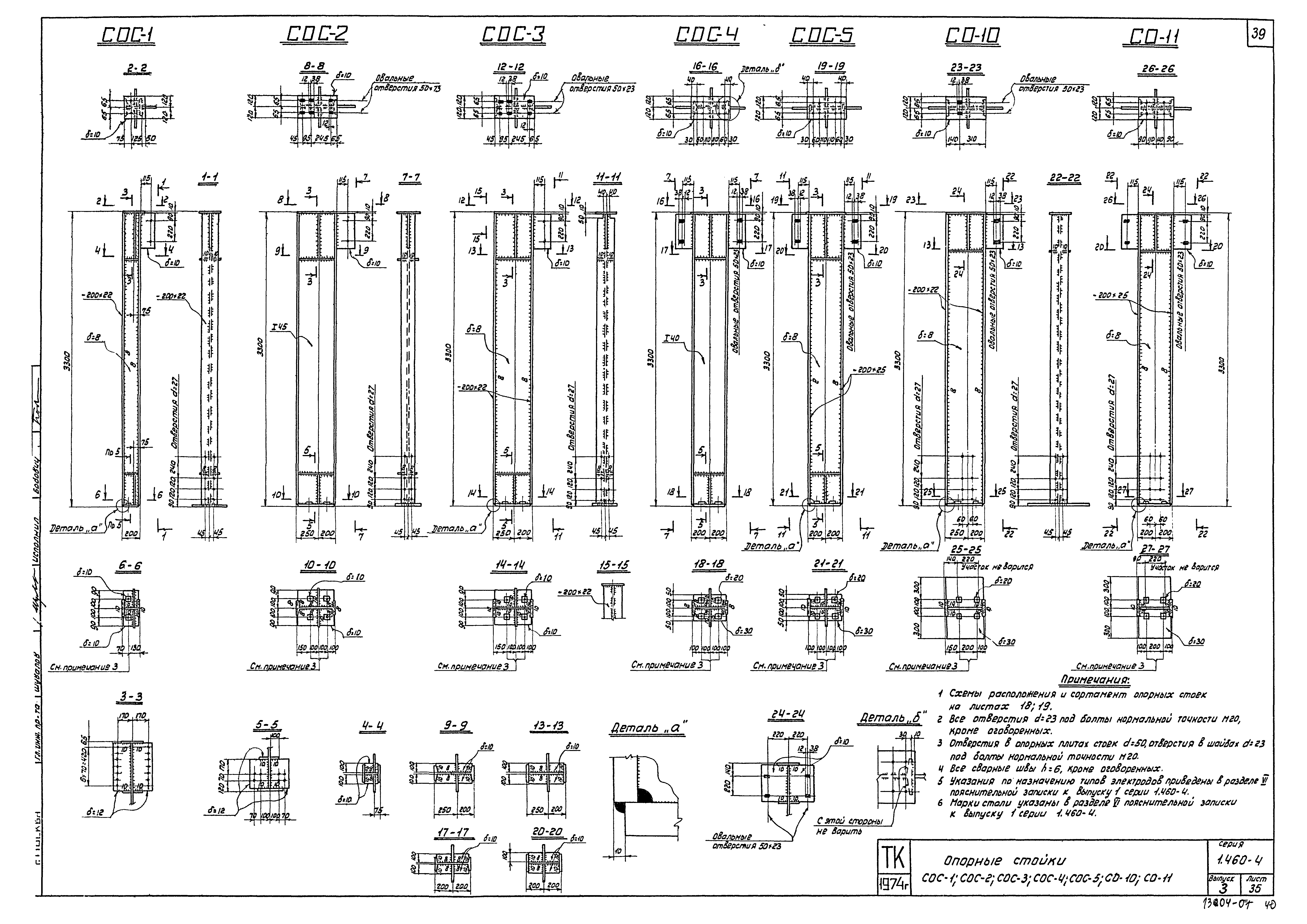
Выпуск 3. Покрытия пролетами 18; 24; 30 и 36 м для зданий с расчетной сейсмичностью 7, 8 и 9 баллов, возводимых в районах с температурами минус 40 градусов Цельсия и выше. Чертежи КМ

Обозначение: Серия 1.460-4
Обозначение англ: Series 1.460-4
Статус:заменен
Название рус.:Выпуск 3. Покрытия пролетами 18; 24; 30 и 36 м для зданий с расчетной сейсмичностью 7, 8 и 9 баллов, возводимых в районах с температурами минус 40 градусов Цельсия и выше. Чертежи КМ
Дата добавления в базу:05.05.2017
Дата актуализации:05.05.2017
Дата введения:01.04.1981
Область применения:Настоящий выпуск является дополнением к выпуску 1 серии 1.460-4 и содержит материалы, необходимые при применении конструкций покрытий, разработанных в выпуске 1, в зданиях с расчетной сейсмичностью 7, 8 и 9 баллов
Разработан: ЦНИИпроектстальконструкция
Утверждён:02.07.1974 Госстрой СССР (Государственный комитет Совета Министров СССР по делам строительства) (USSR Gosstroy 137)
Расположен в:Техническая документация Строительство Справочные документы Типовые строительные конструкции, изделия и узлы Общероссийский строительный каталог Строительные конструкции, изделия и узлы зданий и сооружений для всех видов строительства Конструкции, изделия и узлы зданий Несущие конструкции одноэтажных зданий Стропильные и подстропильные конструкции Фермы Стальные и металлодеревянные
Чем заменён:
Серия 1.460-4Серия 1.460-4Серия 1.460-4Серия 1.460-4Серия 1.460-4Серия 1.460-4Серия 1.460-4Серия 1.460-4Серия 1.460-4Серия 1.460-4Серия 1.460-4Серия 1.460-4Серия 1.460-4Серия 1.460-4Серия 1.460-4Серия 1.460-4Серия 1.460-4Серия 1.460-4Серия 1.460-4Серия 1.460-4Серия 1.460-4Серия 1.460-4Серия 1.460-4Серия 1.460-4Серия 1.460-4Серия 1.460-4Серия 1.460-4Серия 1.460-4Серия 1.460-4Серия 1.460-4Серия 1.460-4Серия 1.460-4Серия 1.460-4Серия 1.460-4Серия 1.460-4Серия 1.460-4Серия 1.460-4Серия 1.460-4Серия 1.460-4Серия 1.460-4Серия 1.460-4Серия 1.460-4Серия 1.460-4Серия 1.460-4Серия 1.460-4Серия 1.460-4Серия 1.460-4Серия 1.460-4

© 2013 Ёшкин Кот :-) Карта сайта