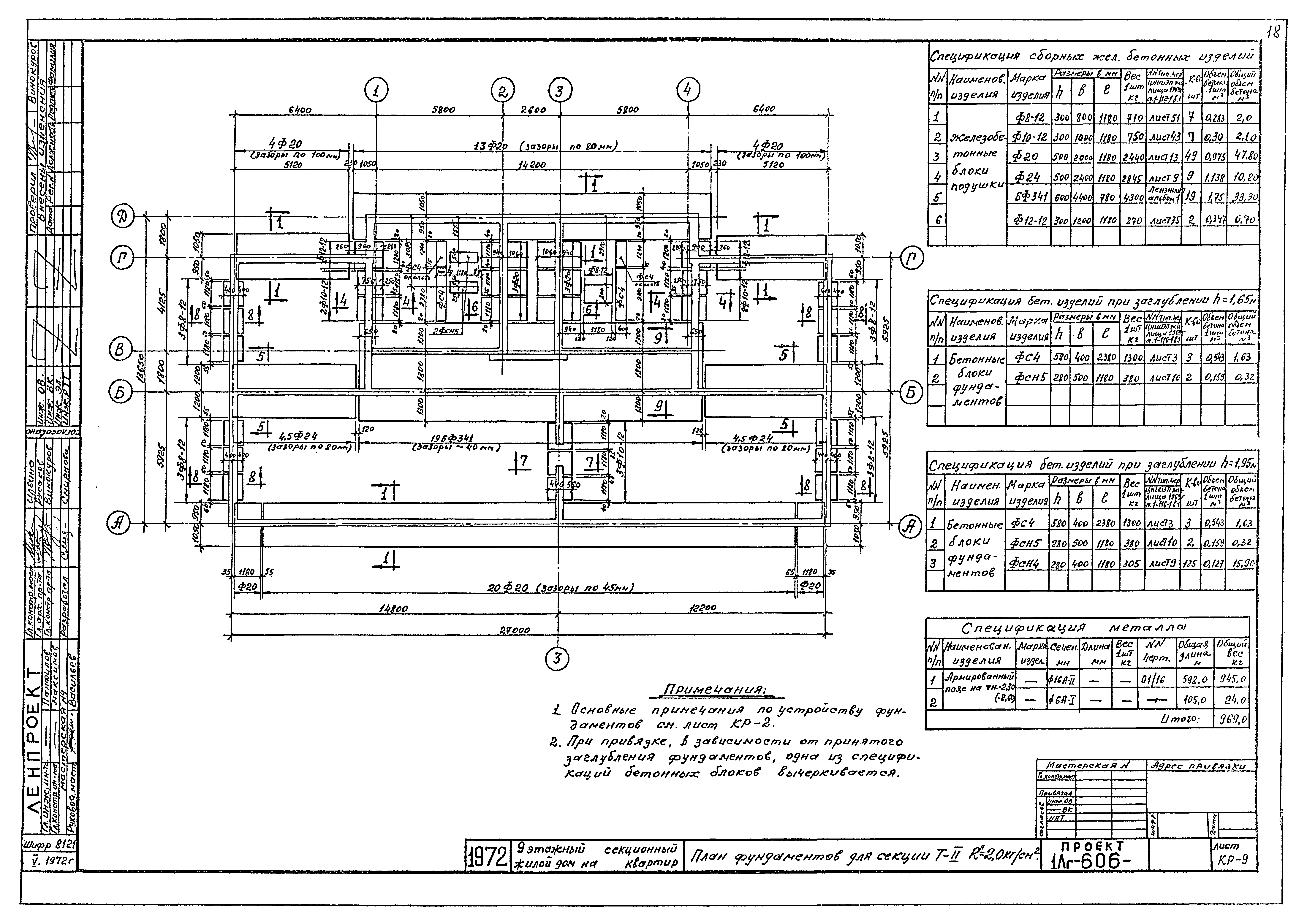
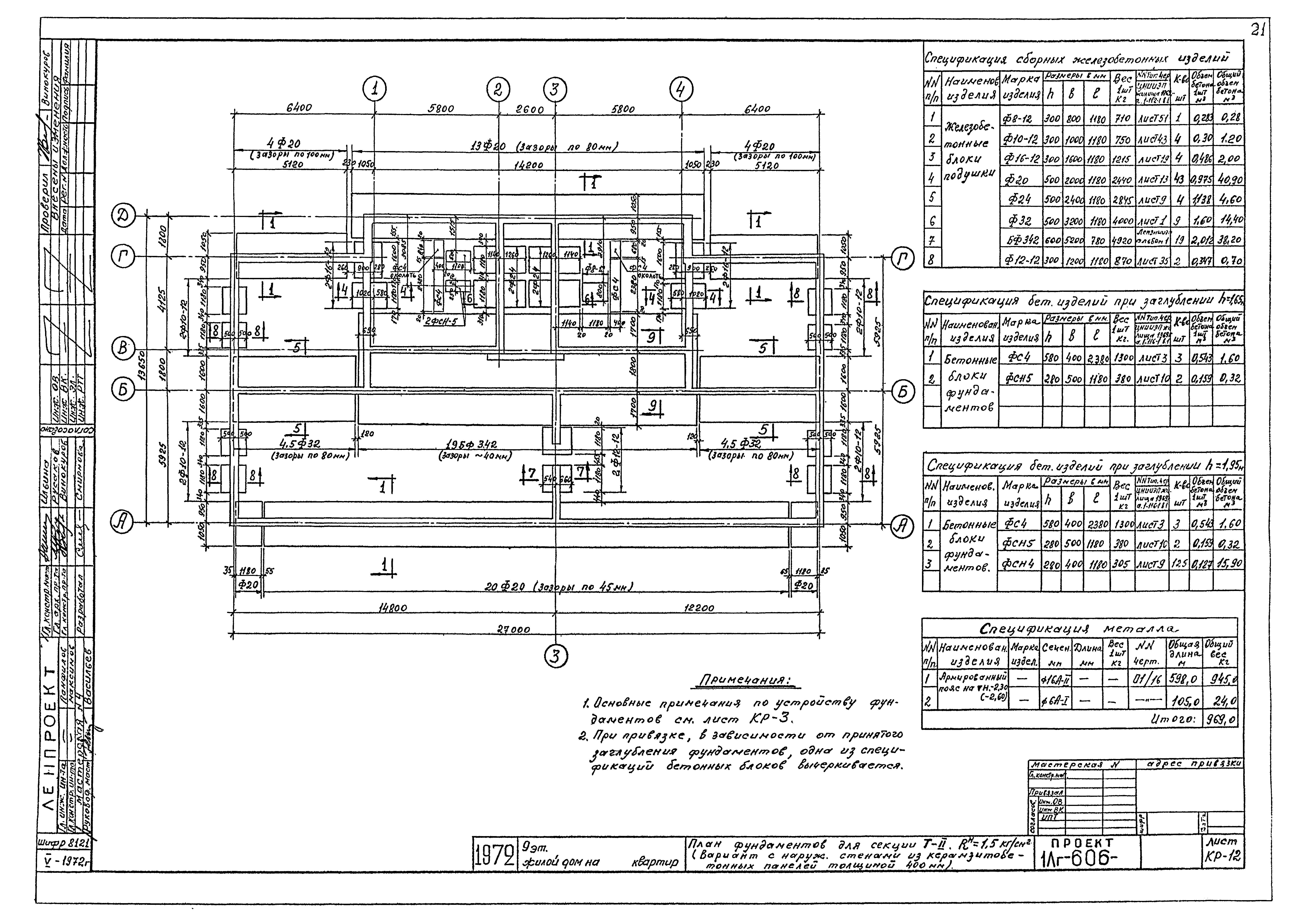
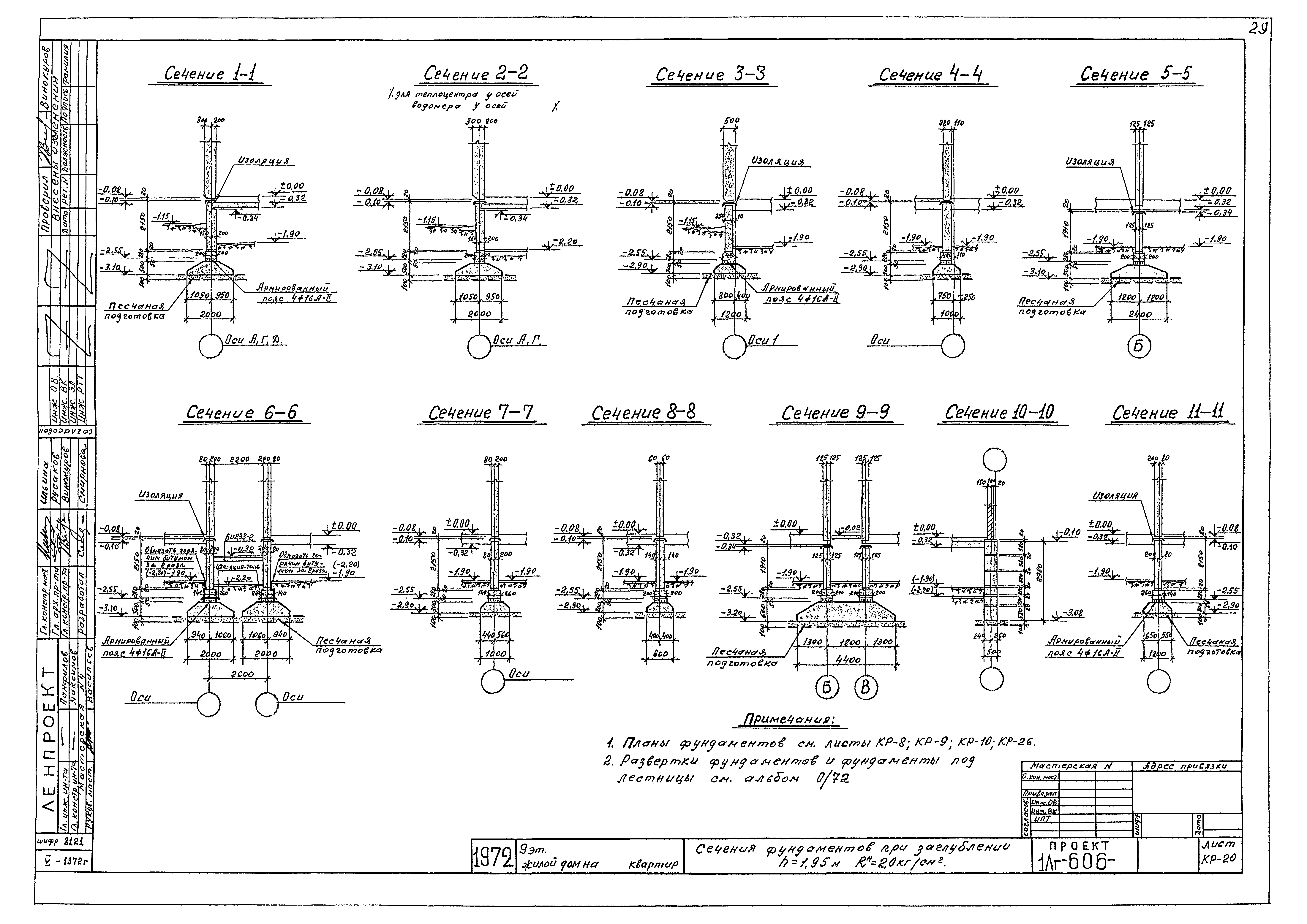
Скачать Типовой проект 1Лг-606 Альбом 0. Раздел 1. Монтажные чертежи подземной части здания (нулевой цикл). Архитектурно-строительные чертежиДата актуализации: 10.08.2017 Типовой проект 1Лг-606
Альбом 0. Раздел 1. Монтажные чертежи подземной части здания (нулевой цикл). Архитектурно-строительные чертежиОбозначение: | Типовой проект 1Лг-606 | Обозначение англ: | 1Лг-606 | Статус: | действует | Название рус.: | Альбом 0. Раздел 1. Монтажные чертежи подземной части здания (нулевой цикл). Архитектурно-строительные чертежи | Дата добавления в базу: | 01.02.2017 | Дата актуализации: | 05.05.2017 | Разработан: | Ленпроект
| Утверждён: | 01.05.1972 Ленпроект
| Расположен в: |
|
                                        
|