| ||||||||||||||||||||||||||||||||||||
Скачать ГОСТ Р 57357-2016 Сталь для армирования железобетонных конструкций. Технические условияДата актуализации: 10.08.2017
|
| Обозначение: | ГОСТ Р 57357-2016 |
| Обозначение англ: | GOST R 57357-2016 |
| Статус: | принят |
| Название рус.: | Сталь для армирования железобетонных конструкций. Технические условия |
| Название англ.: | Steel for reinforcement of concrete structures. Specifications |
| Дата добавления в базу: | 05.05.2017 |
| Дата актуализации: | 05.05.2017 |
| Дата введения: | 13.12.2016 |
| Дата окончания срока действия: | 01.07.2017 |
| Область применения: | Стандарт устанавливает общие требования и определения эксплуатационных характеристик стальной арматуры, пригодной к сварке, которую применяют для армирования бетонных конструкций, поставляемую в виде готовых изделий: - стержней, мотков (катанка, проволока) и размотанных изделий; - арматурных сеток, автоматически сваренных в заводских условиях; - пространственных каркасов. Сталь, соответствующая стандарту, имеет рифленую, периодически профилированную или гладкую поверхность. Стандарт не распространяется - на стальную арматуру, не пригодную к сварке; - оцинкованную стальную арматуру; - стальную арматуру с эпоксидным покрытием; - стальную арматуру устойчивую к коррозии; - предварительно напряженную арматуру; - периодически профилированную полосу; - дальнейшую обработку, например, резку или резку и изгиб. Стандарт не определяет технические классы. Технические классы должны определяться в соответствии с стандартом по установленным значениям для Re, Agt, Rm/Re, и Re,act/Re,nom (если применимо), усталостной прочности (при необходимости), гибкости, свариваемости, прочности на изгиб, прочности сварных или зажатых соединений (для сварной арматурной сетки или пространственных каркасов) и допусков на размеры. |
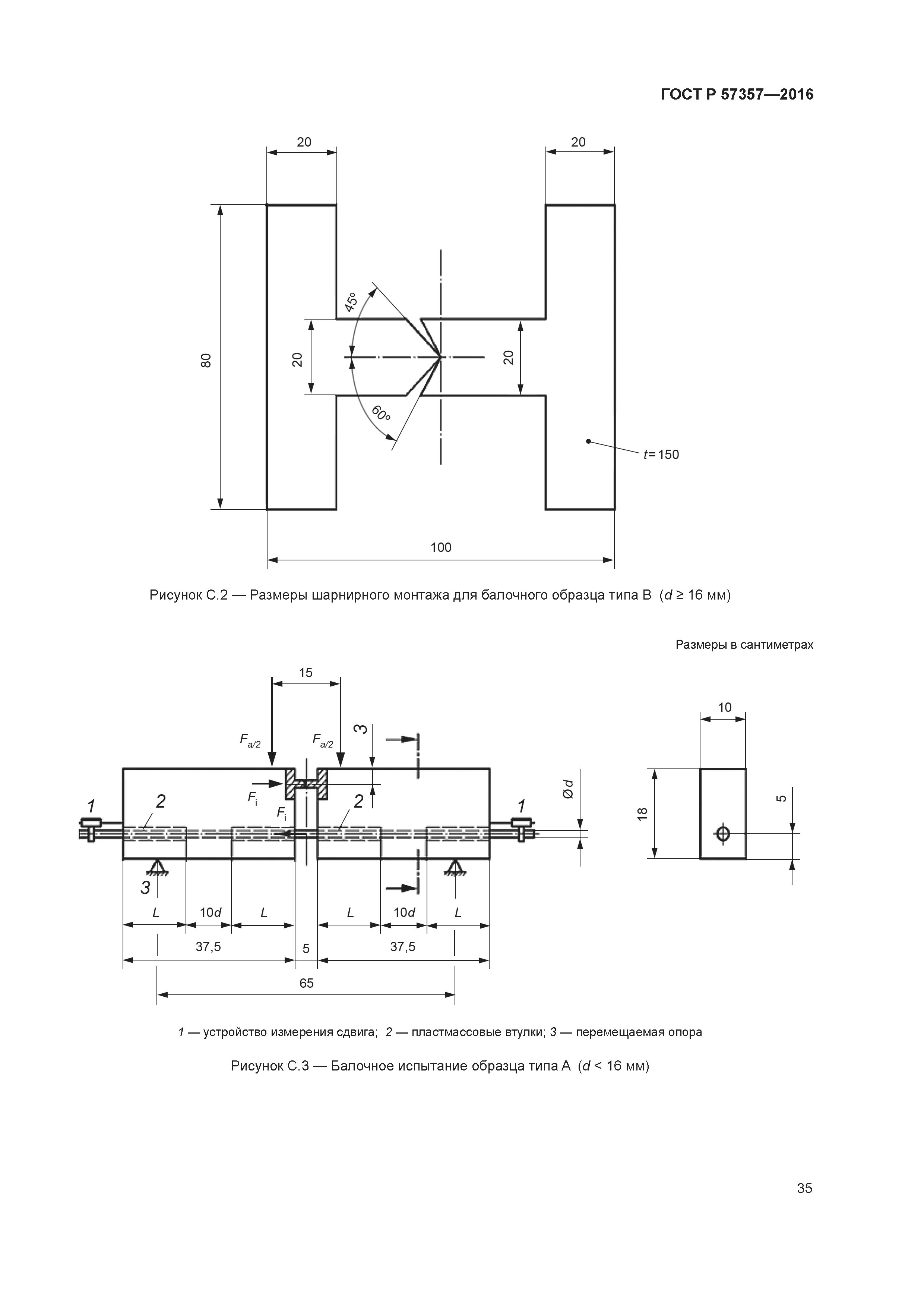
| Оглавление: | 1 Область применения 2 Нормативные ссылки 3 Термины и определения 4 Обозначения 5 Условное обозначение 5.1 Пруток, моток или размотанное изделие 5.2 Арматурная сетка 5.3 Пространственные каркасы 6 Процессы производства стали и обработки 7 Эксплуатационные характеристики 7.1 Свариваемость и химический состав 7.2 Механические свойства 7.3 Размеры, масса и допуски 7.4 Прочность сцепления и геометрия поверхности 7.5 Проверка эксплуатационных характеристик 8 Оценка соответствия 8.1 Заводской производственный контроль 8.2 Первичное испытание 8.3 Непрерывный технический надзор за заводским производственным контролем и контрольное испытание 8.4 Оценка, документирование и действия 8.5 Оценка долгосрочного уровня качества 9 Методы испытаний 9.1 Стержни, мотки и размотанные изделия 9.2 Арматурная сетка 9.3 Пространственные каркасы 10 Идентификация изготовителя и технических классов 10.1 Стержни 10.2 Моток 10.3 Размотанное изделие 10.4 Арматурная сетка 10.5 Пространственные каркасы 11 Проверка механических свойств в случае разногласий Приложение А (справочное) Примеры точек сварки в соединениях пространственных каркасов Приложение В (справочное) Методы испытания пространственных каркасов Приложение С (справочное) Испытание на сцепление стальной арматуры периодического профиля. Балочное испытание Приложение D (справочное) Испытание на сцепление стальной арматуры периодического профиля. Испытание на вытаскивание Приложение Е (справочное) Сравнение обозначений физических величин настоящего стандарта с обозначениями, применяемыми в ЕН 1992-1-1 и ЕН 1992-1-2 Приложение ZА (справочное) Пункты настоящего стандарта, соответствующие положениям Директивы ЕС на строительные изделия Приложение ДА (справочное) Сведения о соответствии ссылочных европейских стандартов национальным и межгосударственным стандартам Библиография |
| Разработан: | ФГУП СТАНДАРТИНФОРМ НИИЖБ им. А.А.Гвоздева АО НИЦ Строительство |
| Утверждён: | 13.12.2016 Федеральное агентство по техническому регулированию и метрологии (2027-ст) |
| Издан: | Стандартинформ (2017 г. ) |
| Расположен в: | |
| Нормативные ссылки: |
|




















































