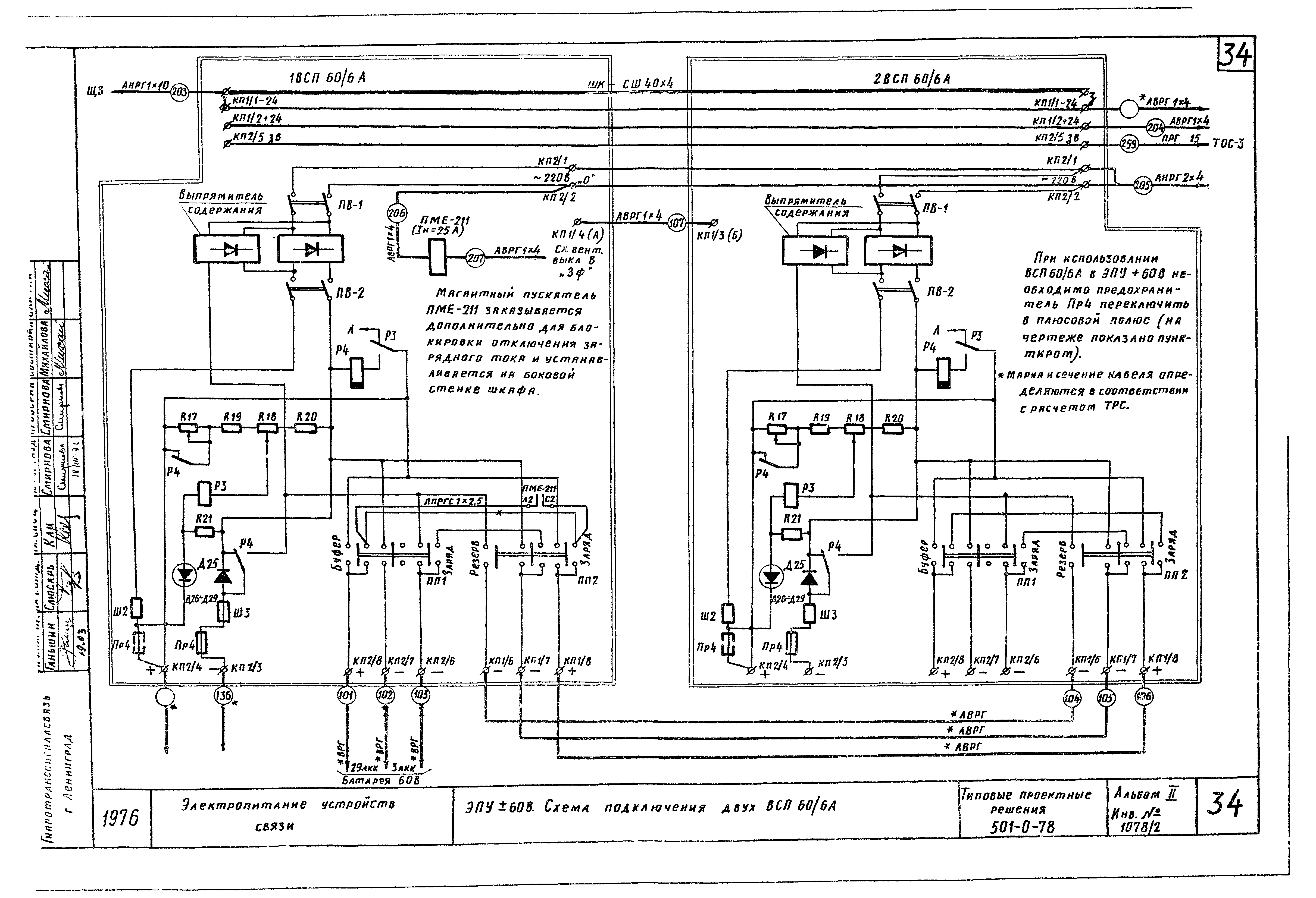
Скачать Типовые проектные решения 501-0-78 Альбом II. Схемы электропитающих установокДата актуализации: 10.08.2017 Типовые проектные решения 501-0-78
Альбом II. Схемы электропитающих установок| Обозначение: | Типовые проектные решения 501-0-78 | | Обозначение англ: | 501-0-78 | | Статус: | cправочные материалы, мп, тпр | | Название рус.: | Альбом II. Схемы электропитающих установок | | Дата добавления в базу: | 01.02.2017 | | Дата актуализации: | 05.05.2017 | | Разработан: | Гипротранссигналсвязь
| | Утверждён: | 01.10.1976 Главное управление сигнализации и связи МПС (ЦШТех-12)
| | Расположен в: |
|
                                               
|