| ||||||||||||||||||||||||||||||||||||
Скачать ГОСТ IEC 61000-4-12-2016 Электромагнитная совместимость (ЭМС). Часть 4-12. Методы испытаний и измерений. Испытание на устойчивость к звенящей волнеДата актуализации: 10.08.2017
|
| Обозначение: | ГОСТ IEC 61000-4-12-2016 |
| Обозначение англ: | 61000-4-12-2016 |
| Статус: | принят |
| Название рус.: | Электромагнитная совместимость (ЭМС). Часть 4-12. Методы испытаний и измерений. Испытание на устойчивость к звенящей волне |
| Название англ.: | Electromagnetic compatibility (EMC). Part 4-12. Testing and measurement techniques. Ring wave immunity test |
| Дата добавления в базу: | 01.02.2017 |
| Дата актуализации: | 05.05.2017 |
| Дата введения: | 20.10.2016 |
| Дата окончания срока действия: | 01.06.2017 |
| Область применения: | Стандарт распространяется на электрическое и электронное оборудование, получающее электропитание от общественных сетей и сетей промышленных предприятий, и устанавливает требования помехоустойчивости и методы испытаний оборудования при воздействии в рабочих условиях неповторяющихся затухающих колебательных переходных процессов (звенящих волн), которые могут возникать в низковольтных силовых линиях и линиях управления и сигнализации. Основополагающий стандарт имеет целью установить требования помехоустойчивости и общую основу для оценки в лабораторных условиях качества функционирования электрического и электронного оборудования, предназначенного для применения в жилых, коммерческих и промышленных зонах, также как и оборудования, предназначенного для применения на электростанциях и подстанциях. |
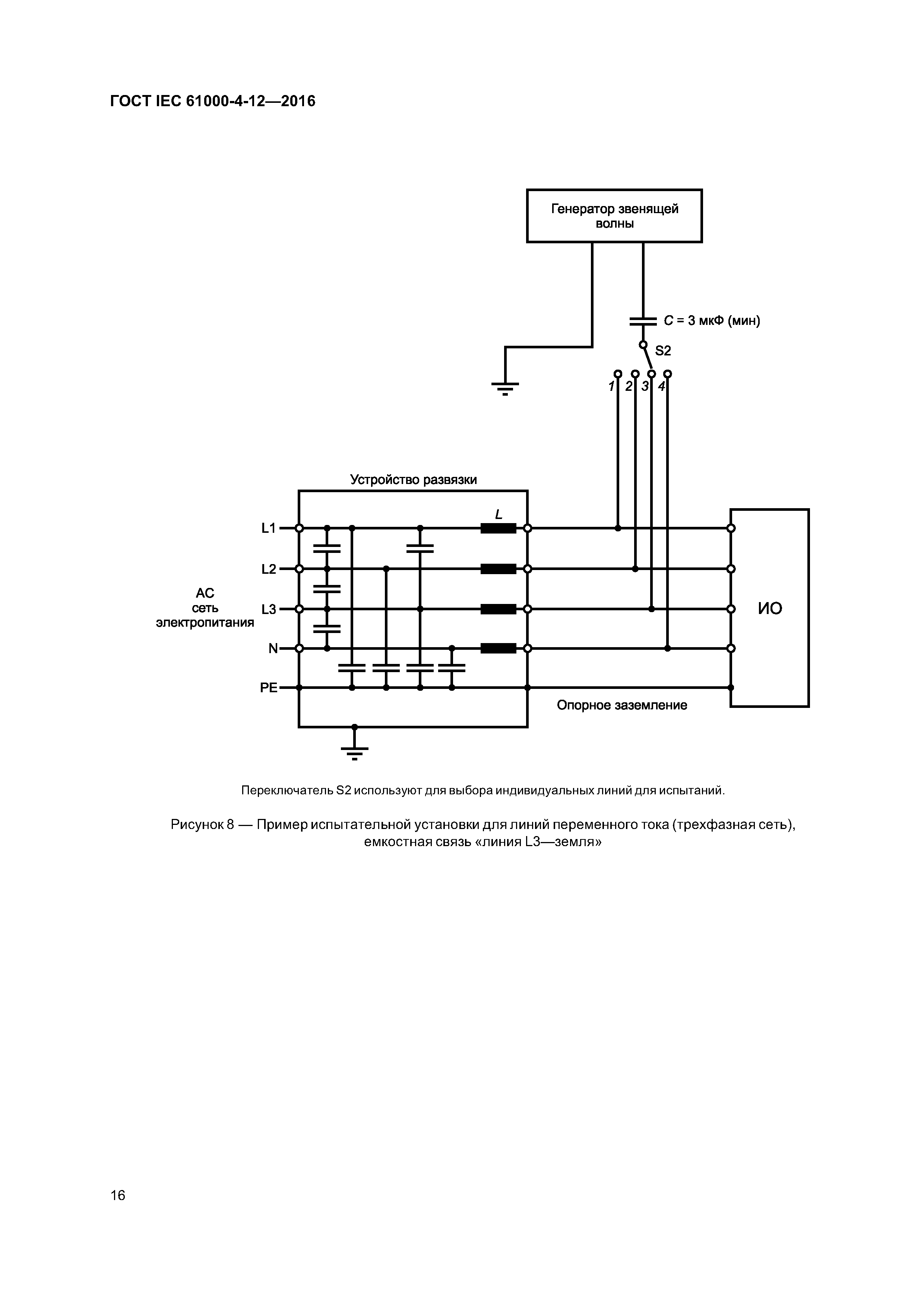
| Оглавление: | 1 Область применения и цель 2 Нормативные ссылки 3 Термины и определения 4 Общие положения 4.1 Описание явления 4.2 Параметры явления 5 Испытательные уровни 6 Испытательное оборудование 6.1 Испытательный генератор 6.2 Технические характеристики устройства связи/развязки 7 Испытательная установка 7.1 Испытание портов силового электропитания 7.2 Испытание портов ввода/вывода 7.3 Испытание портов связи 7.4 Заземляющие соединения 7.5 Испытуемое оборудование 7.6 Устройства связи/развязки 8 Процедура испытаний 8.1 Лабораторные опорные условия 8.2 Проведение испытаний 9 Оценка результатов испытаний 10 Отчет об испытаниях Приложение А (справочное) Информация об испытательных уровнях для звенящей волны Приложение ДА (справочное) Сведения о соответствии ссылочного международного стандарта ссылочному межгосударственному стандарту Библиография |
| Разработан: | ЗАО Научно-испытательный центр САМТЭС ТК 30 Электромагнитная совместимость технических средств |
| Утверждён: | 29.03.2016 Межгосударственный Совет по стандартизации, метрологии и сертификации (Inter-Governmental Council on Standardization, Metrology, and Certification 86-П) 20.10.2016 Федеральное агентство по техническому регулированию и метрологии (1456-ст) |
| Издан: | Стандартинформ (2016 г. ) |
| Расположен в: | |
| Нормативные ссылки: |





























