Информационная система
«Ёшкин Кот»

Скачать базу одним архивом
Скачать обновления
История создания базы
Карта сайта

Скачать Типовой проект 503-4-39.86 Альбом VII. Автоматическое пожаротушение

Дата актуализации: 10.08.2017

Типовой проект 503-4-39.86

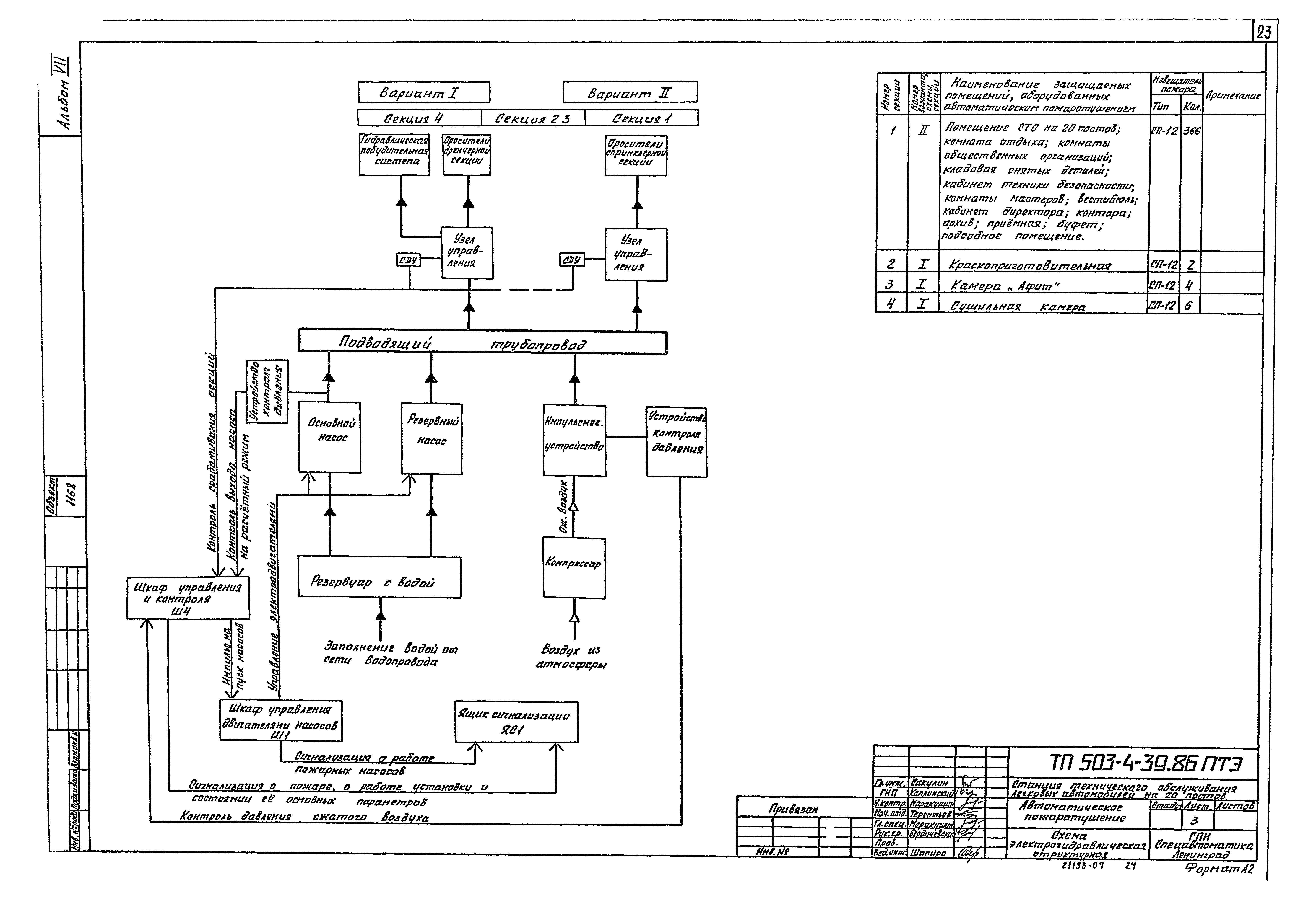
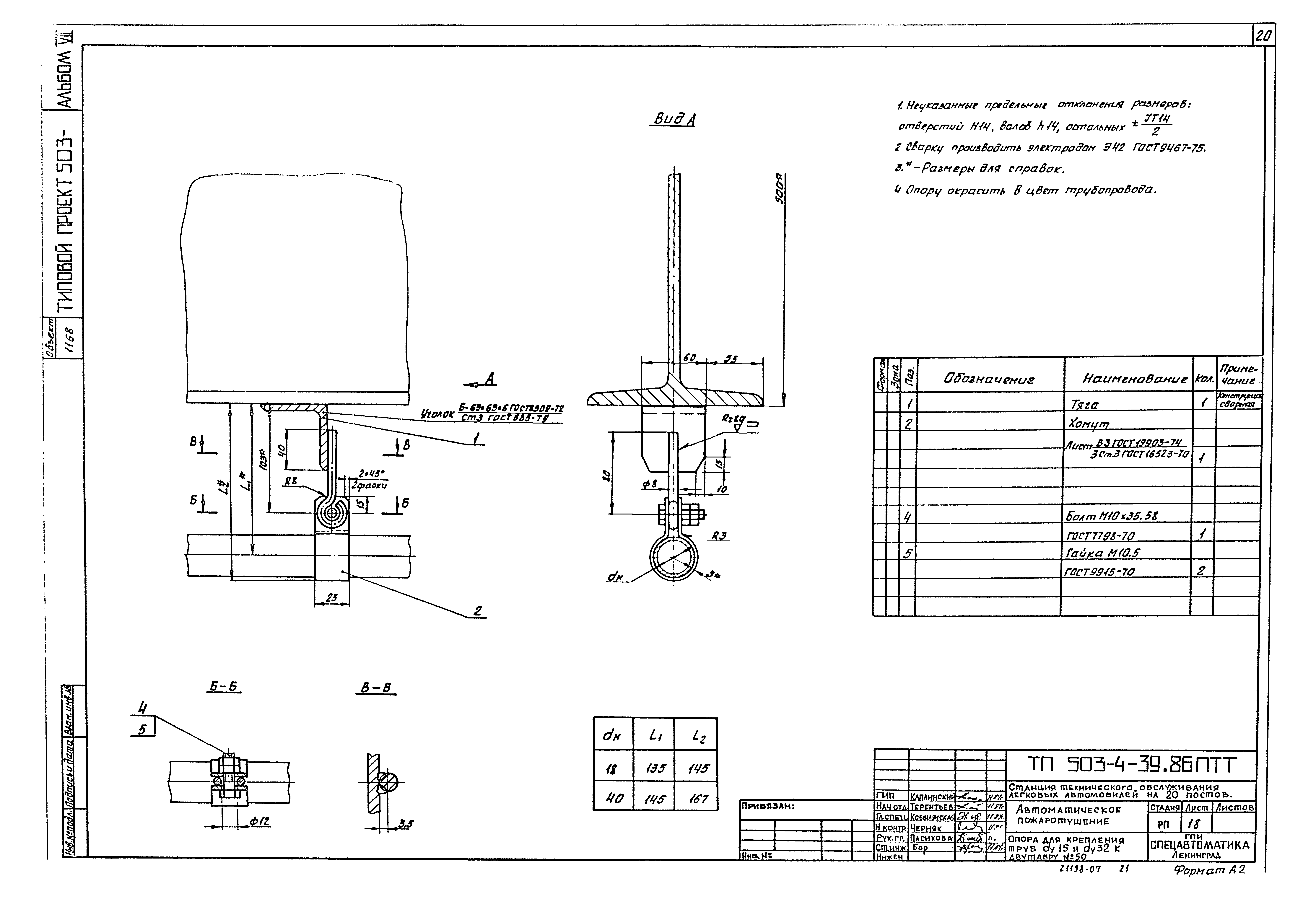
Альбом VII. Автоматическое пожаротушение

Обозначение: Типовой проект 503-4-39.86
Обозначение англ: 503-4-39.86
Статус:действует
Название рус.:Альбом VII. Автоматическое пожаротушение
Дата добавления в базу:01.02.2017
Дата актуализации:05.05.2017
Разработан: Гипроавтотранс
Утверждён:19.08.1985 Минавтопром СССР (USSR Minavtoprom 11)
Издан: ЦИТП Госстроя СССР (CITP, Gosstroy (USSR) 1986 г. )
Расположен в:Техническая документация Строительство Справочные документы Типовые строительные конструкции, изделия и узлы Общероссийский строительный каталог Промышленные предприятия, здания и сооружения Предприятия, здания и сооружения транспорта Транспорт автомобильный Корпуса производственные, станции технического обслуживания и ремонта грузовых и легковых автомобилей и автобусов
Нормативные ссылки:
Типовой проект 503-4-39.86Типовой проект 503-4-39.86Типовой проект 503-4-39.86Типовой проект 503-4-39.86Типовой проект 503-4-39.86Типовой проект 503-4-39.86Типовой проект 503-4-39.86Типовой проект 503-4-39.86Типовой проект 503-4-39.86Типовой проект 503-4-39.86Типовой проект 503-4-39.86Типовой проект 503-4-39.86Типовой проект 503-4-39.86Типовой проект 503-4-39.86Типовой проект 503-4-39.86Типовой проект 503-4-39.86Типовой проект 503-4-39.86Типовой проект 503-4-39.86Типовой проект 503-4-39.86Типовой проект 503-4-39.86Типовой проект 503-4-39.86Типовой проект 503-4-39.86Типовой проект 503-4-39.86Типовой проект 503-4-39.86Типовой проект 503-4-39.86Типовой проект 503-4-39.86Типовой проект 503-4-39.86Типовой проект 503-4-39.86Типовой проект 503-4-39.86Типовой проект 503-4-39.86Типовой проект 503-4-39.86Типовой проект 503-4-39.86Типовой проект 503-4-39.86Типовой проект 503-4-39.86

© 2013 Ёшкин Кот :-) Карта сайта