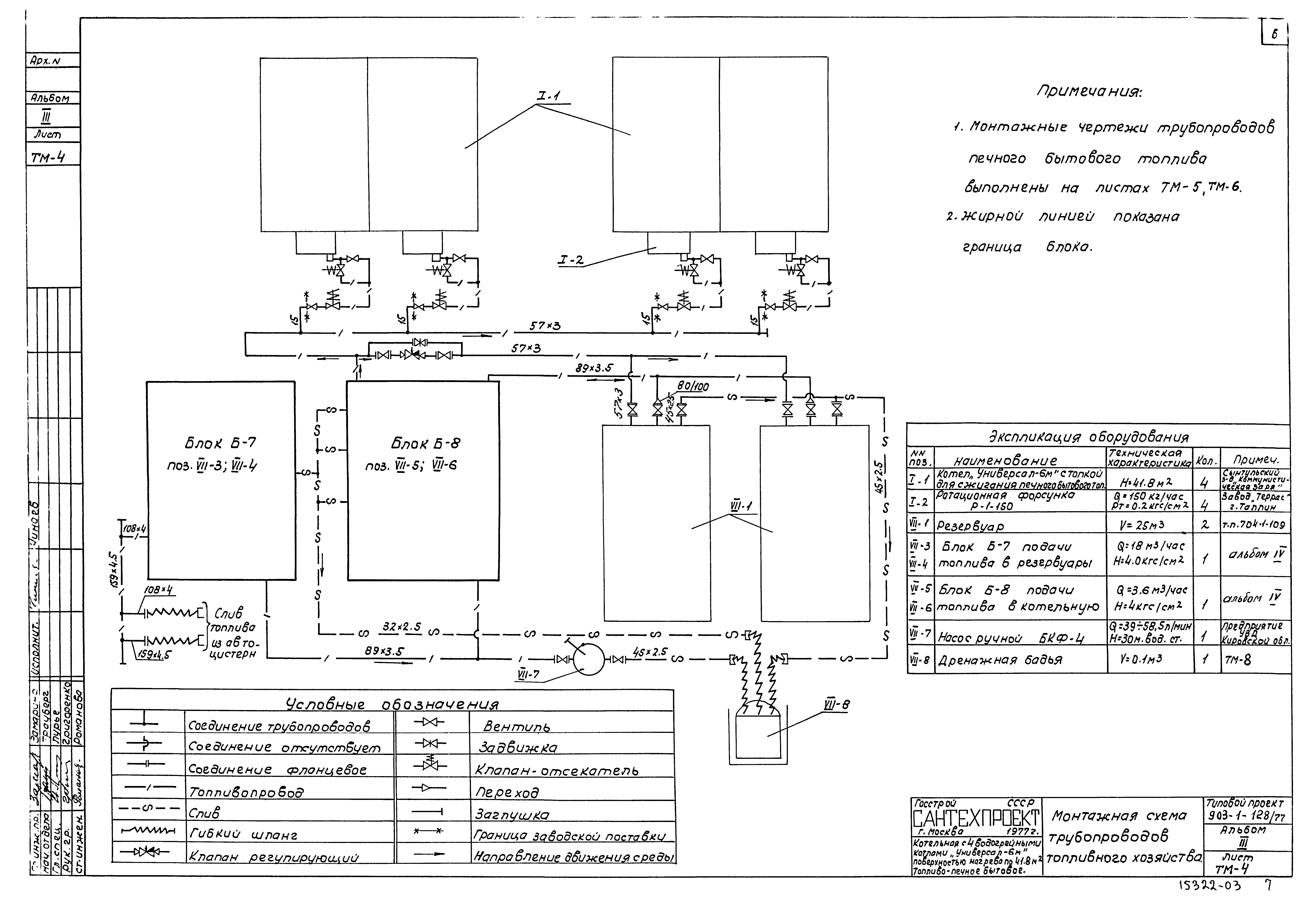
Скачать Типовой проект 903-1-128/77 Альбом III. Обмуровочные чертежи котлов Универсал-6М, топливопроводы котельнойДата актуализации: 10.08.2017 Типовой проект 903-1-128/77
Альбом III. Обмуровочные чертежи котлов "Универсал-6М", топливопроводы котельнойОбозначение: | Типовой проект 903-1-128/77 | Обозначение англ: | 903-1-128/77 | Статус: | отменен | Название рус.: | Альбом III. Обмуровочные чертежи котлов "Универсал-6М", топливопроводы котельной | Дата добавления в базу: | 01.02.2017 | Дата актуализации: | 05.05.2017 | Дата введения: | 01.02.1984 | Разработан: | ГПИ Сантехпроект Госстроя СССР
| Утверждён: | 21.03.1978 ГПИ Сантехпроект Госстроя СССР (35)
| Издан: | ЦИТП Госстроя СССР (CITP, Gosstroy (USSR) 1979 г. )
| Расположен в: |
| Заменяет собой: | |
            
|