Информационная система
«Ёшкин Кот»

Скачать базу одним архивом
Скачать обновления
История создания базы
Карта сайта

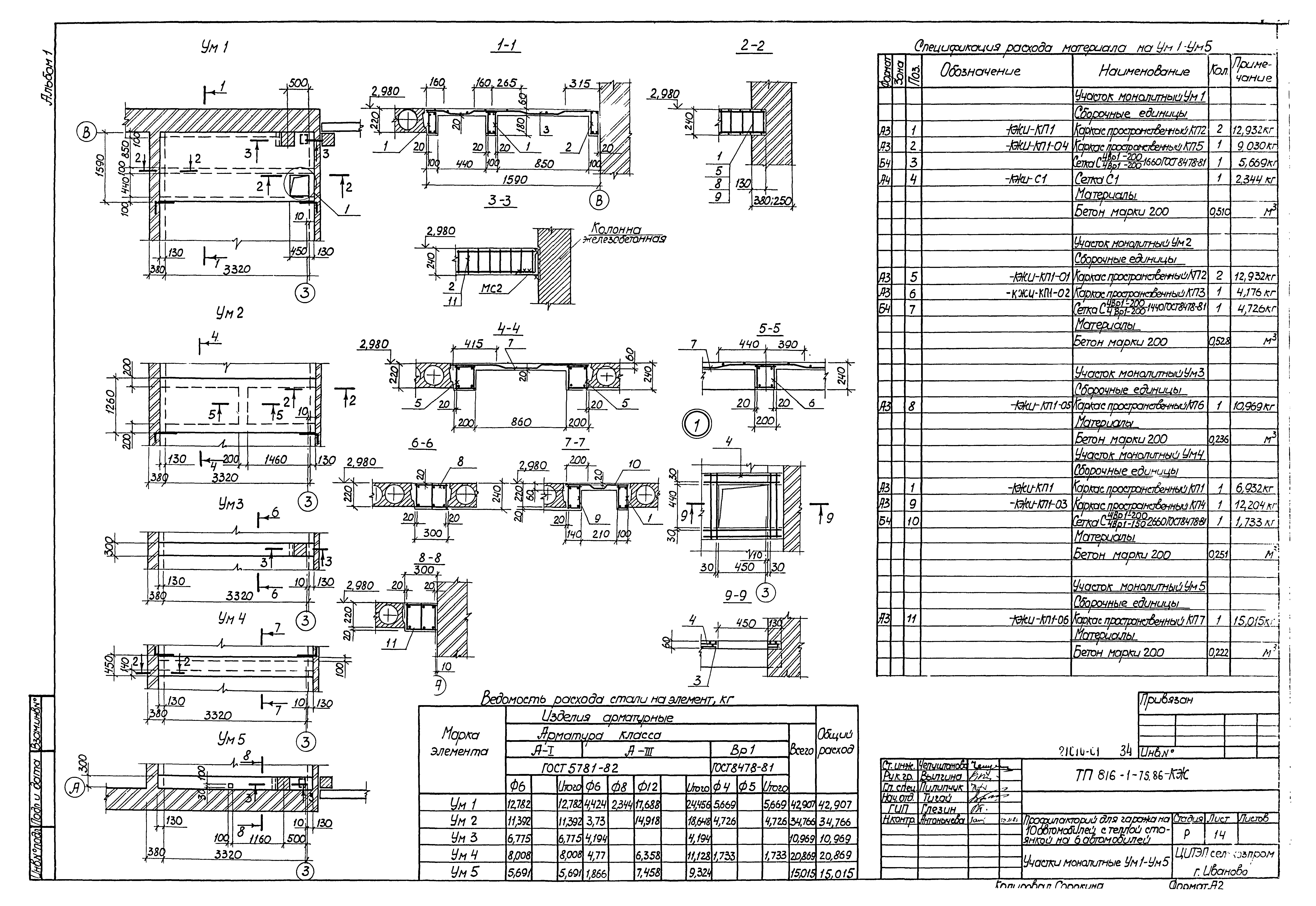
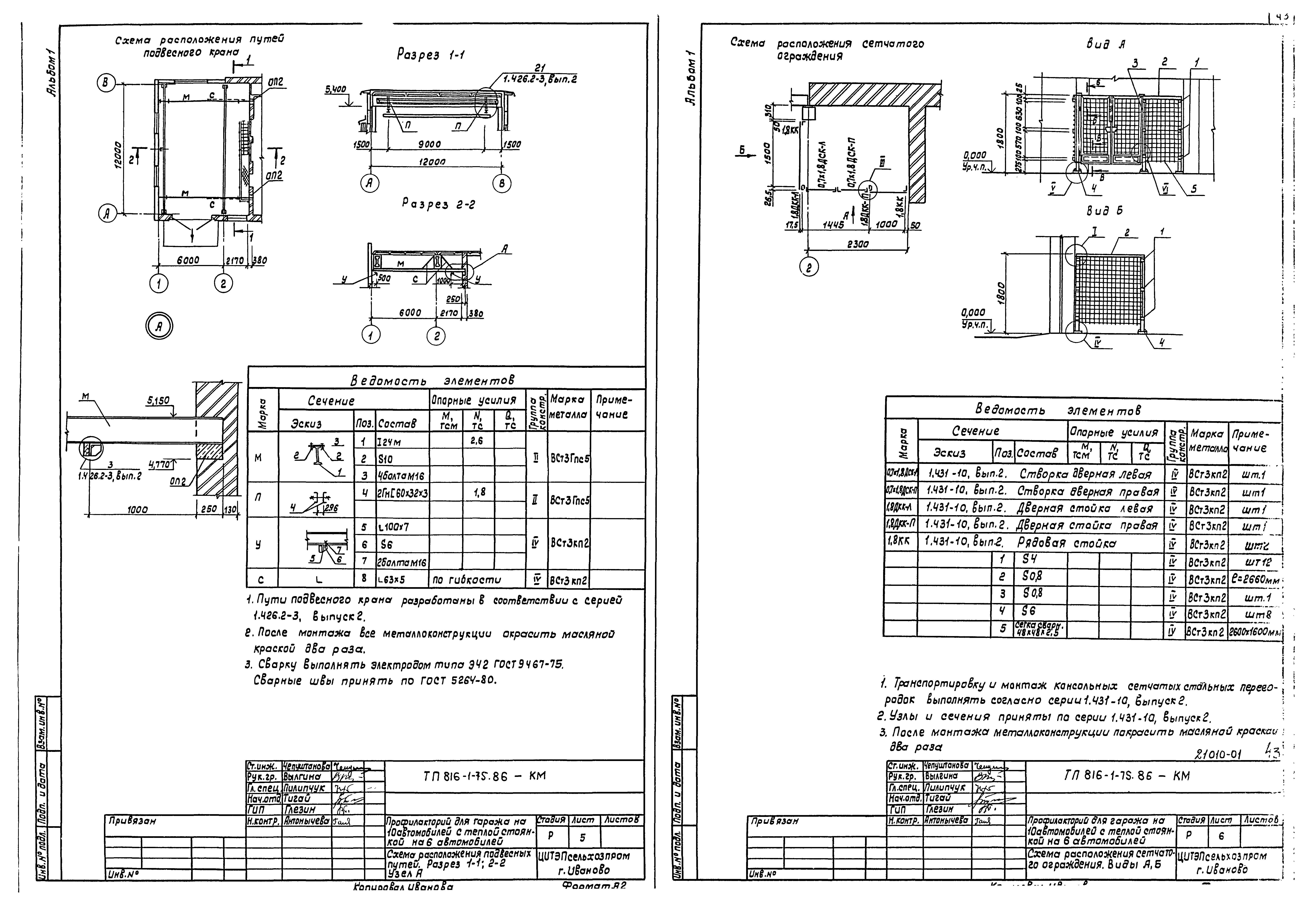
Скачать Типовой проект 816-1-75.86 Альбом 1. Общая пояснительная записка. Технология производства. Архитектурные решения. Конструкции железобетонные. Конструкции металлические. Внутренние водопровод и канализация. Отопление и вентиляция. Силовое электрооборудование. Автоматизация отопления и вентиляции. Связь и сигнализация

Дата актуализации: 10.08.2017

Типовой проект 816-1-75.86

Альбом 1. Общая пояснительная записка. Технология производства. Архитектурные решения. Конструкции железобетонные. Конструкции металлические. Внутренние водопровод и канализация. Отопление и вентиляция. Силовое электрооборудование. Автоматизация отопления и вентиляции. Связь и сигнализация

Обозначение: Типовой проект 816-1-75.86
Обозначение англ: 816-1-75.86
Статус:не определен законодательством
Название рус.:Альбом 1. Общая пояснительная записка. Технология производства. Архитектурные решения. Конструкции железобетонные. Конструкции металлические. Внутренние водопровод и канализация. Отопление и вентиляция. Силовое электрооборудование. Автоматизация отопления и вентиляции. Связь и сигнализация
Дата добавления в базу:01.02.2017
Дата актуализации:05.05.2017
Дата введения:14.01.1986
Разработан: ЦИТЭПсельхозпрома
Утверждён:11.09.1985 Минсельхоз СССР (USSR Minselkhoz 62-ЭГ)
Издан: ЦИТП Госстроя СССР (CITP, Gosstroy (USSR) 1986 г. )
Расположен в:Техническая документация Строительство Справочные документы Типовые строительные конструкции, изделия и узлы Общероссийский строительный каталог Сельскохозяйственные предприятия, здания и сооружения Предприятия, здания и сооружения по ремонту, техническому обслуживанию, хранению и обеспечению горюче-смазочными материалами сельхозтехники Гаражи, профилактории, стоянки
Заменяет собой:
  • Типовой проект 503-288
Типовой проект 816-1-75.86Типовой проект 816-1-75.86Типовой проект 816-1-75.86Типовой проект 816-1-75.86Типовой проект 816-1-75.86Типовой проект 816-1-75.86Типовой проект 816-1-75.86Типовой проект 816-1-75.86Типовой проект 816-1-75.86Типовой проект 816-1-75.86Типовой проект 816-1-75.86Типовой проект 816-1-75.86Типовой проект 816-1-75.86Типовой проект 816-1-75.86Типовой проект 816-1-75.86Типовой проект 816-1-75.86Типовой проект 816-1-75.86Типовой проект 816-1-75.86Типовой проект 816-1-75.86Типовой проект 816-1-75.86Типовой проект 816-1-75.86Типовой проект 816-1-75.86Типовой проект 816-1-75.86Типовой проект 816-1-75.86Типовой проект 816-1-75.86Типовой проект 816-1-75.86Типовой проект 816-1-75.86Типовой проект 816-1-75.86Типовой проект 816-1-75.86Типовой проект 816-1-75.86Типовой проект 816-1-75.86Типовой проект 816-1-75.86Типовой проект 816-1-75.86Типовой проект 816-1-75.86Типовой проект 816-1-75.86Типовой проект 816-1-75.86Типовой проект 816-1-75.86Типовой проект 816-1-75.86Типовой проект 816-1-75.86Типовой проект 816-1-75.86Типовой проект 816-1-75.86Типовой проект 816-1-75.86Типовой проект 816-1-75.86Типовой проект 816-1-75.86Типовой проект 816-1-75.86Типовой проект 816-1-75.86Типовой проект 816-1-75.86Типовой проект 816-1-75.86Типовой проект 816-1-75.86Типовой проект 816-1-75.86Типовой проект 816-1-75.86Типовой проект 816-1-75.86Типовой проект 816-1-75.86Типовой проект 816-1-75.86Типовой проект 816-1-75.86Типовой проект 816-1-75.86Типовой проект 816-1-75.86Типовой проект 816-1-75.86Типовой проект 816-1-75.86Типовой проект 816-1-75.86Типовой проект 816-1-75.86Типовой проект 816-1-75.86Типовой проект 816-1-75.86Типовой проект 816-1-75.86Типовой проект 816-1-75.86Типовой проект 816-1-75.86Типовой проект 816-1-75.86Типовой проект 816-1-75.86Типовой проект 816-1-75.86Типовой проект 816-1-75.86Типовой проект 816-1-75.86Типовой проект 816-1-75.86Типовой проект 816-1-75.86Типовой проект 816-1-75.86Типовой проект 816-1-75.86Типовой проект 816-1-75.86Типовой проект 816-1-75.86Типовой проект 816-1-75.86Типовой проект 816-1-75.86

© 2013 Ёшкин Кот :-) Карта сайта