| ||||||||||||||||||||||||||||||||||||
Скачать ГОСТ Р ИСО 14356-2016 Стоматология. Материалы дубликационныеДата актуализации: 10.08.2017
|
| Обозначение: | ГОСТ Р ИСО 14356-2016 |
| Обозначение англ: | GOST R ISO 14356-2016 |
| Статус: | принят |
| Название рус.: | Стоматология. Материалы дубликационные |
| Название англ.: | Dentistry. Duplicating material |
| Дата добавления в базу: | 01.02.2017 |
| Дата актуализации: | 05.05.2017 |
| Дата введения: | 23.05.2016 |
| Дата окончания срока действия: | 01.06.2017 |
| Область применения: | Стандарт устанавливает требования и методы испытаний для дубликационных материалов, используемых в стоматологии, которые в первую очередь предназначены для изготовления эластичных форм, необходимых для получения позитивных огнеупорных копий мастер-моделей. |
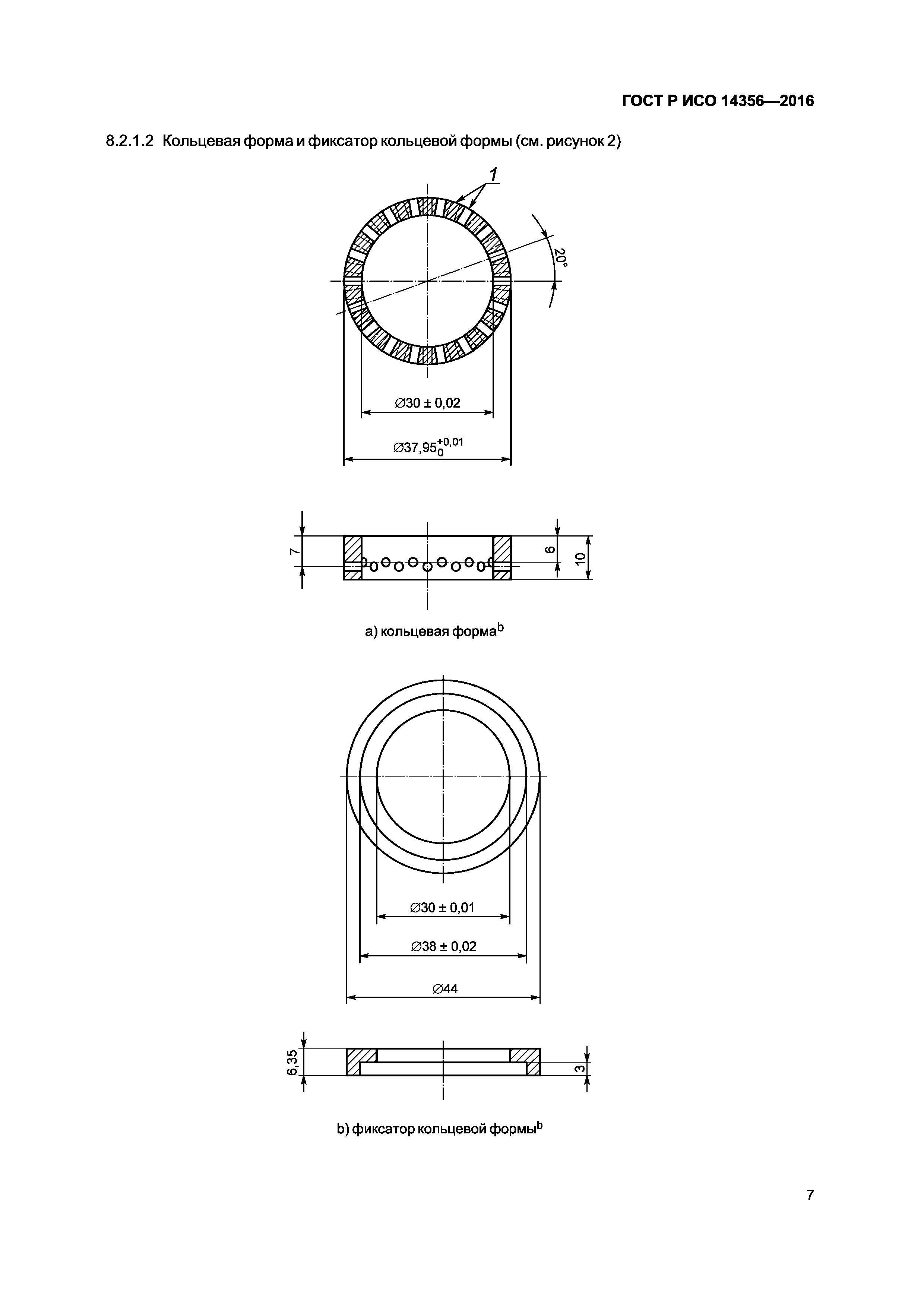
| Оглавление: | 1 Область применения 2 Нормативные ссылки 3 Термины и определения 4 Классификация по типам 5 Характеристики и свойства материала. Требования 5.1 Общие положения 5.2 Температура плавления. Материал тип 1 5.3 Температура заливки. Материал тип 1 5.4 Цвета компонентов. Материал тип 2 5.5 Воспроизведение деталей 5.6 Совместимость с огнеупорным формовочным материалом (и с гипсом, если применяется) 5.7 Упругое восстановление 5.8 Сопротивление раздиру 5.9 Устойчивость к грибковому росту (только для материалов тип 1) 6 Отбор проб 7 Методы испытаний. Общие положения 7.1 Лабораторные условия 7.2 Проверка рабочего состояния аппаратуры 7.3 Изготовление образцов и проведение испытаний 7.4 Оценка результатов 7.5 Запись результатов испытаний 8 Приготовление образцов и методики испытаний 8.1 Определение температуры плавления (только для материалов тип 1) 8.2 Определение воспроизведения деталей 8.3 Испытание на совместимость с огнеупорным формовочным материалом (и с гипсом, если применяется) 8.4 Определение упругого восстановления 8.5 Определение сопротивления раздиру 8.6 Определение устойчивости к грибковому росту (только для материала на основе агара, тип 1) 9 Требования к упаковке 10 Требования к этикетке 11 Требования к инструкции по применению, необходимая информация Приложение А (справочное) Дополнительный метод испытания на раздир Приложение ДА (справочное) Сведения о соответствии ссылочных международных стандартов национальным стандартам Российской Федерации |
| Разработан: | ФГБУ ЦНИИСиЧЛХ Минздрава России |
| Утверждён: | 23.05.2016 Федеральное агентство по техническому регулированию и метрологии (368-ст) |
| Издан: | Стандартинформ (2016 г. ) |
| Расположен в: | |
| Нормативные ссылки: |


























