Информационная система
«Ёшкин Кот»

Скачать базу одним архивом
Скачать обновления
История создания базы
Карта сайта

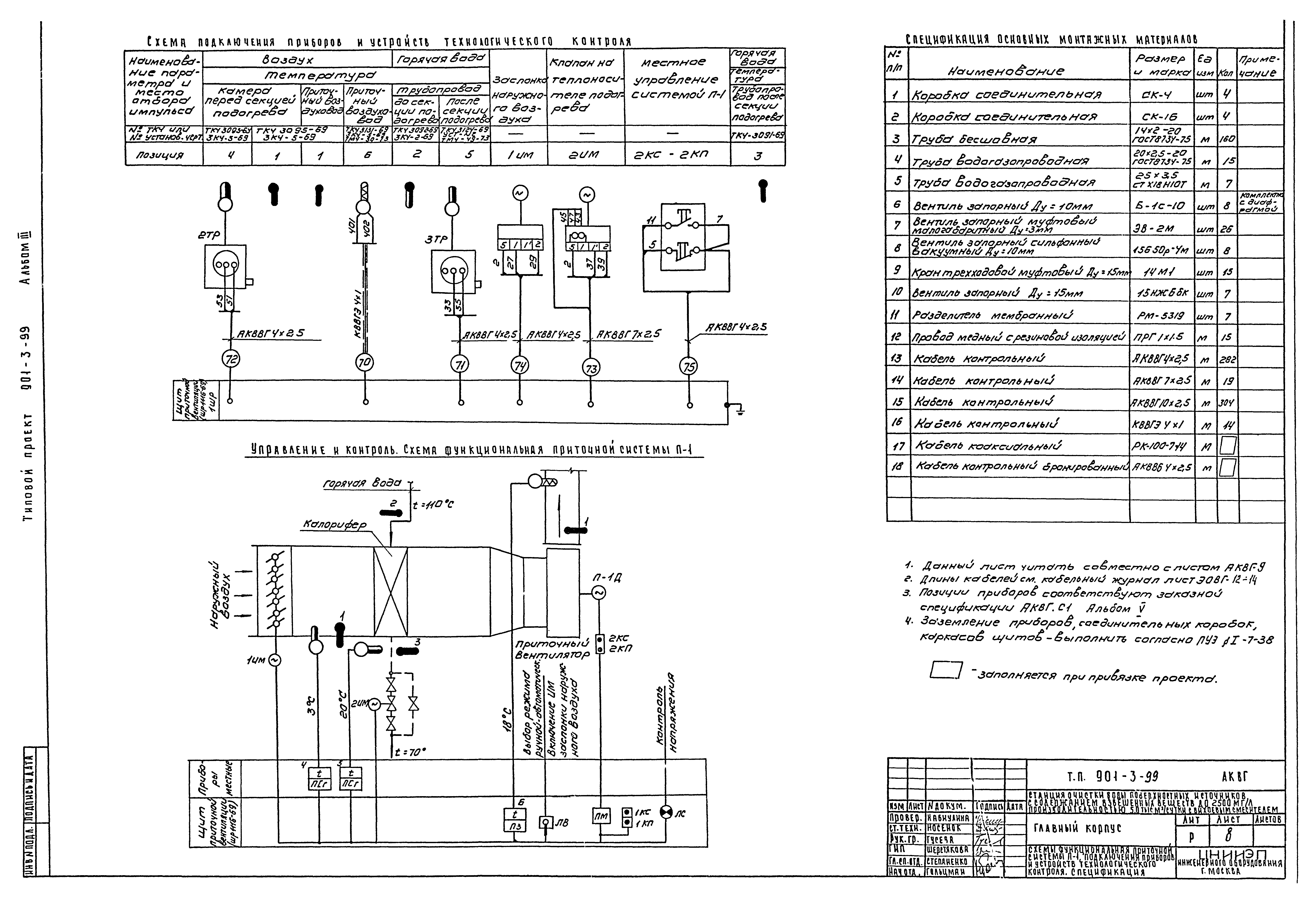
Скачать Типовой проект 901-3-99 Альбом III. Электротехническая часть. Связь и сигнализация

Дата актуализации: 10.08.2017

Типовой проект 901-3-99

Альбом III. Электротехническая часть. Связь и сигнализация

Обозначение: Типовой проект 901-3-99
Обозначение англ: 901-3-99
Статус:заменен
Название рус.:Альбом III. Электротехническая часть. Связь и сигнализация
Дата добавления в базу:01.02.2017
Дата актуализации:05.05.2017
Дата введения:01.09.1989
Разработан: ЦНИИЭП иженерного оборудования
Утверждён:27.05.1976 Госгражданстрой (Gosgrazhdanstroy 118)
Издан: ЦИТП Госстроя СССР (CITP, Gosstroy (USSR) 1978 г. )
Расположен в:Техническая документация Строительство Справочные документы Типовые строительные конструкции, изделия и узлы Общероссийский строительный каталог Промышленные предприятия, здания и сооружения Здания и сооружения санитарно-технические Водоснабжение Очистные сооружения Станции очистки воды
Заменяет собой:
  • Типовой проект 901-3-23 «Водопроводная очистная станция для вод с содержанием взвешенных веществ до 2000 мг/л производительностью 5 тыс. м3/сут»
Чем заменён:
  • Типовой проект 901-3-265.89 «Главный корпус для станции очистки воды поверхностных источников мутностью до 1500 мг/л производительностью 5000 м3/сут»
Типовой проект 901-3-99Типовой проект 901-3-99Типовой проект 901-3-99Типовой проект 901-3-99Типовой проект 901-3-99Типовой проект 901-3-99Типовой проект 901-3-99Типовой проект 901-3-99Типовой проект 901-3-99Типовой проект 901-3-99Типовой проект 901-3-99Типовой проект 901-3-99Типовой проект 901-3-99Типовой проект 901-3-99Типовой проект 901-3-99Типовой проект 901-3-99Типовой проект 901-3-99Типовой проект 901-3-99Типовой проект 901-3-99Типовой проект 901-3-99Типовой проект 901-3-99Типовой проект 901-3-99Типовой проект 901-3-99Типовой проект 901-3-99Типовой проект 901-3-99Типовой проект 901-3-99Типовой проект 901-3-99Типовой проект 901-3-99Типовой проект 901-3-99Типовой проект 901-3-99Типовой проект 901-3-99Типовой проект 901-3-99Типовой проект 901-3-99Типовой проект 901-3-99Типовой проект 901-3-99Типовой проект 901-3-99Типовой проект 901-3-99Типовой проект 901-3-99Типовой проект 901-3-99Типовой проект 901-3-99Типовой проект 901-3-99Типовой проект 901-3-99Типовой проект 901-3-99Типовой проект 901-3-99

© 2013 Ёшкин Кот :-) Карта сайта