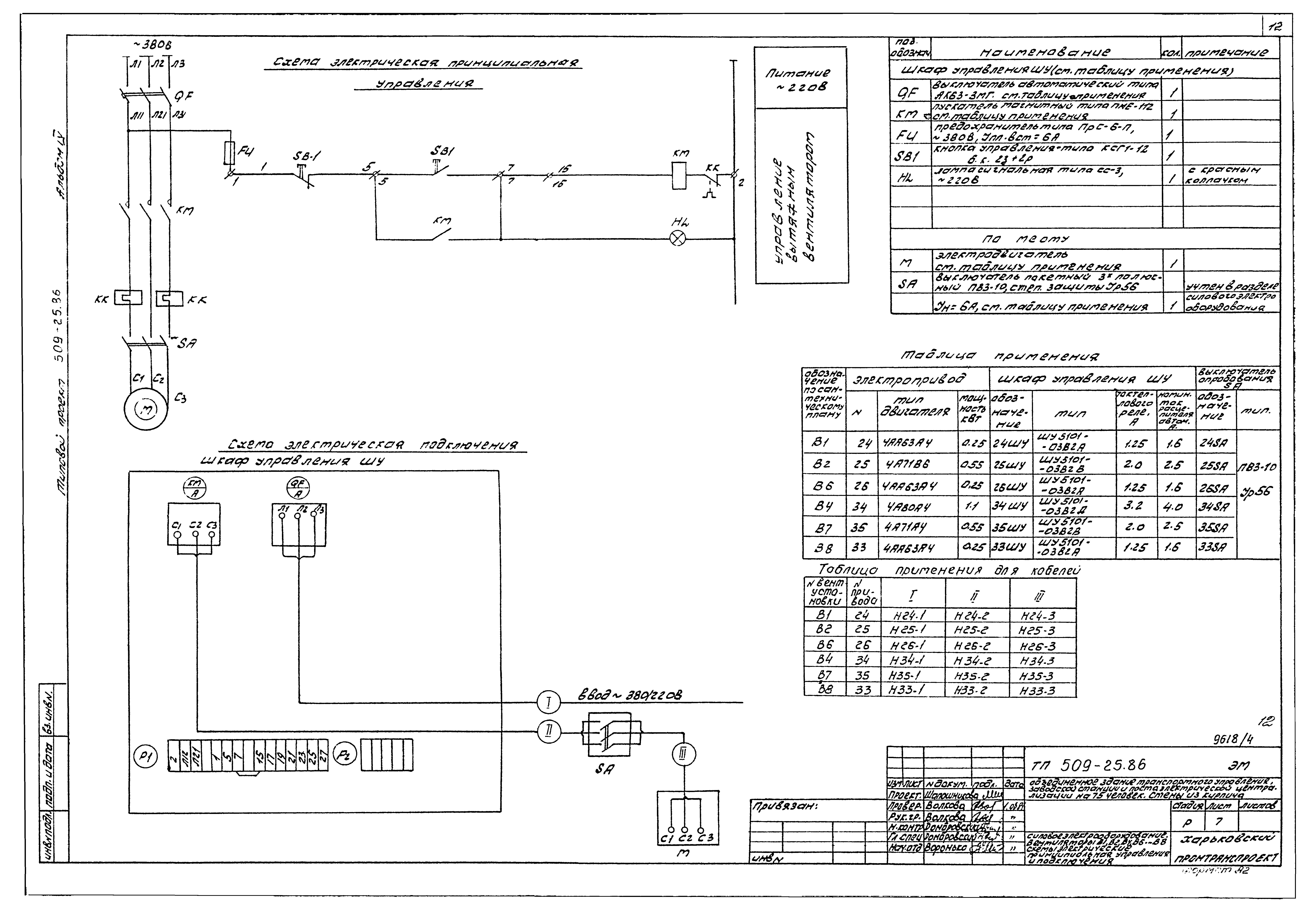
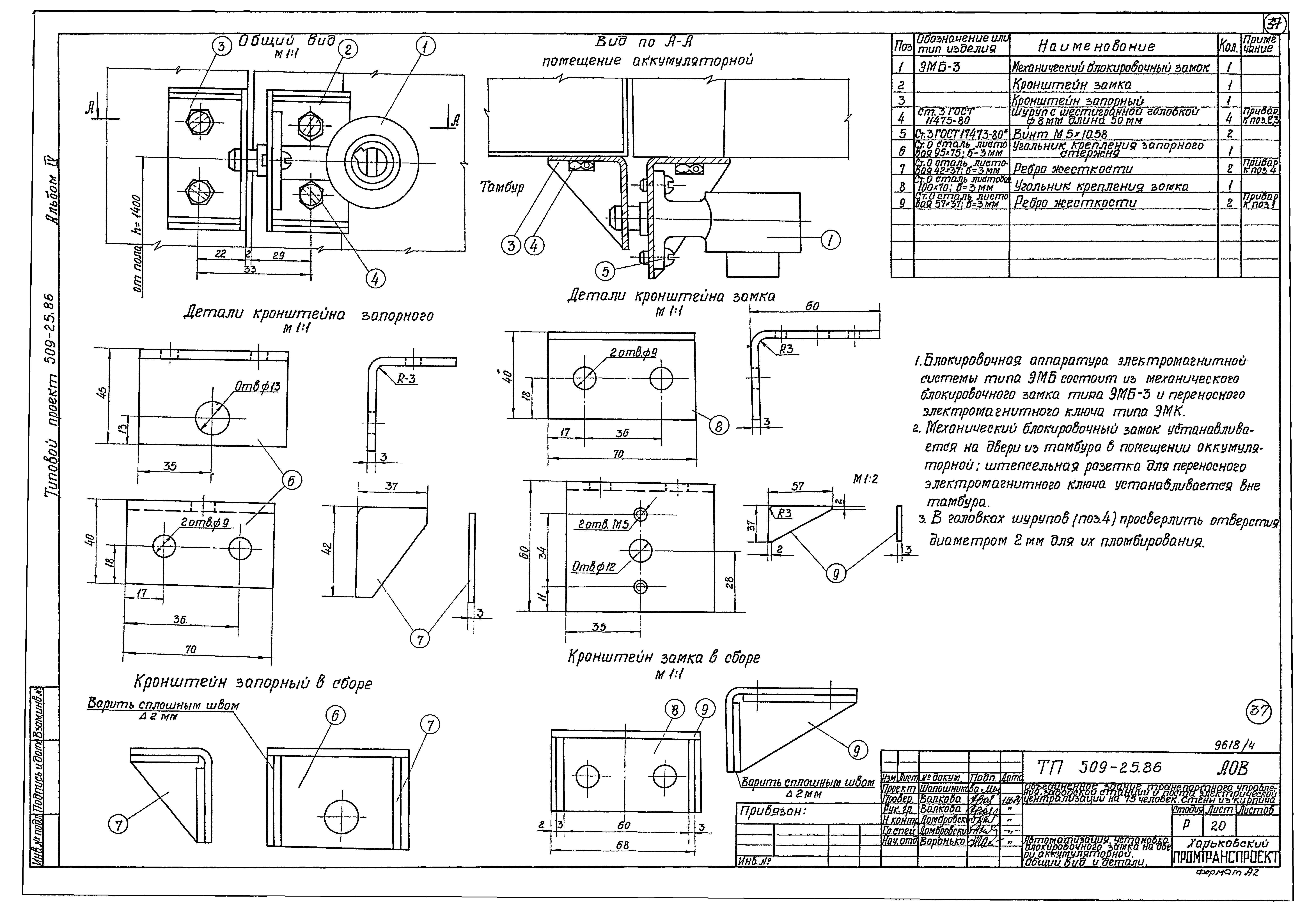
Скачать Типовой проект 509-25.86 Альбом IV. Электрическое освещение, силовое электрооборудование и автоматизация отопления и вентиляцииДата актуализации: 10.08.2017 Типовой проект 509-25.86
Альбом IV. Электрическое освещение, силовое электрооборудование и автоматизация отопления и вентиляцииОбозначение: | Типовой проект 509-25.86 | Обозначение англ: | 509-25.86 | Статус: | действует | Название рус.: | Альбом IV. Электрическое освещение, силовое электрооборудование и автоматизация отопления и вентиляции | Дата добавления в базу: | 12.02.2016 | Дата актуализации: | 05.05.2017 | Разработан: | Харьковский Промтранспроект
| Утверждён: | 15.01.1986 Госстрой СССР (АЧ-2)
| Издан: | ЦИТП Госстроя СССР (CITP, Gosstroy (USSR) 1988 г. )
| Расположен в: |
| Заменяет собой: | |
                                    
|