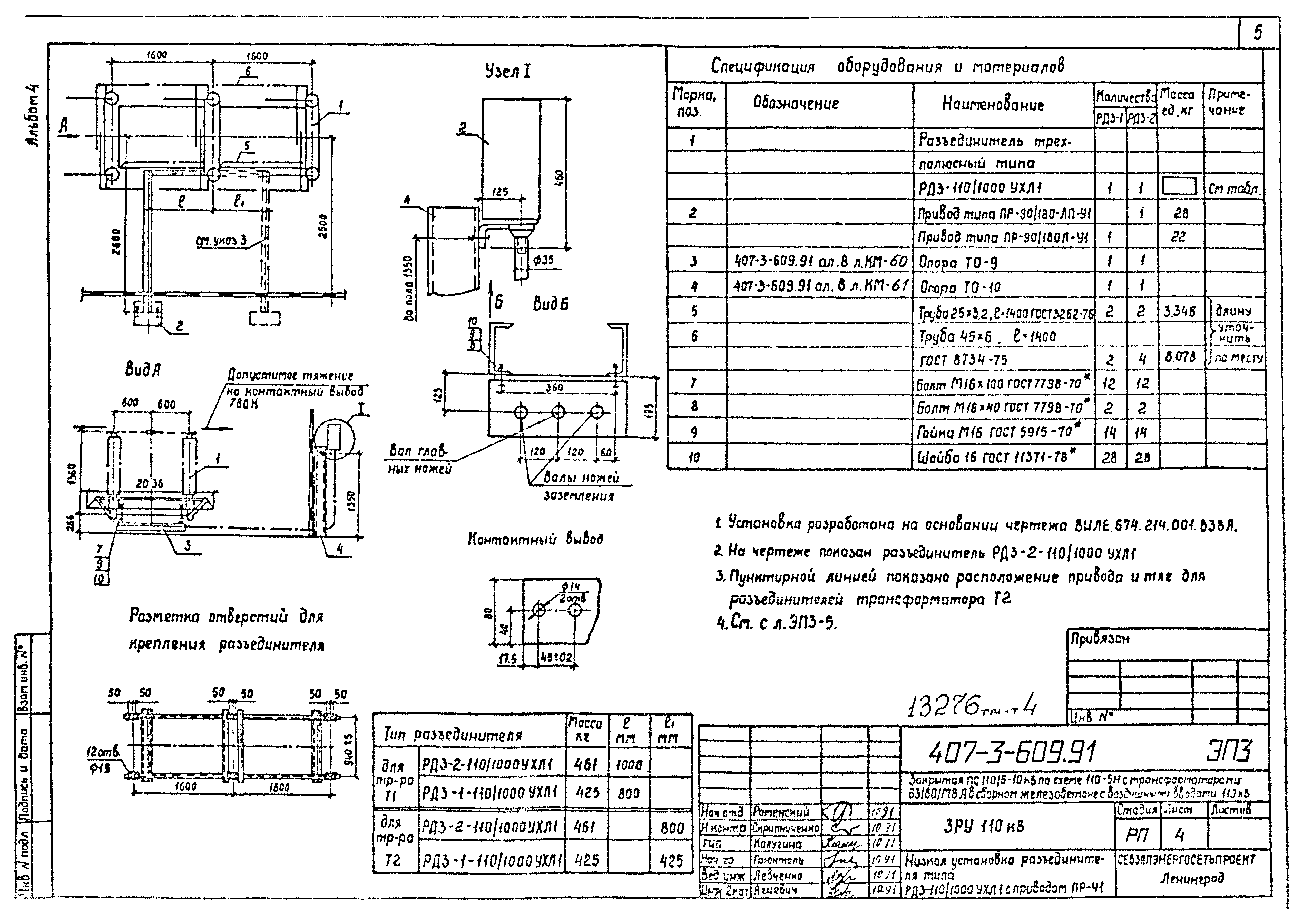
Скачать Типовой проект 407-3-609.91 Альбом 4. Электрические решения. Установка оборудования и деталиДата актуализации: 10.08.2017 Типовой проект 407-3-609.91
Альбом 4. Электрические решения. Установка оборудования и деталиОбозначение: | Типовой проект 407-3-609.91 | Обозначение англ: | 407-3-609.91 | Статус: | действует | Название рус.: | Альбом 4. Электрические решения. Установка оборудования и детали | Дата добавления в базу: | 12.02.2016 | Дата актуализации: | 05.05.2017 | Разработан: | Севзапэнергосетьпроект
| Утверждён: | 23.09.1991 Минэнерго СССР (USSR Minenergo 43)
| Расположен в: |
|
                           
|