Информационная система
«Ёшкин Кот»

Скачать базу одним архивом
Скачать обновления
История создания базы
Карта сайта

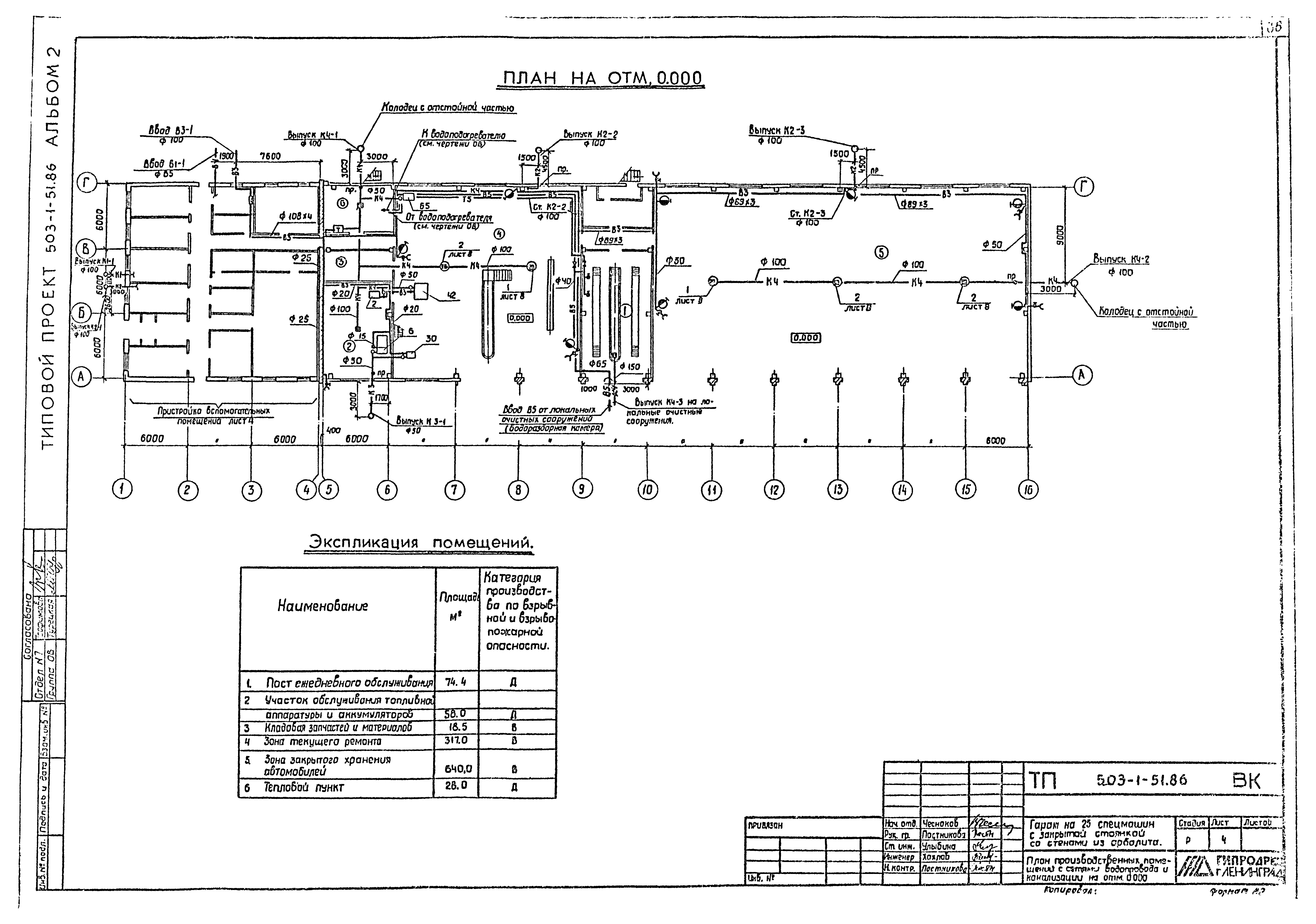
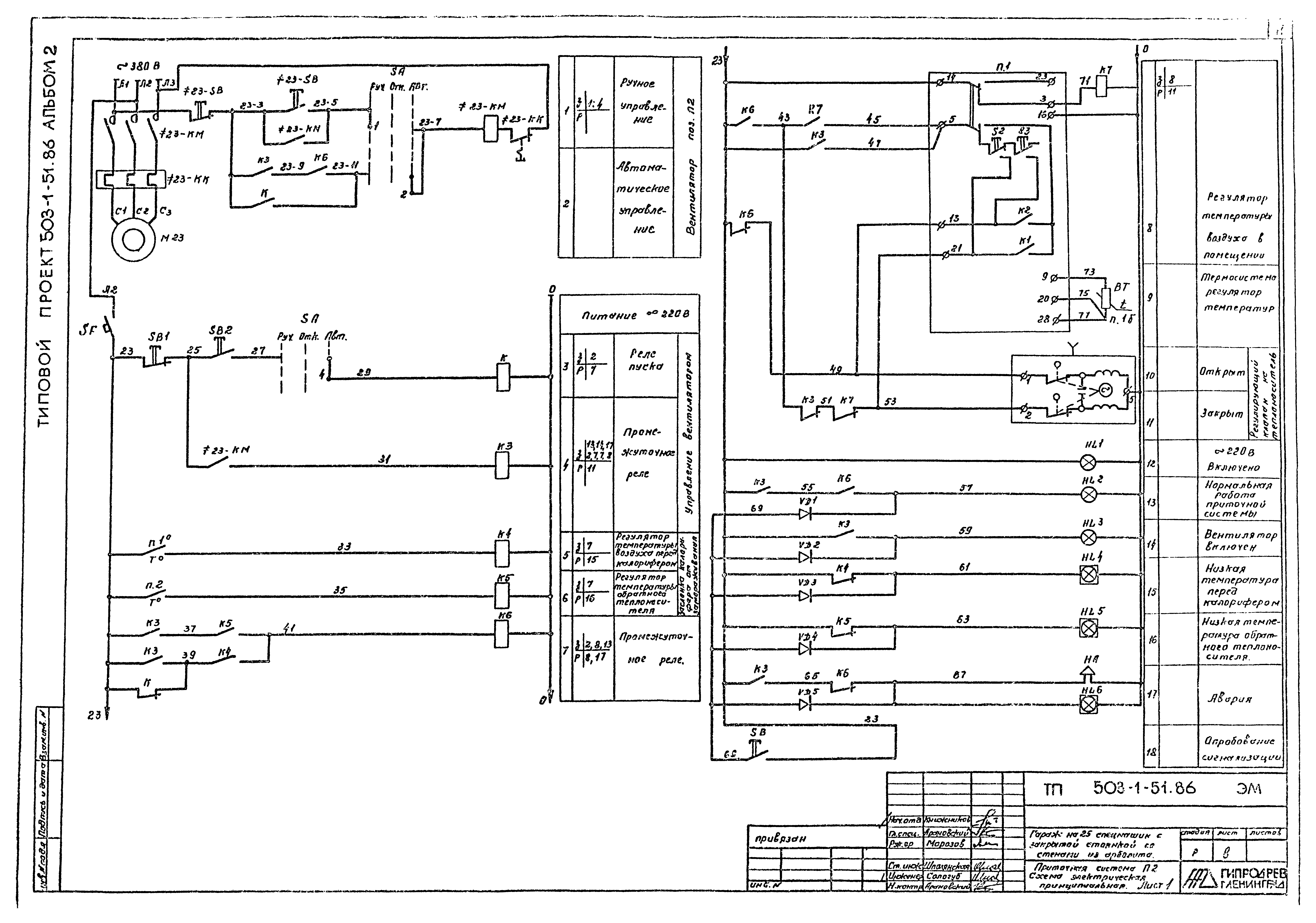
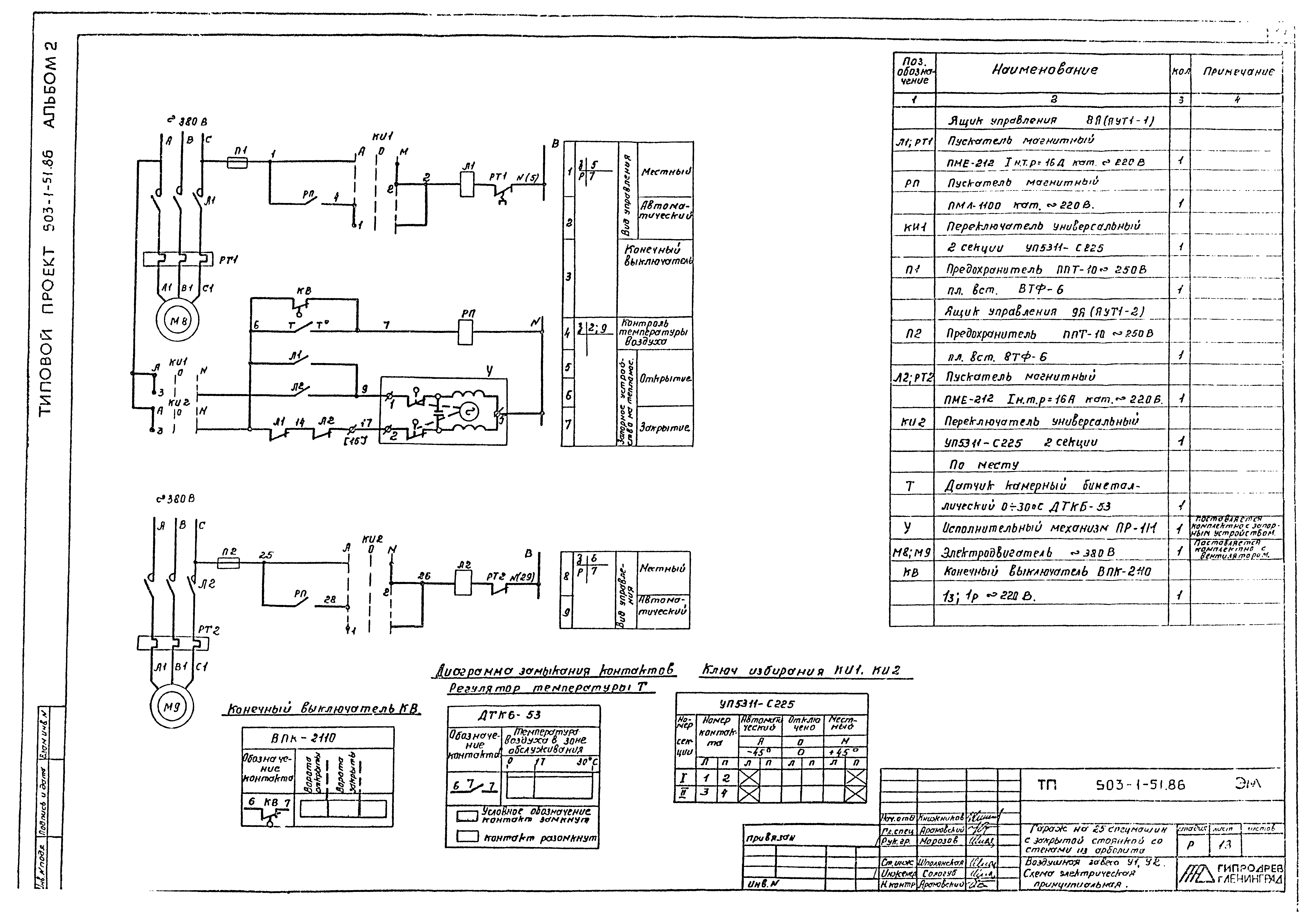
Скачать Типовой проект 503-1-51.86 Альбом 2. Силовое электрооборудование. Электрическое освещение. Связь и сигнализация. Отопление и вентиляция. Внутренние водопровод и канализация. Пожарная сигнализация

Дата актуализации: 10.08.2017

Типовой проект 503-1-51.86

Альбом 2. Силовое электрооборудование. Электрическое освещение. Связь и сигнализация. Отопление и вентиляция. Внутренние водопровод и канализация. Пожарная сигнализация

Обозначение: Типовой проект 503-1-51.86
Обозначение англ: 503-1-51.86
Статус:не определен законодательством
Название рус.:Альбом 2. Силовое электрооборудование. Электрическое освещение. Связь и сигнализация. Отопление и вентиляция. Внутренние водопровод и канализация. Пожарная сигнализация
Дата добавления в базу:12.02.2016
Дата актуализации:05.05.2017
Дата введения:15.10.1986
Разработан: Гипродрев Минлесбумпрома СССР
Утверждён:14.04.1986 Минлесбумпром СССР (USSR Minlesbumprom 47)
Издан: ЦИТП Госстроя СССР (CITP, Gosstroy (USSR) 1988 г. )
Расположен в:Техническая документация Строительство Справочные документы Типовые строительные конструкции, изделия и узлы Общероссийский строительный каталог Промышленные предприятия, здания и сооружения Предприятия, здания и сооружения транспорта Транспорт автомобильный Предприятия автотранспортные, гаражи и стоянки для легковых автомобилей, автобусов и мотоциклов
Типовой проект 503-1-51.86Типовой проект 503-1-51.86Типовой проект 503-1-51.86Типовой проект 503-1-51.86Типовой проект 503-1-51.86Типовой проект 503-1-51.86Типовой проект 503-1-51.86Типовой проект 503-1-51.86Типовой проект 503-1-51.86Типовой проект 503-1-51.86Типовой проект 503-1-51.86Типовой проект 503-1-51.86Типовой проект 503-1-51.86Типовой проект 503-1-51.86Типовой проект 503-1-51.86Типовой проект 503-1-51.86Типовой проект 503-1-51.86Типовой проект 503-1-51.86Типовой проект 503-1-51.86Типовой проект 503-1-51.86Типовой проект 503-1-51.86Типовой проект 503-1-51.86Типовой проект 503-1-51.86Типовой проект 503-1-51.86Типовой проект 503-1-51.86Типовой проект 503-1-51.86Типовой проект 503-1-51.86Типовой проект 503-1-51.86Типовой проект 503-1-51.86Типовой проект 503-1-51.86Типовой проект 503-1-51.86Типовой проект 503-1-51.86Типовой проект 503-1-51.86Типовой проект 503-1-51.86Типовой проект 503-1-51.86Типовой проект 503-1-51.86Типовой проект 503-1-51.86Типовой проект 503-1-51.86Типовой проект 503-1-51.86Типовой проект 503-1-51.86Типовой проект 503-1-51.86Типовой проект 503-1-51.86Типовой проект 503-1-51.86Типовой проект 503-1-51.86Типовой проект 503-1-51.86Типовой проект 503-1-51.86Типовой проект 503-1-51.86Типовой проект 503-1-51.86Типовой проект 503-1-51.86Типовой проект 503-1-51.86Типовой проект 503-1-51.86Типовой проект 503-1-51.86Типовой проект 503-1-51.86Типовой проект 503-1-51.86Типовой проект 503-1-51.86Типовой проект 503-1-51.86Типовой проект 503-1-51.86Типовой проект 503-1-51.86Типовой проект 503-1-51.86Типовой проект 503-1-51.86Типовой проект 503-1-51.86Типовой проект 503-1-51.86Типовой проект 503-1-51.86Типовой проект 503-1-51.86Типовой проект 503-1-51.86Типовой проект 503-1-51.86Типовой проект 503-1-51.86Типовой проект 503-1-51.86Типовой проект 503-1-51.86Типовой проект 503-1-51.86Типовой проект 503-1-51.86Типовой проект 503-1-51.86Типовой проект 503-1-51.86Типовой проект 503-1-51.86Типовой проект 503-1-51.86Типовой проект 503-1-51.86Типовой проект 503-1-51.86Типовой проект 503-1-51.86Типовой проект 503-1-51.86Типовой проект 503-1-51.86Типовой проект 503-1-51.86Типовой проект 503-1-51.86Типовой проект 503-1-51.86Типовой проект 503-1-51.86Типовой проект 503-1-51.86Типовой проект 503-1-51.86Типовой проект 503-1-51.86Типовой проект 503-1-51.86Типовой проект 503-1-51.86Типовой проект 503-1-51.86Типовой проект 503-1-51.86Типовой проект 503-1-51.86Типовой проект 503-1-51.86Типовой проект 503-1-51.86Типовой проект 503-1-51.86Типовой проект 503-1-51.86Типовой проект 503-1-51.86Типовой проект 503-1-51.86Типовой проект 503-1-51.86Типовой проект 503-1-51.86Типовой проект 503-1-51.86Типовой проект 503-1-51.86Типовой проект 503-1-51.86

© 2013 Ёшкин Кот :-) Карта сайта