Информационная система
«Ёшкин Кот»

Скачать базу одним архивом
Скачать обновления
История создания базы
Карта сайта

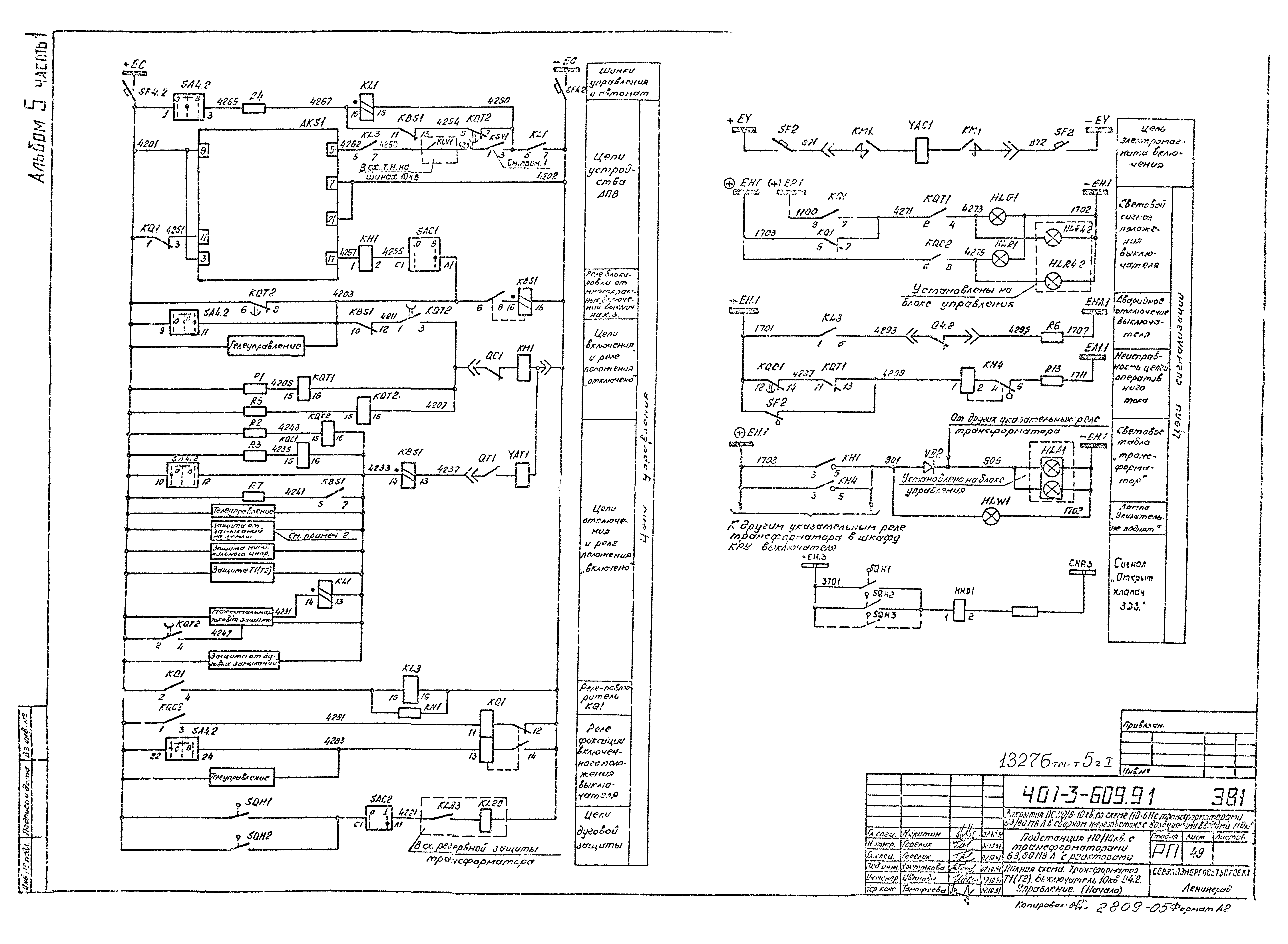
Скачать Типовой проект 407-3-608.91 Альбом 5. Часть 1. Управление и автоматизация. Вариант с реакторами 6(10) кВ (из ТП 407-3-609.91)

Дата актуализации: 10.08.2017

Типовой проект 407-3-608.91

Альбом 5. Часть 1. Управление и автоматизация. Вариант с реакторами 6(10) кВ (из ТП 407-3-609.91)

Обозначение: Типовой проект 407-3-608.91
Обозначение англ: 407-3-608.91
Статус:действует
Название рус.:Альбом 5. Часть 1. Управление и автоматизация. Вариант с реакторами 6(10) кВ (из ТП 407-3-609.91)
Дата добавления в базу:12.02.2016
Дата актуализации:05.05.2017
Разработан: Севзапэнергосетьпроект
Утверждён:23.09.1991 Минэнерго СССР (USSR Minenergo 43)
Издан: Севзапэнергосетьпроект (1991 г. )
Расположен в:Техническая документация Строительство Справочные документы Типовые строительные конструкции, изделия и узлы Общероссийский строительный каталог Промышленные предприятия, здания и сооружения Предприятия, здания и сооружения промышленности и электроэнергетики Электроэнергетика Устройства и подстанции распределительные
Типовой проект 407-3-608.91Типовой проект 407-3-608.91Типовой проект 407-3-608.91Типовой проект 407-3-608.91Типовой проект 407-3-608.91Типовой проект 407-3-608.91Типовой проект 407-3-608.91Типовой проект 407-3-608.91Типовой проект 407-3-608.91Типовой проект 407-3-608.91Типовой проект 407-3-608.91Типовой проект 407-3-608.91Типовой проект 407-3-608.91Типовой проект 407-3-608.91Типовой проект 407-3-608.91Типовой проект 407-3-608.91Типовой проект 407-3-608.91Типовой проект 407-3-608.91Типовой проект 407-3-608.91Типовой проект 407-3-608.91Типовой проект 407-3-608.91Типовой проект 407-3-608.91Типовой проект 407-3-608.91Типовой проект 407-3-608.91Типовой проект 407-3-608.91Типовой проект 407-3-608.91Типовой проект 407-3-608.91Типовой проект 407-3-608.91Типовой проект 407-3-608.91Типовой проект 407-3-608.91Типовой проект 407-3-608.91Типовой проект 407-3-608.91Типовой проект 407-3-608.91Типовой проект 407-3-608.91Типовой проект 407-3-608.91Типовой проект 407-3-608.91Типовой проект 407-3-608.91Типовой проект 407-3-608.91Типовой проект 407-3-608.91Типовой проект 407-3-608.91Типовой проект 407-3-608.91Типовой проект 407-3-608.91Типовой проект 407-3-608.91Типовой проект 407-3-608.91Типовой проект 407-3-608.91Типовой проект 407-3-608.91Типовой проект 407-3-608.91Типовой проект 407-3-608.91Типовой проект 407-3-608.91Типовой проект 407-3-608.91Типовой проект 407-3-608.91Типовой проект 407-3-608.91Типовой проект 407-3-608.91Типовой проект 407-3-608.91Типовой проект 407-3-608.91

© 2013 Ёшкин Кот :-) Карта сайта