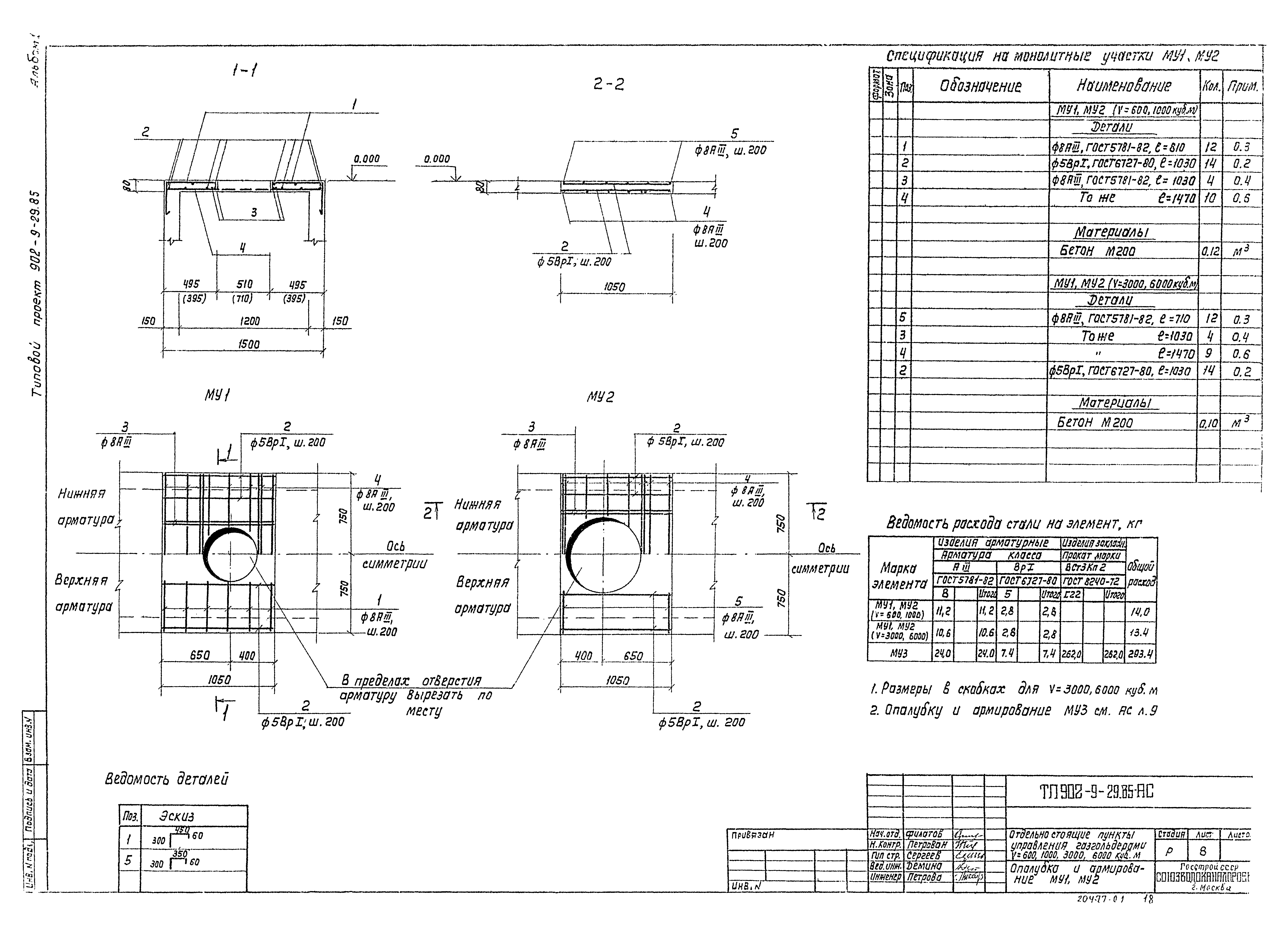
Скачать Типовой проект 902-9-29.85 Альбом 1. Газоснабжение, архитектурно-строительные решения, отопление и вентиляцияДата актуализации: 10.08.2017 Типовой проект 902-9-29.85
Альбом 1. Газоснабжение, архитектурно-строительные решения, отопление и вентиляцияОбозначение: | Типовой проект 902-9-29.85 | Обозначение англ: | 902-9-29.85 | Статус: | не определен законодательством | Название рус.: | Альбом 1. Газоснабжение, архитектурно-строительные решения, отопление и вентиляция | Дата добавления в базу: | 12.02.2016 | Дата актуализации: | 05.05.2017 | Дата введения: | 07.05.1985 | Разработан: | Союзводоканалпроект МосгазНИИпроект
| Утверждён: | 12.10.1984 Госстрой СССР (ИИ-29)
| Расположен в: |
|
                           
|