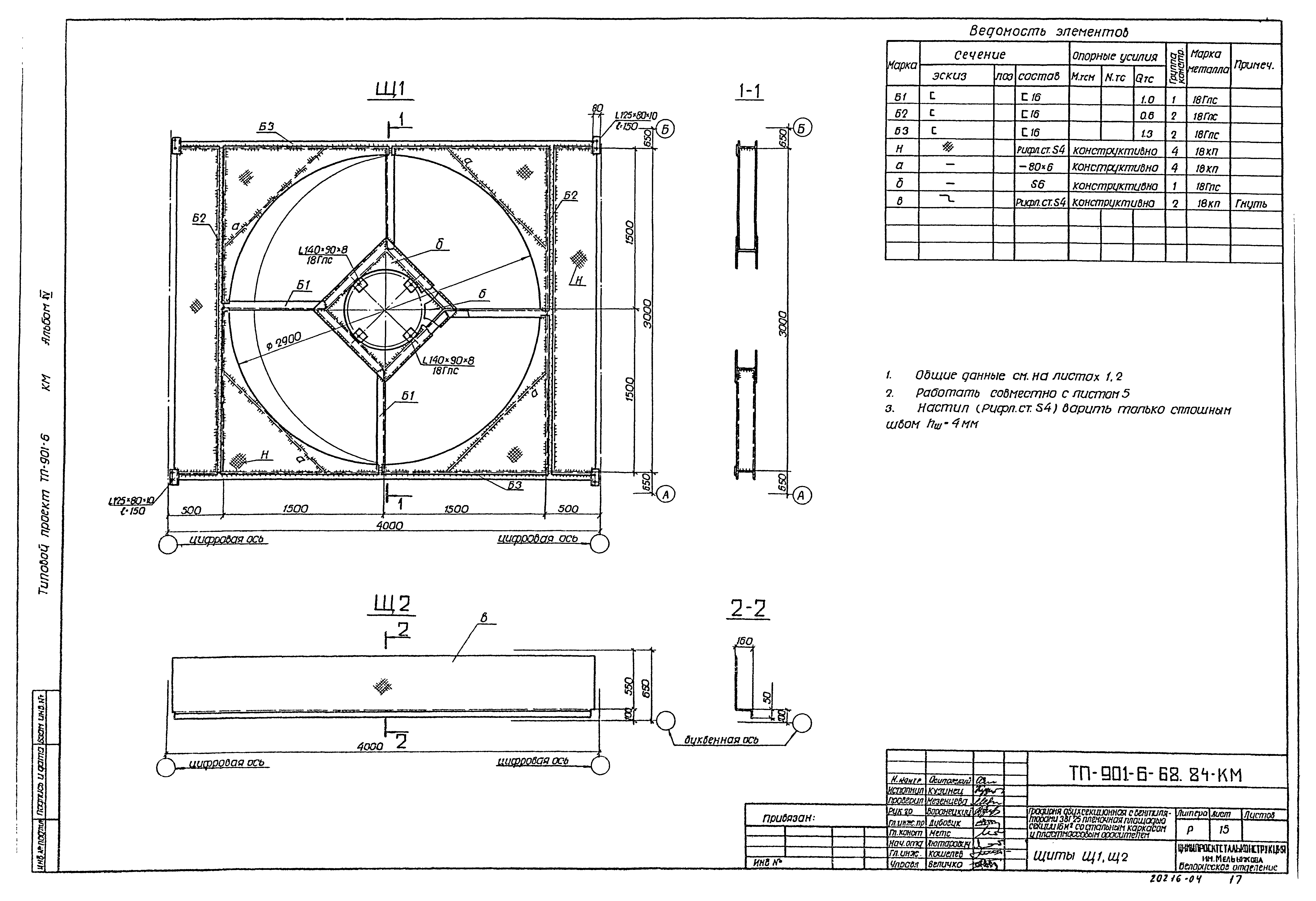
Скачать Типовой проект 901-6-68.84 Альбом IV. Конструкции металлическиеДата актуализации: 10.08.2017 Типовой проект 901-6-68.84
Альбом IV. Конструкции металлическиеОбозначение: | Типовой проект 901-6-68.84 | Обозначение англ: | 901-6-68.84 | Статус: | отменен | Название рус.: | Альбом IV. Конструкции металлические | Дата добавления в базу: | 21.05.2015 | Дата актуализации: | 05.05.2017 | Дата введения: | 01.07.1996 | Разработан: | Союзводоканалпроект
| Утверждён: | 31.01.1984 Госстрой СССР (ВА-2)
| Расположен в: |
|
                 
|