Информационная система
«Ёшкин Кот»

Скачать базу одним архивом
Скачать обновления
История создания базы
Карта сайта

Скачать Типовой проект 221-1-443.85 Альбом II. Холодоснабжение. Отопление и вентиляция. Водопровод и канализация

Дата актуализации: 10.08.2017

Типовой проект 221-1-443.85

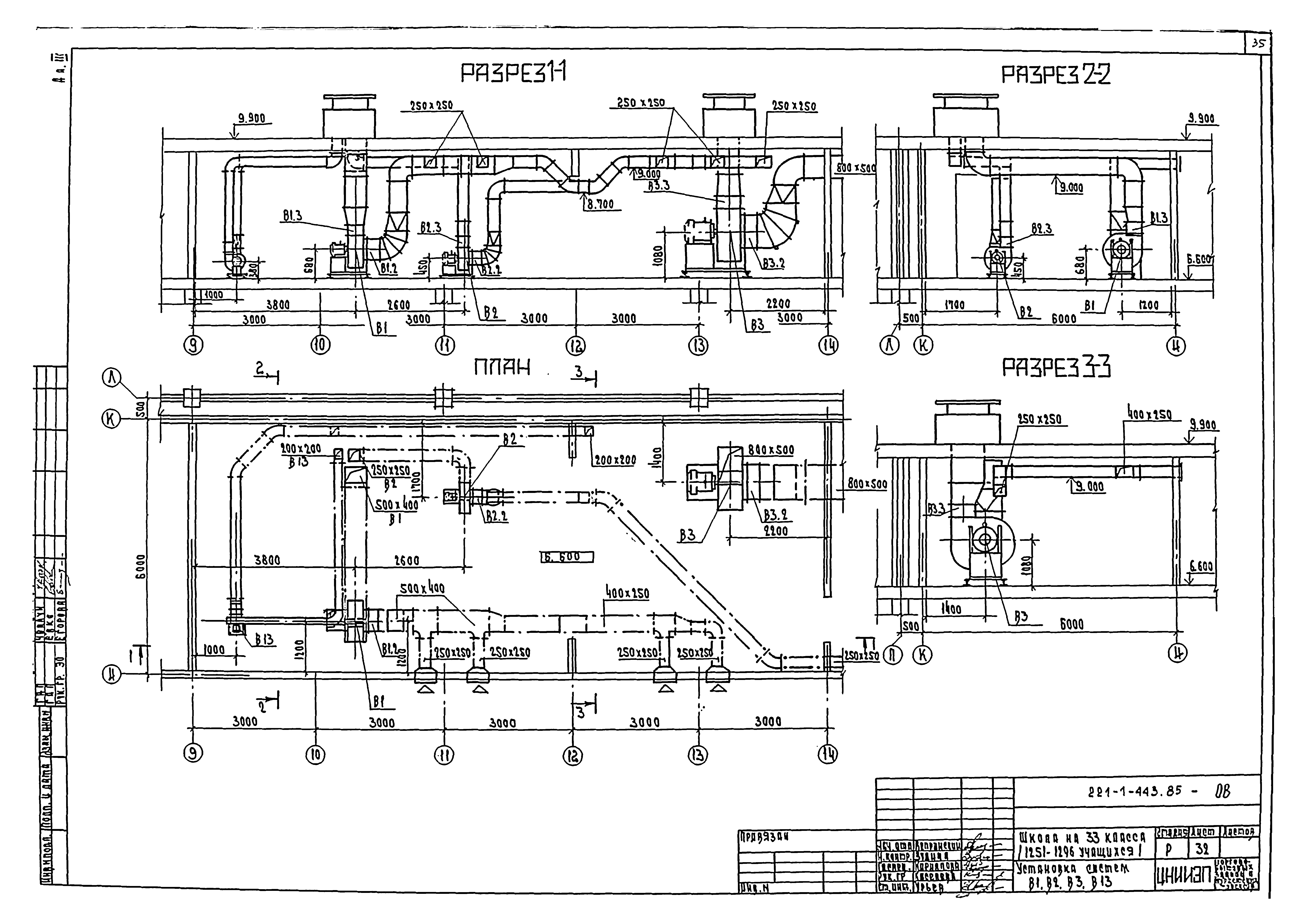
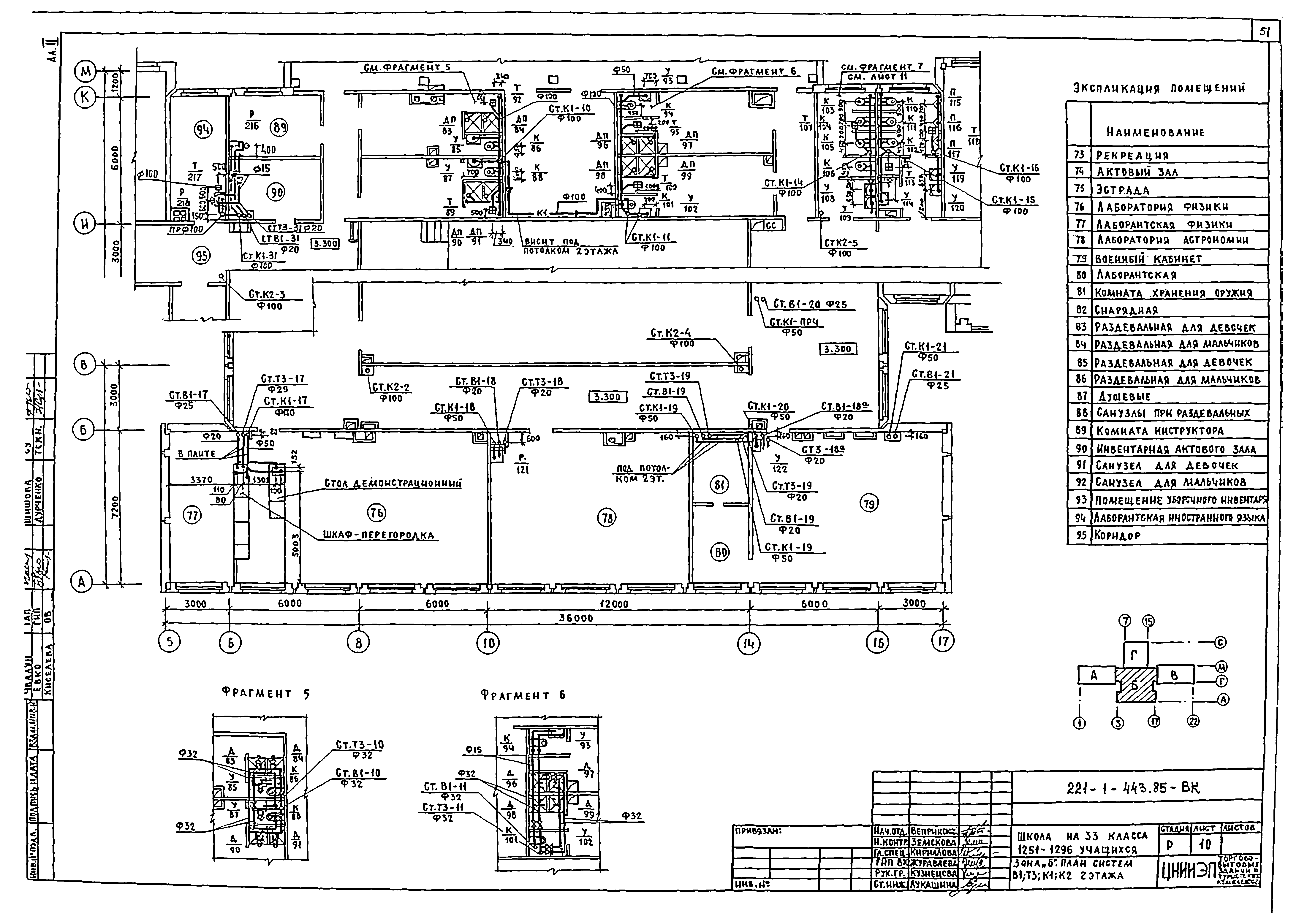
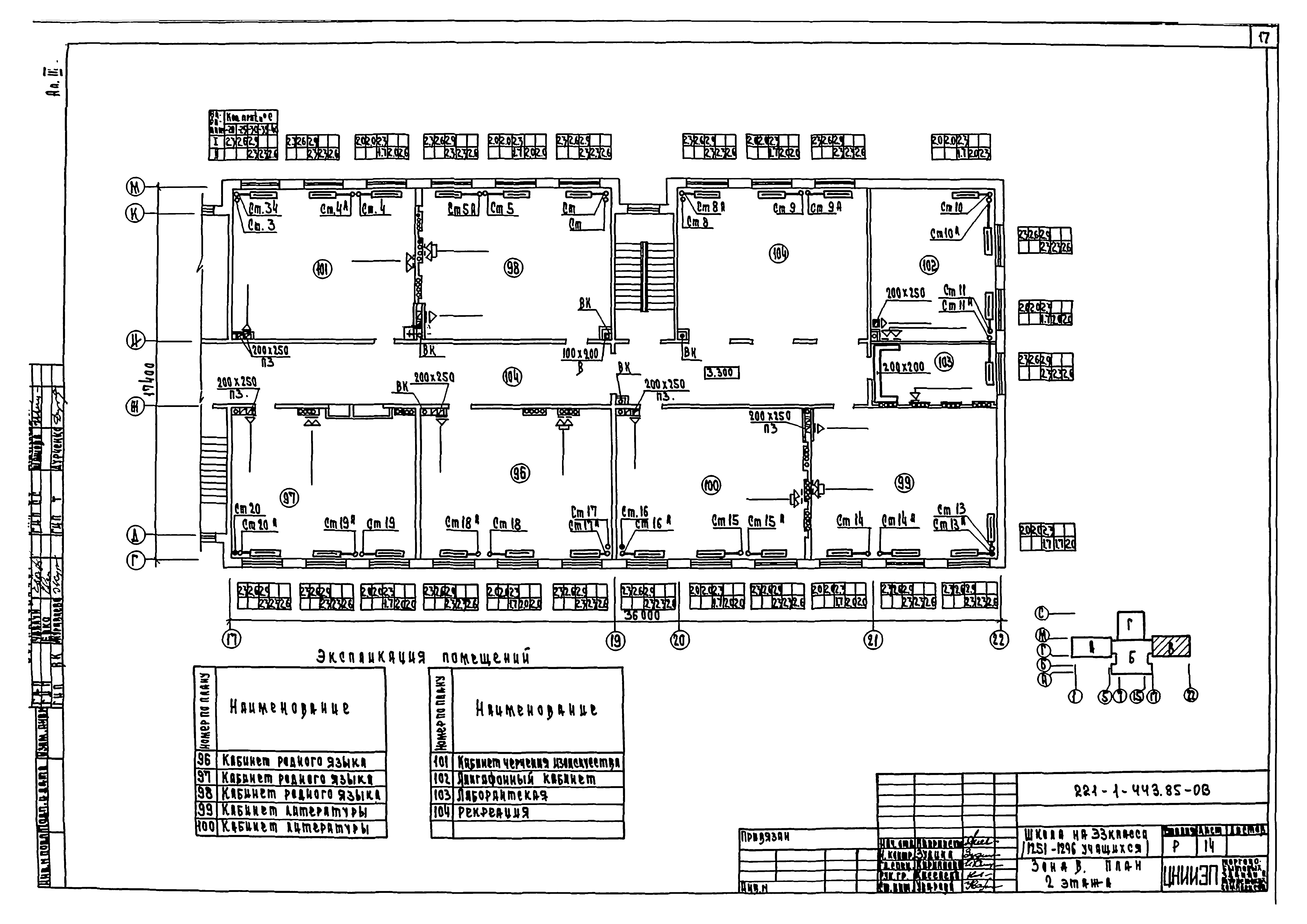
Альбом II. Холодоснабжение. Отопление и вентиляция. Водопровод и канализация

Обозначение: Типовой проект 221-1-443.85
Обозначение англ: 221-1-443.85
Статус:действует
Название рус.:Альбом II. Холодоснабжение. Отопление и вентиляция. Водопровод и канализация
Дата добавления в базу:21.05.2015
Дата актуализации:05.05.2017
Разработан: ЦНИИЭП торгово-бытовых зданий и торговых комплексов
Утверждён:24.08.1984 Госгражданстрой (Gosgrazhdanstroy 239)
Расположен в:Техническая документация Строительство Справочные документы Типовые строительные конструкции, изделия и узлы Общероссийский строительный каталог Защитные сооружения гражданской обороны Типовые проекты защитных сооружений гражданской обороны для жилищно-гражданского строительства Для строительства в городах и поселках городского типа Встроенные помещения, приспосабливаемые под противорадиационные укрытия в общественных зданиях Противорадиационные укрытия в школах и внешкольных учреждениях Общественные здания в городах и поселках городского типа Школы и внешкольные учреждения Общеобразовательные школы
Типовой проект 221-1-443.85Типовой проект 221-1-443.85Типовой проект 221-1-443.85Типовой проект 221-1-443.85Типовой проект 221-1-443.85Типовой проект 221-1-443.85Типовой проект 221-1-443.85Типовой проект 221-1-443.85Типовой проект 221-1-443.85Типовой проект 221-1-443.85Типовой проект 221-1-443.85Типовой проект 221-1-443.85Типовой проект 221-1-443.85Типовой проект 221-1-443.85Типовой проект 221-1-443.85Типовой проект 221-1-443.85Типовой проект 221-1-443.85Типовой проект 221-1-443.85Типовой проект 221-1-443.85Типовой проект 221-1-443.85Типовой проект 221-1-443.85Типовой проект 221-1-443.85Типовой проект 221-1-443.85Типовой проект 221-1-443.85Типовой проект 221-1-443.85Типовой проект 221-1-443.85Типовой проект 221-1-443.85Типовой проект 221-1-443.85Типовой проект 221-1-443.85Типовой проект 221-1-443.85Типовой проект 221-1-443.85Типовой проект 221-1-443.85Типовой проект 221-1-443.85Типовой проект 221-1-443.85Типовой проект 221-1-443.85Типовой проект 221-1-443.85Типовой проект 221-1-443.85Типовой проект 221-1-443.85Типовой проект 221-1-443.85Типовой проект 221-1-443.85Типовой проект 221-1-443.85Типовой проект 221-1-443.85Типовой проект 221-1-443.85Типовой проект 221-1-443.85Типовой проект 221-1-443.85Типовой проект 221-1-443.85Типовой проект 221-1-443.85Типовой проект 221-1-443.85Типовой проект 221-1-443.85Типовой проект 221-1-443.85Типовой проект 221-1-443.85Типовой проект 221-1-443.85Типовой проект 221-1-443.85Типовой проект 221-1-443.85Типовой проект 221-1-443.85Типовой проект 221-1-443.85Типовой проект 221-1-443.85Типовой проект 221-1-443.85Типовой проект 221-1-443.85Типовой проект 221-1-443.85Типовой проект 221-1-443.85Типовой проект 221-1-443.85Типовой проект 221-1-443.85Типовой проект 221-1-443.85Типовой проект 221-1-443.85Типовой проект 221-1-443.85Типовой проект 221-1-443.85Типовой проект 221-1-443.85Типовой проект 221-1-443.85Типовой проект 221-1-443.85

© 2013 Ёшкин Кот :-) Карта сайта