Скачать ГОСТ IEC 61009-1-2014 Выключатели автоматические, срабатывающие от остаточного тока, со встроенной защитой от тока перегрузки, бытовые и аналогичного назначения. Часть 1. Общие правилаДата актуализации: 10.08.2017 ГОСТ IEC 61009-1-2014
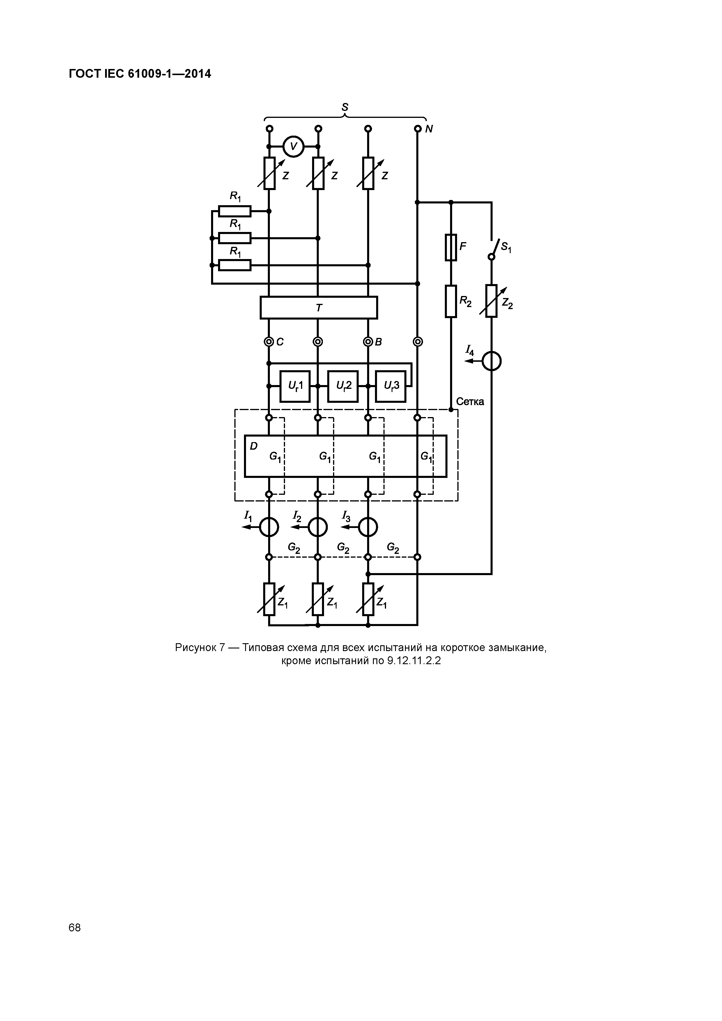
Выключатели автоматические, срабатывающие от остаточного тока, со встроенной защитой от тока перегрузки, бытовые и аналогичного назначения. Часть 1. Общие правилаОбозначение: | ГОСТ IEC 61009-1-2014 | Обозначение англ: | 61009-1-2014 | Статус: | введен впервые | Название рус.: | Выключатели автоматические, срабатывающие от остаточного тока, со встроенной защитой от тока перегрузки, бытовые и аналогичного назначения. Часть 1. Общие правила | Название англ.: | Residual current operated circuit-breakers with integral overcurrent protection for household and similar uses (RCBOs). Part 1. General rules | Дата добавления в базу: | 01.02.2017 | Дата актуализации: | 05.05.2017 | Дата введения: | 01.10.2015 | Область применения: | Стандарт распространяется на управляемые дифференциальным током автоматические выключатели со встроенной защитой от сверхтоков, функционально не зависящие или зависящие от напряжения сети, для бытового и аналогичного применения с номинальными напряжениями, не превышающими 440 В переменного тока с номинальными частотами 50, 60 Гц или 50/60 Гц и номинальными токами, не превышающими 125 А, с номинальными наибольшими отключающими способностями, не превышающими 25000 А, для работы на частоте 50 или 60 Гц. Стандарт не распространяется: - на АВДТ, предназначенные для защиты двигателей; - на АВДТ, уставка по току которых регулируется органами, доступными для потребителя в условиях нормальной эксплуатации. - на АВДТ, содержащие автономные источники питания. | Оглавление: | 1 Область применения 2 Нормативные ссылки 3 Термины и определения 3.1 Определения, относящиеся к токам, протекающим от токоведущих частей в землю 3.2 Определения, относящиеся к подводимым к АВДТ величинам 3.3 Определения, относящиеся к работе и функциям АВДТ 3.4 Определения, относящиеся к значениям и диапазонам подводимых величин. 3.5 Определения, относящиеся к значениям и диапазонам влияющих величин 3.6 Определения, относящиеся к выводам 3.7 Условия оперирования 3.8 Определения, относящиеся к конструктивным элементам 3.9 Определения, относящиеся к испытаниям 3.10 Определения, касающиеся координации изоляции 4 Классификация 5 Характеристики АВДТ 5.1 Перечень характеристик 5.2 Номинальные значения и другие характеристики 5.3 Стандартные и предпочтительные значения 6 Маркировка и другая информация об изделии 7 Нормальные условия эксплуатации и монтажа 7.1 Условия эксплуатации 7.2 Условия монтажа 7.3 Степень загрязнения 8 Требования к конструкции и функционированию 8.1 Механическая конструкция 8.2 Защита от поражения электрическим током 8.3 Электроизоляционные свойства и изолирующая способность 8.4 Превышение температуры 8.5 Рабочие характеристики 8.6 Механическая и коммутационная износостойкость 8.7 Работоспособность при токах короткого замыкания 8.8 Стойкость к механическому толчку и удару 8.9 Теплостойкость 8.10 Стойкость к аномальному нагреву и огнестойкость 8.11 Устройство эксплуатационного контроля 8.12 Требования к АВДТ, функционально зависящим от напряжения сети 8.13 Исключен 8.14 Устойчивость АВДТ против бросков тока, вызванных импульсными напряжениями 8.15 Функционирование АВДТ в случае тока замыкания на землю, содержащего составляющую постоянного тока 9 Испытания 9.1 Общие положения 9.2 Условия испытаний 9.3 Проверка стойкости маркировки 9.4 Проверка надежности винтов, токоведущих частей и соединений 9.5 Испытание надежности выводов резьбового типа для внешних медных 9.6 Проверка защиты от поражения электрическим током 9.7 Проверка электроизоляционных свойств 9.8 Проверка превышения температуры 9.9 Проверка функциональных характеристик 9.10 Проверка механической и коммутационной износостойкости проводников 9.11 Проверка механизма свободного расцепления 9.12 Испытания на короткое замыкание 9.13 Проверка стойкости к механическому толчку и удару 9.14 Проверка теплостойкости 9.15 Испытание на стойкость к аномальному нагреву и огню 9.16 Проверка функционирования устройства эксплуатационного контроля при предельных отклонениях номинального напряжения 9.17 Проверка поведения АВДТ, функционально зависящих от напряжения сети, классифицируемых по 4.1.2.1, в случае исчезновения напряжения сети 9.18 Исключен 9.19 Проверка поведения АВДТ в случае импульсных токов, вызванных импульсами напряжения 9.20 Исключен 9.21 Проверка работы АВДТ при дифференциальных токах, содержащих составляющую постоянного тока 9.22 Проверка надежности 9.23 Проверка старения электронных компонентов 9.24 Электромагнитная совместимость 9.25 Испытания на коррозиестойкость Приложение A (обязательное) Испытательные циклы и число образцов, подлежащих испытаниям для подтверждения соответствия Приложение B (обязательное) Определение воздушных зазоров и расстояний утечки Приложение C (обязательное) Устройство для регистрации выброса ионизированных газов при испытании на короткое замыкание Приложение D (обязательное) Приемо-сдаточные испытания Приложение E (обязательное) дополнительные требования для вспомогательных цепей с безопасным сверхнизким напряжением Приложение F (обязательное) Координация между АВДТ и отдельными плавкими предохранителями, включенными в одну цепь Приложение G (обязательное) дополнительные требования и испытания для АВДТ, состоящих из автоматического выключателя и устройства дифференциального тока, предназначенных для сборки на месте эксплуатации Приложение H Свободное Приложение IА (справочное) Методы определения коэффициента мощности при коротком замыкании Приложение IВ (справочное) Условные обозначения номинальных параметров и характеристик Приложение IС (справочное) Примеры выводов Приложение ID (справочное) Соотношение между сортаментом медных проводов ISO и AWG Приложение IЕ (справочное) Календарный контроль качества АВДТ Приложение J (обязательное) дополнительные требования к АВДТ с выводами безвинтового типа для присоединения внешних медных проводников Приложение К (обязательное) дополнительные требования к АВДТ с плоскими быстросоединяемыми выводами Приложение L (обязательное) дополнительные требования к АВДТ с винтовыми выводами для внешних неподготовленных алюминиевых проводников и с алюминиевыми винтовыми выводами для медных или алюминиевых проводников Приложение ДА (справочное) Сведения о соответствии межгосударственных стандартов ссылочным международным стандартам Библиография | Разработан: | ОАО ВНИИС АНО НТЦ Энергия
| Утверждён: | 30.09.2014 Межгосударственный Совет по стандартизации, метрологии и сертификации (Inter-Governmental Council on Standardization, Metrology, and Certification 70-П) 24.11.2014 Федеральное агентство по техническому регулированию и метрологии (1721-ст)
| Издан: | Стандартинформ (2015 г. )
| Расположен в: |
| Нормативные ссылки: | |
                                                                                                                                        
|