Информационная система
«Ёшкин Кот»

Скачать базу одним архивом
Скачать обновления
История создания базы
Карта сайта

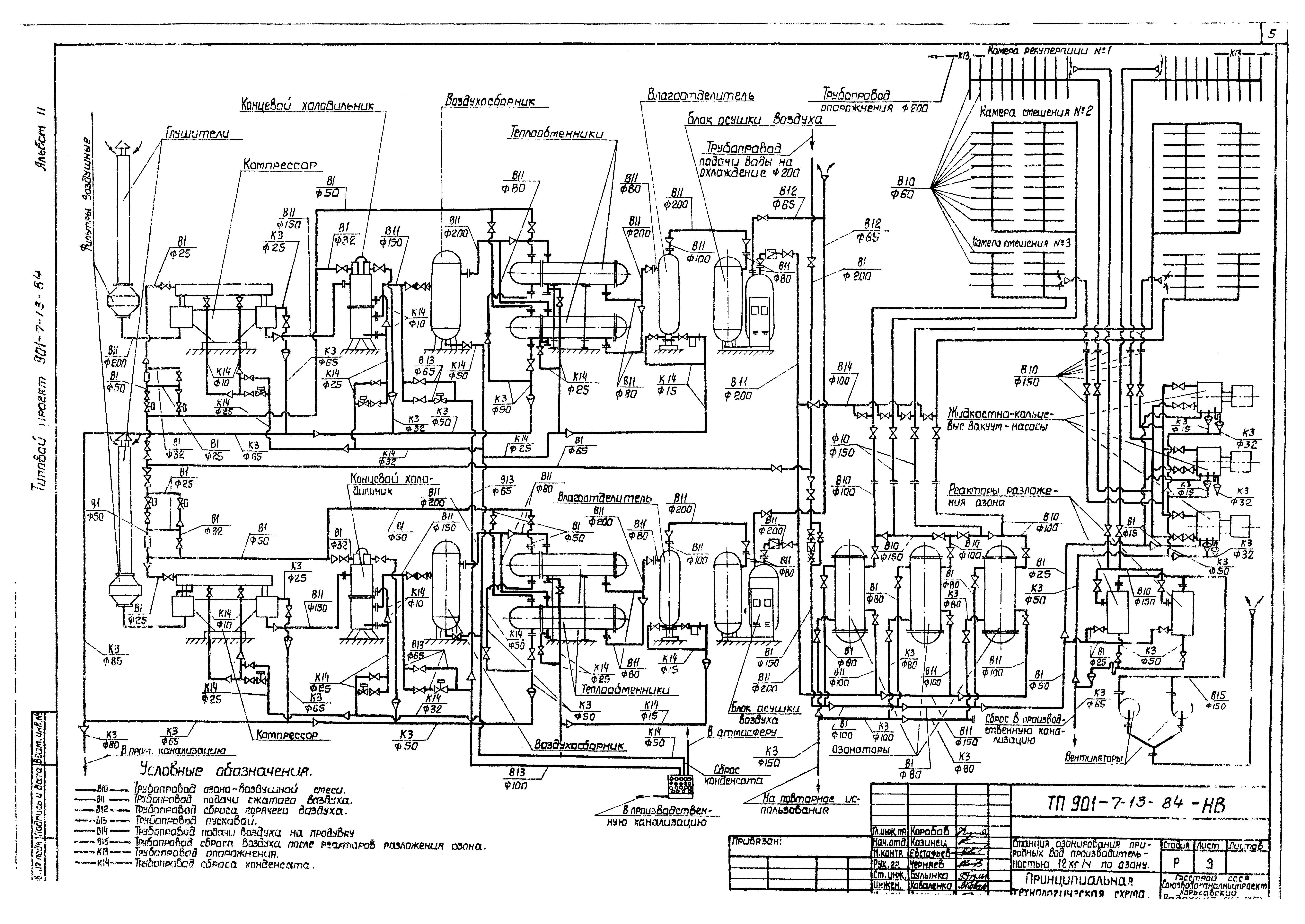
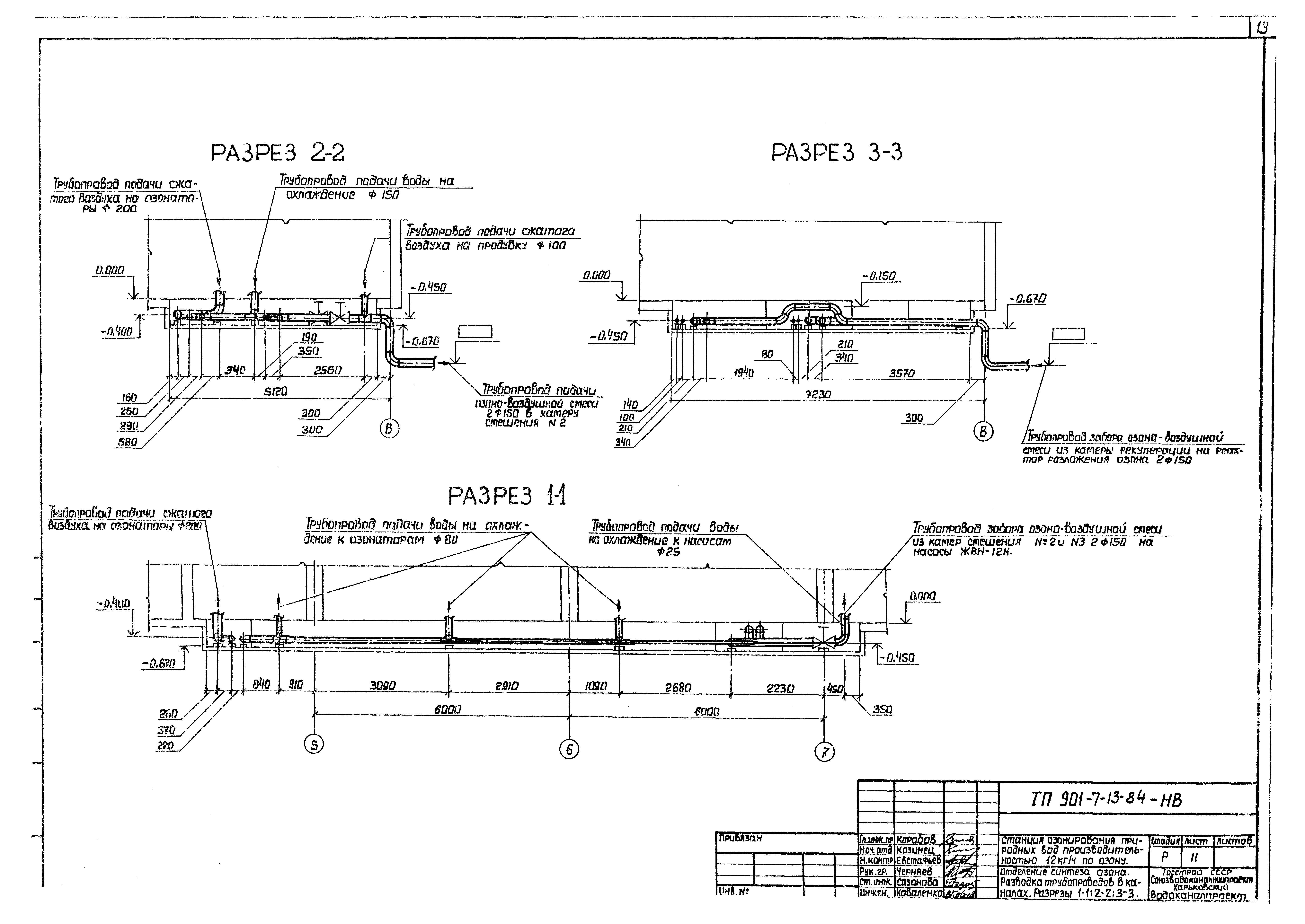
Скачать Типовой проект 901-7-13.84 Альбом II. Технические решения. Отопление и вентиляция. Внутренний водопровод и канализация

Дата актуализации: 10.08.2017

Типовой проект 901-7-13.84

Альбом II. Технические решения. Отопление и вентиляция. Внутренний водопровод и канализация

Обозначение: Типовой проект 901-7-13.84
Обозначение англ: 901-7-13.84
Статус:не действует
Название рус.:Альбом II. Технические решения. Отопление и вентиляция. Внутренний водопровод и канализация
Дата добавления в базу:21.05.2015
Дата актуализации:05.05.2017
Дата введения:01.01.1989
Разработан: Харьковский Водоканалпроект
Утверждён:05.04.1982 Главпромстройпроект Госстроя СССР (19/5-952)
Расположен в:Техническая документация Строительство Справочные документы Типовые строительные конструкции, изделия и узлы Общероссийский строительный каталог Промышленные предприятия, здания и сооружения Здания и сооружения санитарно-технические Водоснабжение Сооружения и установки по обеззараживанию воды Реагентное хозяйство для станций очистки
Типовой проект 901-7-13.84Типовой проект 901-7-13.84Типовой проект 901-7-13.84Типовой проект 901-7-13.84Типовой проект 901-7-13.84Типовой проект 901-7-13.84Типовой проект 901-7-13.84Типовой проект 901-7-13.84Типовой проект 901-7-13.84Типовой проект 901-7-13.84Типовой проект 901-7-13.84Типовой проект 901-7-13.84Типовой проект 901-7-13.84Типовой проект 901-7-13.84Типовой проект 901-7-13.84Типовой проект 901-7-13.84Типовой проект 901-7-13.84Типовой проект 901-7-13.84Типовой проект 901-7-13.84Типовой проект 901-7-13.84Типовой проект 901-7-13.84Типовой проект 901-7-13.84Типовой проект 901-7-13.84Типовой проект 901-7-13.84Типовой проект 901-7-13.84Типовой проект 901-7-13.84Типовой проект 901-7-13.84Типовой проект 901-7-13.84Типовой проект 901-7-13.84Типовой проект 901-7-13.84Типовой проект 901-7-13.84Типовой проект 901-7-13.84Типовой проект 901-7-13.84Типовой проект 901-7-13.84Типовой проект 901-7-13.84Типовой проект 901-7-13.84Типовой проект 901-7-13.84Типовой проект 901-7-13.84Типовой проект 901-7-13.84Типовой проект 901-7-13.84Типовой проект 901-7-13.84

© 2013 Ёшкин Кот :-) Карта сайта