Информационная система
«Ёшкин Кот»

Скачать базу одним архивом
Скачать обновления
История создания базы
Карта сайта

Скачать Типовой проект 903-1-267.89 Альбом 11. Часть 1. Щиты автоматики и КИП. Задание заводу-изготовителю

Дата актуализации: 10.08.2017

Типовой проект 903-1-267.89

Альбом 11. Часть 1. Щиты автоматики и КИП. Задание заводу-изготовителю

Обозначение: Типовой проект 903-1-267.89
Обозначение англ: 903-1-267.89
Статус:не определен законодательством
Название рус.:Альбом 11. Часть 1. Щиты автоматики и КИП. Задание заводу-изготовителю
Дата добавления в базу:01.10.2014
Дата актуализации:05.05.2017
Дата введения:25.02.1988
Оглавление:Ведомость материалов для заказа щитов
Спецификация щитов автоматизации АТМ.СО2
Щит КИП. Общий вид АТМ.001
Щит 1-1 (2-1). Общий вид АТМ.002
Щит 1-1(2-1). Таблица соединений АТМ.003
Щит 1-1(2-1). Таблица подключения АТМ.004
Щит 2. Общий вид АТМ.005
Щит 2. Таблица соединений АТМ.006
Щит 2. Таблица подключения АТМ.007
Щит 3. Общий вид АТМ.008
Щит 3. Таблица соединений АТМ.009
Щит 3. Таблица подключения АТМ.010
Щит 4. Общий вид АТМ.011
Щит 4. Таблица соединений АТМ.012
Щит 4. Таблица подключения АТМ.013
Щит 5. Общий вид АТМ.014
Щит 5. Таблица соединений АТМ.015
Щит 5. Таблица подключения АТМ.016
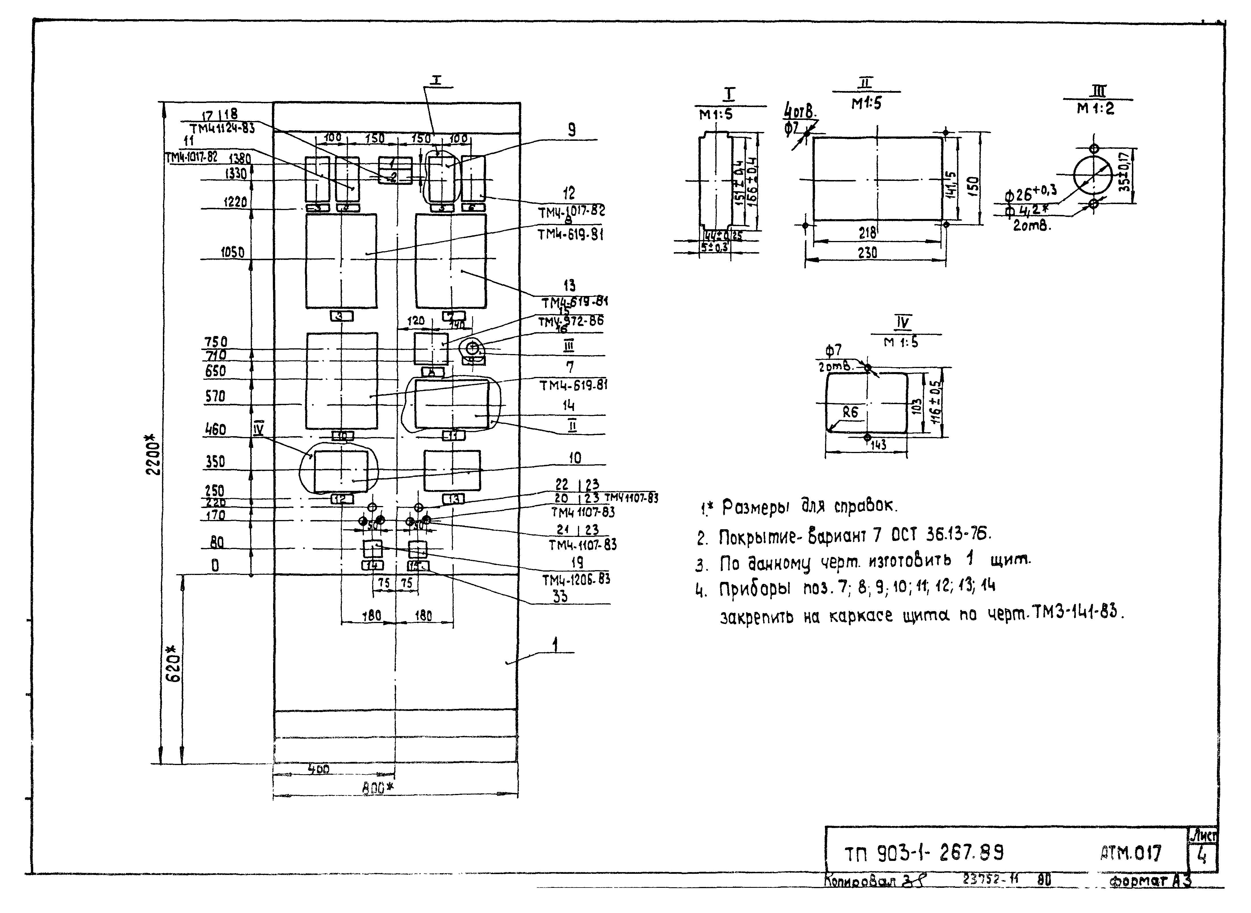
Щит 6. Общий вид АТМ.017
Щит 6. Таблица соединений АТМ.018
Щит 6. Таблица подключения АТМ.019
Щит 4-7. Общий вид АТМ.020
Щит 4-7. Таблица соединений АТМ.021
Щит 4-7. Таблица подключения АТМ.022
Щит 8. Общий вид АТМ.023
Щит 8. Таблица соединений АТМ.024
Щит 8. Таблица подключения АТМ.025
Щит 9. Общий вид АТМ.026
Щит 9. Таблица соединений АТМ.027
Щит 9. Таблица подключения АТМ.028
Щит 10. Общий вид АТМ.029
Щит 10. Таблица соединений АТМ.030
Щит 10. Таблица подключения АТМ.031
Щит 11. Общий вид АТМ.032
Щит 11. Таблица соединений АТМ.033
Щит 11. Таблица подключения АТМ.034
Щит 12. Общий вид АТМ.035
Щит 12. Таблица соединений АТМ.036
Щит 12. Таблица подключения АТМ.037
Щит 13. Общий вид АТМ.038
Щит 13. Таблица соединений АТМ.039
Щит 13. Таблица подключения АТМ.040
Разработан: Латгипропром
Утверждён:25.02.1988 Госстрой СССР (9)
Издан: ЦИТП Госстроя СССР (CITP, Gosstroy (USSR) 1989 г. )
Расположен в:Техническая документация Строительство Справочные документы Типовые строительные конструкции, изделия и узлы Общероссийский строительный каталог Промышленные предприятия, здания и сооружения Здания и сооружения санитарно-технические Теплоснабжение Котельные установки Закрытые системы теплоснабжения Топливо - газ и мазут
Заменяет собой:
Типовой проект 903-1-267.89Типовой проект 903-1-267.89Типовой проект 903-1-267.89Типовой проект 903-1-267.89Типовой проект 903-1-267.89Типовой проект 903-1-267.89Типовой проект 903-1-267.89Типовой проект 903-1-267.89Типовой проект 903-1-267.89Типовой проект 903-1-267.89Типовой проект 903-1-267.89Типовой проект 903-1-267.89Типовой проект 903-1-267.89Типовой проект 903-1-267.89Типовой проект 903-1-267.89Типовой проект 903-1-267.89Типовой проект 903-1-267.89Типовой проект 903-1-267.89Типовой проект 903-1-267.89Типовой проект 903-1-267.89Типовой проект 903-1-267.89Типовой проект 903-1-267.89Типовой проект 903-1-267.89Типовой проект 903-1-267.89Типовой проект 903-1-267.89Типовой проект 903-1-267.89Типовой проект 903-1-267.89Типовой проект 903-1-267.89Типовой проект 903-1-267.89Типовой проект 903-1-267.89Типовой проект 903-1-267.89Типовой проект 903-1-267.89Типовой проект 903-1-267.89Типовой проект 903-1-267.89Типовой проект 903-1-267.89Типовой проект 903-1-267.89Типовой проект 903-1-267.89Типовой проект 903-1-267.89Типовой проект 903-1-267.89Типовой проект 903-1-267.89Типовой проект 903-1-267.89Типовой проект 903-1-267.89Типовой проект 903-1-267.89Типовой проект 903-1-267.89Типовой проект 903-1-267.89Типовой проект 903-1-267.89Типовой проект 903-1-267.89Типовой проект 903-1-267.89Типовой проект 903-1-267.89Типовой проект 903-1-267.89Типовой проект 903-1-267.89Типовой проект 903-1-267.89Типовой проект 903-1-267.89Типовой проект 903-1-267.89Типовой проект 903-1-267.89Типовой проект 903-1-267.89Типовой проект 903-1-267.89Типовой проект 903-1-267.89Типовой проект 903-1-267.89Типовой проект 903-1-267.89Типовой проект 903-1-267.89Типовой проект 903-1-267.89Типовой проект 903-1-267.89Типовой проект 903-1-267.89Типовой проект 903-1-267.89Типовой проект 903-1-267.89Типовой проект 903-1-267.89Типовой проект 903-1-267.89Типовой проект 903-1-267.89Типовой проект 903-1-267.89Типовой проект 903-1-267.89Типовой проект 903-1-267.89Типовой проект 903-1-267.89Типовой проект 903-1-267.89Типовой проект 903-1-267.89Типовой проект 903-1-267.89Типовой проект 903-1-267.89Типовой проект 903-1-267.89Типовой проект 903-1-267.89Типовой проект 903-1-267.89Типовой проект 903-1-267.89Типовой проект 903-1-267.89Типовой проект 903-1-267.89Типовой проект 903-1-267.89Типовой проект 903-1-267.89Типовой проект 903-1-267.89Типовой проект 903-1-267.89Типовой проект 903-1-267.89Типовой проект 903-1-267.89Типовой проект 903-1-267.89Типовой проект 903-1-267.89Типовой проект 903-1-267.89Типовой проект 903-1-267.89Типовой проект 903-1-267.89Типовой проект 903-1-267.89Типовой проект 903-1-267.89Типовой проект 903-1-267.89Типовой проект 903-1-267.89Типовой проект 903-1-267.89Типовой проект 903-1-267.89Типовой проект 903-1-267.89Типовой проект 903-1-267.89Типовой проект 903-1-267.89Типовой проект 903-1-267.89Типовой проект 903-1-267.89Типовой проект 903-1-267.89Типовой проект 903-1-267.89Типовой проект 903-1-267.89Типовой проект 903-1-267.89Типовой проект 903-1-267.89Типовой проект 903-1-267.89Типовой проект 903-1-267.89Типовой проект 903-1-267.89Типовой проект 903-1-267.89Типовой проект 903-1-267.89Типовой проект 903-1-267.89Типовой проект 903-1-267.89Типовой проект 903-1-267.89Типовой проект 903-1-267.89Типовой проект 903-1-267.89Типовой проект 903-1-267.89Типовой проект 903-1-267.89Типовой проект 903-1-267.89Типовой проект 903-1-267.89Типовой проект 903-1-267.89Типовой проект 903-1-267.89Типовой проект 903-1-267.89Типовой проект 903-1-267.89Типовой проект 903-1-267.89Типовой проект 903-1-267.89Типовой проект 903-1-267.89Типовой проект 903-1-267.89Типовой проект 903-1-267.89Типовой проект 903-1-267.89Типовой проект 903-1-267.89Типовой проект 903-1-267.89Типовой проект 903-1-267.89Типовой проект 903-1-267.89Типовой проект 903-1-267.89Типовой проект 903-1-267.89Типовой проект 903-1-267.89Типовой проект 903-1-267.89Типовой проект 903-1-267.89Типовой проект 903-1-267.89Типовой проект 903-1-267.89Типовой проект 903-1-267.89

© 2013 Ёшкин Кот :-) Карта сайта