| ||||||||||||||||||||||||||||||||
Скачать МИ 782-85 Методические указания. Государственная система обеспечения единства измерений. Микрометры с ценой деления 0,01 мм. Методика поверкиДата актуализации: 10.08.2017
|
| Обозначение: | МИ 782-85 |
| Обозначение англ: | MI 782-85 |
| Статус: | действует |
| Название рус.: | Методические указания. Государственная система обеспечения единства измерений. Микрометры с ценой деления 0,01 мм. Методика поверки |
| Дата добавления в базу: | 01.10.2014 |
| Дата актуализации: | 05.05.2017 |
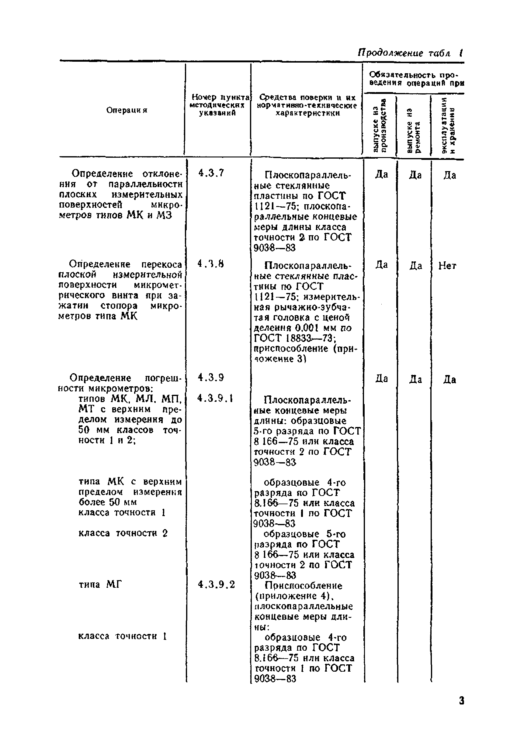
| Область применения: | Методические указания распространяются на микрометры с ценой деления 0,01 мм типов МК; МЛ; МТ; МЗ; МГ; МП по ГОСТ 6507-78 и устанавливают методику их первичной и периодической поверок. По настоящим методическим указаниям допускается поверять микрометры с аналогичными параметрами, находящиеся в эксплуатации и выпущенные до введения в действие ГОСТ 6507-78. |
| Оглавление: | 1 Операции и средства поверки 2 Требования безопасности 3 Условия поверки и подготовка к ней 4 Проведение поверки 5 Оформление результатов поверки Приложение 1 (справочное). Кронштейн Приложение 2 (справочное). Динамометр для определения измерительного усилия микрометров Приложение 3 (справочное). Приспособление для определения погрешности микрометрического устройства Приложение 4 (справочное). Приспособление для определения погрешности микрометрических головок Приложение 5 (справочное). Мера с цилиндрическими измерительными поверхностями Приложение 6 (справочное). Схема определения измерительного усилия микрометра Приложение 7 (справочное). Схема определения отклонения от перпендикулярности измерительной поверхности микрометрической головки относительно оси вращения микрометрического винта Приложение 8 (справочное). Схема для определения погрешности микрометров типа МГ |
| Разработан: | ВНИИизмерения |
| Утверждён: | 13.03.1985 НПО ВНИИМ им. Д.И. Менделеева |
| Расположен в: | |
| Список изменений: | |
| Заменяет собой: |
|
| Нормативные ссылки: |
|





























Текстовое изменение № 1



