Информационная система
«Ёшкин Кот»

Скачать базу одним архивом
Скачать обновления
История создания базы
Карта сайта

Скачать Типовой проект 244-1-66.86 Альбом III. Часть 1. Архитектурно-строительные решения выше отм. 0.000. Лечебная технология

Дата актуализации: 10.08.2017

Типовой проект 244-1-66.86

Альбом III. Часть 1. Архитектурно-строительные решения выше отм. 0.000. Лечебная технология

Обозначение: Типовой проект 244-1-66.86
Обозначение англ: 244-1-66.86
Статус:не определен законодательством
Название рус.:Альбом III. Часть 1. Архитектурно-строительные решения выше отм. 0.000. Лечебная технология
Дата добавления в базу:01.10.2014
Дата актуализации:05.05.2017
Дата введения:08.12.1986
Оглавление:Архитектурно-строительные решения выше отм. 0.000
   Общие данные
   План 1 этажа между осями В - И
   План 1 этажа между осями А - В
   План 1 этажа между осями В - И для варианта с подвалом
   План 1 этажа между осями А - В для варианта с подвалом
   План 2 этажа между осями В - И
   План 2 этажа между осями А - В
   План 3, 4 этажей
   План 5 этажа и кровли между осями В - И
   План 5 этажа и кровли между осями А - В
   План 6 этажа и кровли между осями В - И
   План 6 этажа между осями А - В
   Спецификация элементов заполнения проемов
   Спецификация элементов к планам
   Схема заполнения оконных проемов
   Спецификация к схемам заполнения оконных проемов
   Сечения и узлы установки импостов
   Ведомость перемычек
   Спецификация перемычек
   Разрез 1-1
   Разрез 2-2
   Разрез 3-3
   Фасад 1 - 4; 11 - 9
   Фасад 4 - 11
   Фасад А - И
   Фасад И - А
   Фасад 8 - 1
   Фрагмент 1, 2
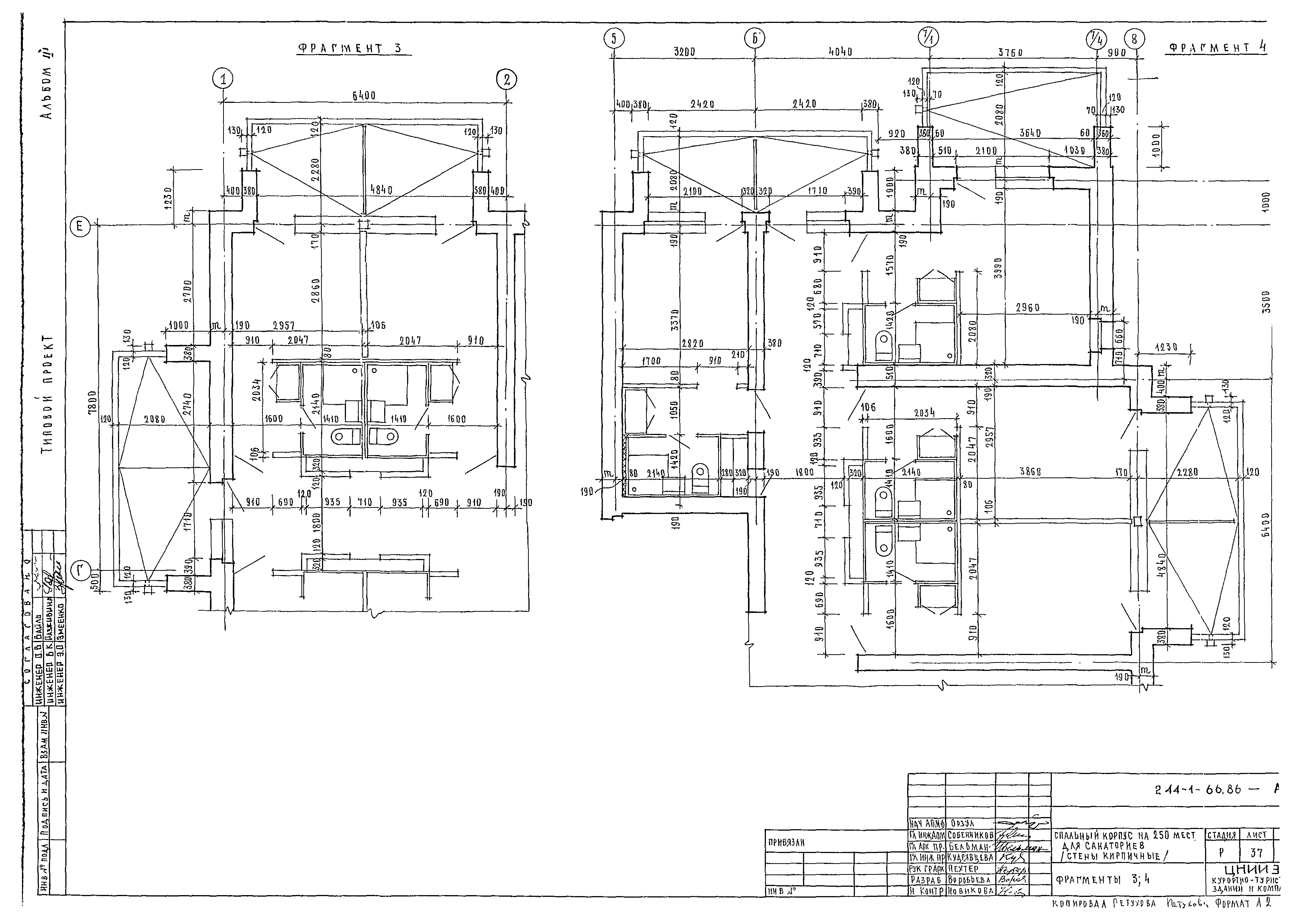
   Фрагмент 3, 4
   Схемы расположения сантехкабин, воздуховодов, элементов лоджий
   План кровли между осями В - И. План на отм. 21.000
   План кровли между осями А - В. Схема устройства молниезащиты
   Схема расположения элементов воздуховодов вид I-I
   Схема расположения элементов мусоропровода
   Узлы 1…4; 10…12
   Узлы 5…9
   Узлы 13…17, сечение а-а
   Схема расположения балок перекрытия на отм. 3.300
   Схема расположения балок перекрытия на отм. 6.600 и 9.900
   Схема расположения балок перекрытия на отм. 13.200
   Схема расположения балок перекрытия на отм. 16.500
   Схемы расположения балок перекрытия между осями 4 - 6 и В - Г и покрытия
   Узлы к схемам балок
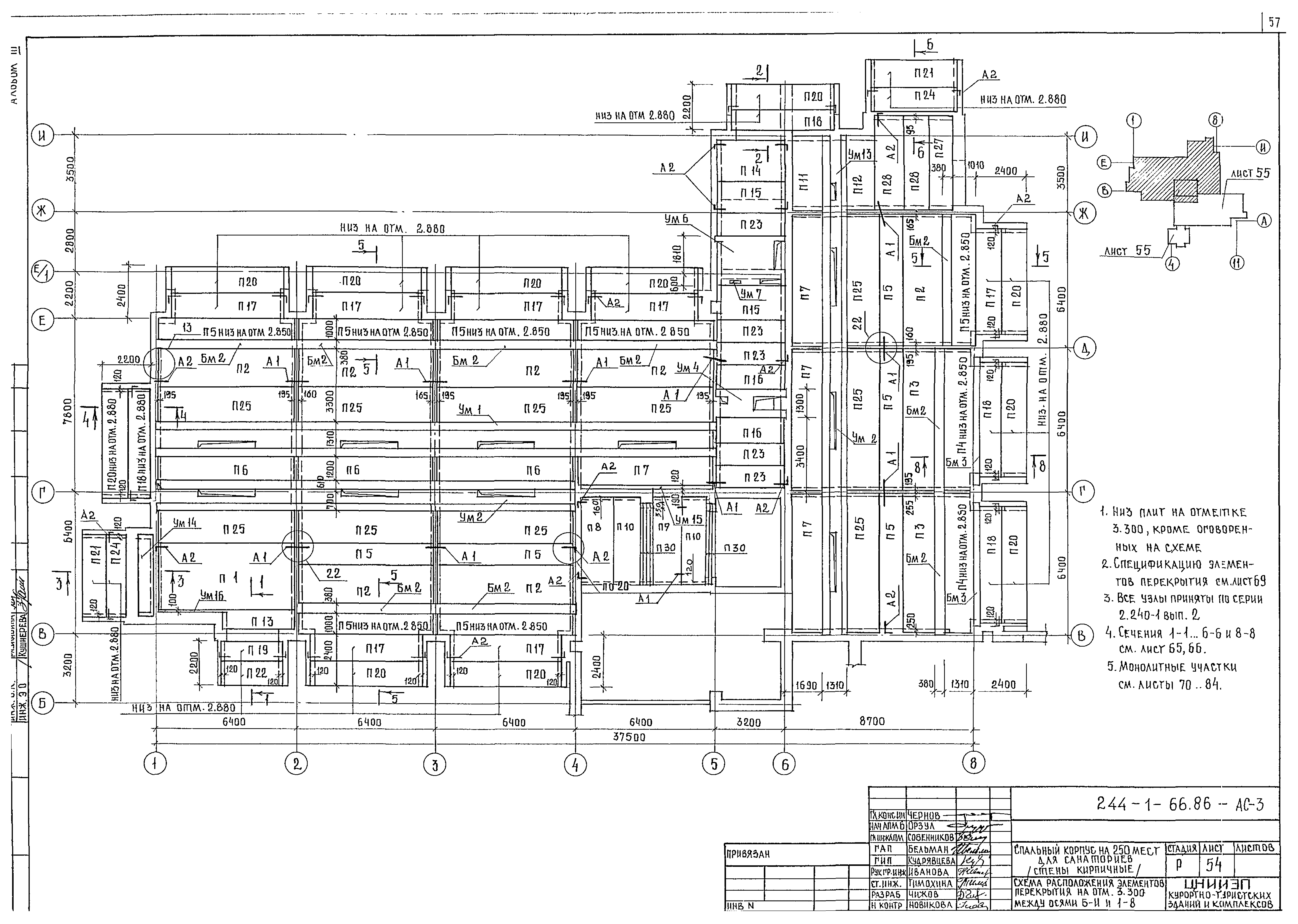
   Схема расположения элементов перекрытия на отм. 3.300 между осями В - И и 1 - 8
   Схема расположения элементов перекрытия на отм. 3.300 между осями А - В и 4 - 11
   Схема расположения элементов перекрытия на отм. 6.600; 9.900 между осями Б - И и 1 - 8
   Схема расположения элементов перекрытия на отм. 6.600 между осями А - В и 4 - 11
   Схема расположения элементов перекрытия на отм. 9.900 между осями А - В и 4 - 11
   Схема расположения элементов перекрытия на отм. 13.200 между осями Б - И и 1 - 8
   Схема расположения элементов перекрытия на отм. 13.200 между осями А - В и 4 - 11
   Схема расположения элементов перекрытия на отм. 16.500 между осями Б - И и 1 - 8
   Схема расположения элементов перекрытия на отм. 16.500 между осями А - В и 4 - 11
   Схема расположения элементов покрытия на между осями Б - И и 1 - 8
   Схема расположения элементов покрытия на между осями А - В и 4 - 10, Б - Г и 4 - 6
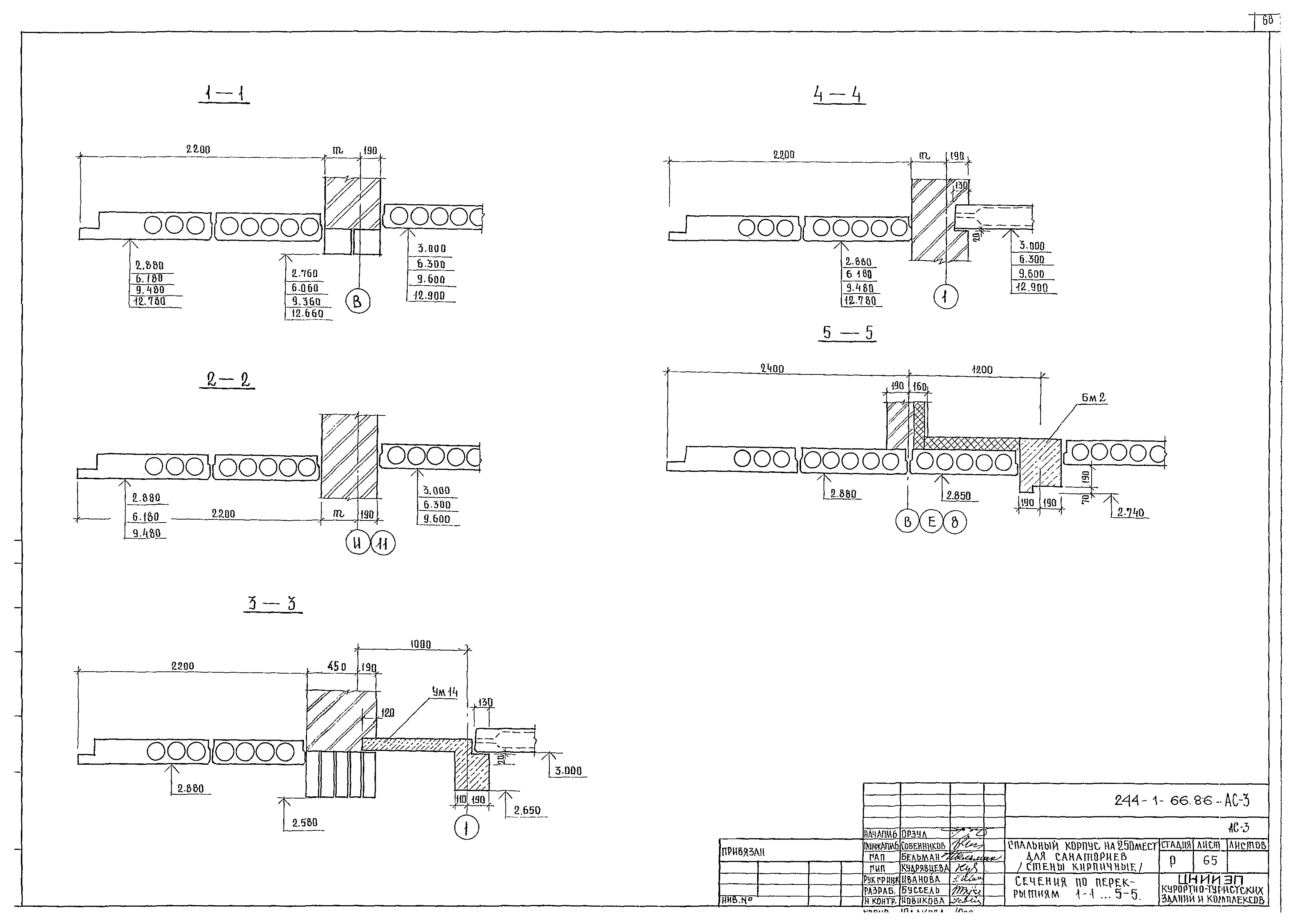
   Сечения по перекрытиям 1-1…5-5
   Сечения по перекрытиям 6-6…10-10
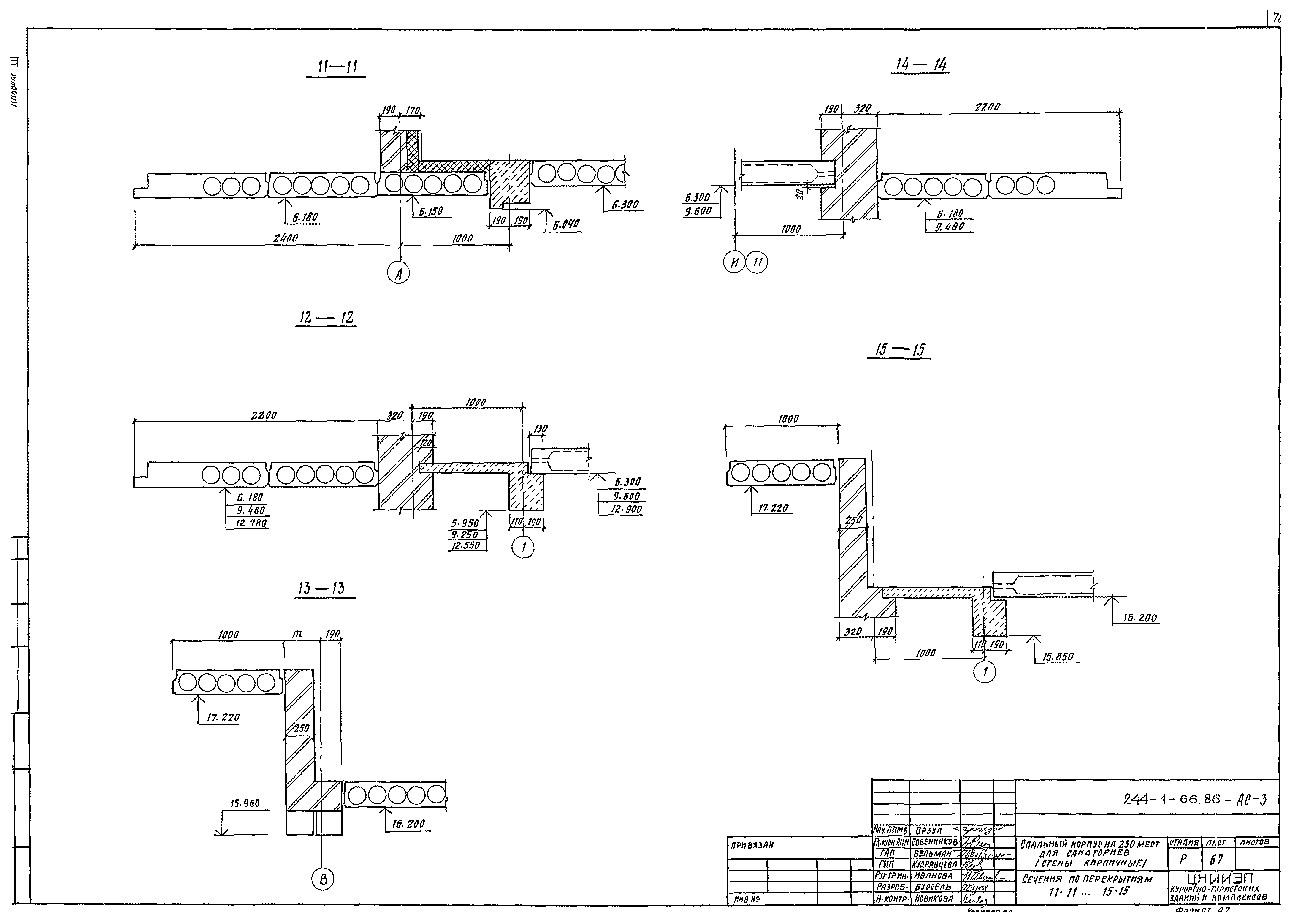
   Сечения по перекрытиям 11-11…15-15
   Сечения по перекрытиям 16-16…19-19
   Спецификация элементов перекрытия
   Балки монолитные БМ1, БМ2, БМ3
   Участки монолитные УМ1, УМ2, УМ3
   Участки монолитные УМ1…УМ3, УМ11…УМ13, УМ27, УМ28. Сечения 2-2…4-4
   Участки монолитные УМ4, УМ5
   Участки монолитные УМ6, УМ7
   Участки монолитные УМ8, УМ9, УМ10
   Участки монолитные УМ11…УМ13
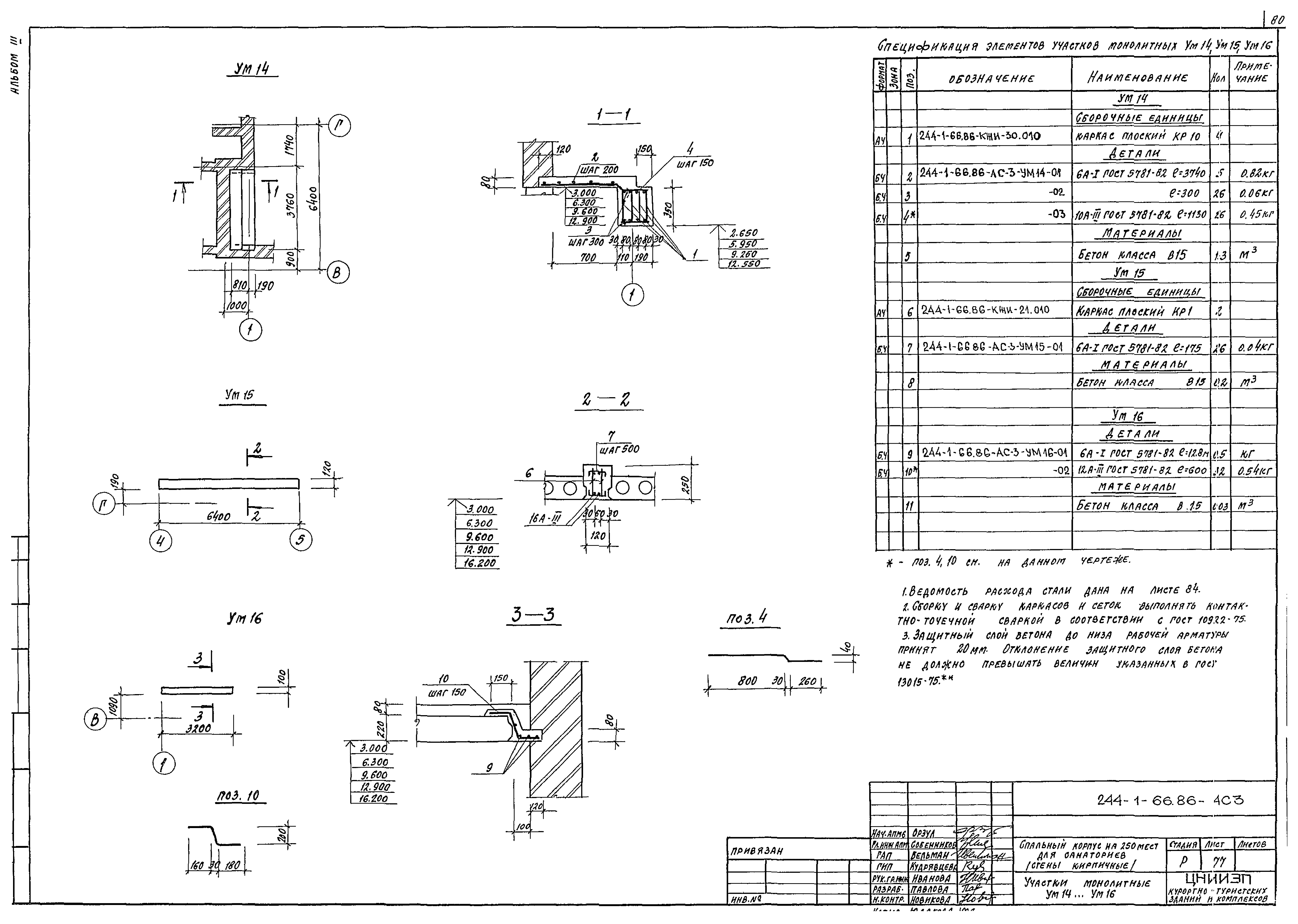
   Участки монолитные УМ14…УМ16
   Участки монолитные УМ17…УМ19
   Участки монолитные УМ20…УМ21
   Участки монолитные УМ22…УМ24
   Участки монолитные УМ25
   Участки монолитные УМ26
   Участки монолитные УМ27, УМ28
   Ведомость расхода стали на элемент
Разработан: ЦНИИЭП курортно-туристских зданий и комплексов Госгражданстроя
Утверждён:03.10.1984 Госгражданстрой (Gosgrazhdanstroy 280)
Расположен в:Техническая документация Строительство Справочные документы Типовые строительные конструкции, изделия и узлы Общероссийский строительный каталог Защитные сооружения гражданской обороны Типовые проекты защитных сооружений гражданской обороны для жилищно-гражданского строительства Для строительства в городах и поселках городского типа Встроенные помещения, приспосабливаемые под противорадиационные укрытия в общественных зданиях Противорадиационные укрытия в учреждениях санаторно-курортного лечения, отдыха и туризма
Типовой проект 244-1-66.86Типовой проект 244-1-66.86Типовой проект 244-1-66.86Типовой проект 244-1-66.86Типовой проект 244-1-66.86Типовой проект 244-1-66.86Типовой проект 244-1-66.86Типовой проект 244-1-66.86Типовой проект 244-1-66.86Типовой проект 244-1-66.86Типовой проект 244-1-66.86Типовой проект 244-1-66.86Типовой проект 244-1-66.86Типовой проект 244-1-66.86Типовой проект 244-1-66.86Типовой проект 244-1-66.86Типовой проект 244-1-66.86Типовой проект 244-1-66.86Типовой проект 244-1-66.86Типовой проект 244-1-66.86Типовой проект 244-1-66.86Типовой проект 244-1-66.86Типовой проект 244-1-66.86Типовой проект 244-1-66.86Типовой проект 244-1-66.86Типовой проект 244-1-66.86Типовой проект 244-1-66.86Типовой проект 244-1-66.86Типовой проект 244-1-66.86Типовой проект 244-1-66.86Типовой проект 244-1-66.86Типовой проект 244-1-66.86Типовой проект 244-1-66.86Типовой проект 244-1-66.86Типовой проект 244-1-66.86Типовой проект 244-1-66.86Типовой проект 244-1-66.86Типовой проект 244-1-66.86Типовой проект 244-1-66.86Типовой проект 244-1-66.86Типовой проект 244-1-66.86Типовой проект 244-1-66.86Типовой проект 244-1-66.86Типовой проект 244-1-66.86Типовой проект 244-1-66.86Типовой проект 244-1-66.86Типовой проект 244-1-66.86Типовой проект 244-1-66.86Типовой проект 244-1-66.86Типовой проект 244-1-66.86Типовой проект 244-1-66.86Типовой проект 244-1-66.86Типовой проект 244-1-66.86Типовой проект 244-1-66.86Типовой проект 244-1-66.86Типовой проект 244-1-66.86Типовой проект 244-1-66.86Типовой проект 244-1-66.86Типовой проект 244-1-66.86Типовой проект 244-1-66.86Типовой проект 244-1-66.86Типовой проект 244-1-66.86Типовой проект 244-1-66.86Типовой проект 244-1-66.86Типовой проект 244-1-66.86Типовой проект 244-1-66.86Типовой проект 244-1-66.86Типовой проект 244-1-66.86Типовой проект 244-1-66.86Типовой проект 244-1-66.86Типовой проект 244-1-66.86Типовой проект 244-1-66.86Типовой проект 244-1-66.86Типовой проект 244-1-66.86Типовой проект 244-1-66.86Типовой проект 244-1-66.86Типовой проект 244-1-66.86Типовой проект 244-1-66.86Типовой проект 244-1-66.86Типовой проект 244-1-66.86Типовой проект 244-1-66.86Типовой проект 244-1-66.86Типовой проект 244-1-66.86Типовой проект 244-1-66.86Типовой проект 244-1-66.86Типовой проект 244-1-66.86Типовой проект 244-1-66.86Типовой проект 244-1-66.86

© 2013 Ёшкин Кот :-) Карта сайта