| ||||||||||||||||||||||||||||
Скачать Шифр А25-94 Прокладка главных троллеев для кранов на кронштейнах Курганского завода (на железобетонных подкрановых балках). Материалы для проектирования и рабочие чертежиДата актуализации: 10.08.2017
|
| Обозначение: | Шифр А25-94 |
| Обозначение англ: | А25-94 |
| Статус: | cправочные материалы, мп, тпр |
| Название рус.: | Прокладка главных троллеев для кранов на кронштейнах Курганского завода (на железобетонных подкрановых балках). Материалы для проектирования и рабочие чертежи |
| Дата добавления в базу: | 01.10.2014 |
| Дата актуализации: | 05.05.2017 |
| Дата введения: | 01.09.1994 |
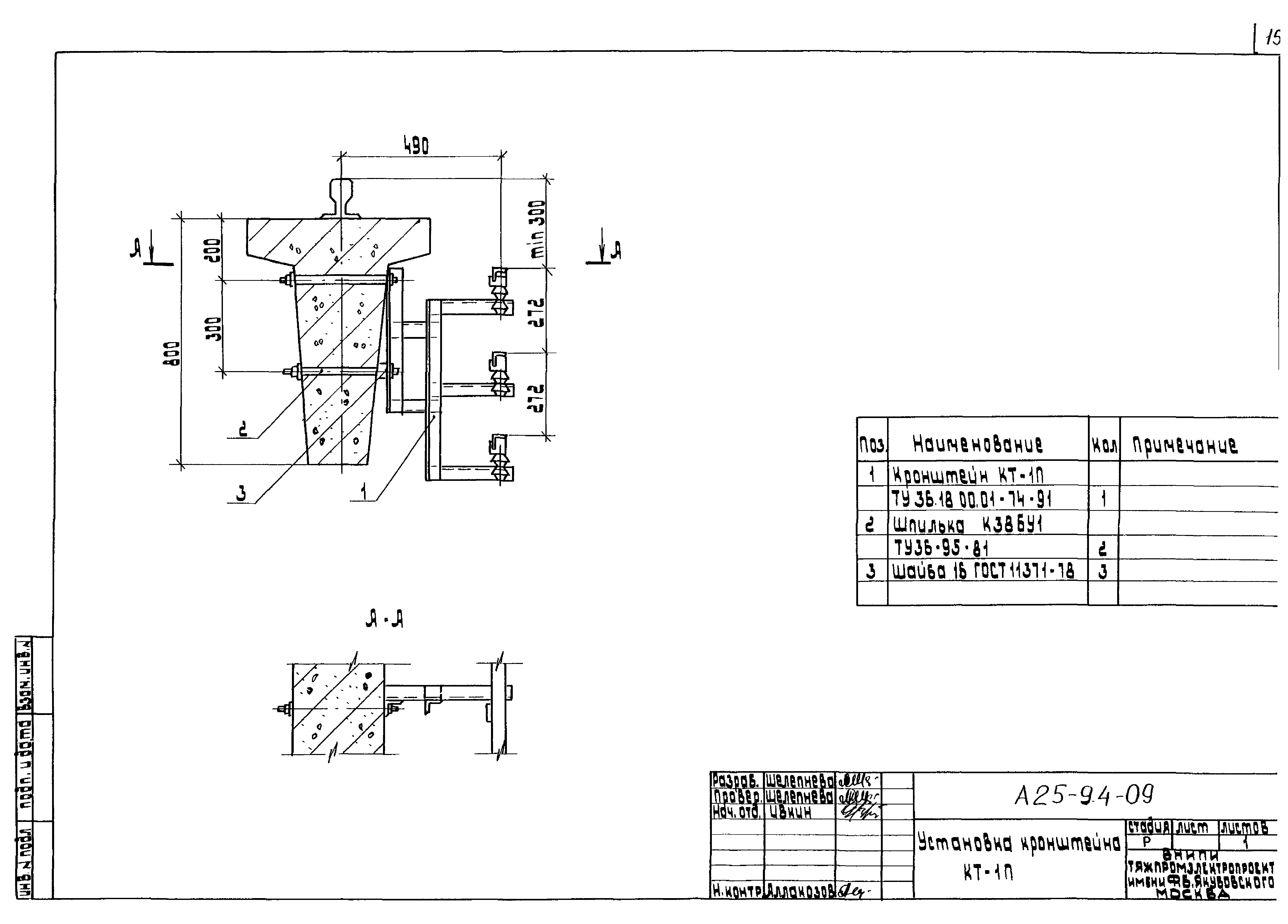
| Оглавление: | А25-94 Содержание А25-94-01ПЗ Пояснительная записка А25-94-02 Габариты железобетонных подкрановых балок А25-94-03 Троллейные секции, указатель троллейный, троллейная планка и шпилька А25-94-04 Кронштейны троллейные КТ-1П, КТ-1С А25-94-05 Кронштейны троллейные КТ-2П, КТ-2С А25-94-06 Прокладка главных троллеев для кранов. План. Пример А25-94-07 Прокладка главных троллеев на кронштейнах. Пример А25-94-08 Прокладка главных троллеев на кронштейнах. Пример А25-94-09 Установка кронштейна КТ-1П А25-94-10 Установка кронштейна КТ-1С А25-94-11 Установка кронштейна КТ-2П А25-94-12 Установка кронштейна КТ-2С А25-94-13 Установка троллейного указателя на кронштейне А25-94-14 Установка троллейного указателя на кронштейне А25-94-15 Провод питания к троллею из угловой стали. Вариант 1 А25-94-16 Провод питания к троллею из угловой стали. Вариант 2 А25-94-17 Стыковка троллеев из угловой стали 50х50х5 А25-94-18 Стыковка троллеев из угловой стали 63х63х6 А25-94-19 Стыковка троллеев из стального швеллера № 8 А25-94-20 Стыковка троллеев из стального швеллера № 10 А25-94-21 Установка компенсатора на троллее из угловой стали 50х50х5 А25-94-22 Установка компенсатора на троллее из угловой стали 63х63х6 А25-94-23 Установка компенсатора на троллее из стального швеллера |
| Разработан: | ОАО ВНИПИ Тяжпромэлектропроект |
| Утверждён: | 18.08.1994 ОАО ВНИПИ Тяжпромэлектропроект (VNIPI Tyazhpromelektroproject OAO 18) |
| Расположен в: | |
| Заменяет собой: |
























