Информационная система
«Ёшкин Кот»

Скачать базу одним архивом
Скачать обновления
История создания базы
Карта сайта

Скачать Типовой проект 903-1-273.89 Альбом 3. Тепломеханические решения. Вариант топлива - бурый уголь

Дата актуализации: 10.08.2017

Типовой проект 903-1-273.89

Альбом 3. Тепломеханические решения. Вариант топлива - бурый уголь

Обозначение: Типовой проект 903-1-273.89
Обозначение англ: 903-1-273.89
Статус:не определен законодательством
Название рус.:Альбом 3. Тепломеханические решения. Вариант топлива - бурый уголь
Дата добавления в базу:01.10.2014
Дата актуализации:05.05.2017
Дата введения:27.09.1989
Оглавление:Содержание альбома
Чертежи основного комплекта марки ТМ
   Общие данные
   Компоновка оборудования. План на отм. 0.000. План - вид сверху. Экспликация помещений
   Компоновка оборудования. Разрезы 1-1, 2-2
   Блок котлоагрегатов "Братск-М". План по 2-2. Разрезы 1-1, 3-3. Спецификация
   Газоходы блока котлоагрегатов. План. Разрез 1-1. Спецификация
   Газоходы блока котлоагрегатов. Разрезы 2-2, 3-3
   Газоходы (наружные). План. Разрезы 1-1, 2-2, 3-3. Спецификация
   Воздуховоды. План. Разрезы 1-1, 2-2. Спецификация
   Монтажная схема трубопроводов
   Трубопроводы сетевой воды. План на отм. 0.000. Разрез 1-1, а-а. Узел I
   Трубопроводы сетевой воды. Разрезы 2-2, 3-3, 4-4, 5-5. Узел II. Спецификация
   Трубопроводы горячего водоснабжения. План. Разрезы 1-1, 2-2, 3-3, 4-4
   Трубопроводы горячего водоснабжения. Спецификация
   Трубопроводы горячего водоснабжения вне здания котельной. План. Разрезы 1-1, 2-2, 3-3, 4-4, 5-5. Спецификация
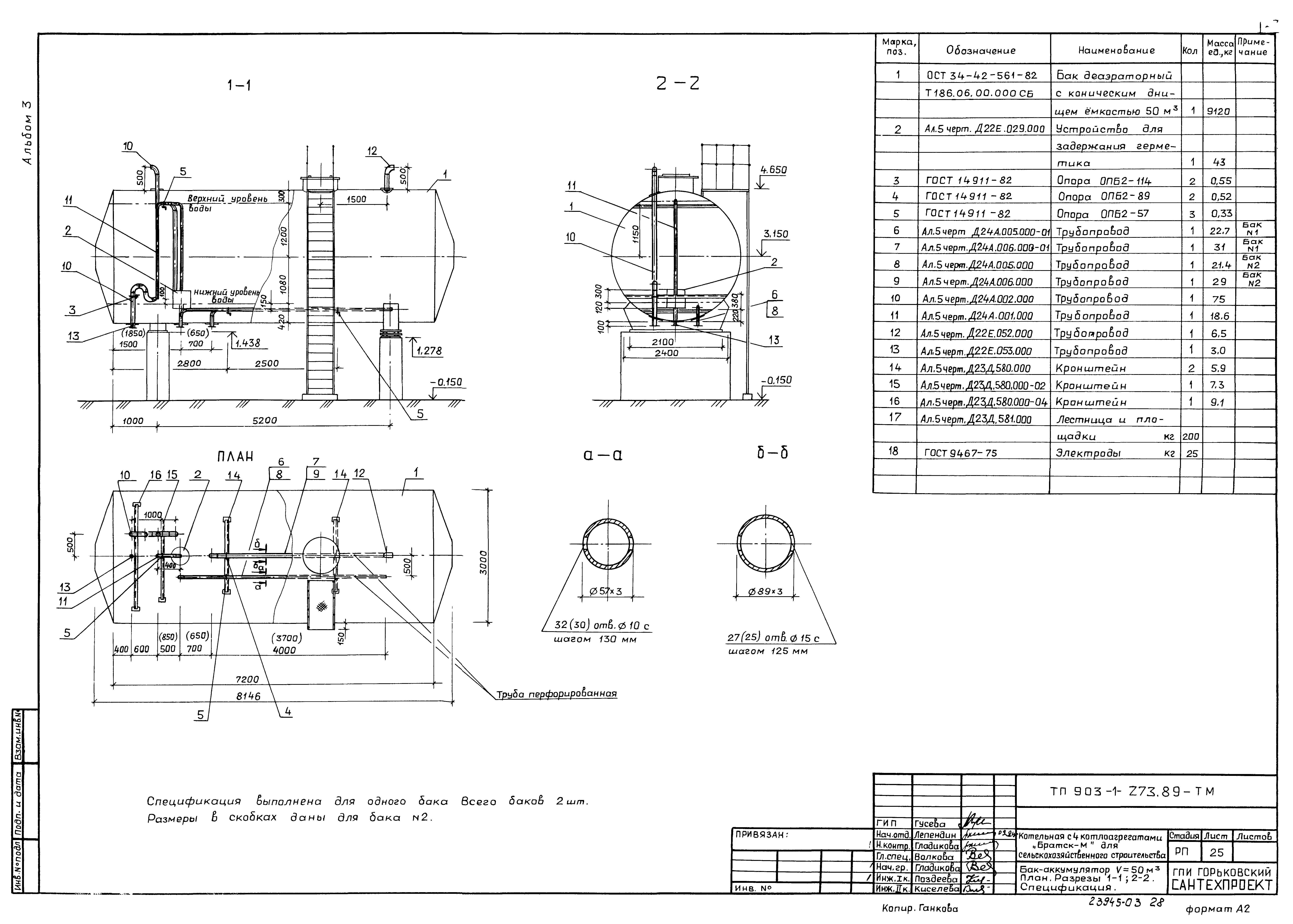
   Бак-аккумулятор V = 50 куб. м. План. Разрезы 1-1, 2-2. Спецификация
   Трубопроводы исходной воды. План. Разрезы 1-1, 2-2, 3-3, 4-4
   Трубопроводы исходной воды. Узлы I, II, III, IV. Спецификация
   Блок насосов сетевой воды К9
   Блок приготовления исходной воды К10
   Блок насосов сетевой воды контура котла горячего водоснабжения К16
   Блок насосов горячего водоснабжения К18
   Блок фильтров обезжелезивания К11. Схема. План. Разрезы 1-1, 5-5
   Блок фильтров обезжелезивания К11.Разрезы 2-2, 3-3, 4-4
   Блок фильтров обезжелезивания К11.Опорная конструкция. Спецификация
   Блок взрыхляющей промывки фильтров обезжелезивания К12
Чертежи основного комплекта марки ТМН
   Содержание
   Теплоизоляция бака-аккумулятора V = 50 куб. м
   Теплоизоляция дымососа ДН-9У
Разработан: Горьковский Сантехпроект
Утверждён:27.09.1989 ГПК СантехНИИпроект (SantekhNIIproject GPK 11)
Издан: ЦИТП Госстроя СССР (CITP, Gosstroy (USSR) 1989 г. )
Расположен в:Техническая документация Строительство Справочные документы Типовые строительные конструкции, изделия и узлы Общероссийский строительный каталог Промышленные предприятия, здания и сооружения Здания и сооружения санитарно-технические Теплоснабжение Котельные установки Котельные для объектов сельского хозяйства Топливо - каменные и бурые угли
Типовой проект 903-1-273.89Типовой проект 903-1-273.89Типовой проект 903-1-273.89Типовой проект 903-1-273.89Типовой проект 903-1-273.89Типовой проект 903-1-273.89Типовой проект 903-1-273.89Типовой проект 903-1-273.89Типовой проект 903-1-273.89Типовой проект 903-1-273.89Типовой проект 903-1-273.89Типовой проект 903-1-273.89Типовой проект 903-1-273.89Типовой проект 903-1-273.89Типовой проект 903-1-273.89Типовой проект 903-1-273.89Типовой проект 903-1-273.89Типовой проект 903-1-273.89Типовой проект 903-1-273.89Типовой проект 903-1-273.89Типовой проект 903-1-273.89Типовой проект 903-1-273.89Типовой проект 903-1-273.89Типовой проект 903-1-273.89Типовой проект 903-1-273.89Типовой проект 903-1-273.89Типовой проект 903-1-273.89Типовой проект 903-1-273.89Типовой проект 903-1-273.89Типовой проект 903-1-273.89Типовой проект 903-1-273.89Типовой проект 903-1-273.89Типовой проект 903-1-273.89Типовой проект 903-1-273.89Типовой проект 903-1-273.89Типовой проект 903-1-273.89Типовой проект 903-1-273.89Типовой проект 903-1-273.89Типовой проект 903-1-273.89Типовой проект 903-1-273.89Типовой проект 903-1-273.89

© 2013 Ёшкин Кот :-) Карта сайта