Скачать Типовой проект 902-2-207 Альбом X. Производственный корпус. Технологическая, механическая и санитарно-техническая частиДата актуализации: 10.08.2017 Типовой проект 902-2-207
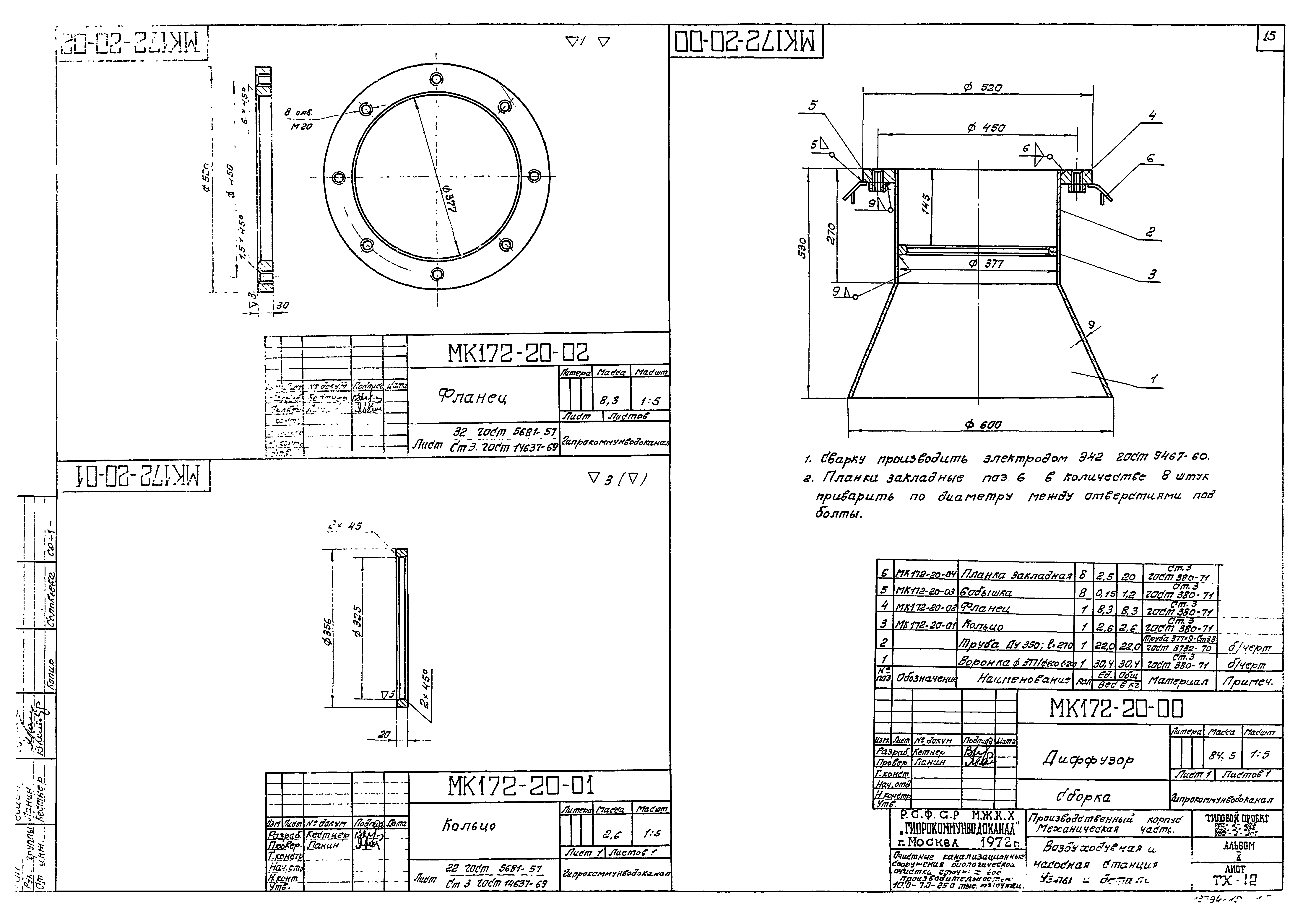
Альбом X. Производственный корпус. Технологическая, механическая и санитарно-техническая частиОбозначение: | Типовой проект 902-2-207 | Обозначение англ: | 902-2-207 | Статус: | заменен | Название рус.: | Альбом X. Производственный корпус. Технологическая, механическая и санитарно-техническая части | Дата добавления в базу: | 01.10.2014 | Дата актуализации: | 05.05.2017 | Дата введения: | 01.10.1982 | Оглавление: | Содержание альбома Чертежи основного комплекта марки ТХ Воздуховная и насосная станция. Монтажный чертеж. План Воздуховная и насосная станция. Монтажный чертеж. Разрезы Воздуховная и насосная станция. Монтажный чертеж. План Воздуховная и насосная станция. Монтажный чертеж. Разрезы Воздуховная и насосная станция. Монтажный чертеж. План Воздуховная и насосная станция. Монтажный чертеж. Разрезы Установка вохдуходувки ТВ-80-1,4 с электродвигателем А2-91-2 на плите Установка 2-х насосов типа 5Ф-12 с электродвигателем А02-81-4 на плите Установка 2-х насосов типа 5Ф-6 с электродвигателем А02-81-4 на плите Установка 4-х насосов типа ВК-4/24 с электродвигателем А02-42-4 на плите Воздуховная и насосная станция. Узлы Воздуховная и насосная станция. Узлы и детали Воздуховная и насосная станция. Узлы Воздуховная и насосная станция. Узлы и детали Чертежи основного комплекта марки ВК План I-го этажа. Внутренний водопровод и канализация План II-го этажа. Схема холодного и горячего водоснабжения Разрезы внутренней канализации, схема сети производственной канализации Чертежи основного комплекта марки ОВ Отопление и вентиляция. Заглавный лист Отопление. План на отм. 0.000 Отопление. План на отм. 3.600 Отопление и вентиляция. Разрезы 1-1, 2-2 Отопление. Тепловой узел. Разрезы III-III, IV-IV Отопление. Схемы систем отопления Вентиляция. План на отм. 0.000 Вентиляция. План на отм. 3.600 Отопление и вентиляция. План и разрезы приточной вентиляционной камеры и теплового пункта Вентиляция. План и разрезы вытяжной камеры Вентиляция. Схемы систем вентиляции Отопление и вентиляция. Объем работ | Разработан: | Гипрокоммунводоканал Минжилкомхоза РСФСР
| Утверждён: | 30.01.1974 МЖКХ РСФСР (4-ТД)
| Расположен в: |
| Чем заменён: | |
                               
|