| ||||||||||||||||||||||||||||||||
Скачать Серия 5.407-44 Выпуск 1. Рабочие чертежиДата актуализации: 10.08.2017
|
| Обозначение: | Серия 5.407-44 |
| Обозначение англ: | Series 5.407-44 |
| Статус: | заменен |
| Название рус.: | Выпуск 1. Рабочие чертежи |
| Дата добавления в базу: | 01.10.2014 |
| Дата актуализации: | 05.05.2017 |
| Дата введения: | 01.03.1991 |
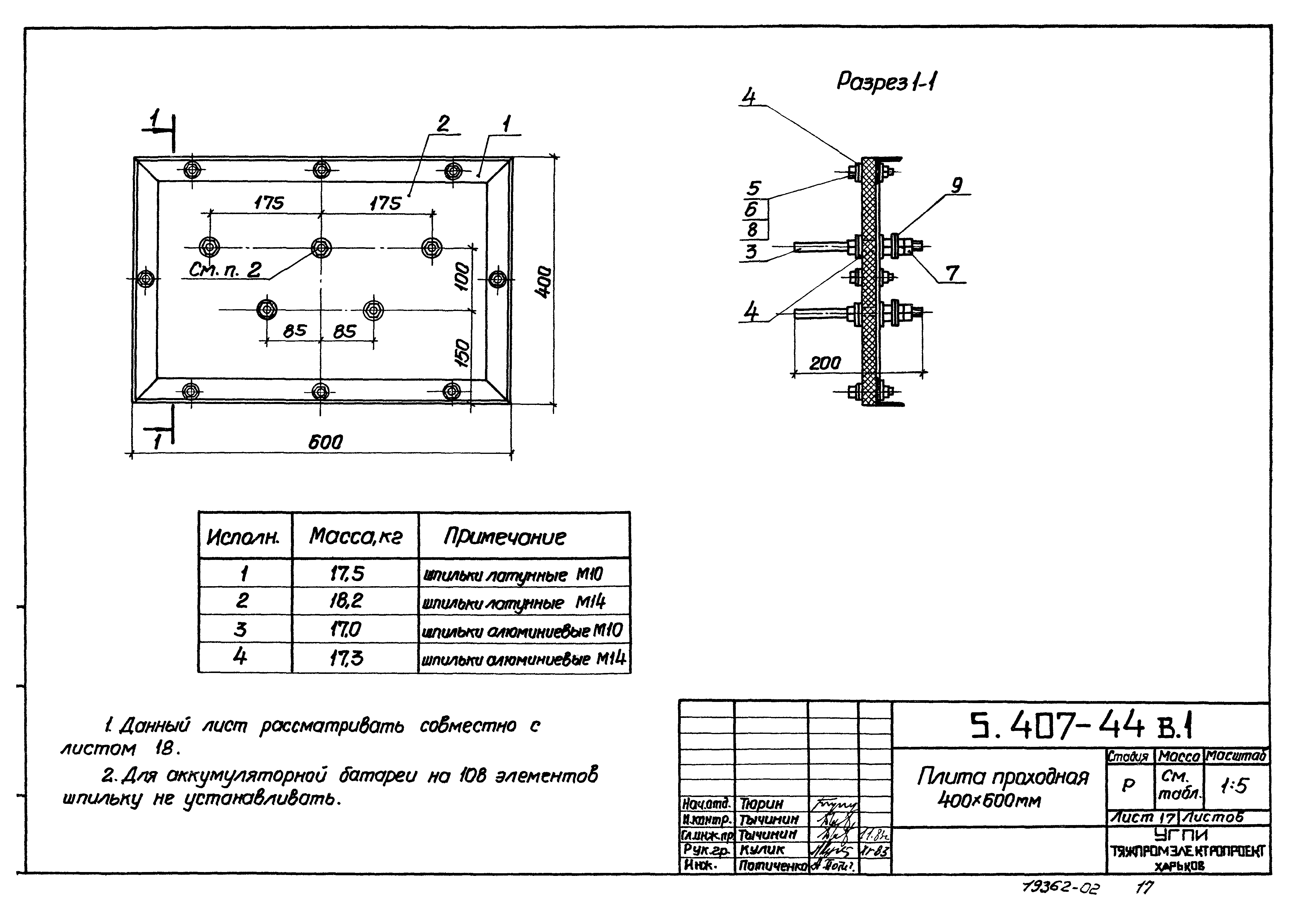
| Оглавление: | Содержание Общие указания Установка аккумуляторов на металлических стеллажах Установка аккумуляторов на деревянных стеллажах Установка проходной плиты и протяжной коробки в проеме 400х400 мм Установка проходной плиты и протяжной коробки в проеме 400х600 мм Установка изолятора ИАБ-16 Установка двух изоляторов ИАБ-16 Плита проходная 400х400 мм Рама Доска асбестоцементная Шпилька Прокладка Плита проходная 400х600 мм Изолятор ИАБ-16 в сборе Скоба Изоляторы ИАБ-16 в сборе Скоба Стеллаж типа МС-1-1 для аккумуляторов типа СК-5 (от 3 до 7 шт) Стеллаж типа МС-1-1 для аккумуляторов типа СК-8 (от 3 до 7 шт) Стеллаж типа МС-1-1 для аккумуляторов типа СК-10, СК-12 (от 3 до 7 шт) Стеллаж типа МС-2-1 для аккумуляторов типа СК-5 (от 6 до 14 шт) Стеллаж типа МС-2-1 для аккумуляторов типа СК-8 (от 6 до 14 шт) Стеллаж типа МС-2-1 для аккумуляторов типа СК-10, СК-12 (от 6 до 14 шт) Стеллаж типа МС-1-2 для аккумуляторов типа СК-5 (от 6 до 14 шт) Рама Стеллаж типа МС-2-2 для аккумуляторов типа СК-5 (от 12 до 28 шт) Стеллаж типа ДС-1-1 для аккумуляторов типа СК-5 (от 3 до 10 шт) Стеллаж типа ДС-1-1 для аккумуляторов типа СК-8 (от 3 до 10 шт) Стеллаж типа ДС-1-1 для аккумуляторов типа СК-10 и СК-12 (от 3 до 10 шт) Стеллаж типа ДС-2-1 для аккумуляторов типа СК-5 (от 6 до 20 шт) Стеллаж типа ДС-2-1 для аккумуляторов типа СК-8 (от 6 до 20 шт) Стеллаж типа ДС-2-1 для аккумуляторов типа СК-10 и СК-12 (от 6 до 20 шт) Стеллаж типа ДС-1-2 для аккумуляторов типа СК-5 (от 6 до 20 шт) Рама Стеллаж типа ДС-2-2 для аккумуляторов типа СК-5 (от 12 до 40 шт) |
| Разработан: | УГПИ Тяжпромэлектропроект Минмонтажспецстроя УССР |
| Утверждён: | 09.12.1983 Минмонтажспецстрой СССР (USSR Minmontazhspetsstroy ) |
| Издан: | ЦИТП Госстроя СССР (CITP, Gosstroy (USSR) 1988 г. ) |
| Расположен в: | |
| Заменяет собой: |
|
| Чем заменён: |















































