Информационная система
«Ёшкин Кот»

Скачать базу одним архивом
Скачать обновления
История создания базы
Карта сайта

Скачать Типовой проект 901-1-98.88 Альбом VI. Электротехническая часть (из ТП 901-1-95.88)

Дата актуализации: 10.08.2017

Типовой проект 901-1-98.88

Альбом VI. Электротехническая часть (из ТП 901-1-95.88)

Обозначение: Типовой проект 901-1-98.88
Обозначение англ: 901-1-98.88
Статус:не определен законодательством
Название рус.:Альбом VI. Электротехническая часть (из ТП 901-1-95.88)
Дата добавления в базу:01.10.2014
Дата актуализации:05.05.2017
Дата введения:05.07.1988
Оглавление:Основной комплект марки ЭМ
   Общие данные
   Гидромеханическая схема и ведомость электроприводов
   Подстанция. Щит станций управления 1Щ. Принципиальная однолинейная схема
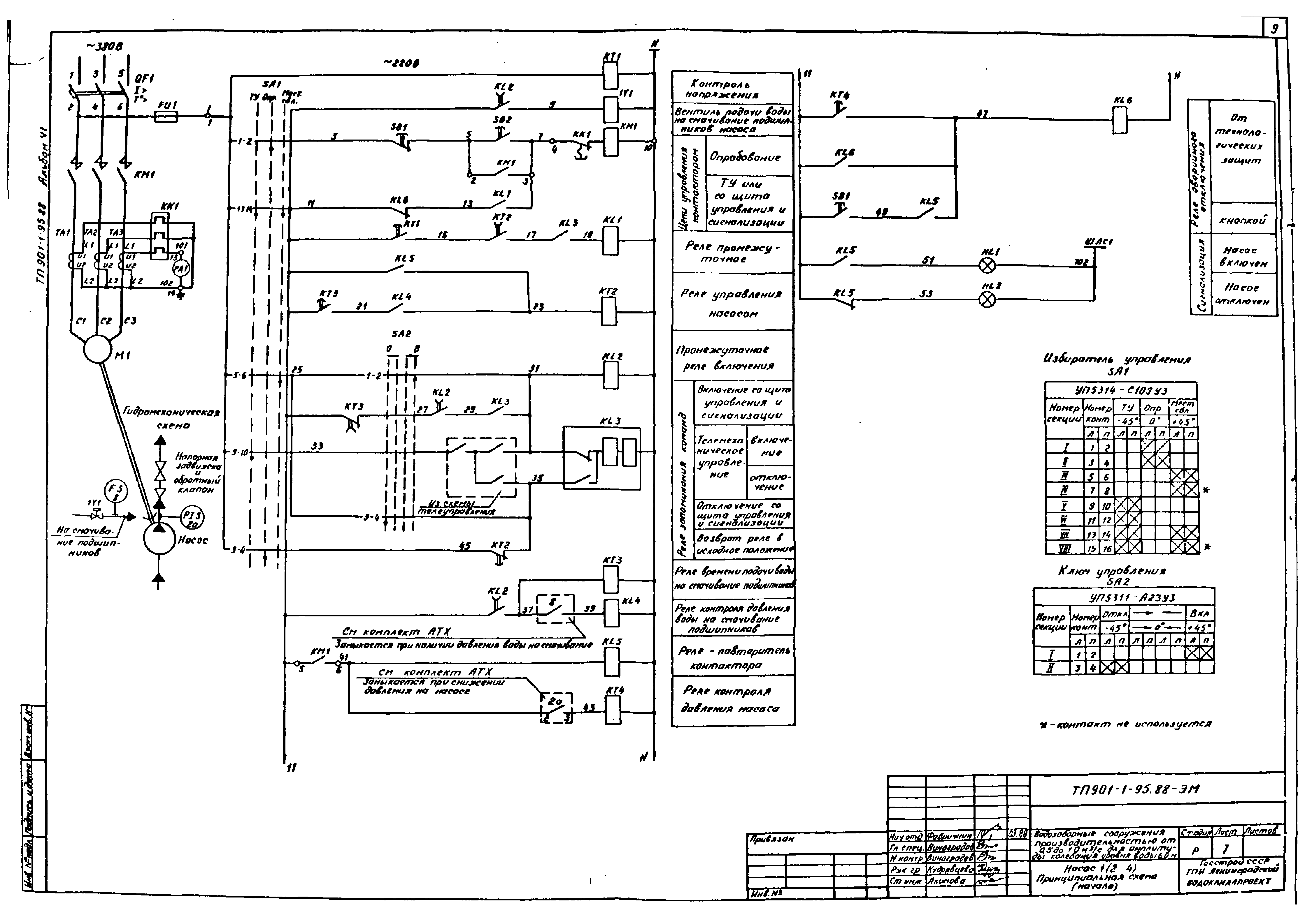
   Насос 1 (2…4). Принципиальная схема
   Вакуум-насос 5 (6). Клапан 8 (9). Принципиальная схема
   Задвижка 10 (11). Затвор 14 (15, 16). Насос 18 (19). Принципиальная схема
   Затвор 12 (13). Принципиальная схема
   Сигнализация. Принципиальная схема
   Электропривода. Схема подключений
   Щит станций управления 1Щ. Схема подключения
   Щит станций управления 2Щ. Ящики управления. Схема подключения
   Кабельный журнал
   План расположения электрооборудования и прокладка кабелей
   Сеть заземления и зануления. План
   Шинный мост
Основной комплект марки ЭО
   Общие данные
   Электрическое освещение. План
   Установка светильников РСП11-400 и ПВЛМ-2х40 на кронштейне, на стене
Основной комплект марки АТХ
   Общие данные
   Схема автоматизации
   Схема электрическая принципиальная распределительной сети
   Схема электрическая принципиальная измерения уровня и перепада на сетках
   Схема соединений внешних проводок
   Схема подключения внешних проводок
   Щитовое помещение. План расположения
   Машзал. План расположения
Разработан: Ленинградский Водоканалпроект
Утверждён:06.04.1988 Госстрой СССР (25)
Расположен в:Техническая документация Строительство Справочные документы Типовые строительные конструкции, изделия и узлы Общероссийский строительный каталог Промышленные предприятия, здания и сооружения Здания и сооружения санитарно-технические Водоснабжение Водозаборные сооружения
Заменяет собой:
Типовой проект 901-1-98.88Типовой проект 901-1-98.88Типовой проект 901-1-98.88Типовой проект 901-1-98.88Типовой проект 901-1-98.88Типовой проект 901-1-98.88Типовой проект 901-1-98.88Типовой проект 901-1-98.88Типовой проект 901-1-98.88Типовой проект 901-1-98.88Типовой проект 901-1-98.88Типовой проект 901-1-98.88Типовой проект 901-1-98.88Типовой проект 901-1-98.88Типовой проект 901-1-98.88Типовой проект 901-1-98.88Типовой проект 901-1-98.88Типовой проект 901-1-98.88Типовой проект 901-1-98.88Типовой проект 901-1-98.88Типовой проект 901-1-98.88Типовой проект 901-1-98.88Типовой проект 901-1-98.88Типовой проект 901-1-98.88Типовой проект 901-1-98.88Типовой проект 901-1-98.88Типовой проект 901-1-98.88Типовой проект 901-1-98.88Типовой проект 901-1-98.88Типовой проект 901-1-98.88Типовой проект 901-1-98.88Типовой проект 901-1-98.88Типовой проект 901-1-98.88Типовой проект 901-1-98.88Типовой проект 901-1-98.88Типовой проект 901-1-98.88Типовой проект 901-1-98.88Типовой проект 901-1-98.88

© 2013 Ёшкин Кот :-) Карта сайта