| ||||||||||||||||||||||||||
Скачать Типовые проектные решения 407-03-380.86 Альбом II. Схемы управления выключателей при отсутствии ОАПВДата актуализации: 10.08.2017
|
| Обозначение: | Типовые проектные решения 407-03-380.86 |
| Обозначение англ: | 407-03-380.86 |
| Статус: | не действует |
| Название рус.: | Альбом II. Схемы управления выключателей при отсутствии ОАПВ |
| Дата добавления в базу: | 01.10.2014 |
| Дата актуализации: | 05.05.2017 |
| Дата введения: | 01.11.2005 |
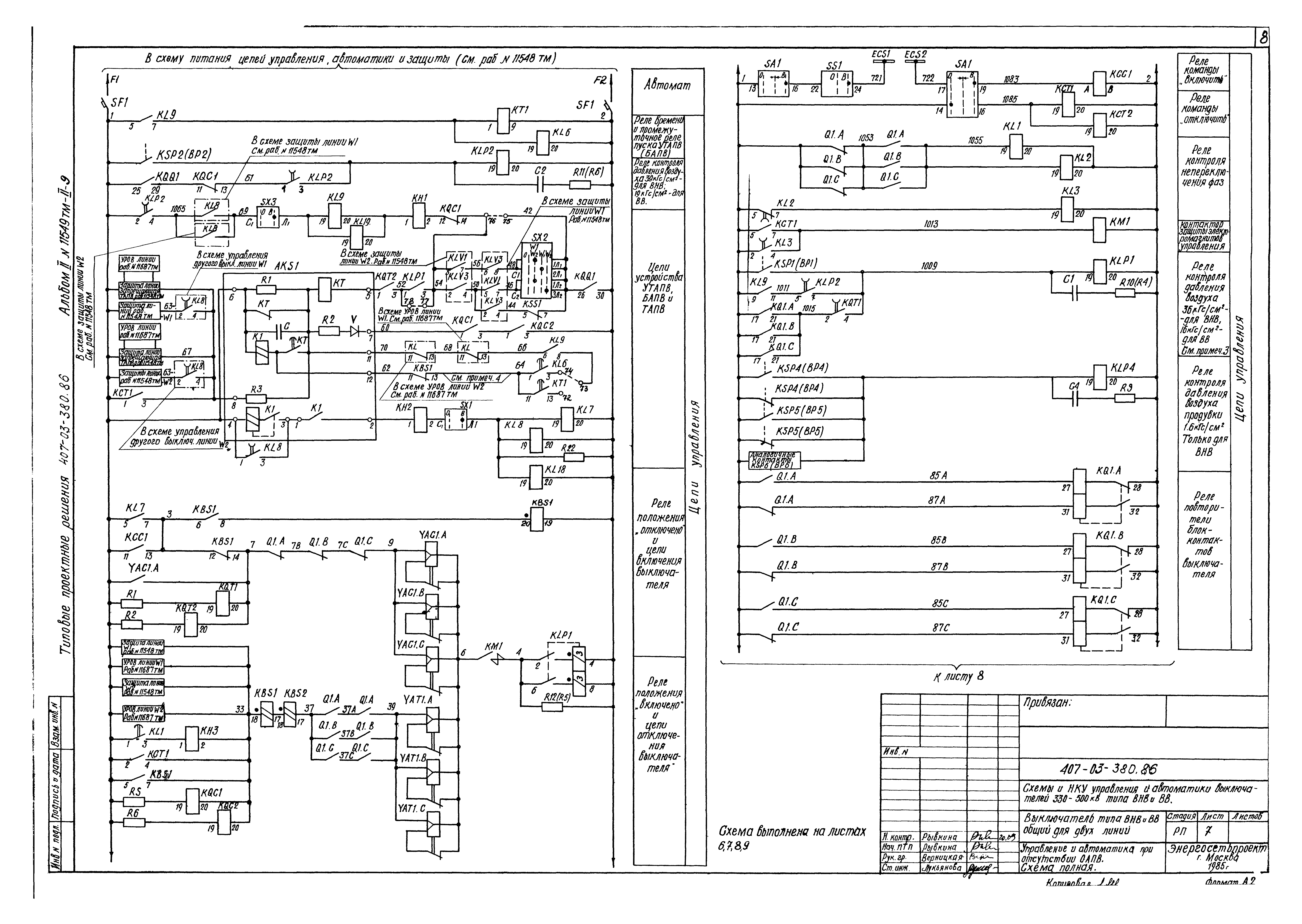
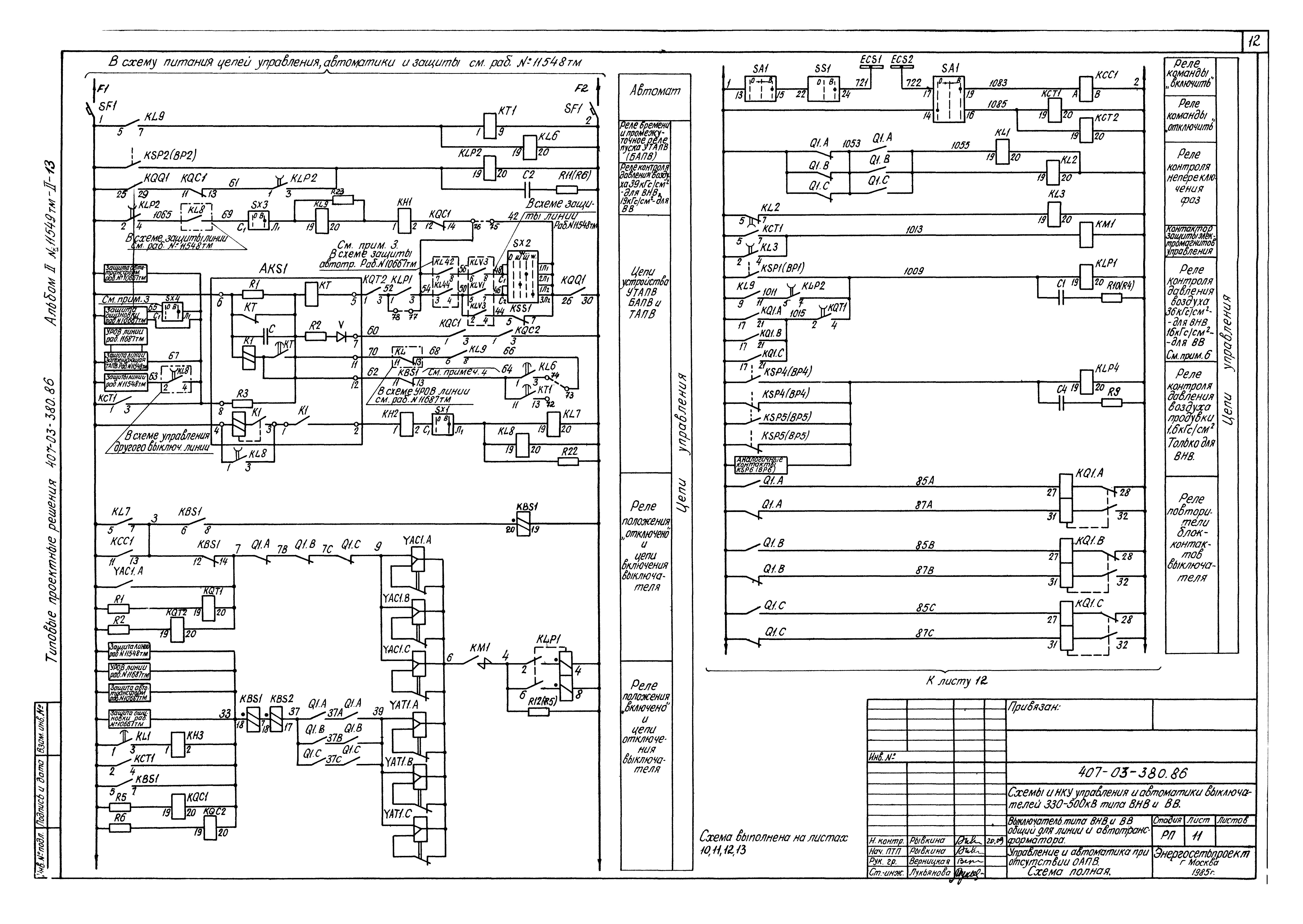
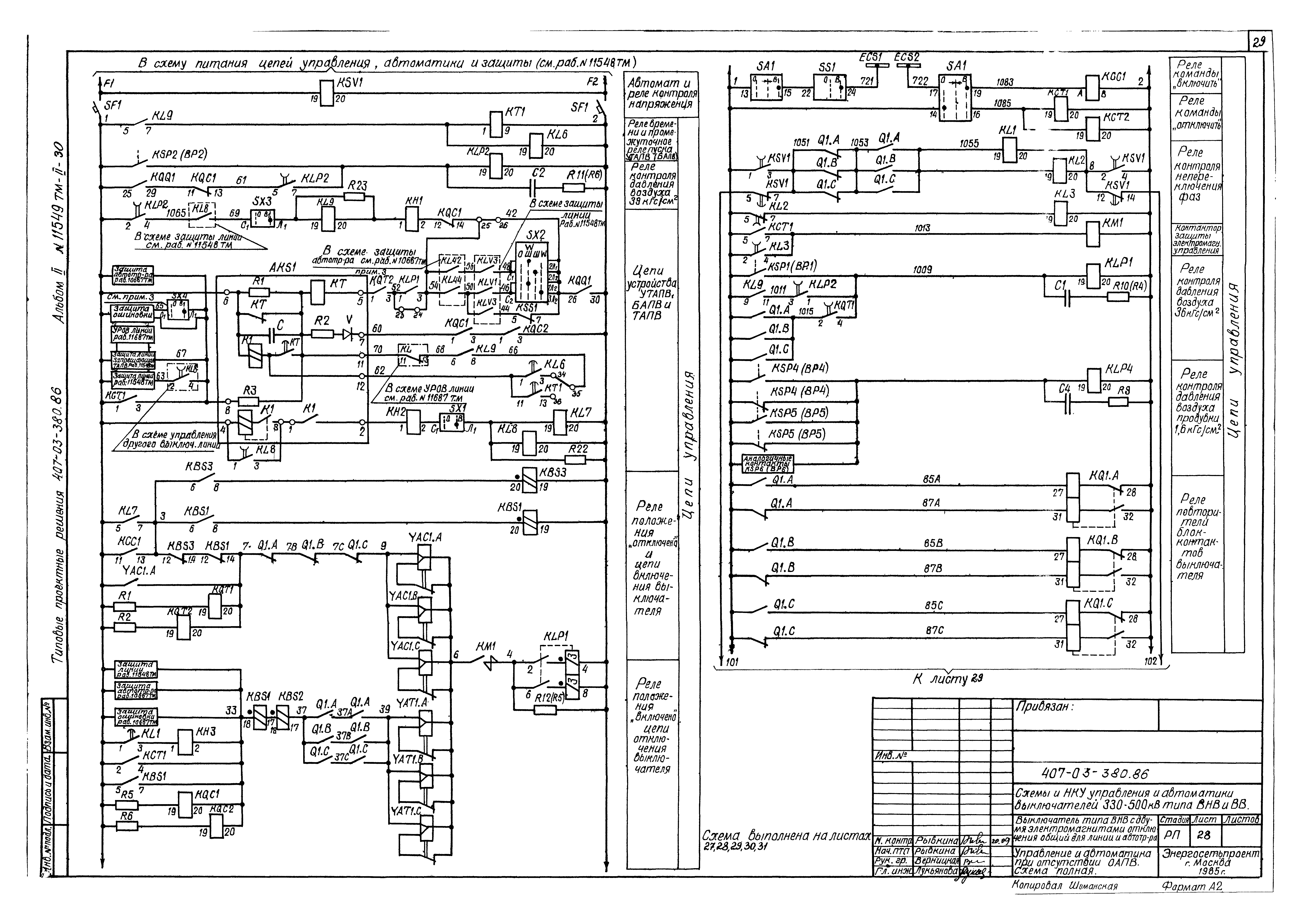
| Оглавление: | Общие данные РУ 330 - 500 кВ. Схемы электрических соединений Выключатель типа ВНВ и ВВ общий для двух линий. Управление и автоматика при отсутствии ОАПВ. Схема полная Выключатель типа ВНВ общий для линии и автотрансформатора. Управление и автоматика при отсутствии ОАПВ. Схема полная Выключатель типа ВНВ и ВВ линии. Управление и автоматика при отсутствии ОАПВ. Схема полная Выключатель типа ВНВ и ВВ автотрансформатора. Управление и автоматика. Схема полная Выключатель типа ВНВ с двумя электромагнитами отключения общий для двух линий. Управление и автоматика при отсутствии ОАПВ. Схема полная Выключатель типа ВНВ с двумя электромагнитами отключения. Общий для линии и автотрансформатора. Управление и автоматика при отсутствии ОАПВ. Схема полная Выключатель типа ВНВ с двумя электромагнитами отключения линии. Управление и автоматика при отсутствии ОАПВ. Схема полная Выключатель типа ВНВ с двумя электромагнитами отключения автотрансформатора. Управление и автоматика. Схема полная |
| Разработан: | Энергосетьпроект |
| Утверждён: | 02.12.1985 Минэнерго СССР (USSR Minenergo 30) |
| Расположен в: |









































