| ||||||||||||||||||||||||||||
Скачать Типовые проектные решения 409-13-025.90 Альбом 2. Технология производстваДата актуализации: 10.08.2017
|
| Обозначение: | Типовые проектные решения 409-13-025.90 |
| Обозначение англ: | 409-13-025.90 |
| Статус: | cправочные материалы, мп, тпр |
| Название рус.: | Альбом 2. Технология производства |
| Дата добавления в базу: | 01.10.2014 |
| Дата актуализации: | 05.05.2017 |
| Дата введения: | 01.04.1991 |
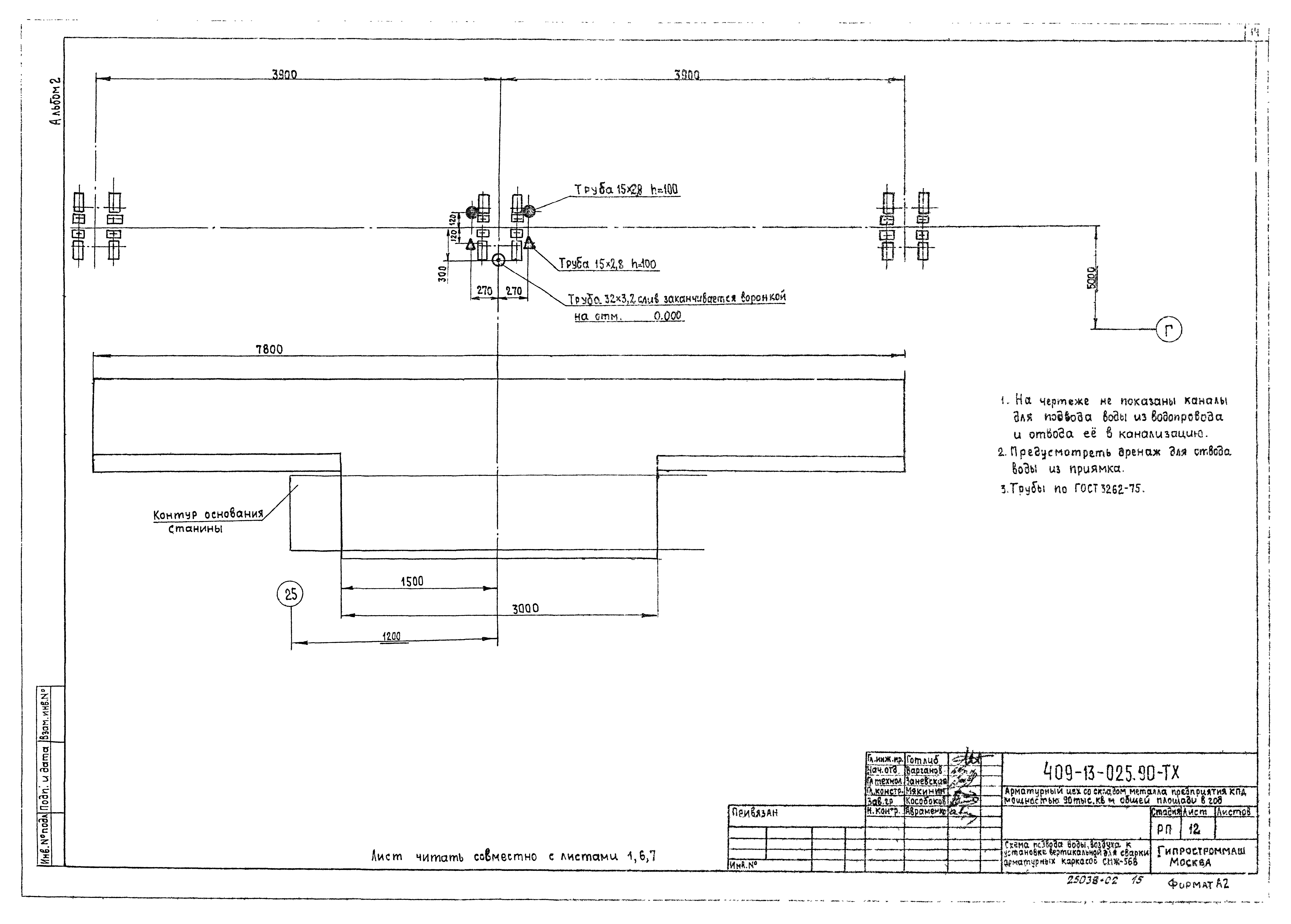
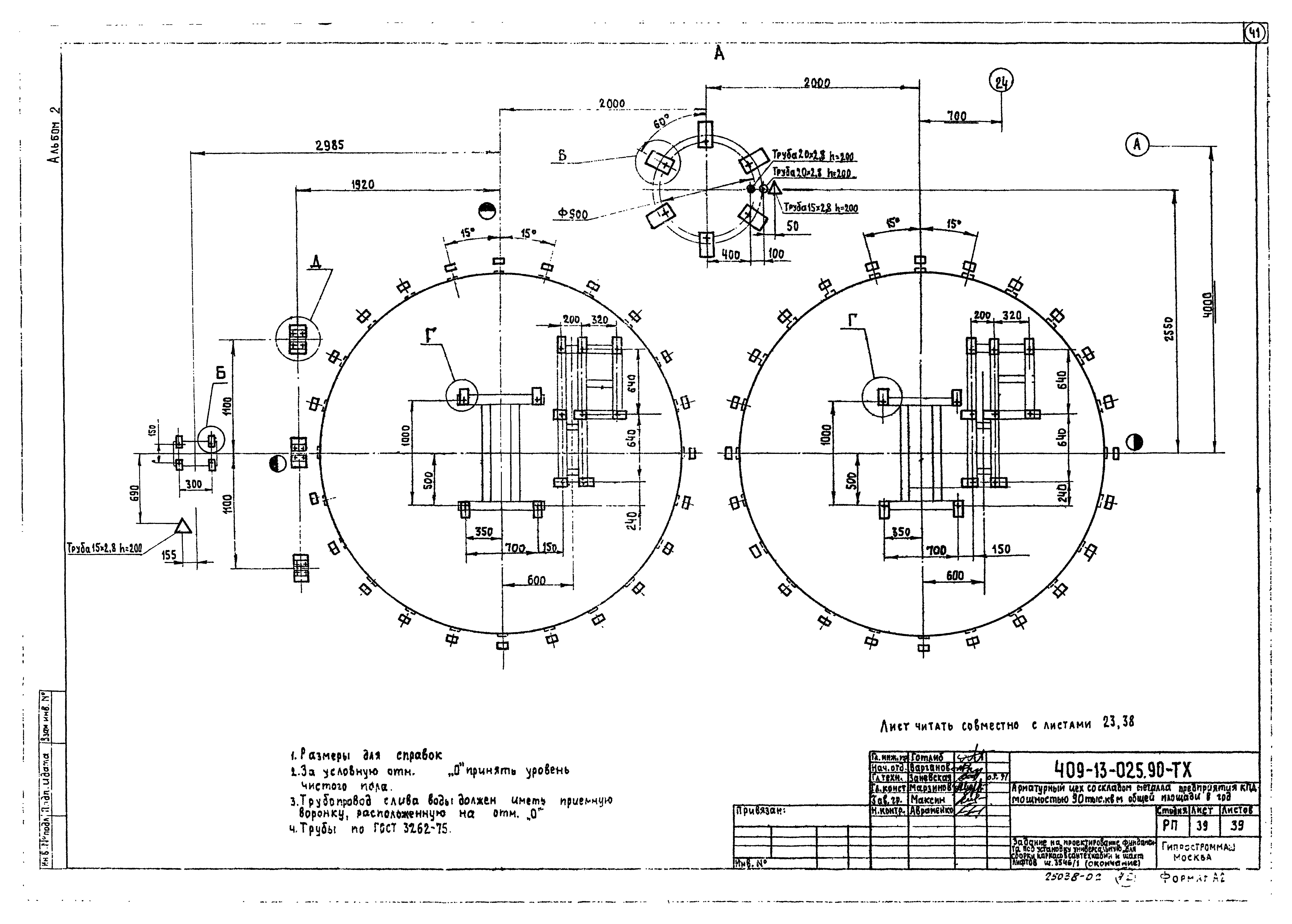
| Оглавление: | Содержание альбома Технология производства Общие данные План на отм. 0.000 Разрез 1-1 Разрезы 2-2, 3-3. Экспликация Схема грузопотоков Данные для проектирования сетей сжатого воздуха Задание на проектирование сетей сжатого воздуха Схема подвода воды, воздуха к комплексу оборудования для изготовления сеток шириной до 3800 мм ш 3549/13 Схема подвода воды, воздуха к комплексу оборудования для изготовления сеток шириной до 800 мм ш 77286/5 Схема подвода воды, воздуха к комплексу оборудования для изготовления сеток шириной до 800 мм ш 77286/6 Схема подвода воды, воздуха к установке вертикальной для сварки арматурных каркасов СМЖ-286Б Схема подвода воды, воздуха к установке вертикальной для сварки арматурных каркасов СМЖ-56В Данные для проектирования водопровода и канализации Задание на проектирование водопровода и канализации Данные для проектирования отопления и вентиляции Задание на проектирование отопления и вентиляции Схемы присоединения оборудования к местной вентиляции Задание на проектирование местной вентиляции от установки СМЖ-286Б Задание на проектирование местной вентиляции от установки СМЖ-56В Задание на защиту окружающей среды Сводный план фундаментов Задание на проектирование фундаментов под оборудование Задание на проектирование фундаментов под СМЖ-322Б и МСО-201 Задание на проектирование фундаментов комплекса оборудования для изготовления сеток шириной до 3800 мм ш 3549/13 Задание на проектирование фундаментов комплекса оборудования для изготовления сеток шириной до 800 мм ш 77286/5 Задание на проектирование фундаментов комплекса оборудования для изготовления сеток шириной до 800 мм ш 77286/6 Задание на проектирование фундамента под установку для сварки арматурных каркасов СМЖ-286Б Задание на проектирование фундамента под установку для сварки арматурных каркасов СМЖ-56В Задание на проектирование фундамента под установку для сварки арматурных каркасов СМЖ-54В Задание на проектирование фундамента под установку универсальную для сварки каркасов сантехкабин и шахт лифтов ш 3546/1 |
| Разработан: | Гипростроммаш |
| Утверждён: | 01.04.1991 Гипростроммаш (36) |
| Издан: | АПП ЦИТП (1991 г. ) |
| Расположен в: |









































