Скачать Типовой проект 503-2-13.86 Альбом II. Отопление, вентиляция. Внутренние водопровод и канализация. Силовое электрооборудование. Электрическое освещение. Автоматизация. Связь и сигнализация. Автоматическое пожаротушениеДата актуализации: 10.08.2017 Типовой проект 503-2-13.86
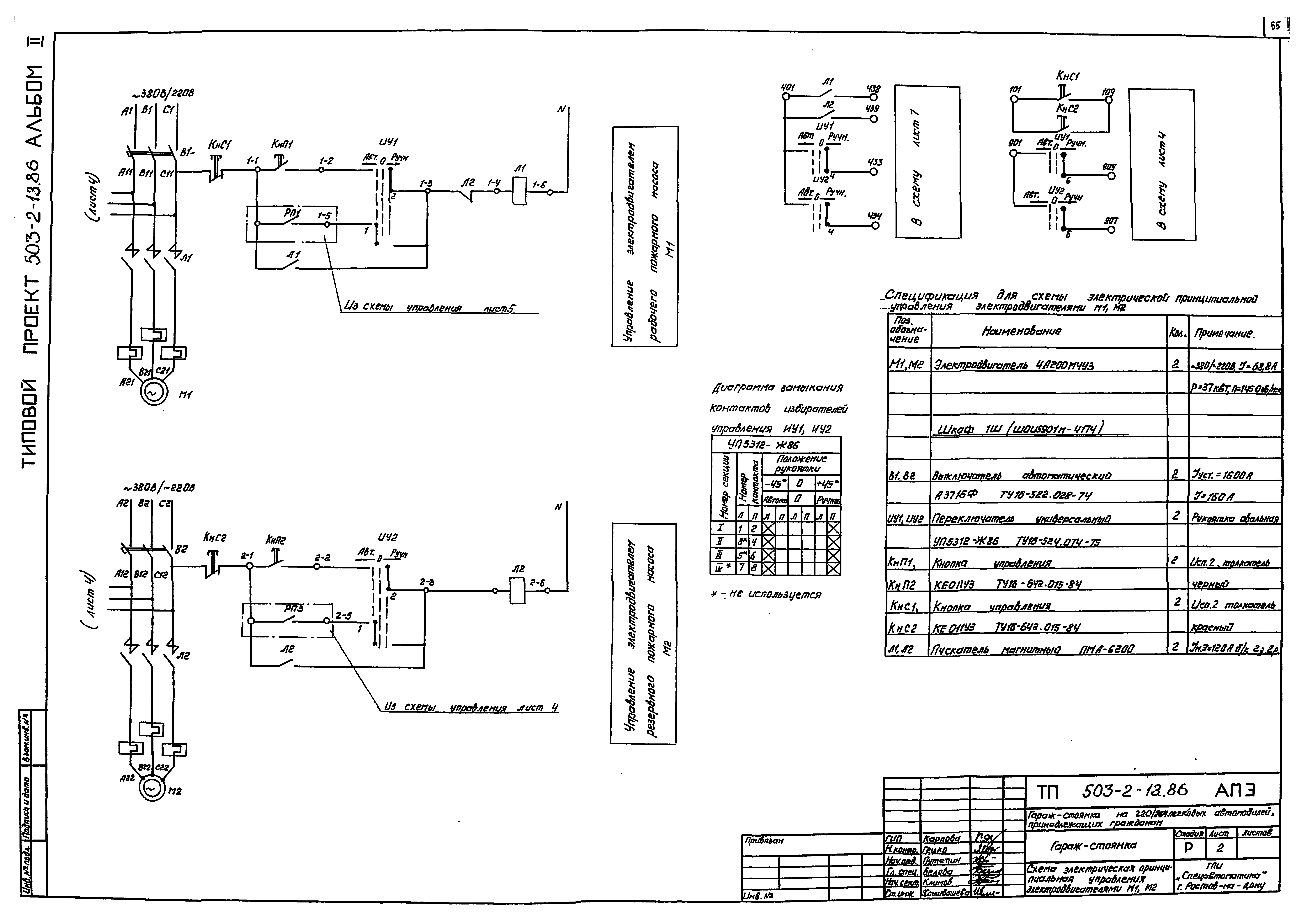
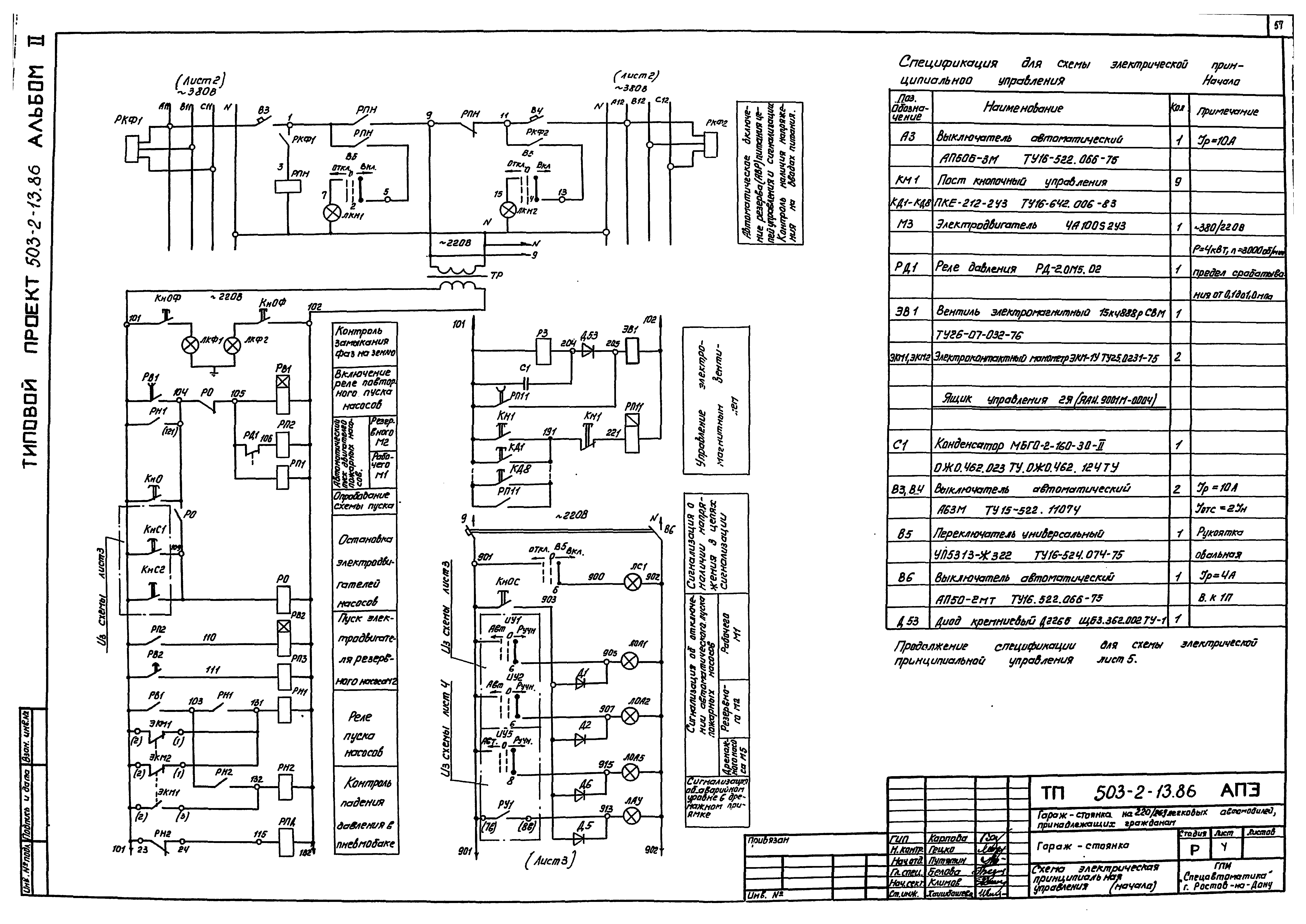
Альбом II. Отопление, вентиляция. Внутренние водопровод и канализация. Силовое электрооборудование. Электрическое освещение. Автоматизация. Связь и сигнализация. Автоматическое пожаротушениеОбозначение: | Типовой проект 503-2-13.86 | Обозначение англ: | 503-2-13.86 | Статус: | не определен законодательством | Название рус.: | Альбом II. Отопление, вентиляция. Внутренние водопровод и канализация. Силовое электрооборудование. Электрическое освещение. Автоматизация. Связь и сигнализация. Автоматическое пожаротушение | Дата добавления в базу: | 01.10.2014 | Дата актуализации: | 05.05.2017 | Дата введения: | 15.04.1986 | Оглавление: | Содержание альбома Чертежи основного комплекта марки ОВ Общие данные План на отм. 0.000. Разрез 1-1 План на отм. 2.800. Тепловая изоляция трубопроводов План на отм. 5.600. План на отм. 8.400 между осями 4 - 5 и А - Г Схема системы отопления Схемы систем П1, П2, В1 - В3, ВЕ1 ИТП. План. Разрез. Принципиальная схема Установки систем П1, П2 Чертежи основного комплекта марки ВК Общие данные План на отм. 0.000. Планы на отм. 2.800 и 5.600 между осями 1 - 7 и А - Л План на отм. 8.400. Узлы 1, 2 Схемы систем В1, Т5, К1, К2, К4. Узел 3 Узел 4. Водоприемный колодец с бадьей Чертежи основного комплекта марки ЭМ Общие данные Планы на отм. 0.000; 2.800; 5.600; 8.400. Фрагмент 1 Ведомость узлов установки электрического оборудования на плане. Принципиальная схема 380/220 В питающей сети. Кабельный журнал Расчетная схема 380/220 В. 1ШР, 2ШР Чертежи основного комплекта марки ЭО Общие данные План на отм. 0.000. Фрагменты 1, 2. План осветительной сети ремонтных канав План на отм. 2.800; 5.600. Ведомость узлов установки электрического оборудования на плане План на отм. 8.400. Принципиальная схема питающей сети. Кабельный журнал Чертежи основного комплекта марки АСТ Общие данные Система П1(П2). Узел управления. Схемы функциональные Система П1(П2). Схема электрическая управления Система П1(П2). Схема электрическая регулирования. Схема электрическая сигнализации Система П1(П2). Схема подключений Система П1(П2). Щит автоматизации 1ША(2ША). Общий вид Щит управления и сигнализации ЩУС. Общий вид Ворота № 1(№ 2, № 3). Схемы План проводок на отм. 0.000 в осях 6 - 9 и Б - Е. Фрагмент 1 Чертежи основного комплекта марки СС Общие данные. План на отм. 0.000 между осями 4/2 - 6 и А - Б Чертежи основного комплекта марки АТП Общие данные План на отм. 0.000. План 3-3. Схема между осями 7/1 - 9 и Д - Е План на отм. 2.800 План на отм. 5.600 Кровля. План на отм. 8.400. Элемент 1 Разрезы 1-1, 2-2. Узел 1. Патрубок Насосная станция. План на отм. - 0.500. Разрез 4-4, 5-5 Насосная станция. Схема трубопроводов Насосная станция. Спецификация Насосная станция. Схема узла управления № 1. Вид 7-7 Насосная станция. Узел управления № 1. Общий вид. Разрез 6-6 Насосная станция. Схема узла управления № 2. Вид 9-9 Насосная станция. Узел управления № 2. Общий вид. Разрез 8-8 Насосная станция. Вертикальный аппарат емкостью V = 1 куб. м с измерительным устройством Монтажный чертеж пожарного крана Ду70 Чертежи основного комплекта марки АПЭ Общие данные Схема электрическая принципиальная управления электродвигателями М1, М2 Схема электрическая принципиальная управления электродвигателем М5 Схема электрическая принципиальная управления Схема электрическая принципиальная сигнализации Схема электрическая функциональная Насосная станция пожаротушения План кровли на отм. 8.400. План на отм. 0.000 Схема электрическая подключений Кабельный журнал | Разработан: | Ростовский филиал Гипроавтотранса Минавтотранса РСФСР
| Утверждён: | 15.04.1986 Минавтотранс РСФСР (Russian Federation Minavtotrans 10)
| Расположен в: |
|
                                                                 
|