| ||||||||||||||||||||||||||
Скачать Типовые материалы для проектирования 407-03-555.90 Альбом III. Схемы полные и низковольтныеДата актуализации: 10.08.2017
|
| Обозначение: | Типовые материалы для проектирования 407-03-555.90 |
| Обозначение англ: | 407-03-555.90 |
| Статус: | cправочные материалы, мп, тпр |
| Название рус.: | Альбом III. Схемы полные и низковольтные |
| Дата добавления в базу: | 01.10.2014 |
| Дата актуализации: | 05.05.2017 |
| Дата введения: | 27.08.1990 |
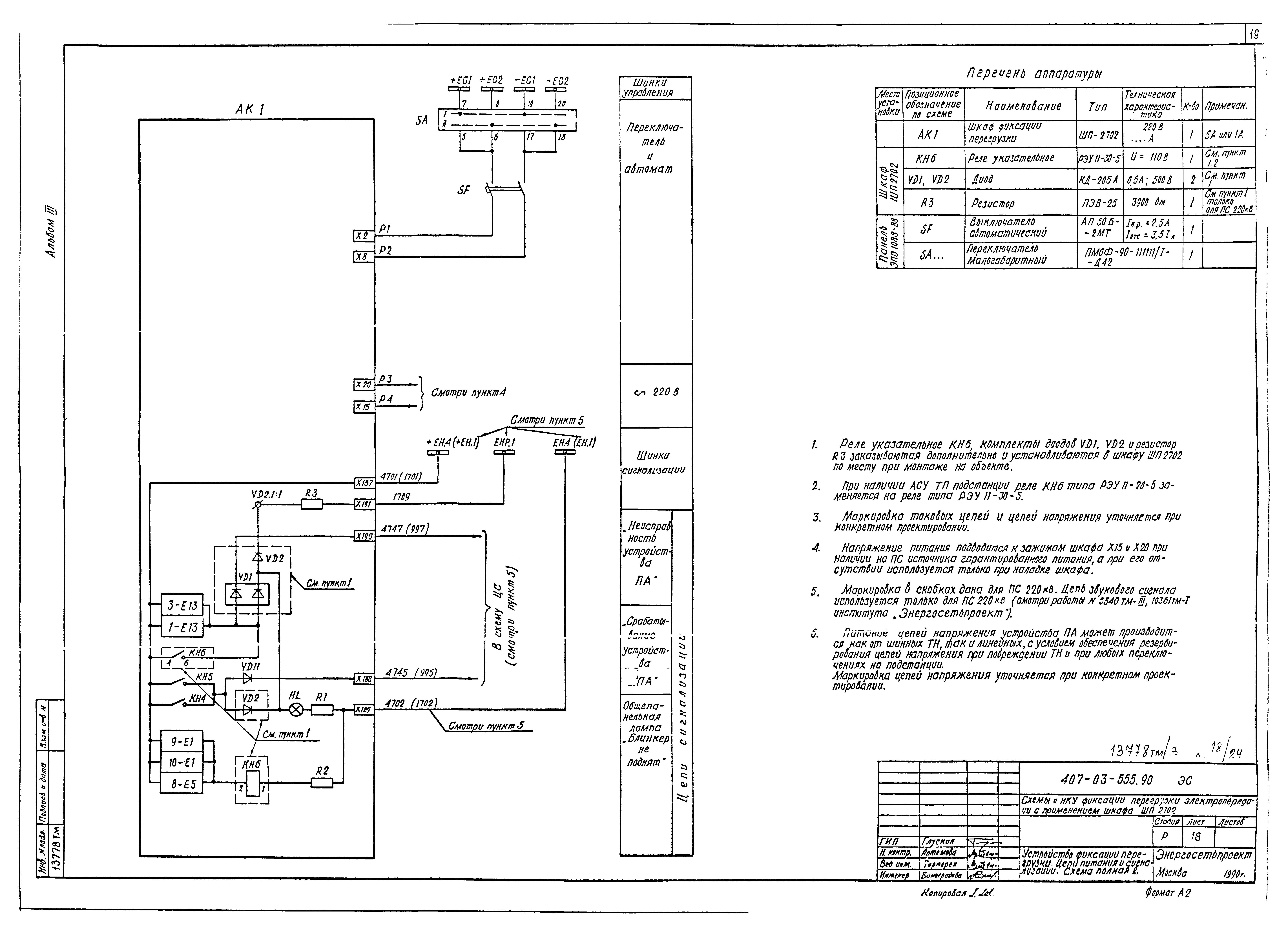
| Оглавление: | Общие данные Устройство фиксации перегрузки. Измерительные цепи. Схема полная 1 Устройство фиксации перегрузки. Измерительные цепи. Схема полная 2 Устройство фиксации перегрузки. Измерительные цепи. Схема полная 3 Устройство фиксации перегрузки. Измерительные цепи. Схема полная 4 Устройство фиксации перегрузки. Измерительные цепи. Схема полная 5 Устройство фиксации перегрузки. Измерительные цепи. Схема полная 6 Устройство фиксации перегрузки. Измерительные цепи. Схема полная 7 Устройство фиксации перегрузки. Измерительные цепи. Схема полная 8 Устройство фиксации перегрузки. Измерительные цепи. Схема полная 9 Устройство фиксации перегрузки. Цепи изменения уставок и оперативные цепи. Схема полная 1 Устройство фиксации перегрузки. Цепи изменения уставок и оперативные цепи. Схема полная 2 Устройство фиксации перегрузки. Цепи изменения уставок и оперативные цепи. Схема полная 3 Устройство фиксации перегрузки. Цепи изменения уставок и оперативные цепи. Схема полная 4 Устройство фиксации перегрузки. Цепи изменения уставок и оперативные цепи. Схема полная 5 Устройство фиксации перегрузки. Цепи изменения уставок и оперативные цепи. Схема полная 6 Устройство фиксации перегрузки. Цепи питания и сигнализации. Схема полная 1 Устройство фиксации перегрузки. Цепи питания и сигнализации. Схема полная 2 Устройство фиксации перегрузки. Цепи питания и сигнализации. Схема полная 3 Устройство фиксации перегрузки. Цепи питания и сигнализации. Схема полная 4 Устройство фиксации перегрузки. Цепи питания и сигнализации. Схема полная 5 Устройство фиксации перегрузки. Схема подключения НКУ Устройство фиксации перегрузки. Общий вид шкафа |
| Разработан: | Энергосетьпроект |
| Утверждён: | 27.08.1990 Минэнерго СССР (USSR Minenergo 50) |
| Расположен в: |

























