Скачать Типовой проект 903-1-313.96 Альбом 1. Пояснительная записка. Тепломеханическая часть котельной. Архитектурно-строительные решения. Конструкции металлические. Отопление и вентиляция. Внутренние водопровод и канализация. Электрооборудование силовое, электрическое освещение, заземление. Автоматизация тепломеханической частиДата актуализации: 10.08.2017 Типовой проект 903-1-313.96
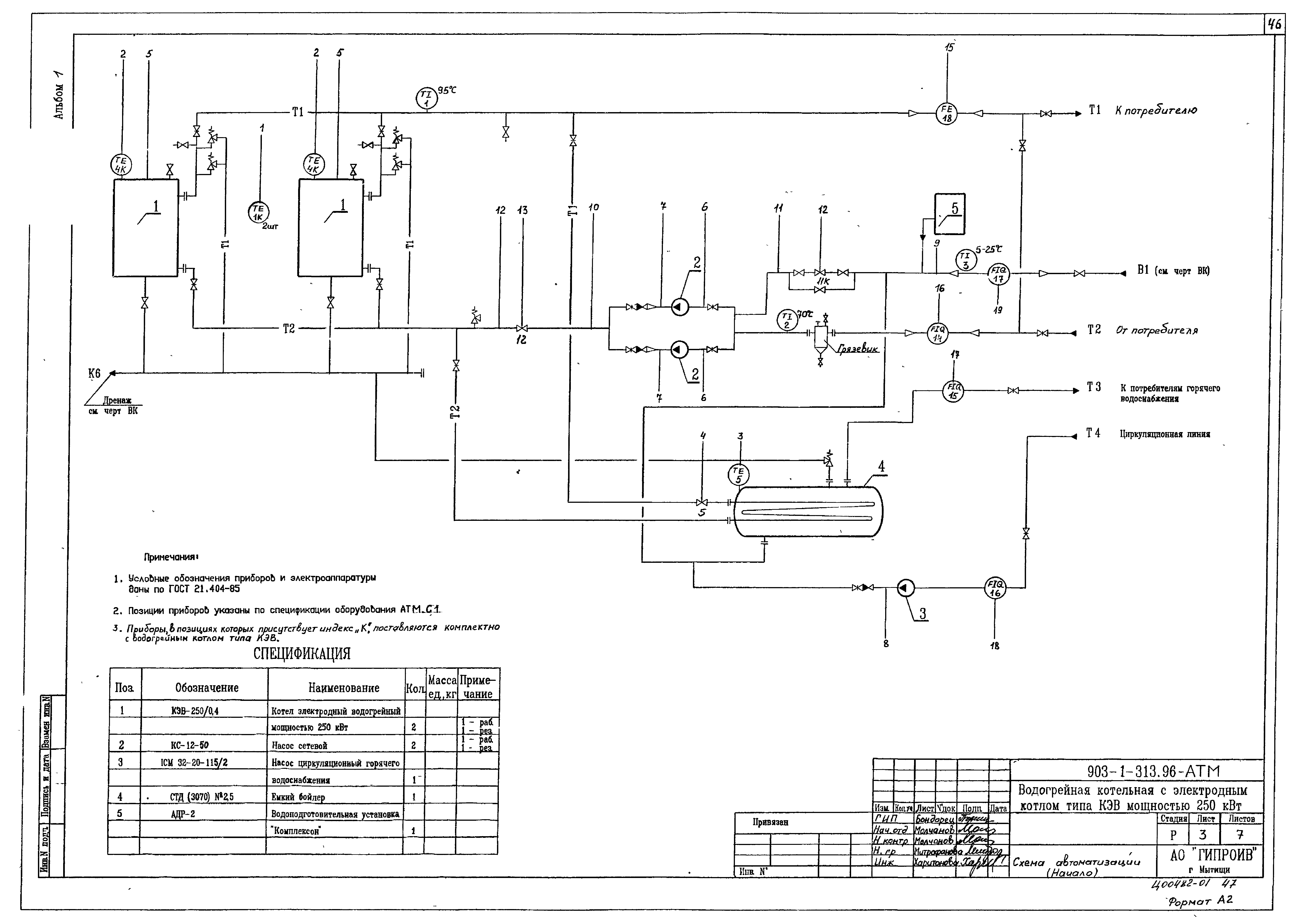
Альбом 1. Пояснительная записка. Тепломеханическая часть котельной. Архитектурно-строительные решения. Конструкции металлические. Отопление и вентиляция. Внутренние водопровод и канализация. Электрооборудование силовое, электрическое освещение, заземление. Автоматизация тепломеханической частиОбозначение: | Типовой проект 903-1-313.96 | Обозначение англ: | 903-1-313.96 | Статус: | не определен законодательством | Название рус.: | Альбом 1. Пояснительная записка. Тепломеханическая часть котельной. Архитектурно-строительные решения. Конструкции металлические. Отопление и вентиляция. Внутренние водопровод и канализация. Электрооборудование силовое, электрическое освещение, заземление. Автоматизация тепломеханической части | Дата добавления в базу: | 01.10.2014 | Дата актуализации: | 05.05.2017 | Дата введения: | 18.10.1996 | Оглавление: | Содержание альбома Пояснительная записка Тепломеханическая часть котельной Общие данные Принципиальная схема. Спецификация врезок и вставок КИП и А. Спецификация оборудования План на отм. 0.000. Спецификация оборудования Разрез "1-1" Разрез "2-2" Разрез "3-3" Узлы крепления трубопроводов "1 - 4" Узлы крепления трубопроводов "5", "6" Узлы крепления трубопроводов "7 - 9" Ведомость объемов теплоизоляционных работ Архитектурно-строительные решения Общие данные План на отм. 0.000. Разрезы "1-1", "2-2" Фасады в осях "1 - 2"; "2 - 1"; "А - Б"; "Б - А" Схема расположения элементов фундаментов Схема расположения элементов покрытия Схема расположения фундаментов под оборудование План полов и отделочных работ Узлы "1 - 6" Конструкции металлические Общие данные Техническая спецификация стали Схема расположения элементов площадки на отм. 0.700 Схема расположения монорельса на отм. 0.000 Отопление и вентиляция Общие данные План на отм. 0.000. Разрез "1-1". Схема отопления. Схема системы ВЕ1 Внутренние водопровод и канализация Общие данные План на отм. 0.000 Схемы сетей В1, Т3, К1, К2 Ведомость объемов теплоизоляционных работ Электрооборудование силовое, электрическое освещение, заземление Общие данные Принципиальная схема распределительной сети 1ПР Принципиальная схема распределительной сети План на отм. 0.000 в осях "1 - 2"; "А - Б" с электросетями План на отм. 0.000 в осях "1 - 2"; "А - Б" с сетями электроосвещения Автоматизация тепломеханической части Общие данные Схема автоматизации Схема внешних проводок План расположения | Разработан: | АО Гипроив
| Утверждён: | 18.10.1996 Комитет РФ по химической и нефтехимической промышленности (09/1-11-115)
| Расположен в: |
|
                                                 
|