Информационная система
«Ёшкин Кот»

Скачать базу одним архивом
Скачать обновления
История создания базы
Карта сайта

Скачать Типовой проект 903-1-268.89 Альбом 4. Оборудование технологическое. Рабочие чертежи (из ТП 903-1-269.89)

Дата актуализации: 10.08.2017

Типовой проект 903-1-268.89

Альбом 4. Оборудование технологическое. Рабочие чертежи (из ТП 903-1-269.89)

Обозначение: Типовой проект 903-1-268.89
Обозначение англ: 903-1-268.89
Статус:не определен законодательством
Название рус.:Альбом 4. Оборудование технологическое. Рабочие чертежи (из ТП 903-1-269.89)
Дата добавления в базу:01.10.2014
Дата актуализации:05.05.2017
Дата введения:04.04.1989
Оглавление:Содержание
Д12А.032.000 Расширитель для установки ТУДЭ
Д12А.032.000СБ Расширитель для установки ТУДЭ
Д12А.032.002 Крышка
Д12А.032.003 Обечайка
Д22Г.063.000 Шкаф аккумуляторный
Д22Г.063.001 Обечайка
Д22Г.063.002 Крышка
Д22Г.063.000СБ Шкаф аккумуляторный
Д22Г.063.004 Фланец
Д22Г.063.005 Подкладка
Д22Г.063.006 Стенка
Д22Е.030.000 Дозатор напорный
Д22Е.030.001 Косынка
Д22Е.030.003 Корпус
Д22Е.030.000СБ Дозатор напорный
Д22Е.030.002 Патрубок
Д22Е.030.004 Диск
Д22Е.030.005 Патрубок
Д22Е.037.000 Тройник
Д22Е.037.000СБ Тройник
Д22Е.037.001 Труба
Д22Е.037.002 Труба
Д22Е.037.003 Заглушка
Д22Е.038.000 Тройник-ревизия
Д22Е.038.001 Корпус
Д22Е.038.000СБ Тройник-ревизия
Д22Е.038.002 Прокладка
Д22Е.038.003 Заглушка
Д22Е.038.005 Труба
Д22Е.038.006 Планка
Д22Е.047.000 Механизм подъема щита
Д22Е.047.001 Плита
Д22Е.047.002 Прижим
Д22Е.047.000СБ Механизм подъема щита
Д22Е.047.010 Барабан
Д22Е.047.003 Диск
Д22Е.047.010СБ Барабан
Д22Е.047.004 Ступица
Д22Е.047.005 Обечайка
Д22Е.047.006 Кольцо
Д22Е.047.007 Диск
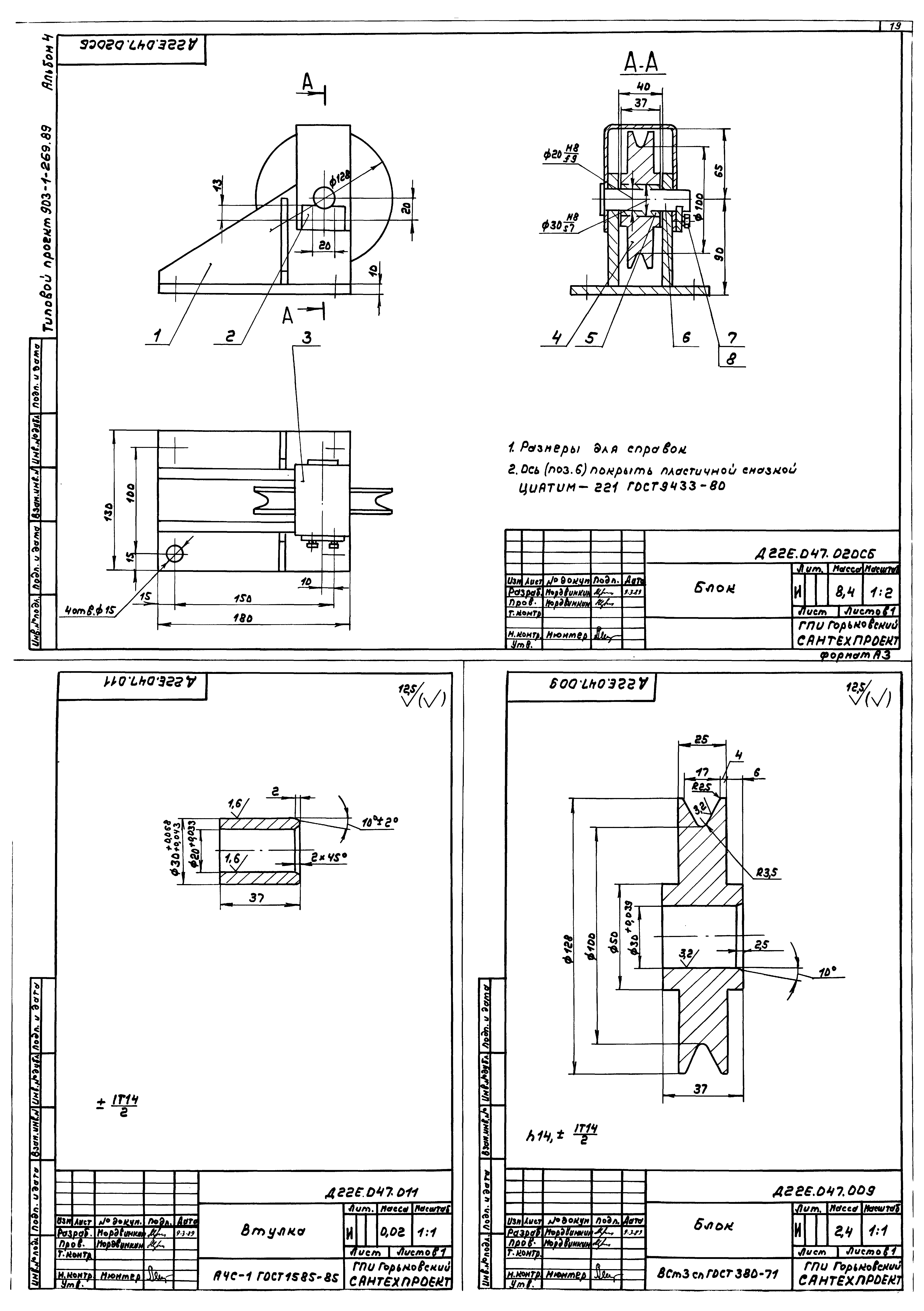
Д22Е.047.020 Блок
Д22Е.047.008 Ограничитель
Д22Е.047.020СБ Блок
Д22Е.047.009 Блок
Д22Е.047.011 Втулка
Д22Е.047.012 Ось
Д22Е.047.030 Кронштейн
Д22Е.047.030СБ Кронштейн
Д22Е.047.013 Стойка
Д22Е.047.014 Ребро
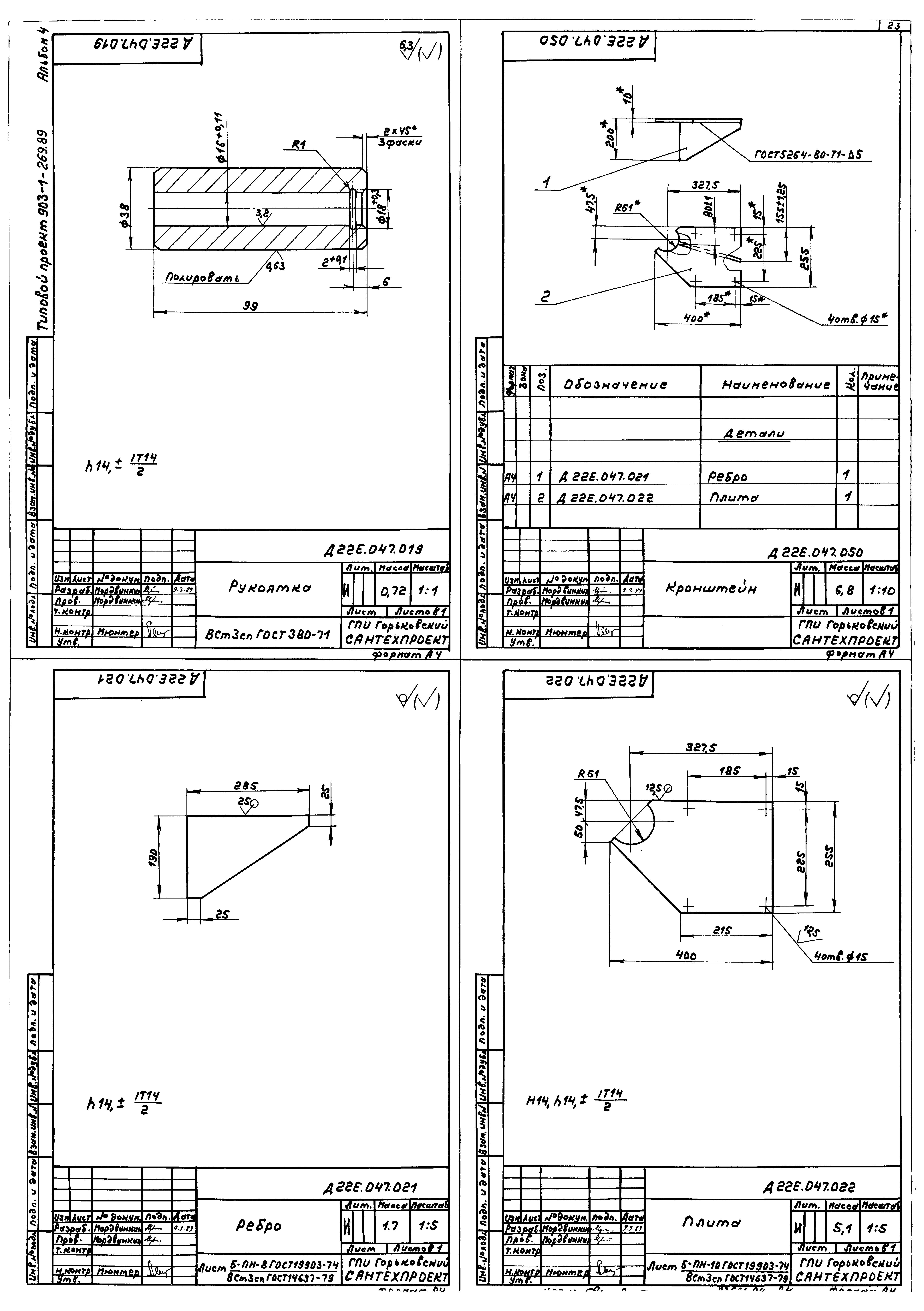
Д22Е.047.040 Рукоятка
Д22Е.047.040СБ Рукоятка
Д22Е.047.015 Ступица
Д22Е.047.016 Пластина
Д22Е.047.017 Кольцо
Д22Е.047.018 Ось
Д22Е.047.019 Рукоятка
Д22Е.047.050 Кронштейн
Д22Е.047.021 Ребро
Д22Е.047.022 Плита
Д23В.108.000 Бак силиката натрия
Д23В.108.002 Стенка
Д23В.108.003 Днище
Д23В.108.000СБ Бак силиката натрия
Д23В.108.004 Крышка
Д23В.108.006 Стенка
Д23В.108.009 Ручка
Д23В.108.011 Петля
Д23В.108.012 Ось
Д23В.108.013 Крышка
Д23В.109.000 Бак умягченной воды V = 13 куб. м
Д23В.109.001 Прокладка
Д23В.109.000СБ Бак умягченной воды V = 13 куб. м
Д23В.109.010 Корпус
Д23В.109.002 Крышка
Д23В.109.003 Фланец
Д23В.109.010СБ Корпус
Д23В.109.005 Обечайка
Д23В.109.006 Патрубок
Д23В.109.007 Дно
Д23В.109.020 Крышка
Д23В.109.020СБ Крышка
Д23В.109.016 Лист
Д23В.110.001 Тяга
Д23В.110.000 Бак разрыва струи
Д23В.110.002 Стойка
Д23В.110.010 Крышка
Д23В.110.000СБ Бак разрыва струи
Д23В.110.010СБ Крышка
Д23В.110.020 Поплавок
Д23В.110.020СБ Поплавок
Д23В.110.004 Серьга
Д23В.110.006 Обечайка
Д23В.110.030 Корпус
Д23В.110.008 Петля
Д23В.110.030СБ Корпус
Д23В.110.009 Стенка
Д23В.110.012 Стенка
Д23В.110.013 Фланец
Д23В.110.017 Петля
Д23В.110.021 Дно
Д23В.110.040 Заглушка
Д23В.110.040СБ Заглушка
Д23В.110.023 Подвеска
Д23В.111.000 Бак нижних точек
Д23В.111.001 Фланец
Д23В.111.003 Стенка
Д23В.111.000СБ Бак нижних точек
Д23В.111.010 Корпус
Д23В.111.006 Фланец
Д23В.111.007 Стенка
Д23В.111.010СБ Корпус
Д23В.111.009 Конус
Д23В.111.020 Крышка
Д23В.111.015 Ручка
Д23В.111.020СБ Крышка
Д23Е.003.000 Фильтр рабочего раствора
Д23Е.003.010 Корпус
Д23Е.003.000СБ Фильтр рабочего раствора
Д23Е.003.010СБ Корпус
Д23Е.003.001 Патрубок
Д23Е.003.002 Днище
Д23Е.003.020 Фильтр
Д23Е.003.005 Ручка
Д23Е.003.020СБ Фильтр
Д23Е.003.030 Корпус
Д23Е.003.006 Обечайка
Д23Е.003.030СБ Корпус
Д23Е.004.000 Фильтр воды
Д23Е.004.001 Гайка накидная
Д23Е.004.002 Шайба дроссельная
Д23Е.004.000СБ Фильтр воды
Д23Е.004.003 Ниппель
Д23Е.004.004 Прокладка
Д23Е.004.010СБ Трубопровод
Д23Е.004.010 Трубопровод
Д23Е.004.020 Корпус
Д23Е.004.020СБ Корпус
Д23Е.004.030 Элемент фильтрующий
Д23Е.004.008 Фланец
Д23Е.004.006 Труба
Д23Е.004.007 Патрубок
Д23Е.004.030СБ Элемент фильтрующий
Д23Е.004.011 Фланец
Разработан: Горьковский Сантехпроект
Утверждён:04.04.1989 Главоргпроект Госстроя СССР (13)
Расположен в:Техническая документация Строительство Справочные документы Типовые строительные конструкции, изделия и узлы Общероссийский строительный каталог Промышленные предприятия, здания и сооружения Здания и сооружения санитарно-технические Теплоснабжение Котельные установки Закрытые системы теплоснабжения Топливо - газ
Типовой проект 903-1-268.89Типовой проект 903-1-268.89Типовой проект 903-1-268.89Типовой проект 903-1-268.89Типовой проект 903-1-268.89Типовой проект 903-1-268.89Типовой проект 903-1-268.89Типовой проект 903-1-268.89Типовой проект 903-1-268.89Типовой проект 903-1-268.89Типовой проект 903-1-268.89Типовой проект 903-1-268.89Типовой проект 903-1-268.89Типовой проект 903-1-268.89Типовой проект 903-1-268.89Типовой проект 903-1-268.89Типовой проект 903-1-268.89Типовой проект 903-1-268.89Типовой проект 903-1-268.89Типовой проект 903-1-268.89Типовой проект 903-1-268.89Типовой проект 903-1-268.89Типовой проект 903-1-268.89Типовой проект 903-1-268.89Типовой проект 903-1-268.89Типовой проект 903-1-268.89Типовой проект 903-1-268.89Типовой проект 903-1-268.89Типовой проект 903-1-268.89Типовой проект 903-1-268.89Типовой проект 903-1-268.89Типовой проект 903-1-268.89Типовой проект 903-1-268.89Типовой проект 903-1-268.89Типовой проект 903-1-268.89Типовой проект 903-1-268.89Типовой проект 903-1-268.89Типовой проект 903-1-268.89Типовой проект 903-1-268.89Типовой проект 903-1-268.89Типовой проект 903-1-268.89Типовой проект 903-1-268.89Типовой проект 903-1-268.89Типовой проект 903-1-268.89Типовой проект 903-1-268.89Типовой проект 903-1-268.89Типовой проект 903-1-268.89Типовой проект 903-1-268.89Типовой проект 903-1-268.89Типовой проект 903-1-268.89Типовой проект 903-1-268.89Типовой проект 903-1-268.89Типовой проект 903-1-268.89Типовой проект 903-1-268.89Типовой проект 903-1-268.89Типовой проект 903-1-268.89

© 2013 Ёшкин Кот :-) Карта сайта