| ||||||||||||||||||||||||
Скачать Типовые проектные решения 820-04-19.85 Альбом II. Водосбросы на расход воды до 95 куб. м/с. Железобетонные конструкции шахты. Монолитный вариантДата актуализации: 10.08.2017
|
| Обозначение: | Типовые проектные решения 820-04-19.85 |
| Обозначение англ: | 820-04-19.85 |
| Статус: | cправочные материалы, мп, тпр |
| Название рус.: | Альбом II. Водосбросы на расход воды до 95 куб. м/с. Железобетонные конструкции шахты. Монолитный вариант |
| Дата добавления в базу: | 01.10.2014 |
| Дата актуализации: | 05.05.2017 |
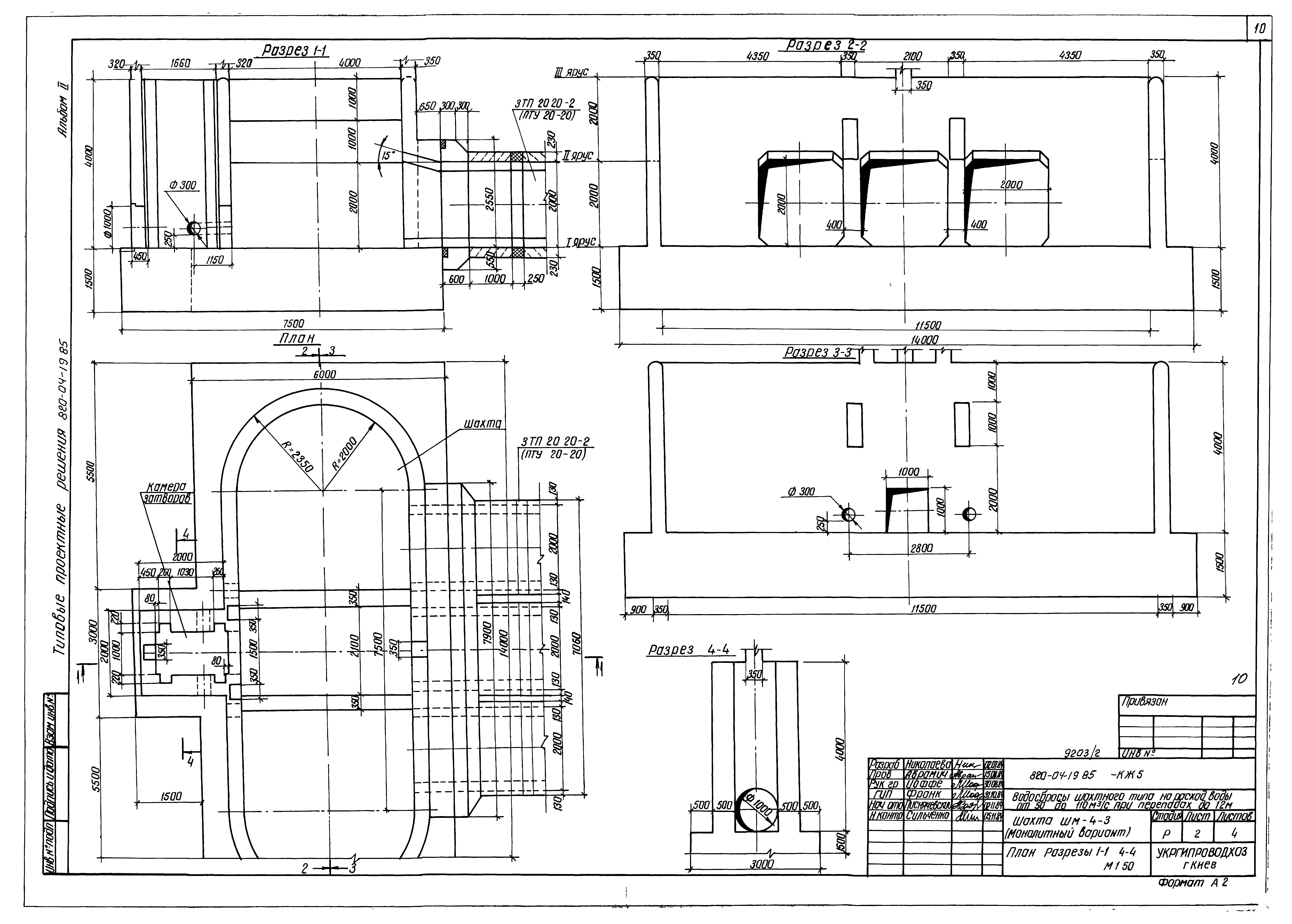
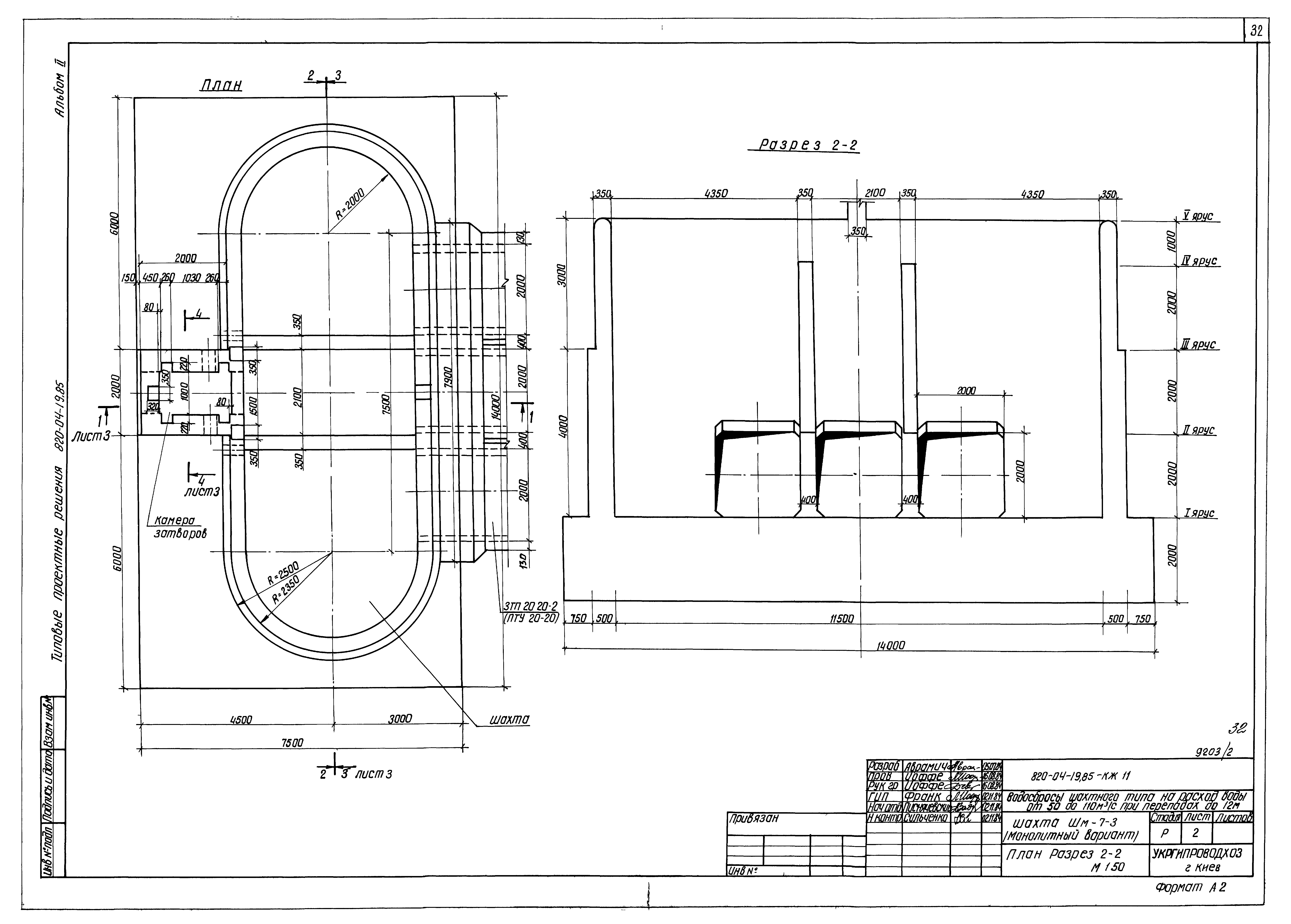
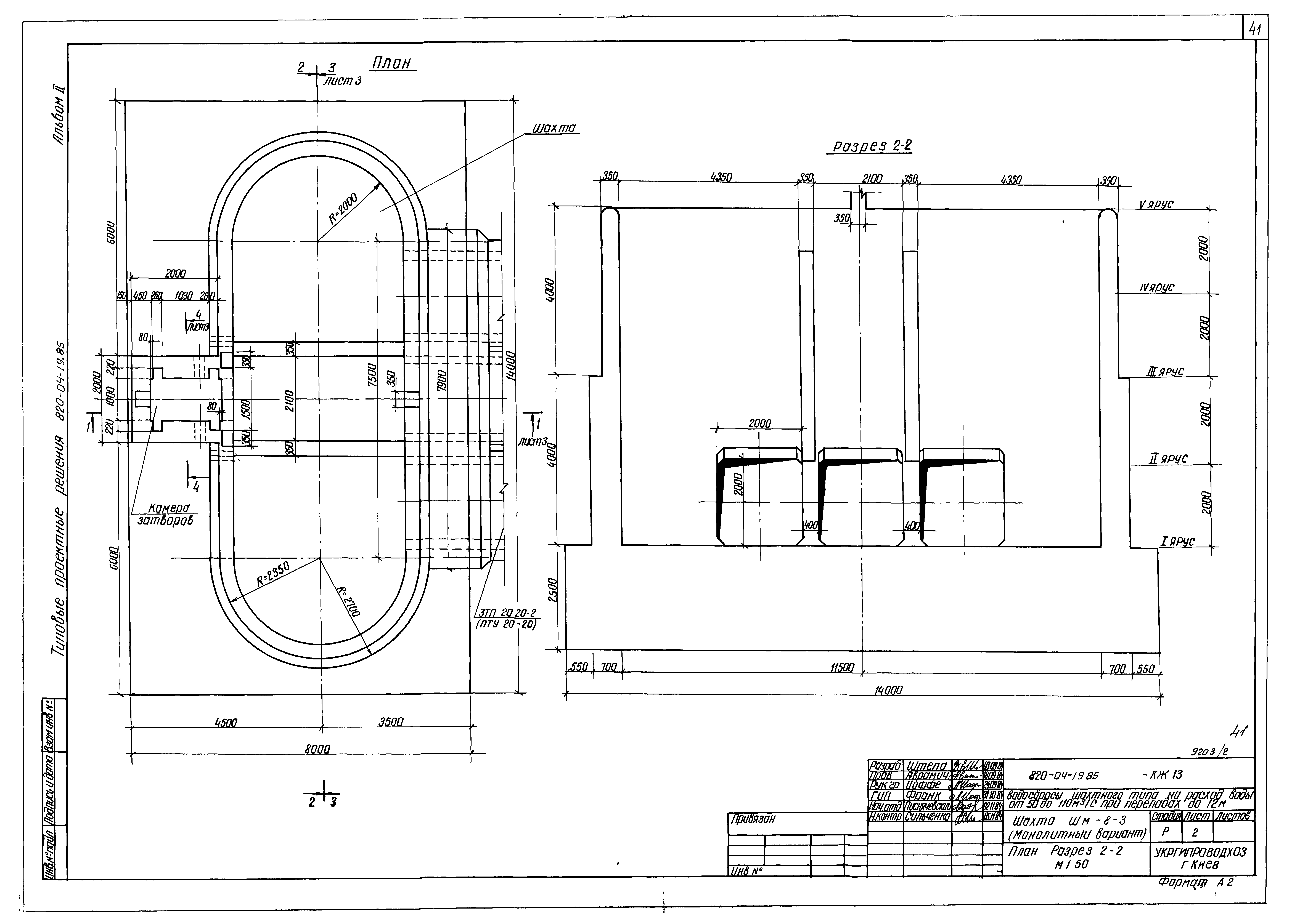
| Оглавление: | Шахта ШМ-3-3 (монолитный вариант) Общие данные План. Разрезы 1-1 - 4-4 Схема армирования. План. Разрезы 1-1 - 5-5 Спецификация к схеме армирования монолитной шахты ШМ-3-3 Каркас плоский КР (КР1, КР2) Каркас плоский КР3 Сетка арматурная С (С1, С2, С9, С10, С12 - С17) Сетка арматурная С (С8, С11) Сетка арматурная С (С3 - С7) Изделие закладное МН1 Изделие закладное МН2 Шахта ШМ-4-3 (монолитный вариант) Общие данные План. Разрезы 1-1 - 4-4 Схема армирования. План. Разрезы 1-1 - 5-5 Спецификация к схеме армирования монолитной шахты ШМ-4-3 Каркас плоский КР (КР1, КР2) Сетка арматурная С (С1, С2, С9, С10) Сетка арматурная С (С11, С12, С13, С15) Сетка арматурная С (С8, С14) Сетка арматурная С16 Сетка арматурная С (С17 - С20) Сетка арматурная С (С4 - С6) Сетка арматурная С (С3, С7) Изделие закладное МН1 Изделие закладное МН2 Шахта ШМ-5-3 (монолитный вариант) Общие данные План. Разрезы 1-1 - 4-4 Схема армирования. План. Разрезы 1-1 - 4-4 Схема армирования. Разрез 5-5 Каркас плоский КР (КР1, КР2) Сетка арматурная С (С1, С2, С11) Сетка арматурная С (С13 - С20, С21) Сетка арматурная С (С22 - С25) Сетка арматурная С (С10, С12, С19) Сетка арматурная С (С3 - С9) Изделие закладное МН1 Изделие закладное МН2 Шахта ШМ-6-3 (монолитный вариант) Общие данные План. Разрез 2-2 Разрезы 1-1, 3-3, 4-4 Схема армирования. План. Разрез 2-2 Схема армирования. Разрезы 1-1, 3-3, 5-5 Спецификация к схеме армирования монолитной шахты ШМ-6-3 Каркас плоский КР1 Каркас плоский КР2 Сетка арматурная С (С1, С2, С13 - С18) Сетка арматурная С (С19 - С22) Сетка арматурная С (С10 - С12) Сетка арматурная С (С3 - С9, С30) Сетка арматурная С (С23 - С29) Изделие закладное МН1 Изделие закладное МН2 Шахта ШМ-7-3 (монолитный вариант) Общие данные План. Разрез 2-2 Разрезы 1-1, 3-3, 4-4 Схема армирования. План. Разрез 2-2 Схема армирования. Разрезы 1-1, 3-3, 4-4, 5-5 Спецификация к схеме армирования монолитной шахты ШМ-7-3 Каркас плоский КР (КР1, КР2) Сетка арматурная С (С1, С2) Сетка арматурная С (С3 - С10) Сетка арматурная С (С11, С19, С20) Сетка арматурная С (С12 - С17) Сетка арматурная С (С18, С21 - С26) Сетка арматурная С (С27 - С30) Изделие закладное МН1 Изделие закладное МН2 Шахта ШМ-8-3 (монолитный вариант) Общие данные План. Разрез 2-2 Разрезы 1-1, 3-3, 4-4 Схема армирования. План. Разрез 2-2 Схема армирования. Разрезы 1-1, 3-3, 4-4 Схема армирования. Разрез 5-5 Спецификация к схеме армирования монолитной шахты ШМ-8-3 Каркас плоский КР (КР1 - КР3) Сетка арматурная С (С1, С2, С12 - С14) Сетка арматурная С (С15 - С19) Сетка арматурная С (С20, С23 - С26) Сетка арматурная С (С2 - С10, С32) Сетка арматурная С (С11, С21, С22) Сетка арматурная С (С27 - С31) Изделие закладное МН1 Изделие закладное МН2 Шахта ШМ-10-3 (монолитный вариант) Общие данные План. Разрез 2-2 Разрезы 1-1, 3-3, 4-4 Схема армирования. План. Разрез 2-2 Схема армирования. Разрезы 1-1, 3-3 Схема армирования. Разрезы 4-4, 5-5 Каркас плоский КР (КР1, КР2, КР3) Сетка арматурная С (С1, С2, С3) Сетка арматурная С (С4 - С11) Сетка арматурная С (С12, С20, С21) Сетка арматурная С (С13 - С17) Сетка арматурная С (С18, С19, С22 - С24) Сетка арматурная С (С25 - С29) Сетка арматурная С (С30 - С34) Изделие закладное МН1 Изделие закладное МН2 Шахта ШМ-12-3 (монолитный вариант) Общие данные План. Разрез 2-2 Разрезы 1-1, 3-3, 4-4 Схема армирования. План. Разрез 2-2 Схема армирования. Разрезы 1-1, 3-3 Схема армирования. Разрезы 4-4, 5-5 Каркас плоский КР1 Каркас плоский КР2 Каркас плоский КР3 Сетка арматурная С2 Сетка арматурная С (С1, С3, С14 - С19) Сетка арматурная С (С4 - С12, С35) Сетка арматурная С (С13, С22, С23) Сетка арматурная С (С20, С21, С24 - С29) Сетка арматурная С (С30 - С34) Изделие закладное МН1 Изделие закладное МН2 |
| Разработан: | Укргипроводхоз Минводхоза СССР |
| Утверждён: | 29.04.1985 Минводхоз СССР (USSR Minvodkhoz 434) |
| Расположен в: |





































































