Информационная система
«Ёшкин Кот»

Скачать базу одним архивом
Скачать обновления
История создания базы
Карта сайта

Скачать Типовой проект 411-2-187.88 Альбом 2. Часть 2. Конструкции металлические. Конструкции деревянные

Дата актуализации: 10.08.2017

Типовой проект 411-2-187.88

Альбом 2. Часть 2. Конструкции металлические. Конструкции деревянные

Обозначение: Типовой проект 411-2-187.88
Обозначение англ: 411-2-187.88
Статус:не определен законодательством
Название рус.:Альбом 2. Часть 2. Конструкции металлические. Конструкции деревянные
Дата добавления в базу:01.10.2014
Дата актуализации:05.05.2017
Дата введения:27.06.1988
Оглавление:Конструкции металлические
   Общие данные
   Схемы расположения съемных щитов и балок перекрытия траншеи
   Схема расположения балок и щитов перекрытия фундамента ФОм13
   Разрезы 1-1, 2-2. Узлы 1 - 8
   Схемы расположения балок монорельса по оси 2 и между осями 7 - 10
   Схема расположения балок монорельса между осями 11 - 12
   Узлы 1 - 5
   Схемы расположения элементов площадок П1 и П2
   Схемы расположения элементов площадки П3 и элементов ограждения площадки П4
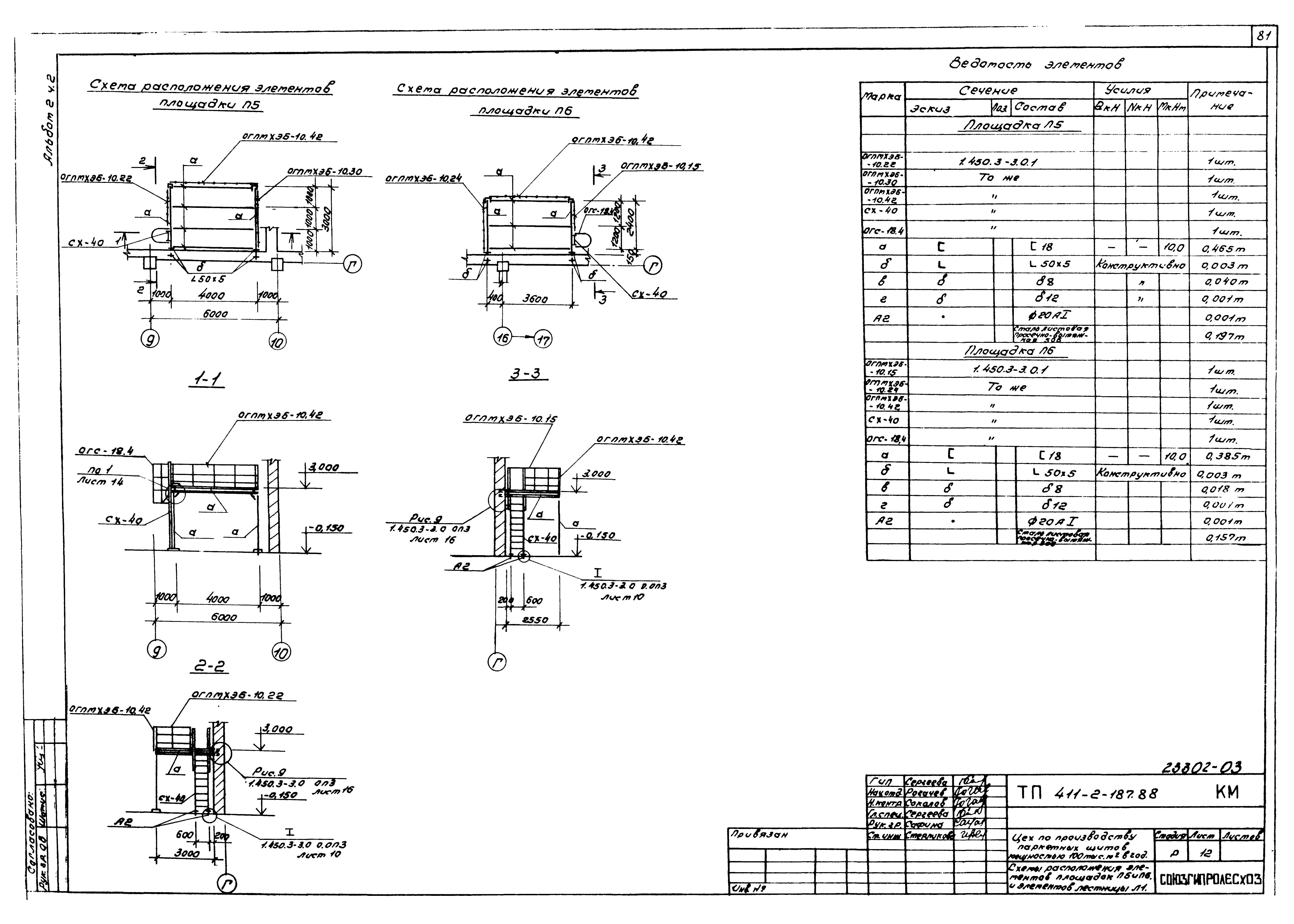
   Схемы расположения элементов площадок П5 и П6 и элементов лестницы Л1
   Схемы расположения элементов площадок П7 и П8
   Узлы 1, 2, 3
   Опора под циклон СИОТ-2
   Опора под циклон СИОТ-2. Узлы
   Схема расположения металлических опор под трубопроводы пневмотранспорта
   Разрезы 1-1 и 2-2
   Траверсы Т1 и Т2. Опоры металлические ОМ1 - ОМ8
Конструкции деревянные
   Общие данные
   Монтажная схема эстакады. Разрезы 1-1 - 3-3. Узлы 1 - 4
   Конструкции опоры под бункер. План балок площадки на отм. 5.850
   Деревянный бункер. Узлы А - Г
   Короб ленточного транспортера
Разработан: Союзгипролесхоз
Утверждён:20.06.1988 Госкомлес СССР (USSR Goskomles 16)
Издан: ЦИТП Госстроя СССР (CITP, Gosstroy (USSR) 1989 г. )
Расположен в:Техническая документация Строительство Справочные документы Типовые строительные конструкции, изделия и узлы Общероссийский строительный каталог Промышленные предприятия, здания и сооружения Предприятия, здания и сооружения промышленности и электроэнергетики Промышленность деревообрабатывающая Здания общего назначения
Типовой проект 411-2-187.88Типовой проект 411-2-187.88Типовой проект 411-2-187.88Типовой проект 411-2-187.88Типовой проект 411-2-187.88Типовой проект 411-2-187.88Типовой проект 411-2-187.88Типовой проект 411-2-187.88Типовой проект 411-2-187.88Типовой проект 411-2-187.88Типовой проект 411-2-187.88Типовой проект 411-2-187.88Типовой проект 411-2-187.88Типовой проект 411-2-187.88Типовой проект 411-2-187.88Типовой проект 411-2-187.88Типовой проект 411-2-187.88Типовой проект 411-2-187.88Типовой проект 411-2-187.88Типовой проект 411-2-187.88Типовой проект 411-2-187.88Типовой проект 411-2-187.88Типовой проект 411-2-187.88Типовой проект 411-2-187.88Типовой проект 411-2-187.88Типовой проект 411-2-187.88

© 2013 Ёшкин Кот :-) Карта сайта