Информационная система
«Ёшкин Кот»

Скачать базу одним архивом
Скачать обновления
История создания базы
Карта сайта

Скачать Типовой проект 902-5-52.88 Альбом 3. Силовое электрооборудование. Технологический контроль

Дата актуализации: 10.08.2017

Типовой проект 902-5-52.88

Альбом 3. Силовое электрооборудование. Технологический контроль

Обозначение: Типовой проект 902-5-52.88
Обозначение англ: 902-5-52.88
Статус:не определен законодательством
Название рус.:Альбом 3. Силовое электрооборудование. Технологический контроль
Дата добавления в базу:01.10.2014
Дата актуализации:05.05.2017
Дата введения:07.09.1988
Оглавление:Содержание альбома
Чертежи основного комплекта марки ЭМ
   Общие данные
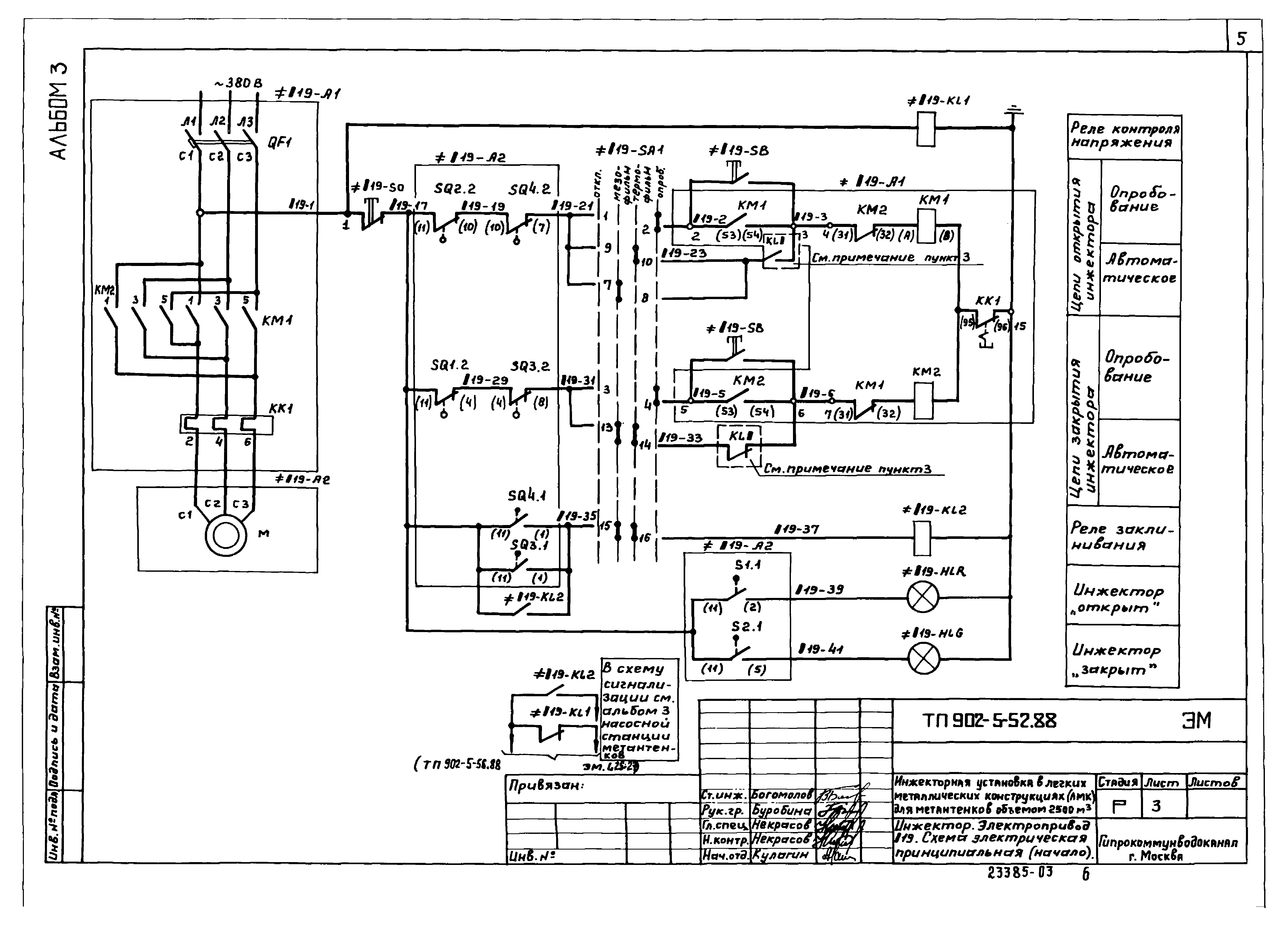
   Инжектор. Электропривод /19. Схема электрическая принципиальная
   Задвижка. Электропривод /20 (/21). Схема электрическая принципиальная
   Вентилятор. Электропривод /22 (/23). Схема электрическая принципиальная
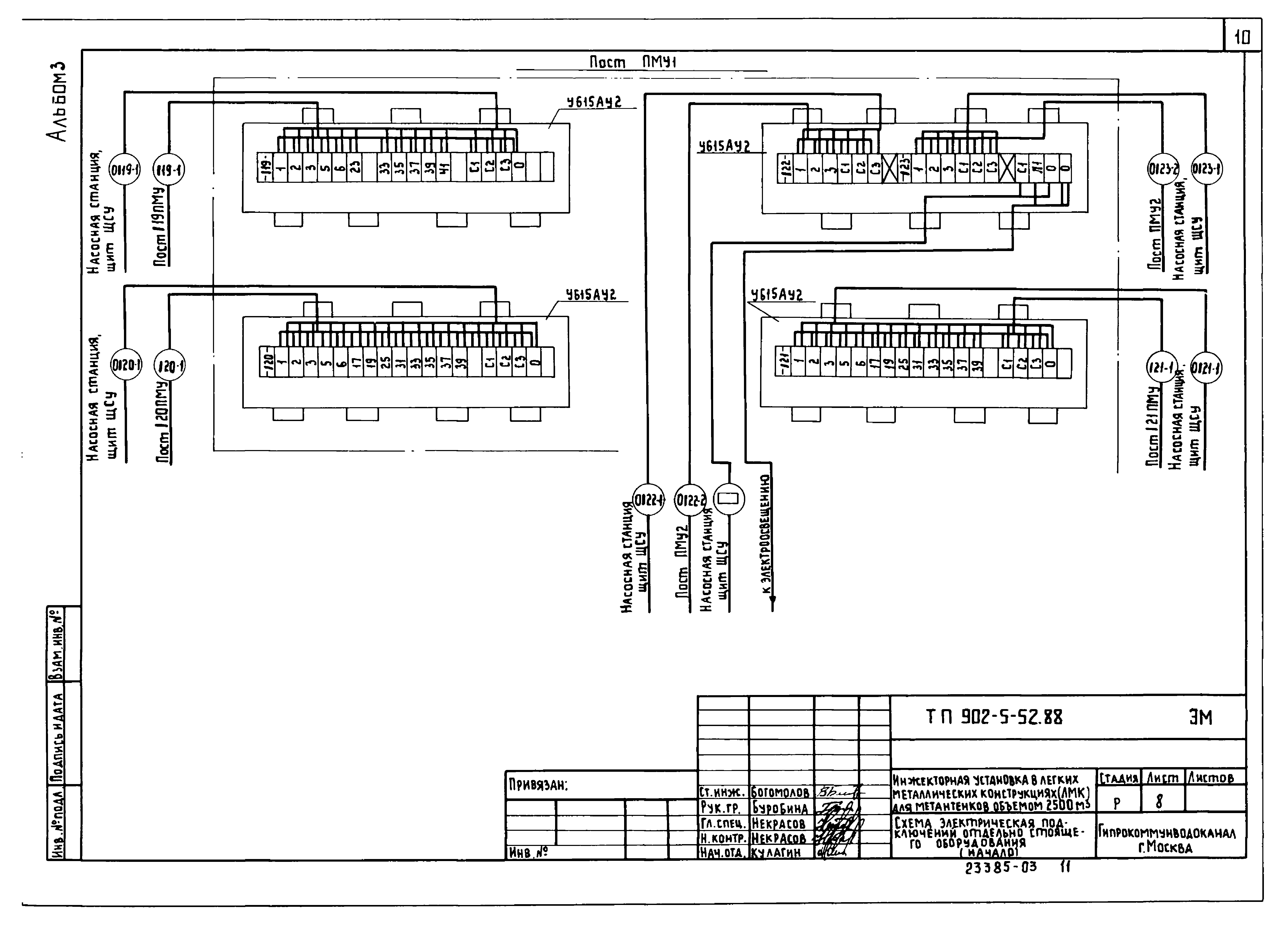
   Схема электрическая подключений отдельно стоящего оборудования
   Кабельный журнал. Сводка кабелей и проводов
   Расположение электрооборудования и прокладка кабелей. Прокладка магистралей зануления
   Электроосвещение
Прилагаемые документы основного комплекта марки ЭМ
   Пост ПМУ1. Общий вид
   Пост ПМУ1. Схема соединений
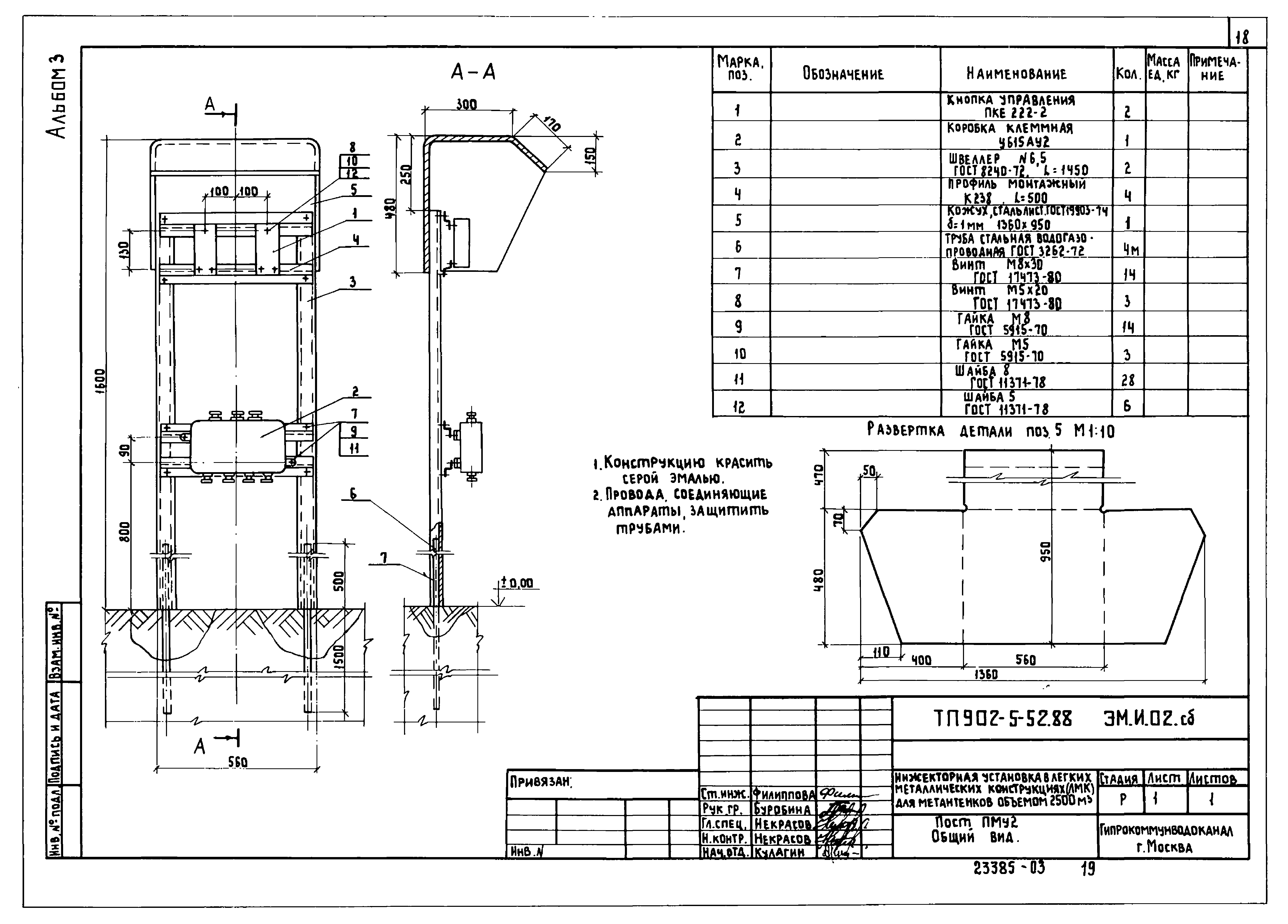
   Пост ПМУ2. Общий вид
   Пост ПМУ2. Схема соединений
   Пост /19ПМУ (/20; /21ПМУ). Общий вид
   Пост /19ПМУ. Схема соединений
   Пост /20ПМУ (21ПМУ). Схема соединений
   Ведомость электромонтажных конструкций, подлежащих изготовлению в МЭЗ, ведомость изделий и материалов для изготовления электромонтажных конструкций и деталей в МЭЗ
Чертежи основного комплекта марки АТХ
   Общие данные
   Схема функциональная
   Схема внешних электрических и трубных проводок
   План расположения средств автоматизации и проводок
Разработан: Гипрокоммунводоканал Минжилкомхоза РСФСР
Утверждён:07.09.1988 МЖКХ РСФСР (232)
Расположен в:Техническая документация Строительство Справочные документы Типовые строительные конструкции, изделия и узлы Общероссийский строительный каталог Промышленные предприятия, здания и сооружения Здания и сооружения санитарно-технические Канализация Сооружения для очистки производственных сточных вод Сооружения для обработки осадка
Типовой проект 902-5-52.88Типовой проект 902-5-52.88Типовой проект 902-5-52.88Типовой проект 902-5-52.88Типовой проект 902-5-52.88Типовой проект 902-5-52.88Типовой проект 902-5-52.88Типовой проект 902-5-52.88Типовой проект 902-5-52.88Типовой проект 902-5-52.88Типовой проект 902-5-52.88Типовой проект 902-5-52.88Типовой проект 902-5-52.88Типовой проект 902-5-52.88Типовой проект 902-5-52.88Типовой проект 902-5-52.88Типовой проект 902-5-52.88Типовой проект 902-5-52.88Типовой проект 902-5-52.88Типовой проект 902-5-52.88Типовой проект 902-5-52.88Типовой проект 902-5-52.88Типовой проект 902-5-52.88Типовой проект 902-5-52.88Типовой проект 902-5-52.88Типовой проект 902-5-52.88Типовой проект 902-5-52.88Типовой проект 902-5-52.88

© 2013 Ёшкин Кот :-) Карта сайта