Скачать Типовой проект 902-1-166.1.90 Альбом 4. Изделия (из ТП 902-1-164.90)Дата актуализации: 10.08.2017 Типовой проект 902-1-166.1.90
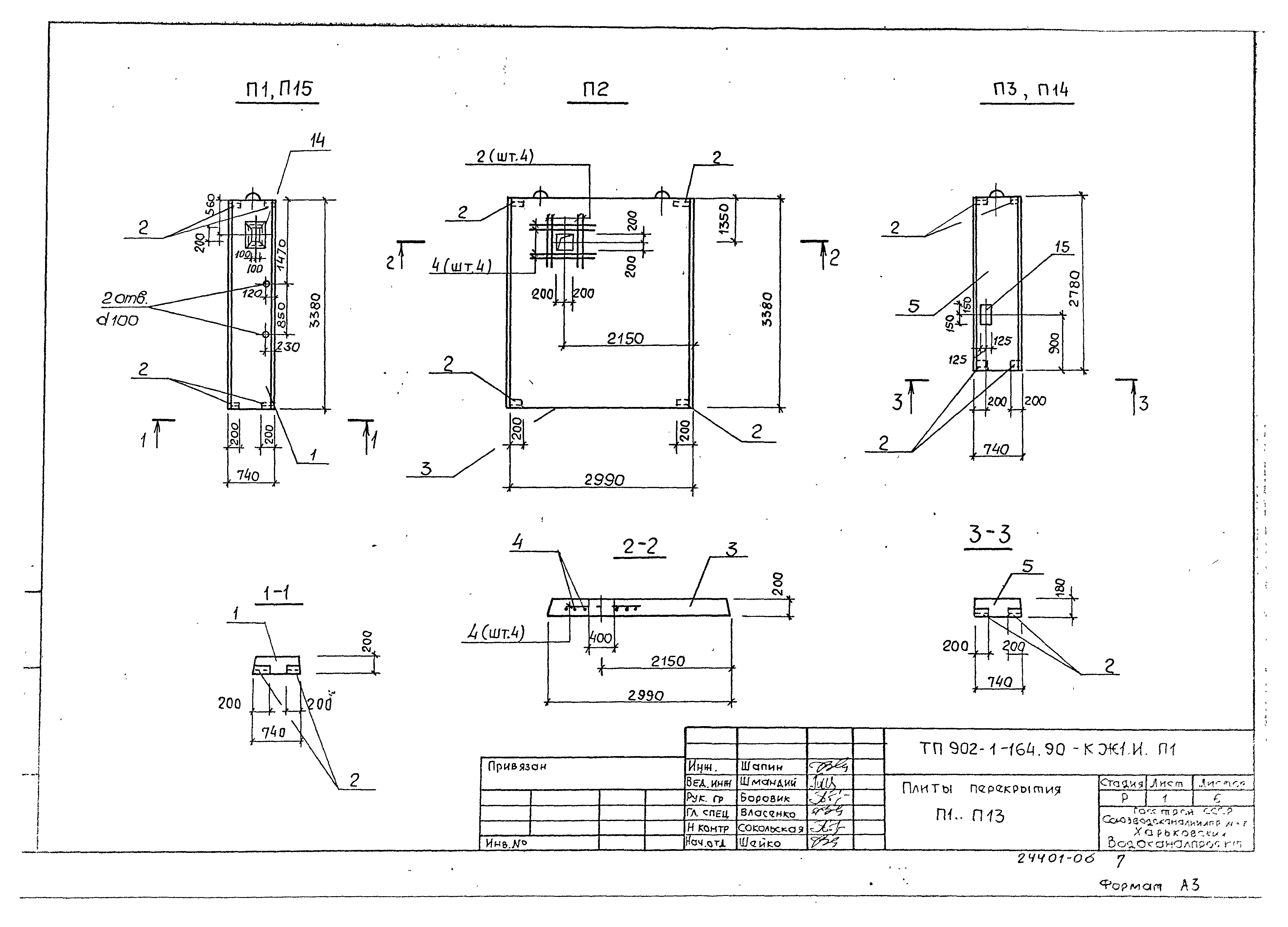
Альбом 4. Изделия (из ТП 902-1-164.90)Обозначение: | Типовой проект 902-1-166.1.90 | Обозначение англ: | 902-1-166.1.90 | Статус: | не определен законодательством | Название рус.: | Альбом 4. Изделия (из ТП 902-1-164.90) | Дата добавления в базу: | 01.10.2014 | Дата актуализации: | 05.05.2017 | Дата введения: | 15.05.1990 | Оглавление: | 902-1-164.90-КЖ.И.ДО Содержание альбома 902-1-164.90-КЖ.И.ТТ Технические требования 902-1-164.90-КЖ.И.ПП1 Плита ПП1 902-1-164.90-КЖ.И.ОП1 Опорная подушка ОП1 902-1-164.90-КЖ.И.РС1 Ведомость расхода стали РС1 902-1-164.90-КЖ.И.П1 Плиты перекрытия П1 902-1-164.90-КЖ.И.РС2 Ведомость расхода стали РС2 902-1-164.90-КЖ.И.Б1 Балки Б1…Б8 902-1-164.90-КЖ.И.РС3 Ведомость расхода стали РС3 902-1-164.90-КЖ.И.Кр1 Каркас плоский Кр1 902-1-164.90-КЖ.И.Кр2 Каркас плоский Кр2 902-1-164.90-КЖ.И.Кр3 Каркас плоский Кр3 902-1-164.90-КЖ.И.Кр4 Каркас плоский Кр4 902-1-164.90-КЖ.И.Кр5 Каркас плоский Кр5 902-1-164.90-КЖ.И.Кр6 Каркас плоский Кр6 902-1-164.90-КЖ.И.Кр7 Каркас плоский Кр7 902-1-164.90-КЖ.И.Кр8 Каркас плоский Кр8 902-1-164.90-КЖ.И.Кр23 Каркас плоский Кр23, Кр24 902-1-164.90-КЖ.И.Кр25 Каркас плоский Кр25, Кр26 902-1-164.90-КЖ.И.С5 Сетка арматурная С5, С6 902-1-164.90-КЖ.И.С1 Сетка арматурная С1, С2 902-1-164.90-КЖ.И.С3 Сетка арматурная С3, С4 902-1-164.90-КЖ.И.МН1 Изделие закладное МН1 902-1-164.90-КЖ.И.МН2 Изделие закладное МН2, МН3 902-1-164.90-КЖ.И.МН4 Изделие закладное МН4…МН6 902-1-164.90-КЖ.И.МС1 Изделие соединительное МС1 902-1-164.90-КЖ.И.МС2 Изделие соединительное МС2 902-1-164.90-КЖ.И.Кр9 Каркас плоский Кр9, Кр10 902-1-164.90-КЖ.И.Кр11 Каркас плоский Кр11, Кр12 902-1-164.90-КЖ.И.Кр13 Каркас плоский Кр13 902-1-164.90-КЖ.И.Кр14 Каркас плоский Кр14 902-1-164.90-КЖ.И.Кр15 Каркас плоский Кр15 902-1-164.90-КЖ.И.Кр16 Каркас плоский Кр16 902-1-164.90-КЖ.И.Кр17 Каркас плоский Кр17, Кр18 902-1-164.90-КЖ.И.Кр19 Каркас плоский Кр19 902-1-164.90-КЖ.И.Кр20 Каркас плоский Кр20, Кр21 902-1-164.90-КЖ.И.Кр22 Каркас плоский Кр22 902-1-164.90-АР.И.ДО Содержание альбома 902-1-164.90-АР.И.ТТ Технические требования 902-1-164.90-АР.И.ИД1 Дверной блок ИД1 902-1-164.90-АР.И.П1 Дверные полотна П1…П4 902-1-164.90-АР.И.К1 Коробка К1 902-1-164.90-АР.И.НС1 Накладка НС1 | Разработан: | Харьковский Водоканалпроект
| Утверждён: | 15.05.1990 СоюзводоканалНИИпроект (SoyuzvodokanalNIIproject 9)
| Расположен в: |
| Заменяет собой: | |
                                          
|