| ||||||||||||||||||||||||||||
Скачать Типовые материалы для проектирования 407-03-496.88 Альбом 1. Пояснительная записка. Схемы и низковольтные комплектные устройстваДата актуализации: 10.08.2017
|
| Обозначение: | Типовые материалы для проектирования 407-03-496.88 |
| Обозначение англ: | 407-03-496.88 |
| Статус: | cправочные материалы, мп, тпр |
| Название рус.: | Альбом 1. Пояснительная записка. Схемы и низковольтные комплектные устройства |
| Дата добавления в базу: | 01.10.2014 |
| Дата актуализации: | 05.05.2017 |
| Дата введения: | 21.12.1988 |
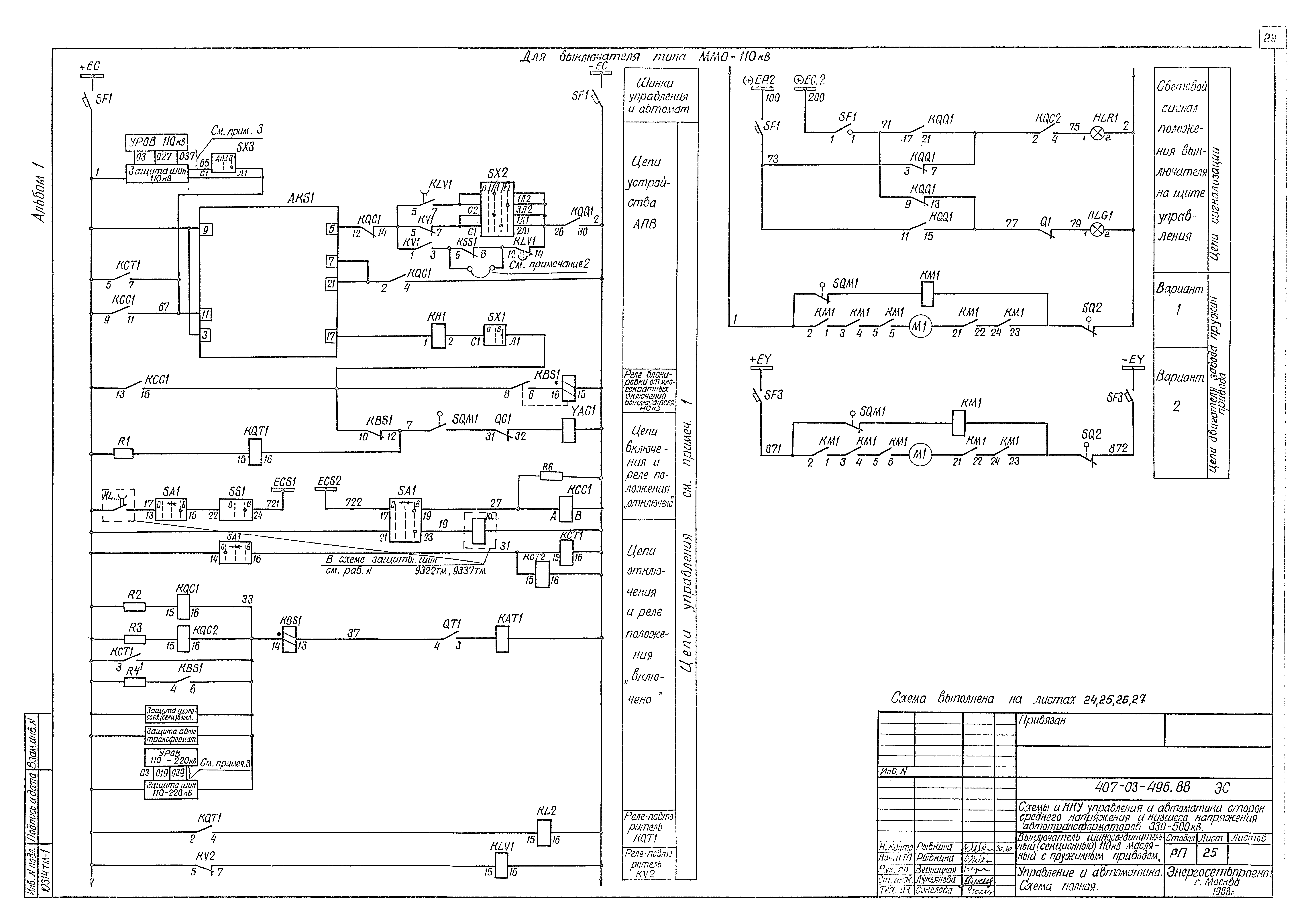
| Оглавление: | Пояснительная записка Общие данные Автотрансформатор Т1 (Т2). Выключатель "Q3" 110 - 220 кВ воздушный. Управление и автоматика. Схема полная Автотрансформатор Т1 (Т2). Выключатель "Q3" 110 - 220 кВ воздушный. Управление и автоматика. Схема подключения НКУ Выключатель воздушный шиносоединительный (секционный) 110 - 220 кВ. Управление и автоматика. Схема полная Выключатель воздушный шиносоединительный (секционный) 110 - 220 кВ. Управление и автоматика. Схема подключения НКУ Автотрансформатор Т1 (Т2). Выключатель "Q3" 220 кВ типа ВМТ. Управление и автоматика. Схема полная Автотрансформатор Т1 (Т2). Выключатель "Q3" 220 кВ типа ВМТ. Управление и автоматика. Схема подключения НКУ Выключатель шиносоединительный (секционный) 220 кВ типа ВМТ. Управление и автоматика. Схема полная Выключатель шиносоединительный (секционный) 220 кВ типа ВМТ. Управление и автоматика. Схема подключения НКУ Автотрансформатор Т1 (Т2). Выключатель "Q3" 110 кВ масляный с пружинным приводом. Управление и автоматика. Схема полная Автотрансформатор Т1 (Т2). Выключатель "Q3" 110 кВ масляный с пружинным приводом. Управление и автоматика. Схема подключения НКУ Выключатель шиносоединительный (секционный) 110 кВ масляный с пружинным приводом. Управление и автоматика. Схема полная Выключатель шиносоединительный (секционный) 110 кВ масляный с пружинным приводом. Управление и автоматика. Схема подключения НКУ Автотрансформатор Т1 (Т2). Выключатель "Q1" 35 кВ масляный. Управление и автоматика. Схема полная Автотрансформатор Т1 (Т2). Выключатель "Q1" 35 кВ масляный. Управление и автоматика. Схема подключения НКУ Автотрансформатор Т1 (Т2). Выключатель "Q1" 6 - 10 кВ типа ВК-10. Управление и автоматика. Схема полная и подключения НКУ Автотрансформатор Т1 (Т2). Выключатель "Q1" 6 - 10 кВ типа ВКЭ-10. Управление и автоматика. Схема полная и подключения НКУ Трансформатор напряжения 3хНКФ на шинах 110 - 220 кВ. Схема полная Трансформатор напряжения 3хНКФ на шинах 110 - 220 кВ. Схема подключения НКУ Трансформатор напряжения 1хНКФ на обходной системе шин 110 - 220 кВ. Схема полная Блок БА235-88х автоматики с однократным АПВ выключателя 110 кВ масляного. Схема полная, соединений рядов зажимов и общий вид Блок БВ381-88х трансформатора напряжения шин 110 - 220 кВ. Схема полная, соединений рядов зажимов и общий вид Блок БВ379-88 регистрирующих вольтметров. Схема полная, соединений рядов зажимов и общий вид |
| Разработан: | Энергосетьпроект Минэнерго СССР |
| Утверждён: | 21.12.1988 Минэнерго СССР (USSR Minenergo 61) |
| Издан: | ЦИТП Госстроя СССР (CITP, Gosstroy (USSR) 1988 г. ) |
| Расположен в: |

















































