Скачать ГОСТ IEC 60947-5-2-2012 Аппаратура распределения и управления низковольтная. Часть 5-2. Аппараты и коммутационные элементы цепей управления. Бесконтактные датчикиДата актуализации: 10.08.2017 ГОСТ IEC 60947-5-2-2012
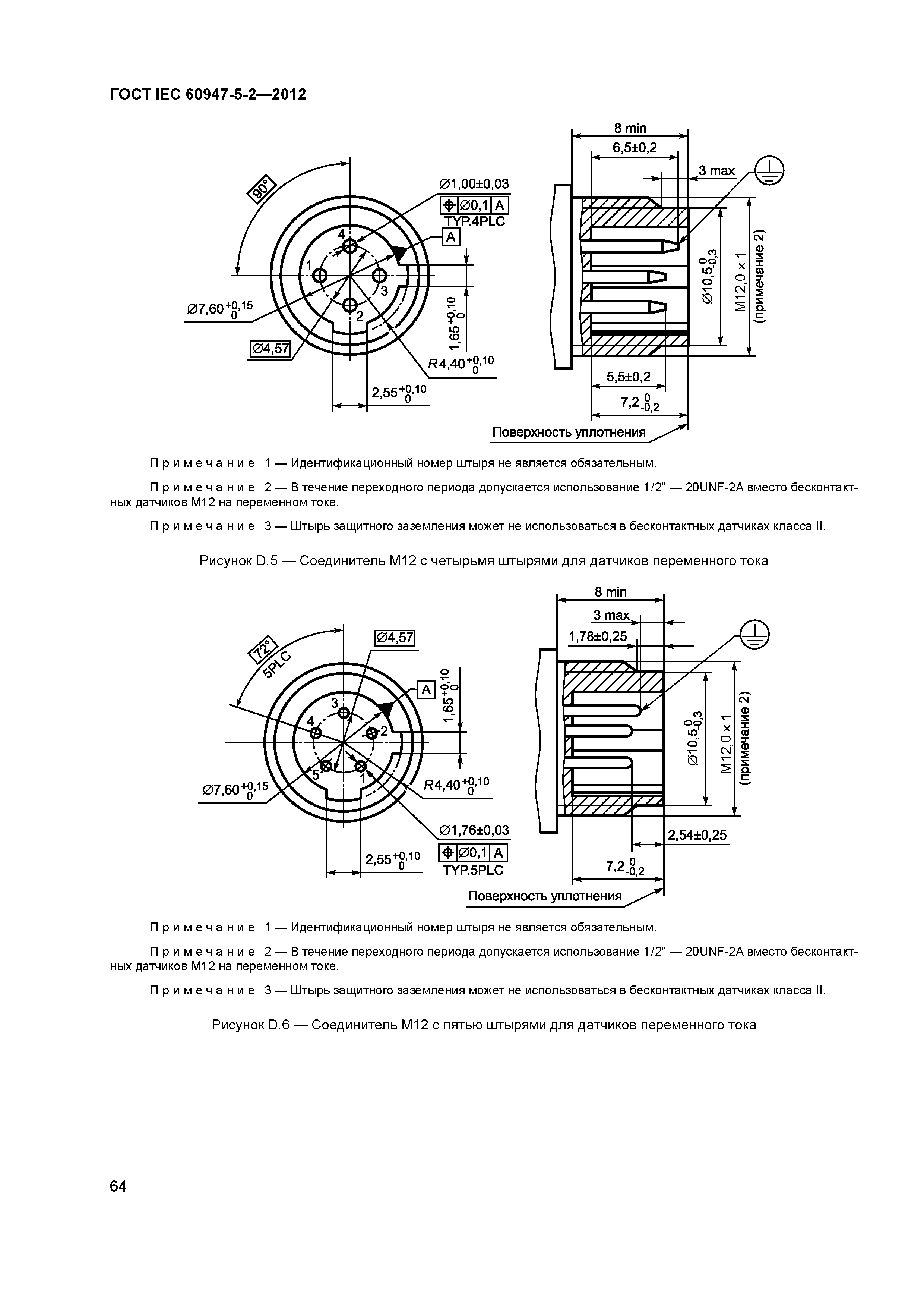
Аппаратура распределения и управления низковольтная. Часть 5-2. Аппараты и коммутационные элементы цепей управления. Бесконтактные датчикиОбозначение: | ГОСТ IEC 60947-5-2-2012 | Обозначение англ: | 60947-5-2-2012 | Статус: | действует | Название рус.: | Аппаратура распределения и управления низковольтная. Часть 5-2. Аппараты и коммутационные элементы цепей управления. Бесконтактные датчики | Название англ.: | Low-voltage switchgear and controlgear. Part 5-2. Control circuit devices and switching element. Proximity switches | Дата добавления в базу: | 01.10.2014 | Дата актуализации: | 05.05.2017 | Дата введения: | 01.07.2014 | Область применения: | Стандарт распространяется на датчики индуктивные и емкостные бесконтактные, которые обнаруживают наличие металлических и/или неметаллических предметов, датчики ультразвуковые бесконтактные, которые обнаруживают наличие предметов, отражающих ультразвуковые волны, датчики фотоэлектрические бесконтактные, которые обнаруживают присутствие предметов, и немеханические магнитные бесконтактные датчики, которые обнаруживают наличие предметов, создающих электромагнитные поля. Бесконтактные датчики (далее - датчики) конструктивно выполнены как замкнутые полупроводниковые коммутационные элементы и предназначены для коммутации электрических цепей с номинальным напряжением не более 250 В переменного тока частотой 50, 60 Гц или 300 В постоянного тока. Требования стандарта не распространяются на бесконтактные датчики с аналоговым выходом. Стандарт устанавливает: - термины и определения; - классификацию; - характеристики; - информацию об изделии; - нормальные условия эксплуатации, монтажа и транспортирования; - требования к конструкции и рабочим характеристикам; - испытания для проверки номинальных характеристик. | Оглавление: | 1 Общие положения 1.1 Область применения 1.2 Нормативные ссылки 2 Термины и определения 2.1 Основные определения 2.2 Составные части бесконтактного датчика 2.3 Функционирование бесконтактного датчика 2.4 Характеристики коммутационного элемента 3 Классификация 3.1 Классификация по способу обнаружения 3.2 Классификация по механическому способу установки 3.3 Классификация по форме корпуса и размеру 3.4 Классификация по функции коммутационного элемента 3.5 Классификация по типу выводов 3.6 Классификация по способу соединения 4 Характеристики 4.1 Перечень характеристик 4.2 Условия эксплуатации 4.3 Номинальные и предельные значения параметров датчиков и их коммутационных элементов 4.4 Категории применения коммутационного элемента 5 Информация об изделии 5.1 Характер информации. Идентификация 5.2 Маркировка 5.3 Инструкция по монтажу, эксплуатации и обслуживанию 6 Нормальные условия эксплуатации, монтажа и транспортирования 6.1 Нормальные условия эксплуатации 6.2 Условия транспортирования и хранения 6.3 Монтаж 7 Требования к конструкции и работоспособности 7.1 Требования к конструкции 7.2 Требования к работоспособности 7.3 Габаритные размеры 7.4 Ударная и вибрационная стойкость 8 Испытания 8.1 Виды испытаний 8.2 Проверка соответствия требованиям к конструкции 8.3 Работоспособность 8.4 Проверка расстояний дальности действия 8.5 Проверка частоты циклов срабатывания 8.6 Проверка электромагнитной совместимости 8.7 Результаты и протокол испытаний Приложение А (справочное) Габаритные размеры и номинальные значения дальности действия датчиков Приложение В (обязательное) Бесконтактные датчики с изоляцией класса II, достигнутой методом капсулирования (заливки компаундом).Требования и испытания Приложение С (обязательное) дополнительные требования к датчикам с проводами или кабелем, подсоединенными изготовителем и составляющими единую конструкцию с датчиком Приложение D (обязательное) Соединители бесконтактных датчиков втычного исполнения Приложение Е (обязательное) дополнительные требования к бесконтактным датчикам, предназначенным для применения в сильных магнитных полях Приложение F (справочное) Символы бесконтактных датчиков | Разработан: | ОАО ВНИИС
| Утверждён: | 03.12.2012 Межгосударственный Совет по стандартизации, метрологии и сертификации (Inter-Governmental Council on Standardization, Metrology, and Certification 54-П) 28.08.2013 Федеральное агентство по техническому регулированию и метрологии (562-ст)
| Издан: | Стандартинформ (2014 г. )
| Расположен в: |
|
                                                                        
|