Информационная система
«Ёшкин Кот»

Скачать базу одним архивом
Скачать обновления
История создания базы
Карта сайта

Скачать Типовой проект 901-3-244.88 Альбом II. Часть 2. Архитектурные решения. Конструкции металлические. Антикоррозийная защита. Конструкции железобетонные

Дата актуализации: 10.08.2017

Типовой проект 901-3-244.88

Альбом II. Часть 2. Архитектурные решения. Конструкции металлические. Антикоррозийная защита. Конструкции железобетонные

Обозначение: Типовой проект 901-3-244.88
Обозначение англ: 901-3-244.88
Статус:не определен законодательством
Название рус.:Альбом II. Часть 2. Архитектурные решения. Конструкции металлические. Антикоррозийная защита. Конструкции железобетонные
Дата добавления в базу:01.10.2014
Дата актуализации:05.05.2017
Дата введения:29.07.1986
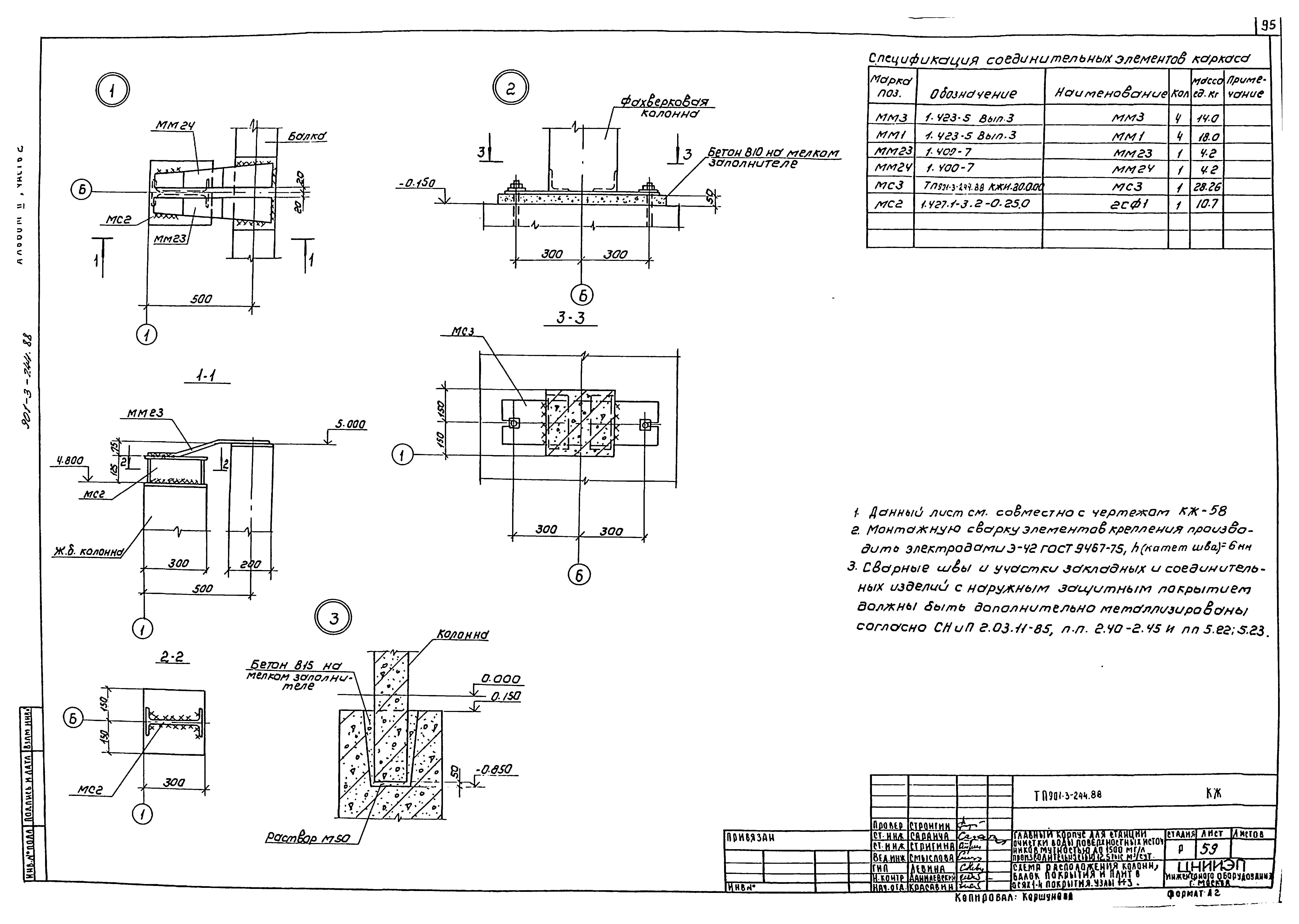
Оглавление:Общие данные
Схема расположения фундаментов
Фрагменты 1 - 3. Сечения 1-1 - 5-5
Фрагменты 4 - 6. Сечения 6-6 - 8-8
Фрагменты 7 - 9. Сечения 9-9 - 12-12
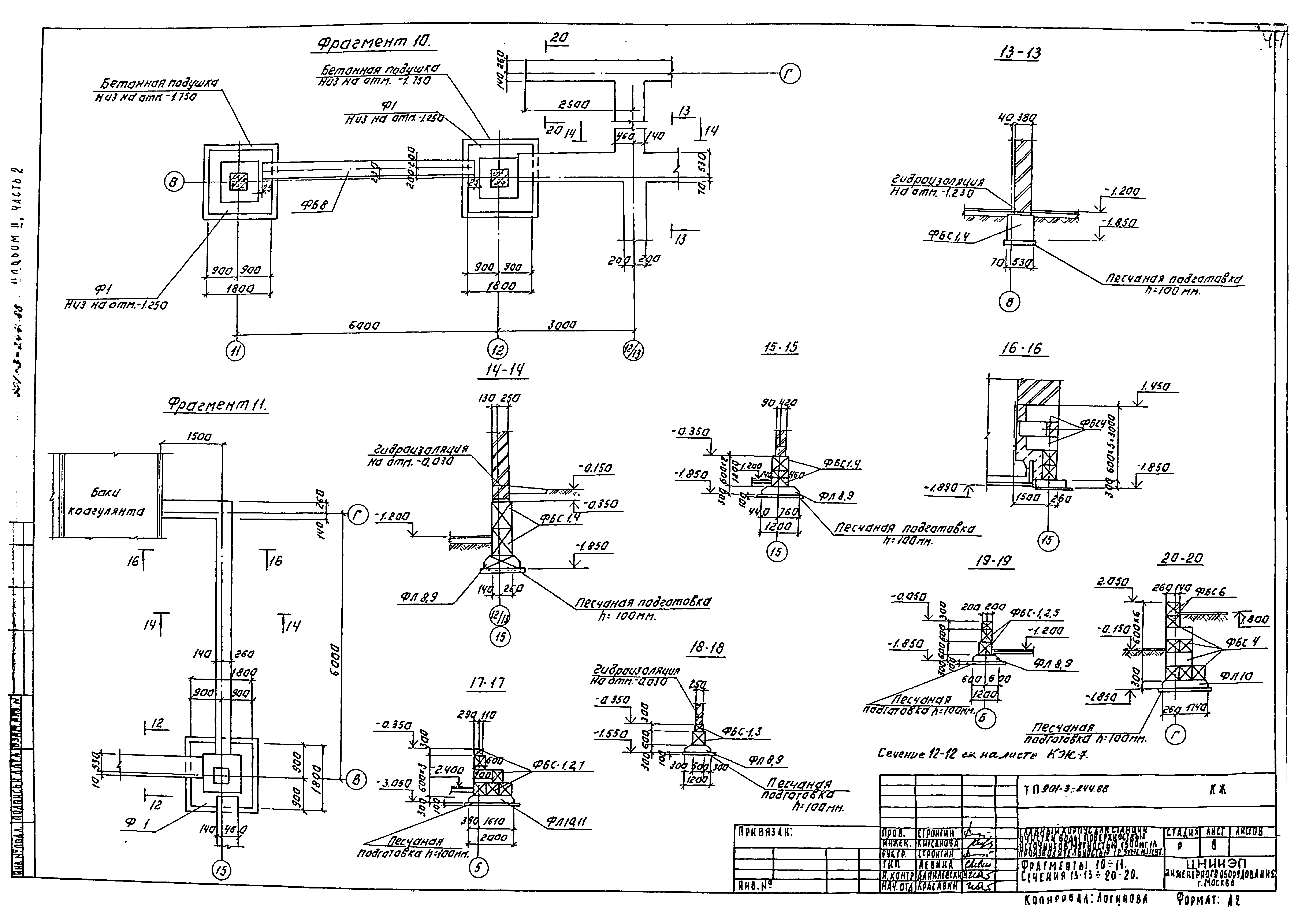
Фрагменты 10, 11. Сечения 13-13 - 20-20
Фрагмент 12, 13. Спецификация
Опалубочный чертеж, армирование Фм1 - Фм3
Опалубочный чертеж, армирование Фм4 - Фм6
Опалубочный чертеж, армирование Фм7 - Фм9
Опалубочный чертеж, армирование Фм10 - Фм12
Опалубочный чертеж, армирование Фм13, Фм14
Опалубочный чертеж, армирование Фм15, Фм16
Опалубочный чертеж, армирование Фм17, Фм18
Опалубочный чертеж, армирование Фм19, Фм20
Опалубочный чертеж, армирование Фм21 - Фм23
Опалубочный чертеж, армирование Фм24 - Фм25
Схема расположения фундаментов под оборудование и опор в осях 2 - 4
Разрез 1-1. Фундаменты ФО1 - ФО5. Опоры ОП1 - ОП4
Схема расположения емкостей, каналов и фундаментов под оборудование в осях 5 - 9; А - Ж
Схема расположения подбетонки. Разрезы 1-1 - 2-2. Узлы I - III
Сечения 3-3 - 9-9. Фундаменты ФО1 - ФО2
Схема расположения опор. Опоры ОП1 - ОП5
Схема расположения фундаментов под оборудование и емкостей в осях 12 - 15; Б - В
Схема расположения фундаментов под оборудование и емкостей в осях 12 - 15; А - В. Разрезы 1-1 и 2-2
Фундаменты под оборудование ФО1 - ФО4. Емкости РЕ4, РЕ5. Опоры ОП1 - ОП3
Схема расположения фундаментов под оборудование в осях 12 - 14; А - Б. Разрезы 3-3 - 7-7. Виды А, Б
Схема расположения каналов и приямков в осях 1 - 2; А - Б. Разрезы 1-1 - 6-6
Емкость РЕ1. Схема расположения стеновых панелей и монолитных участков. Разрез 1-1
Емкость РЕ1. Вид 2-2. Разрезы 3-3, 4-4
Узлы 13 - 18. Сечение а-а
Днище ДМ1. Опалубочный чертеж. Разрезы 1-1, 2-2, 3-3. Узлы 1, 2, 3
Днище ДМ1. Армирование. Схема расположения нижних сеток и каркасов. Разрезы 1-1 - 4-4. Узлы 7, 8, 9
Днище ДМ1. Армирование. Схема раскладки верхних сеток днища. Деталь армирования приямка. Узлы 10, 11, 12
Схема расположения стеновых панелей и монолитных участков емкости РЕ2. Разрезы 1-1 - 3-3; А-А; Б-Б; В-В. Узел А
Емкость РЕ2. Виды 4-4, 5-5, 6-6
Днище ДМ2. Опалубочный чертеж. Разрез 1-1, 2-2. Узлы 1, 2, А. Разрез 3-3
Днище ДМ2. Армирование. Схемы расположения нижних сеток, каркасов, верхних сеток. Разрез 1-1 - 2-2. Узлы 1, 2, 3
Емкости РЕ1, РЕ2. Узлы 1 - 6
Днище ДМ1, ДМ2. Армирование. Узлы 4, 5, 6
Спецификации к монолитным днищам ДМ1, ДМ2
Емкость РЕ1. Монолитные участки. Опалубочный чертеж
Емкость РЕ2. Монолитные участки УМф1 - УМф7. Опалубочный чертеж
Монолитные участки Ум1 - Ум6
Монолитные участки УМф1 - УМф4
Спецификация к монолитным участкам Ум1 - Ум6; УМф1 - УМф7
Схема расположения стеновых панелей и монолитных участков емкости РЕ3. Разрез 1-1
Схема расположения стеновых панелей и монолитных участков емкости РЕ3. Разрез 2-2. Виды 3-3 - 5-5. Узлы 1 - 4
Монолитные участки стен Ум1 - Ум6. Емкости РЕ4
Днище ДМ3. Опалубочный чертеж. Разрезы 1-1, 2-2. Узлы 1, 2
Схема расположения нижних и верхних сеток и каркасов днища ДМ3. Спецификация
Схема расположения нижних и верхних сеток и каркасов днища ДМ3. Разрезы 1-1, 2-2. Узлы 1 - 3
Схема расположения нижних и верхних сеток и каркасов днища ДМ3. Разрезы 1-1, 2-2. Узлы 1, 2
Схема расположения бетонных опор и брусьев в емкости РЕ3. Разрезы 1-1 - 7-7. Узлы А, Б, В
Схема расположения плит в поддоне ПД1. Разрезы 1-1, 2-2. Спецификация
Схема расположения колонн, балок и плит покрытия в осях 1 - 4. Разрезы 1-1 - 3-3
Схема расположения колонн, балок покрытия и плит покрытия в осях 1 - 4. Узлы 1 - 3
Схема расположения колонн, балок и плит покрытия в осях 5 - 9
Схема расположения колонн, балок и плит покрытия. Виды 1-1, 2-2. Схема расположения торцевого фахверка
Схемы расположения колонн, ригелей, диафрагм жесткости на отм. 4.200 и 8.400. Разрезы 1-1 - 3-3
Схемы расположения колонн, ригелей, диафрагм жесткости на отм. 4.200 и 8.400. Разрезы 4-4, 5-5
Схемы расположения плит перекрытия и покрытия. Разрезы 1-1 - 6-6
Монолитные участки Ум1 - Ум7
Схемы расположения лестничных маршей, проступей и верхней лестничной площадки
Схемы расположения стеновых панелей по оси А, В, 5, 15, Ж
Схема расположения панелей по оси 1, 9, 10
Схема расположения щитов опорных подушек и плит покрытия в осях 12 - 15; В - Г
Венткамера на отм. 0.000
Разработан: ЦНИИЭП иженерного оборудования
Утверждён:29.07.1986 Госгражданстрой (Gosgrazhdanstroy 242)
Издан: ЦИТП Госстроя СССР (CITP, Gosstroy (USSR) 1988 г. )
Расположен в:Техническая документация Строительство Справочные документы Типовые строительные конструкции, изделия и узлы Общероссийский строительный каталог Промышленные предприятия, здания и сооружения Здания и сооружения санитарно-технические Водоснабжение Очистные сооружения Станции очистки воды
Заменяет собой:
  • Типовой проект 901-3-113
Типовой проект 901-3-244.88Типовой проект 901-3-244.88Типовой проект 901-3-244.88Типовой проект 901-3-244.88Типовой проект 901-3-244.88Типовой проект 901-3-244.88Типовой проект 901-3-244.88Типовой проект 901-3-244.88Типовой проект 901-3-244.88Типовой проект 901-3-244.88Типовой проект 901-3-244.88Типовой проект 901-3-244.88Типовой проект 901-3-244.88Типовой проект 901-3-244.88Типовой проект 901-3-244.88Типовой проект 901-3-244.88Типовой проект 901-3-244.88Типовой проект 901-3-244.88Типовой проект 901-3-244.88Типовой проект 901-3-244.88Типовой проект 901-3-244.88Типовой проект 901-3-244.88Типовой проект 901-3-244.88Типовой проект 901-3-244.88Типовой проект 901-3-244.88Типовой проект 901-3-244.88Типовой проект 901-3-244.88Типовой проект 901-3-244.88Типовой проект 901-3-244.88Типовой проект 901-3-244.88Типовой проект 901-3-244.88Типовой проект 901-3-244.88Типовой проект 901-3-244.88Типовой проект 901-3-244.88Типовой проект 901-3-244.88Типовой проект 901-3-244.88Типовой проект 901-3-244.88Типовой проект 901-3-244.88Типовой проект 901-3-244.88Типовой проект 901-3-244.88Типовой проект 901-3-244.88Типовой проект 901-3-244.88Типовой проект 901-3-244.88Типовой проект 901-3-244.88Типовой проект 901-3-244.88Типовой проект 901-3-244.88Типовой проект 901-3-244.88Типовой проект 901-3-244.88Типовой проект 901-3-244.88Типовой проект 901-3-244.88Типовой проект 901-3-244.88Типовой проект 901-3-244.88Типовой проект 901-3-244.88Типовой проект 901-3-244.88Типовой проект 901-3-244.88Типовой проект 901-3-244.88Типовой проект 901-3-244.88Типовой проект 901-3-244.88Типовой проект 901-3-244.88Типовой проект 901-3-244.88Типовой проект 901-3-244.88Типовой проект 901-3-244.88Типовой проект 901-3-244.88Типовой проект 901-3-244.88Типовой проект 901-3-244.88Типовой проект 901-3-244.88Типовой проект 901-3-244.88Типовой проект 901-3-244.88Типовой проект 901-3-244.88Типовой проект 901-3-244.88Типовой проект 901-3-244.88Типовой проект 901-3-244.88

© 2013 Ёшкин Кот :-) Карта сайта