| ||||||||||||||||||||||||||||||
Скачать Серия 5.904-12 Выпуск 0-1. Усовершенствованные калориферные секции для приточных камер 2ПК. Технические характеристики и данные для подбораДата актуализации: 10.08.2017
|
| Обозначение: | Серия 5.904-12 |
| Обозначение англ: | Series 5.904-12 |
| Статус: | заменен |
| Название рус.: | Выпуск 0-1. Усовершенствованные калориферные секции для приточных камер 2ПК. Технические характеристики и данные для подбора |
| Дата добавления в базу: | 01.10.2014 |
| Дата актуализации: | 05.05.2017 |
| Дата введения: | 01.06.1994 |
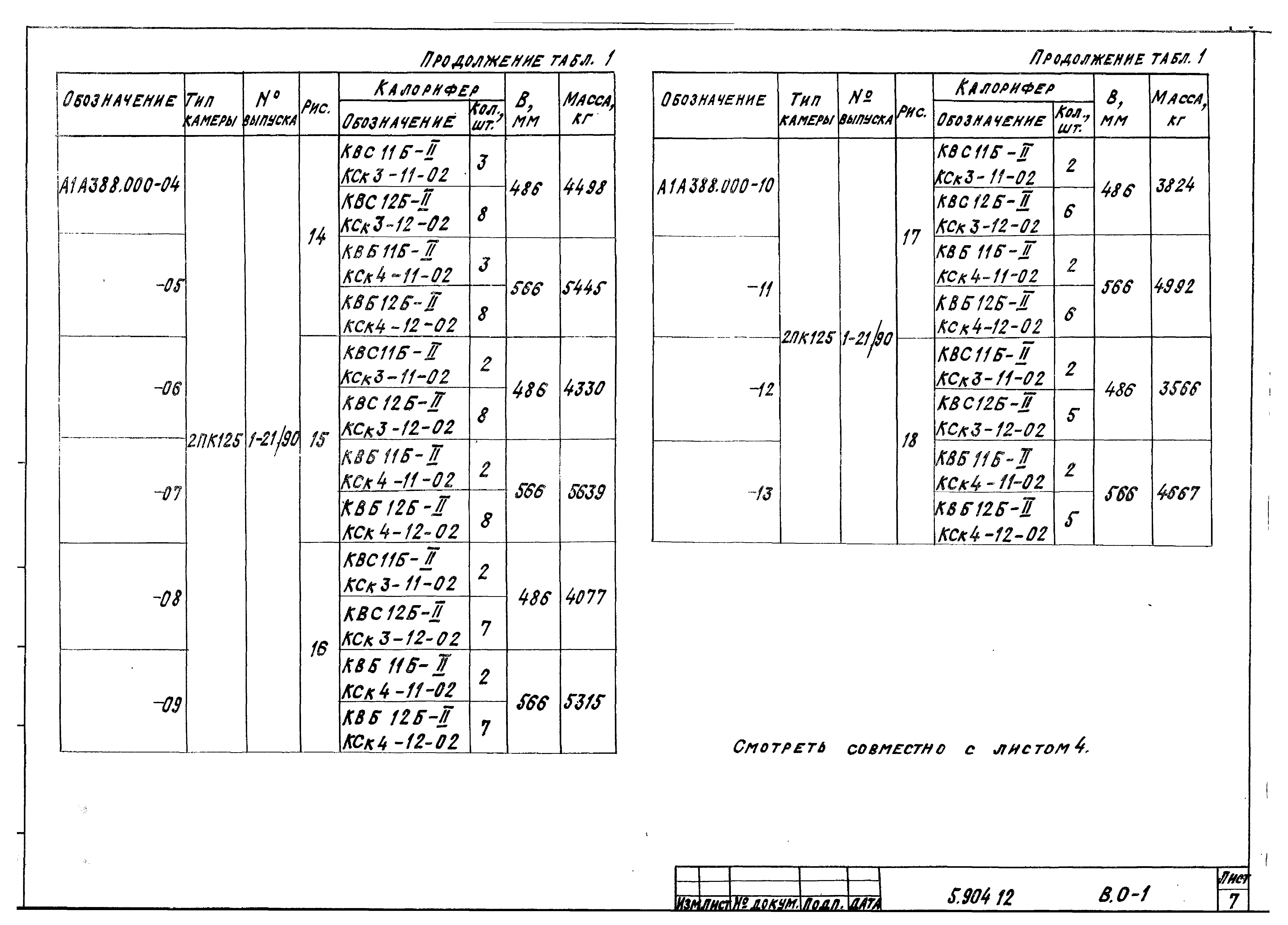
| Оглавление: | Содержание 1. Введение 2. Конструкция и компоновка секций 3. Указания по тепловому расчету калориферных секций 4. Выбор оптимальной калориферной секции по приведенным затратам 5. Выбор способа регулирования теплопроизводительности 6. Пример подбора калориферных секций |
| Разработан: | ГПКНИИ Сантехниипроект Госстроя СССР |
| Утверждён: | 24.05.1990 ГПКНИИ Сантехниипроект Госстроя СССР (25) |
| Издан: | АПП ЦИТП (1991 г. ) |
| Расположен в: | |
| Чем заменён: |
















































